Шапка

8.16 Интерференция, экранирование и заземление

«Шум» в виде интерференционной сетевой наводки или паразитной связи через источники питания и земляные шины на практике могут оказаться гораздо важнее, чем все внутренние источники шума, обсуждавшиеся в этой части ранее. Такие интерференционные сигналы могут быть подавлены до совершенно неразличимых уровней ( в отличие от теплового шума ) посредством правильных схемотехнических решений, разводки и конструкции. В особо сложных случаях лечение может включать сочетание фильтрации входных и выходных линий, аккуратной разводки и заземления в сочетании с интенсивным электрическим и магнитным экранированием. В этой главе предлагаются некоторые подходы, которые могут помочь разобраться в этих тёмных материях 145 .

8.16.1 Интерференция сигналов

Интерференционные сигналы могут проникать в электронные устройства через выводы питания, входные и выходные линии. Кроме того, наводки могут попадать в схему через ёмкостную или электростатическую связь проводников ( последствия заметнее для высокоомных узлов схемы ), магнитную связь замкнутых участков схемы ( независимо от их импеданса ) или через электромагнитную связь проводников, работающих как небольшие антенны для электромагнитных волн. Любой из этих механизмов может служить для связи различных частей схемы. И наконец, сигнальные токи из одной точки могут проникать в другие через шины земли и питания.

8.16.1.A Подавление интерференции

Для подавления большинства из перечисленных видов интерференции есть несколько эффективных приёмов. Следует помнить, что все они помогают снизить интерференционный сигнал до приемлемого уровня, но редко позволяют убрать его совсем. Соответственно, часто имеет смысл поднять уровень сигнала, чтобы просто увеличить отношение уровня сигнала к наводке. Кроме того, важно понимать и помнить, что некоторые условия эксплуатации гораздо хуже других, и прибор, безукоризненно работающий на столе, может с треском провалить полевые испытания. Следует избегать:

  1. окрестностей теле- и радиостанций ( радиочастотная интерференция );
  2. соседства электрифицированных железнодорожных путей ( импульсные наводки и мусор в питающей сети );
  3. линий высоковольтных передач ( радиочастотные наводки, слышимое потрескивание и шипение коронного разряда );
  4. близко расположенных мощных моторов и лифтов ( иголки в силовой сети );
  5. зданий с тиристорным [* фазоимпульсным] управлением яркостью освещения и электрическим отоплением ( иголки в силовой сети );
  6. оборудования с мощными трансформаторами ( магнитные наводки ); и
  7. аппаратов дуговой сварки ( наводки всех видов неимоверной интенсивности ).

Ниже собраны некоторые приёмы, рекомендации и магические заклинания.

8.16.1.B Сигналы, проникающие через входы, выходы и линии питания

Для линий питания лучшим выбором будет использование радиочастотных фильтров в паре с искрогасящей цепью на входах сетевого переменного напряжения. Такое сочетание позволяет получить ослабление 60 dB для наводок на частотах сотни и более килогерц и избавиться от переходных помех при выключении питания.

Со входами и выходами дела обстоят сложнее: импеданс таких линий гораздо выше, а защищаемые сигналы и помехи могут лежать в одном частотном диапазоне. В усилителях звуковых частот надо ставить фильтры нижних частот на входе и на выходе ( большая часть наводок от близлежащих радиостанций попадает в схему через кабели динамиков, работающих в качестве антенн ). В других случаях требуются экранированный провод. Низкоуровневые сигналы с высоким импедансом следует экранировать в обязательном порядке. Так же нужно поступать с корпусами приборов.

8.16.1.C Емкостная связь

Сигналы внутри прибора могут непринуждённо распространяться через электростатическую связь: где-то в схеме напряжение прыгнет на десять вольт, и на высокоомном входе неподалёку уровень сделает такой же симпатичный скачок. Лучшее, что можно сделать: снизить емкостную связь с уязвимыми узлами ( увеличить расстояние до них ), добавить экранирование ( готовый металлический экран ли даже металлическая оплётка убирает этот вид связи полностью ), переместить обе точки ближе к заземлённой поверхности ( которая «глотает» краевые линии электростатического поля, очень сильно снижая связь ) или уменьшить насколько возможно импеданс чувствительных узлов. Выходы операционных усилителей не особо восприимчивы к наводкам, а вот входы очень даже. Подробнее об этом ниже.

8.16.1.D Магнитная связь

К несчастью, низкочастотные магнитные поля плохо ослабляются металлическими корпусами. Динамический микрофон, магнитофон, предварительный усилитель или иная чувствительная схема, оказавшаяся в непосредственной близости от большого трансформатора, получат наводки с частотой сети ужасающей силы. Лучший метод лечения - избегать замкнутых цепей, охватывающих большие площади, и стараться держать свои схемы подальше от таких цепей. К магнитным наводкам достаточно устойчивы витые пары [* имеется ввиду прямой - «сигнальный» и обратный - «возвратный/земляной» провода, скрученные вместе ] , потому что площадь, охватываемая проводом мала, а наводки, индуцированные в обоих проводах компенсируют друг друга [* в «сигнальном» и «земляном» проводе сигнал меняется противофазно, а наводка - синфазно] .

Иногда слабые сигналы или восприимчивые к магнитным наводкам компоненты ( магнитные головки, индуктивности, проволочные резисторы ) требует магнитного экранирования. Экраны из «мю-металла» доступны в виде отформованных деталей или листов. Если магнитные поля имеют большую напряжённость, лучше всего использовать многослойное экранирование: экран с большим коэффициентом магнитной проницаемости ( высокое значение «мю» ) располагается внутри, а снаружи его окружает экран с низкой магнитной проницаемостью ( обычное железо или экран из материала с низким значением «мю» ). Такая конфигурация предотвращает магнитное насыщение внутреннего экрана и потери им защитных свойств. Конечно, часто гораздо проще отодвинуть нарушающий спокойствие источник магнитных полей. Иногда необходимо отправить большой силовой трансформатор в ссылку куда подальше, да позволено будет такое сравнение. Экранированные индуктивности ( т.н. «броневые» сердечники ) выполнены так, что магнитный материал ( обычно феррит ) образует замкнутые пути для магнитного поля. Тороидальные трансформаторы имеют меньшие поля рассеяния, чем стандартные Ш-образные, а каждый виток обмотки в обратном направлении компенсирует магнитный поток от витка в прямом. Так же работает обмотка, у которой конец располагается рядом с началом.

8.16.1.E Печатные платы и кабели

Как емкостная, так и магнитная связь возникает и между проводниками на печатной плате, и между кабелями или шлейфами. Магнитную связь иногда называют индуктивной, чтобы подчеркнуть отличие от емкостной. «Перекрёстные наводки» - богатая тема, в подробностях описанная в классическом труде Джонсона и Грэхема «Руководство по чёрной магии» 146 . Интуитивно понятно, что размах индуктивных и емкостных наводок сравнимы, но воздействуют они по-разному, как видно по концам пары близко расположенных проводников: прямая наводка пропорциональна скорости изменения сигнала, но емкостная и индуктивная компоненты различаются знаком и компенсируют друг друга. Обратная наводка похожа на импульс с плоской вершиной с усиленными емкостной и индуктивной компонентами. Его ширина пропорциональна времени прохождения сигнала до конца линии и обратно. Если импеданс ведущего сигнала не соответствует характеристическому импедансу линии ( см. Приложение _H ), то сигнал наводки «близкого конца» ( известный как NEXT ), отразится и вновь отправится в прямом направлении, складываясь ( и часто внося основной вклад в результат ) с отражением от «дальнего конца» ( именуемого FEXT ).

См. связанную тему в Части 12 ( §12.9 «Цифровые сигналы и длинные линии» ).

8.16.1.F Связь на высоких частотах

Радиочастотные наводки обычно проникают в схему скрытно и бессимптомно, потому что невинно выглядящие компоненты схемы внезапно оказываются способны превращаться в резонансные контура, обнаруживая повышенную предрасположенность отдельных участков цепи к наводкам. Помимо общего экранирования, полезно уменьшать длины проводников и выводов и избегать петель [* т.е. снижать индуктивность] , которые склонны к резонансам. Если проблемы проявляются на очень высоких частотах, помогают ферритовые кольца, но в ходе борьбы за всё хорошее важно не залить кашу маслом. Например, может возникнуть желание улучшить развязку по питанию, поставив несколько керамических конденсаторов, но в сочетании с индуктивностью длинных линий питания такие «фильтрующие» конденсаторы образуют всеми любимый паразитный контур с резонансом где-то в области ВЧ ( десятки ли сотни мегагерц ), превращая рабочую схему в источник шума, а то и генерации 147 .

8.16.2 Сигнальная земля

Заземлённые выводы и экраны могут доставить массу неприятностей, а сама тема заземления окружена массой заблуждений. Проблема заключается в токах, текущих по шине земли, о которых часто забывают. Эти токи [* вызывают падение напряжения в шине земли за счёт некоторой ненулевой величины её сопротивления] и создают сигналы, видимые другими частями схемы, сидящими на той же шине. В такой ситуации часто используется земляная «мекка» ( общая точка, куда собираются все земляные концы ). Следует иметь ввиду, что это костыль: имея минимальное представление об источнике проблем можно обойтись более изящными приёмами.

8.16.2.A Грубые ошибки заземления

Типичная проблема показана на рис. 8.124 . В одном устройстве имеются усилитель слабых сигналов и мощный каскад. Первая схема подключения выполнена правильно: оба усилителя подключены к питанию возле регулятора ( прямо на выводах обратной связи ), поэтому падение напряжения IR возникающее в проводниках между регулятором и мощным каскадом не появляется на входе усилителя слабых сигналов; посторонних токов между слаботочной землёй и общей точкой, которая может располагаться на корпусе рядом со входным разъёмом, нет.

Рис.8.124   Подключение питания и заземления. (A) Правильно. (B) Неправильно

Во второй схеме есть две грубые ошибки. Колебания напряжения питания, вызванные изменением тока через нагрузку в силовом каскаде, воздействуют на уровень питания слаботочной части, что может вызвать генерацию, если коэффициент подавления источника питания у входной части недостаточно высок. Но на самом деле ситуация ещё хуже: токи нагрузки, возвращаясь в источник питания, вызывают изменение потенциала «корпусной земли» относительно земляной шины источника. При этом входной каскад сидит на корпусной земле. Это очень плохое решение. В общем случае следует искать места, где протекают большие токи, и проверять, не оказывает ли вызванное ими падение напряжения IR влияния на вход. В некоторых случаях может быть лучше развязать линии питания слаботочной части через RC цепи ( рис. 8.125 ). В тяжёлых случаях приходится ставить стабилитрон или трёхвыводной стабилизатор для дополнительной развязки.

Рис.8.125   Развязка линий питания слаботочных каскадов

8.16.3 Межприборное заземление

Идея с общей точкой заземления внутри прибора очень хороша, но что делать, если сигнал идёт из одного устройства в другое, причём каждый имеет свои представления о «земле»? Ниже предлагаются некоторые советы ( кроме того, в §12.9 очень подробно рассматривается проблема передачи цифровых сигналов ).

8.16.3.A Сигналы высокого уровня

Если речь идёт о сигналах с амплитудой несколько вольт или о больших логических перепадах, то достаточно будет просто соединить приборы между собой и забыть об этой проблеме ( рис. 8.126 ). Источник переменного напряжения на схеме, включённый между двумя земляными точками, символизирует собой разницу между потенциалами нейтрали в розетках на разных концах комнаты или, что хуже, между разными комнатами здания. Такая разница складывается из наводок сетевой частоты и её гармоник, радиочастотных помех ( длинные провода являются хорошими антеннами ), токовых иголок различного происхождения и прочего мусора. Если сигналы достаточно велики, то с этим всем вполне можно жить.

Рис.8.126   При передаче сигналов между приборами можно получить наводку с частотой сети между потенциалами их земель, даже если они соединены согласно приведённой схеме

8.16.3.B Малые сигналы и длинные линии

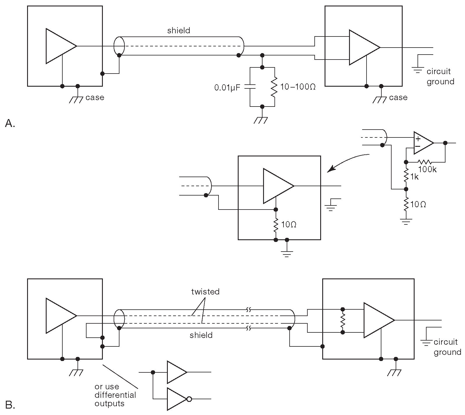
В случае малых сигналов игнорировать такую помеху не получится, и придётся прилагать специальные усилия для нормализации ситуации. Некоторые варианты показаны на рис. 8.127 . На первой схеме коаксиальный кабель подключён к корпусу и земле устройства рядом с передатчиком, но отсоединён он неё у приёмника ( используется изолированный BNC-разъём Bendix 4890-1 или Amphenol 31-010 ). Сигнал поступает на дифференциальный усилитель, которому небольшая внешняя наводка на экран не мешает. Низкоомный резистор и конденсатор, подключённые к корпусной земле, ограничивают амплитуду наводки в сигнальной земле и предотвращают повреждение входного каскада. В качестве альтернативы исходно дифференциальной схеме приведен «псевдодифференциальный» вариант с использованием однополярного усилителя ( в качестве которого можно взять обычный ОУ в неинвертирующем включении, как показано на рис. 8.127A ). Резистор между общей точкой усилителя и схемной землёй имеет много большее сопротивление ( 10 Ω ), чем импеданс сигнальной земли, и не позволит земляной линии источника сигнала задать потенциал общей точки. Любой шум, появляющийся в ней, немедленно проходит на выход, но это не опасно, если усиление по напряжению каскада \( G_V\) велико, так как отношение сигнал-шум увеличивается в \( G_V\) раз [* ОУ усиливает разницу между входным сигналом и сигнальной землёй, а шум в сигнальной земле проходит на выход в неизменном виде ] . Таким образом, хотя схема не является по-настоящему дифференциальной ( т.е. схемой с бесконечным коэффициентом ослабления синфазных сигналов ), работает она неплохо, а её КОСС равен \( G_V\) . Такой псевдодифференциальный контроль в цепи земли можно использовать при передаче слабых сигналов и внутри прибора.

Рис.8.127   Соединение земли приборов при передаче слабых сигналов через экранированные кабели

Во второй схеме ( рис. 8.127B ) используется экранированная витая пара. Её экран подключается к корпусам на обоих концах. Такое соединение безопасно, так как сигнал по экрану не передаётся. На приёмном конце по-прежнему используется дифференциальный каскад. Если передаются логические сигналы, то правильнее будет передавать их в дифференциальном виде ( сигнал и его инверсию ), как показано на врезке. На входе можно ставить обычные дифференциальные усилители, а, если помехи в цепи земли велики, можно задействовать «изолирующие усилители», выпускаемые Analog Devices Inc. и TI/BB. Такие микросхемы допускают киловольтовые уровни синфазных сигналов. Для цифровых сигналов удобно использовать оптоизоляторы ( §12.7 ).

В радиочастотном диапазоне общепринятой практикой борьбы с синфазными сигналами на приёмном конце является использование трансформаторной связи. Кроме того это упрощает передающий каскад. Трансформаторы популярны в звуковом диапазоне, хотя и вызывают некоторую деградацию сигнала, а их габариты уже достаточно велики ( §8.10 ).

Для очень длинных ( километровых ) шлейфов требуется прилагать специальные усилия для борьбы с токами радиочастотных наводок в экране. Одно из решений показано на рис. 8.128 . Как и ранее дифференциальный усилитель подключён к витой паре, и напряжение на экране ему безразлично. Соединение экрана с корпусом через индуктивность малого номинала позволяет удержать постоянную составляющую наведённого напряжения на низком уровне и ограничить токи переменной составляющей. Остальные детали ограничивают напряжение на обеих сигнальных линиях уровнем ±10 V .

Рис.8.128   Схема защиты входов для длинных линий

На рис. 8.129 показан способ уменьшения числа линий в многопроводном кабеле, в котором надо убирать синфазную наводку. Так как величина наводки во всех жилах кабеля одинаковая, один провод подключается к земле на передающем конце и служит опорным сигналом для остальных жил. На приёмном конце сигнал между образцовым проводом и землёй подаётся на вывод опорного напряжения дифференциальных усилителей, подключённых к остальным линиям.

Рис.8.129   Подавление интерференции в длинных многожильных кабелях

Такая схема хорошо убирает синфазный шум на низких и средних частотах, но из-за ограничений ОУ не работает в радиодиапазоне.

Указанный недостаток убирается пропусканием кабеля через ферритовый сердечник в виде кольца ( рис. 8.130 ). Такая операция увеличивает последовательную индуктивность всего кабеля, поднимает импеданс для синфазных сигналов высокой частоты и облегчает развязку на дальнем конце кабеля с помощью подключённых к земле конденсаторов. Эквивалентная схема показывает, почему такой приём не действует на дифференциальные сигналы. С одной стороны в каждую линию и в экранирующую цепь добавляется последовательная индуктивность, но с другой стороны они образуют трансформатор с сильно связанными обмотками и единичным коэффициентом передачи, который никак не влияет на дифференциальный сигнал. Такую конструкцию можно рассматривать как «трансформатор для линий передачи с отношением 1:1» ( см. §13.10 во втором издании книги ).

Рис.8.130   Подавление ВЧ наводок в многожильном или коаксиальном кабеле наматыванием его на ферритовое кольцо

8.16.3.C Плавающие ( незаземлённые ) источники сигналов

Такая же проблема несогласованности уровней земли в разных точках, но в более серьёзной форме, возникает на низкоуровневых входах из-за общего низкого уровня сигналов. Примером может служить магнитная головка магнитофона или любой другой первичный преобразователь, чей сигнал нуждается в экранировании. Если заземлить экран на обоих концах, разница потенциалов на нём появится на сигнальном входе усилителя. Лучшим решением будет отключение от земли обращённого к датчику конца кабеля ( рис. 8.131 ).

Рис.8.131   Борьба с блуждающими токами в цепи земли: экран подключается к земле только с одной стороны - возле приёмника

8.16.3.D Изолирующие усилители

Ещё одним методом борьбы с разницей потенциалов в цепи земли является использование «изолирующих усилителей». Изолирующие усилители – коммерческие устройства, предназначенные для передачи аналоговых сигналов ( с нижней границей полосы пропускания равной постоянному напряжению ) между двумя узлами с совершенно разными потенциалами земли ( рис. 8.132 ), причём в особо запущенных случаях разница может достигать киловольт! Изолирующие усилители являются обязательным требованием для медицинской техники, в которой электроды присоединяются к телу пациента и должны быть полностью изолированы от приборных цепей, получающих питание от силовой сети. Доступные в настоящий момент модели выполнены по одной из трёх схем:

Рис.8.132   Схематическое изображение изолирующего усилителя

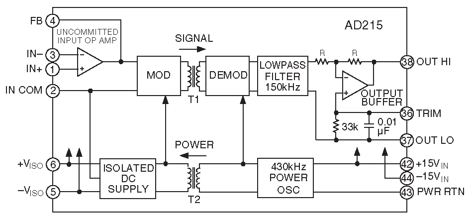
  1. Трансформаторная развязка высокочастотного сигнала - несущей – и использование частотной или широтно-импульсной модуляции достаточно узкополосного сигнала ( с верхней границей порядка 10 kHz ), требующего изоляции ( рис. 8.133 ). Такой подход использует Analog Devices Inc. «Бесплатным» приложением к схеме идёт внутренний изолирующий трансформаторный преобразователь питания для изолированной части, снимающий требование наличия внешнего питания изолированной части. Такие микросхемы выдерживают разность потенциалов до 1.5 kV и имеют типовое значение полосы пропускания 5 kHz , хотя у отдельных моделей он превышает 100 kHz ( AD215 - 120 kHz при нелинейности менее 0.015% и розничной цене $80 за штуку ).

Рис.8.133   Изолирующий усилитель AD215 с трансформаторной связью (Из справочных данных на микросхему. С любезного разрешения фирмы Analog Devices Inc. )

  1. Оптическая изоляция: светодиод на передающем конце и фотодиод на приёмном. Типичным представителем является ACPL-C79 фирмы Avago. Такие приборы используют сигма-дельта модуляцию и достигают полосы 200 kHz . Цена их невелика ( $5 в среднем опте ), а нелинейность не превышает 0.06% . Существует любопытная альтернатива тактируемым схемам, содержащая один передающий светодиод и два согласованных приёмных фотодиода. Хорошая линейность достигается включением второго фотодиода в обратную связь передатчика: сигнал обратной связи проходит через тот же светодиод и второй фотодиод и позволяет учесть параметры всего оптического канала ( рис. 8.134 , см. также рис. 12.90 ). Некоторые дополнительные методы оптической изоляции аналоговых сигналов описываются в §12.7.4 , а цифровых - в §12.7.2 .

Рис.8.134   Линейная оптическая связь исключает наводки от тактовых сигналов, а с обратной связью от согласованного приёмника позволяет достичь приличной линейности (Из справочных данных на ISO100, TI )

  1. Емкостная связь с помощью высокочастотной несущей, модулированной изолируемым сигналом ( рис. 8.135 ). Типичные представители ISO122 и ISO124 фирмы TI/BB ( рис. 8.136 ). Обратная связь, как и в случае трансформаторной связи, отсутствует, но требуется свой источник питания на обеих сторонах. Обеспечение питания на изолированной стороне проблемой обычно не является, так как электронная аппаратура там уже есть, но даже если это не так, то всегда можно поставить внешний модуль питания. ISO124 позволяет работать при разности потенциалов до 1.5 kV , имеет нелинейность 0.01% и рабочую полосу 50 kHz . Розничная цена - $18 за штуку. На рис. 8.137 показано её внутреннее устройство.

Рис.8.135   Изолирующий усилитель с емкостной связью (Из примера по применению Burr-Brown AB-047, TI )

Рис.8.136   Изолирующий усилитель ISO124 с емкостной связью (Из справочных данных на микросхему фирмы Texas Instruments )

Рис.8.137   Изолирующий усилитель ISO106 TI/Burr-Brown. ( С разрешения TI )

Все перечисленные усилители рассчитаны на передачу аналоговых сигналов. Такие же проблемы возникают и в цифровой электронике, но там решения просты и эффективны - изоляторы с оптической связью ( оптоизоляторы ). У них достаточно высокое быстродействие ( 10 MHz и более ), высокая степень защиты ( до нескольких киловольт ) и небольшая стоимость ( один-два доллара ). Они обсуждаются в Части 12 [* §12.7 ] .

Предупреждение: Изолирующие усилители могут создавать свой собственный шум: обычно некоторую форму модуляции сигнала ( это вообще самый распространённый вид шума ), так как имеют в своём составе источник тактирования. Кроме того изолирующие усилители как и остальные ОУ создают обычный широкополосный шум. С модуляцией от тактирующего сигнала можно бороться с помощью аналогового ФНЧ на приёмной стороне. Дополнительные детали можно узнать из полезного документа «Источники шума в схемах, использующих изолирующие усилители с емкостной связью» ( заметка по применению ##SBAA028, доступная на сайте Texas Instruments www.ti.com).

8.16.3.E Охранное экранирование сигналов

[* С языковой точки зрения правильнее было бы использовать термин «защитное экранирование» ( guarding ), но экранирование само по себе защитное мероприятие, посему был употреблён конструкт «охранное экранирование» ].

Ещё один тесно связанный вопрос - « охранное экранирование ». Это элегантный приём, снижающий эффекты входной ёмкости и утечки для слабых сигналов и высоких сопротивлений. Может потребоваться работать с сигналами от микроэлектродов или емкостных преобразователей с импедансом источника сотни мегаом. Нескольких пикофарад входной ёмкости достаточно для получения ФНЧ с частотой среза единицы герц! Кроме того, недостаточная изоляция подводящих кабелей легко может ухудшить параметры усилителя со сверхнизким входным током ( меньшим, чем несколько пикоампер ) на порядок. Обе эти неприятности лечатся с помощью «защитного электрода» ( рис. 8.138 ) 148 .

Рис.8.138   Использование охранного экранирования позволяет снизить проблемы, порождаемые высоким входным импедансом

Повторитель формирует напряжение на внутреннем экране, убирая ток утечки и емкостное ослабление за счёт отсутствия разницы потенциалов между сигналом и охранным экраном [* нет разницы потенциалов - нет токов \(I=U/R\) , и нет переноса заряда \(Q=CU\)] . Ещё один электрод, подключенный к земле, позволяет прикрыть внутренние цепи от источников интерференции. Низкий выходной импеданс позволяет повторителю спокойно противостоять проблемам с ёмкостью и утечками.

Совать эту схему где ни попадя не стоит. На длинных линиях повторитель надо ставить как можно ближе к источнику сигнала, подпирая только небольшой участок кабеля на передающем конце, а передачей низкоимпедансного потенциала к удалённому приёмнику займётся экран кабеля 149 .

8.16.3.F Наводки с выхода

Обычно выходной импеданс ОУ достаточно низок, чтобы не беспокоиться о емкостных связях выхода, но высокочастотные сигналы или интерференция, вызванная быстрыми фронтами требует бдительности, особенно если нужна хоть какая-нибудь точность. Рассмотрим пример на рис. 8.139 . Прецизионный сигнал буферируется и попадает в зону с близлежащим цифровым линиями, переключающимися со скоростью 0.5 V/ns . Выходной импеданс усилителя с обратной связью растёт с частотой, достигая величин 10...100 Ω на частоте 1 MHz ( см. §5.8.3 ). Какую величину может иметь ёмкость связи, чтобы интерференционный сигнал был бы ниже, чем аналоговое разрешение системы 0.1 mV ? Ответ: не более 0.02 pF .

Рис.8.139   Перекрёстная интерференция цифровых и аналоговых сигналов

Возможны несколько решений. Самый лучший вариант - держать свои аналоговые сигналы подальше от быстро переключающихся схем. Умеренная ёмкость на выходе ОУ ( возможно, с небольшим последовательным резистором для сохранения устойчивости ) поможет, но снизит при этом скорость нарастания. Работу конденсатора можно представить как средство понижения частоты следования наведённых импульсов до того уровня, когда обратная связь ОУ сможет их переварить. Несколько сотен пикофарад на землю в достаточной степени увеличит жёсткость аналогового сигнала на высоких частотах ( его можно рассматривать как емкостной делитель напряжения ). Другой способ заключается в использовании низкоимпедансного буфера типа LT1010 или мощного усилителя, подобного LM675. Ну, и не стоит забывать об экранировании, витых парах и сокращении расстояния до слоя земли, снижающей наводку.

145 Гораздо подробнее тема рассматривается в популярных классических трудах: R.Morrison “Grounding and Shielding: Circuits and Interference”, Wiley, ( 2007 ) и H.Ott “Noise Reduction Techniques in Electronic Systems”, Wiley, ( 1988 ). <-

146 H.W.Johnson M.Graham, “High-Speed Digital Design - A Handbook of Black Magic”, Prentice-Hall ( 1993 ) и продолжение “High-Speed Signal Propagation - Advanced Black Magic”, Prentice-Hall, ( 2003 ). <-

147 Здесь могут помочь алюминиевые электролитические конденсаторы: их большое внутреннее сопротивление давит возможные резонансы. <-

148 Он уже встречался в §8.11.9 . <-

149 Подробнее эта тема в приложении к микроэлектродам раскрывается в §15.08 второго издания книги. <-

Previous part:

Next part: