Шапка

H.2 Согласование импедансов

Появление отражений в несогласованных ( или плохо согласованных ) линиях передачи - серьёзный повод озаботиться данным вопросом. Беспокоиться надо начинать при работе с линиями, электрическая длина которых составляет более 1/20 длины волны наибольшей рабочей частоты или, если перейти из частотной области во временнУю, если время прохода сигнала по кабелю туда-обратно составляет 20% от длительности фронта сигнала.

Ранее говорилось, что правильнее всего нагрузить линию резистивным эквивалентом её волнового сопротивления, например, 50 Ω для большинства коаксиальных кабелей. Терминаторы ( согласующие сопротивления ) на обоих концах не нужны, потому что терминированный конец поглотит любой пришедший сигнал. Таким образом, можно подавать сигнал в линию, согласованную на дальнем конце, от несогласованного источника. Или, как рассказывалось выше, можно использовать «последовательное согласование» на стороне источника, оставляя дальний конец свободным ( т.е. подавая сигнал на нагрузку, которая гораздо больше, чем характеристический импеданс линии ). Распространённой практикой является согласование на обоих концах на резистивный эквивалент волнового сопротивления. Такой метод гарантирует минимум отражений. Например, при передаче сигнала от генератора используется 50-омный кабель. На дальнем конце может располагаться согласованная 50-омная нагрузка, а может и высокоомный приёмник, и тогда параллельно ему надо вешать 50-омный резистор ( или использовать проходной терминатор. [* Это цилиндрическая или многогранная ( чтобы по столу не каталась ) штука со входным и выходным BNC на концах и надписью «50 Ω» и иногда «1:1», а ещё иногда «0 dB» ] ).

Иногда требуется согласовать линию с нагрузкой или источником, имеющим другой импеданс. Например, может потребоваться измерить имеющимся 50-омным оборудованием параметры 75-омного видео кабеля ( стандартное волновое сопротивление, выбранное видео индустрией, вероятно, больше для того, чтобы досадить остальному электронному сообществу ), или стоит задача согласовать выход передатчика с антенной.

Данная задача переводит тему на согласование цепей. Дальше будут рассмотрены следующие методы:

  1. резистивное ( с потерями ) согласование и ослабление для широкополосных цепей;
  2. трансформаторное ( без потерь ) широкополосное согласование; и
  3. реактивное ( без потерь ) узкополосное согласование.

H.2.1 Резистивное ( с потерями ) широкополосное согласование цепей

Всё, что требуется для согласования двух импедансов \( r\) и \(R\) ( предполагается, что они резистивные, каковыми, скажем, являются кабели ), - это L-цепь из двух резисторов ( рис. H.11A ). Обе стороны счастливы, каждая видит согласованную нагрузку. Величины согласующих резисторов равны: \[ \begin{align} R_p&=r\sqrt{\frac{X}{X-1}} \\ R_S&=r\sqrt{X(X+1 )}, \end{align} \] где \( r\) - меньший импеданс, а \(X\) - отношение импедансов \(X=R/r\) . Выше требовалось согласовать 50-омный инструмент и 75-омную коаксиальную линию ( RG-59 ). Сделать это можно, поставив резистор 86.6 Ω параллельно 50-омному порту [* нагрузкой ] и соединить цепи через резистор 43.3 Ω ( рис. H.11B ).

Рис. H.11     (A) Резистивная L-цепь позволяет согласовывать любое сочетание двух действительный ( резистивных ) импедансов. Параллельный резистор \(R_p\) стоит со стороны порта с меньшим импедансом \( r\) . (B) Пример согласования 50-омного источника сигнала и 75-омного кабеля и нагрузки ( потери составляют 5.72 dB )

Работа такой резистивной L-цепи не зависит от частоты, но в ней есть потери. Их величина: \[ loss=20\lg{\left(\frac{\sqrt X}{X+\sqrt{X(X-1 )}}\right )} \qquad \mathrm{dB} \]

Например, при переходе с 50 на 75 Ω ( рис. H.11B ) теряется 5.72 dB при передаче сигнала в любом направлении. С резистивным согласованием обойтись без ослабления невозможно ( его называют минимальные потери ). Ниже рассказывается, как согласовать цепи без потерь с помощью трансформатора или LC цепи ( «реактивное согласование» ).

Можно построить цепь с ещё бОльшими потерями, доведя число резисторов до трёх. Из трёх резисторов можно построить T- или π-цепь, которая сможет согласовать два резистивных импеданса, но потери будут выше, чем подсчитанные выше минимальные. Обычно дополнительные потери никому не нужны, но есть ситуация, где такой метод удобен - резистивный аттенюатор между двух уже согласованных линий передачи.

H.2.2 Резистивный аттенюатор

В радиочастотных схемах иногда возникает нужда в ослаблении сигнала, чтобы, например, не перегружать усилительный каскад. Иногда требуется обеспечить некоторую изоляцию между чувствительными к импедансу компонентами ( усилителями, смесителями, кабелями ) и несогласованными элементами. Примером последних служат фильтры, которые согласованы в полосе пропускания и в значительной степени рассогласованы ( отражают ) в полосе заграждения. Некоторые усилители самовозбуждаются, если их выход непосредственно нагрузить узкополосным фильтром.

Решением проблемы служит резистивный аттенюатор с согласованием импедансов. Есть две топологии «T-» и «π-», названные по схемному представлению ( рис. H.12 ). Величины резисторов считаются по формулам:

Рис. H.12   Резистивные T- и π-аттенюаторы для одинаковых импедансов на входе и выходе

для π-цепи: \[ R_p=\frac{1+X}{1-X}R_0, \\ R_S=\frac{1-X^2}{2X}R_0 \] для T-цепи: \[ R_S=\frac{1-X}{1+X}R_0, \\ R_p=\frac{2X}{1-X^2}R_0 \] X выбирается по требуемому ослаблению в dB : \[ atten( dB )=-20\lg X \] \(Z_0\) - импеданс ( резистивный ) на входе и выходе. Некоторые стандартные значения для 50-омных цепей сведены в табл. H.1 .

Table H.1 50ft T- and π- Attenuators

Attenuation ( dB ) Pi T Rp ( O ) Rs ( O ) Rp ( O ) Rs ( O ) 0 oo 0 oo 0 0.25 3.47k 1.44 1.74k 0.72 0.50 1.74k 2.88 868 1.44 0.75 1.16k 4.32 578 2.16 1.00 870 5.77 433 2.88 1.25 696 7.22 346 3.59 1.50 581 8.68 288 4.31 1.75 498 10.1 247 5.02 2.0 436 11.6 215 5.73 2.5 350 14.6 171 7.15 3 292 17.6 142 8.55 4 221 23.9 105 11.3 5 178 30.4 82.2 14.0 6 150 37.4 66.9 16.6 7 131 44.8 55.8 19.1 8 116 52.8 47.3 21.5 9 105 61.6 40.6 23.8 10 96.3 71.1 35.1 26.0 15 71.6 136 18.4 34.9 20 61.1 248 10.1 40.9 25 56.0 443 5.64 44.7 30 53.3 790 3.17 46.9 35 51.8 1.41k 1.78 48.3 40 51.0 2.50k 1.00 49.0 45 50.6 4.45k 0.56 49.4 50 50.3 7.91k 0.32 49.7 55 50.2 14.1k 0.18 49.8 60 50.1 25.0k 0.10 49.9

Номиналы резисторов даны для 50-омных источников и приёмников. Показанные значения можно масштабировать для других импедансов, при условии равенства импедансов обоих портов.

H.2.3 Трансформаторное ( без потерь ) широкополосное согласование

Если возможные потери не критичны, то резистивная согласующая цепь - самый простой способ. Но во многих случаях минимизация потерь - основа основ. Примером могут служить связные передатчики или малосигнальные устройства, параметры которых ограничиваются уровнем теплового шума.

В таких случаях можно использовать трансформатор или реактивную согласующую цепь. Ни тот, ни другой метод не позволяют работать на постоянном токе. Трансформатор - широкополосное решение, но ограничен в возможных отношениях импедансов. Реактивная цепь спокойно переносит любые импедансы, включая комплексные, но работает только рядом с некоторой центральной частотой.

Сигнальные трансформаторы работают по тем же принципам, что и обычные сетевые, т.е. снабжены парой обмоток, имеющих магнитную связь. Отношение витков задаёт нужное отношение напряжений. Отношение импедансов равно квадрату отношения витков. Например, трансформатор 1:4 ( первичная : вторичная ), имеющий на входе источник 50 Ω покажет на выходе 800 Ω и должен подключаться к нагрузке с таким импедансом. На высоких частотах сигнала необходимо использовать магнитные сердечники, которые не дают разгуляться вихревым токам. На звуковых частотах подойдёт железо от обычного силового трансформатора, но с более тонкими пластинами. На более высоких частотах пластинчатый набор заменяется сердечником из порошкового железа или из непроводящего магнитного материала «феррита». Чтобы избежать разрушительного воздействия паразитной ёмкости и индуктивности, обмотки высокочастотных ( 10 MHz и выше ) трансформаторов мотают линиями передачи ( коаксиальными или параллельными ).

Согласующие трансформаторы выпускаются многими фирмами, хотя какие-то задачи могут потребовать индивидуального расчёта и изготовления. Для звуковых частот предлагаются трансформаторы «телефонного» диапазона ( 200 Hz...4 kHz ) или полного звукового ( 20 Hz...20 kHz ) с импедансами от динамиков и микрофонов ( 8...600 Ω ) до «высокоомных» ( «hi-Z» ) 10...50 kΩ . Ещё немного о согласующих трансформаторах говорится в §8.10 .

Хорошая линейка радиочастотных трансформаторов выпускается фирмой North Hills. Модельный ряд включает экземпляры с импедансом от 50 и 75 Ω до 1200 Ω и покрывает частоты от 20 Hz до 100 MHz с типичным частотным диапазоном конкретной модели 1000 : 1 и более. Для высоких частот можно взять широкополосные согласующие трансформаторы фирмы Mini-Circuits. У них есть модели для частот от 4 kHz до 2 GHz с коэффициентами от 1:1 до 16:1 и рабочим диапазоном 1000 : 1 . Трансформаторы собраны на линиях передачи.

Стоит упомянуть, что трансформаторная связь обеспечивает гальваническую изоляцию : входная и выходная цепи не обязаны подключаться к общей земле. Такое свойство особенно удобно, когда надо передавать сигнал между разными устройствами, заземлёнными через шнур питания на разные шины. Авторы часто наблюдали приборы, расположенные в одной комнате, чья земля различалась на несколько вольт переменного напряжения 60 Hz . В такой ситуации изоляционные широкополосные трансформаторы 50 Ω : 50 Ω являются идеальным решением. Примерами могут служить Mini-Circuits FTB1-6 ( 10 kHz...125 MHz ) или North Hills 0016PA ( 20 Hz...20 MHz ).

H.2.4 Реактивные ( без потерь ) узкополосные согласующие цепи

Можно согласовать любые два импеданса, действительные или комплексные, используя всего два реактивных компонента. В результате цепи будут согласованы только на кокой-то одной частоте, но будут «неплохо работать» и в некотором отдалении от неё. Такую схему можно рассматривать как альтернативу широкополосному трансформатору, позволяющую точно согласовать импедансы. Стоит добавить, что согласование двух портов, не являющихся чисто резистивными ( т.е. имеющих реактивную компоненту ), всегда узкополосное.

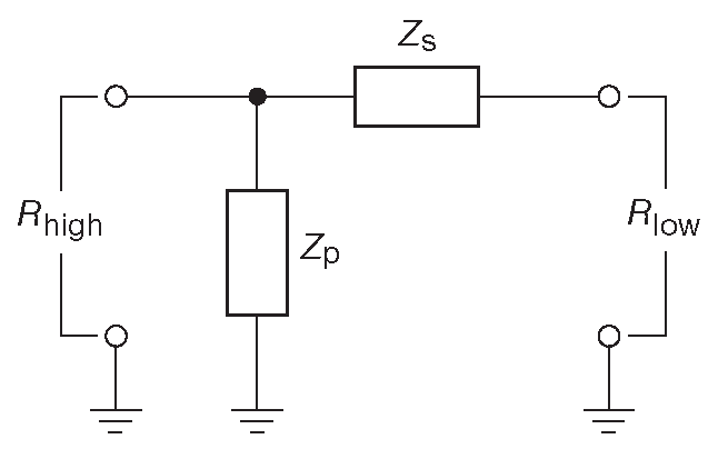
Самый простой вариант согласования - L-цепь из одного конденсатора и одной индуктивности ( рис. H.13 ). И тот, и другой компонент можно использовать в параллельной ветви цепи, но реактивная компонента всей схемы должна стоять параллельно порту с большим импедансом. Расчёт несложен и хорошо объясняется у Hagen ( см. Приложение _N ). Суть в том, что параллельная реактивность в паре с импедансом порта \(R_{high}\space\) должна образовывать правильную резистивную величину \(R_{low}\) , как действительную часть, а последовательная реактивность - компенсировать остаточную мнимую компоненту.

Рис. H.13   Согласующая ( без потерь ) реактивная L-цепь

Процедура выглядит следующим образом.

  1. Рассчитываем коэффициент \(Q_{EL}\): \[ Q_{EL}=\sqrt{\frac{R_{high}}{R_{low}}-1}. \] Он будет в два раза больше добротности ( она же «избирательность по частоте» ) согласующей цепи.
  2. Теперь выбираем вид параллельной реактивности ( дроссель или конденсатор ) так, чтобы величина реактивности на центральной частоте была равна \(R_{high}\space/Q_{EL}\) . Иначе говоря, либо \[ L_{parallel}\space=\frac{R_{high}}{2πfQ_{EL}}, \] либо \[ C_{parallel}\space=\frac{Q_{EL}}{2πfR_{high}}. \]
  3. Наконец, считаем номинал последовательной реактивности ( дополняющей параллельную ). Он должен равняться \(Q_{EL}·R_{low}\) на центральной частоте, иначе говоря, \[ C_{series}\space = \frac{1}{2πfQ_{EL}R_{low}} \] или \[ L_{series}\space = \frac{Q_{EL}R_{low}}{2πf}. \]

В качестве примера, согласуем источник 1000 Ω ( выход усилителя ) с нагрузкой 50 Ω ( антенна ) на частоте 10 MHz . \(Q_{EL}\) =4.36. Выбираем параллельный дроссель. \(L_{parallel}\space\) =3.65 μH и \( C_{series}\space\) =73 pF ( рис. H.14 ). Добротность итоговой цепи равна \(Q_{EL}\)/2 ≈ 2 . Рабочая полоса, соответственно, 50% между точками половинной мощности, хотя точное согласование получается только на центральной частоте. \(Q\) растёт с ростом отношения импедансов, т.е. проектировщик не может его изменить. Для большИх отношений цепь превращается в узкополосный пропускающий фильтр.

Рис. H.14   Пример согласующей цепи для подключения источника 1 kΩ к нагрузке 50 Ω с центральной частотой 10 MHz

Если требуется увеличить добротность, то можно дополнить цепь до T- или π-формы. Такую конфигурацию можно рассматривать как две L-цепи, которые согласовывают оба порта с промежуточной точкой, импеданс которой много больше ( или много меньше ), чем импеданс каждого их портов. Обе L-цепи будут иметь отношение импедансов гораздо больше, чем итоговый коэффициент преобразования, отсюда и большая добротность. Узкая полоса может показаться плохим вариантом, но часто нужна в связных устройствах, где требуется подавить внеполосную энергию сигнала.

И наоборот, можно снизить добротность, поставив вместо одной L-цепи пару - «двойное L». Теперь преобразование импедансов идёт в два этапа. Каждый раз отношение меньше итогового, а результирующая добротность, соответственно, ниже.

Previous part:

Next part: