Шапка

H.1 Некоторые свойства линий передачи

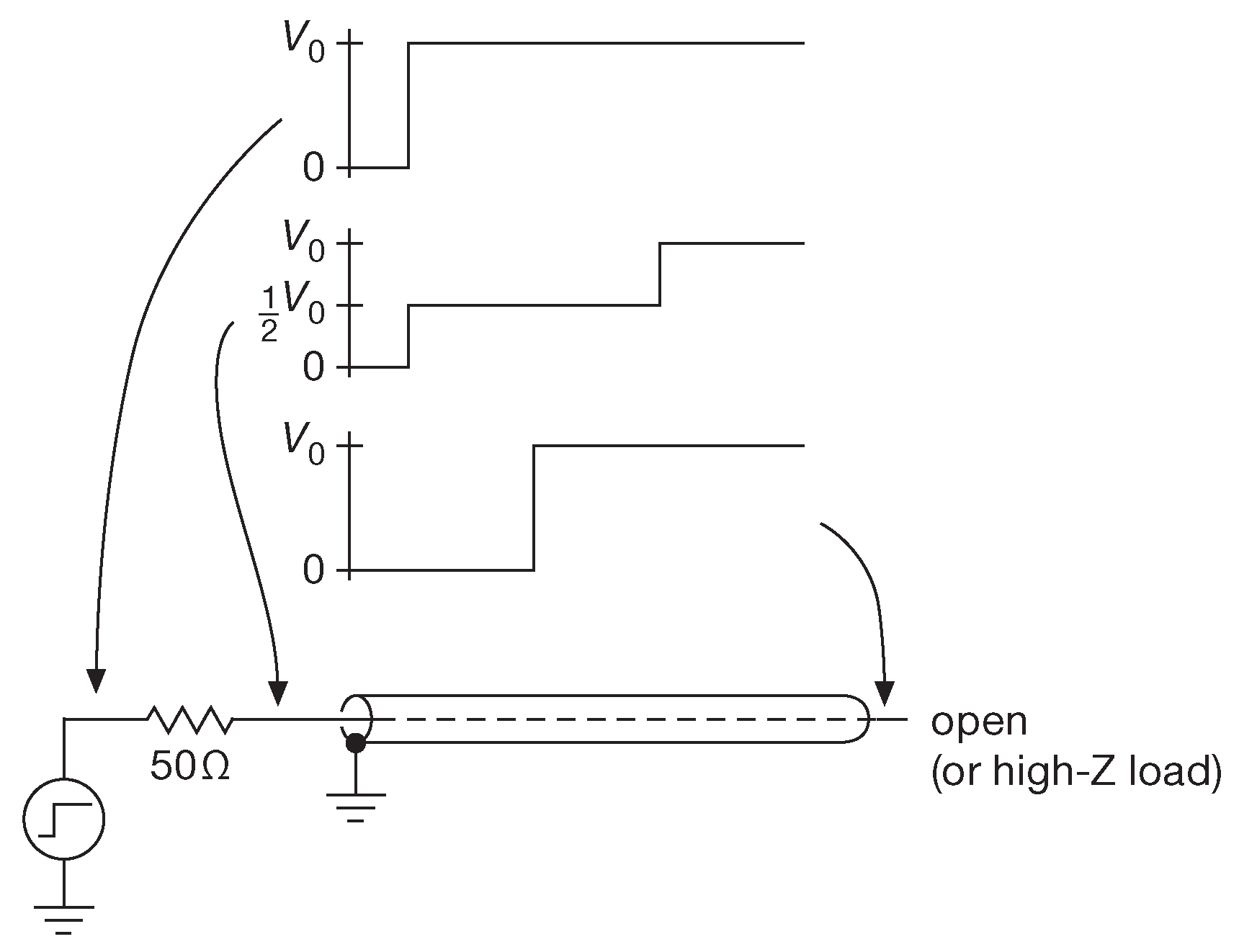
В §12.9 произошло знакомство с линиями передачи, которые чаще всего встречаются в форме коаксиальных кабелей, например, вездесущие «BNC кабели» ( RG-58 с разъёмами BNC на обоих концах ), которые используются для межприборных соединений. Как замечалось ранее, для низкочастотных задач стандартной ( и корректной ) практикой является рассмотрение кабеля как экранированного провода с ёмкостью ∼100 pF/m . Но на высоких частотах ( когда кабель длиннее 1/20 от длины волны сигнала ) характер его работы кардинально меняется. Показательный пример: кабель со свободным концом будет выглядеть как короткозамкнутая нагрузка, если его электрическая длина равна λ/4 . Для 1.5m куска это случится где-то на 32 MHz . Важным следствием будет невозможность передачи через такой BNC кабель сигнала от генератора к высокоомной нагрузке. Вместо ожидаемого сигнала на входе будут ужасные выбросы и провалы, постоянно меняющие форму по мере изменения частоты. Происходит это, потому что генератор видит нагрузку, постоянно меняющую импеданс от короткого замыкания ( на частотах, кратных 32 MHz с нечётным множителем ) до обрыва ( при чётных множителях ). Возможно, вас удивит, что, если на конце кабеля повесить нагрузочное сопротивление 50 Ω , то амплитуда сигнала перестанет меняться с частотой и составит половину амплитуды на ненагруженном выходе генератора. Это совершенно неожиданное поведение показано на рис. H.1 . Ещё неожиданнее то, что у кабеля с нагрузочным резистором на конце полностью исчезает ёмкость, и он начинает выглядеть как чисто резистивная нагрузка 50 Ω .

Рис. H.1   Амплитуда на выходе генератора синусоидального сигнала величиной 1V ( на ненагруженном выходе ) в двух состояниях: с 3-метровым 50-омным кабелем, открытым на дальнем конце, и тем же кабелем, нагруженным на дальнем конце 50-омным резистором

H.1.1 Характеристический импеданс

Этот пример иллюстрирует важность согласования . Коаксиальный кабель - одна из разновидностей линий передачи , имеющей характеристический импеданс \(Z_0\) , который всегда выражается только реальным числом, т.е. он чисто резистивный и зависит исключительно от геометрии волновода: \[ Z_0=\sqrt{L/C}=\frac{138}{\sqrt{ε}}\lg\left({\frac{b}{a}}\right) \qquad \mathrm{Ω} \]

где \(L\) и \( C \) - индуктивность и ёмкость, приходящиеся на единицу длины, которые зависят только от внешнего диаметра внутреннего проводника «a» , внутреннего диаметра внешнего экрана «b» и диэлектрической константы «ε» , выражающей разницу между материалом изолятора и вакуумом. Для волны, распространяющейся по линии передачи, \(Z_0\) равно отношению напряжения сигнала к его току. Самым распространённым видом коаксиальных линий общего назначения является кабель RG-58 с импедансом 50 Ω ( a =0.81 mm, b =2.95 mm и ε =2.3 , т.е. в соответствии с уравнением \(Z_0\)=51 Ω ). Этот импеданс является стандартом для радиочастотных схем и радиотрактов. Другой популярный стандарт 75 Ω используется в видеооборудовании. Соответствующий кабель имеет марку RG-59. В импульсной технике используется стандарт 93 Ω ( RG-62 ).

Сигнал [* фронт волны ] распространяется по кабелю со скоростью \[ v_{wave}=\frac{c}{\sqrt{ε}} = \frac{1}{\sqrt{LC}}, \] т.е. в ( 1/\(\sqrt{ε}\) ) раз медленнее скорости света в вакууме «c». Множитель 1/\(\sqrt{ε}\) называется скорость линии и принимает значения от 0.66 для чистого полиэтилена до 0.80 для вспененного полиэтилена, которые чаще всего применяется в гибких кабелях. Если диэлектрик отсутствует, то скорость линии равна 1.0 , т.е. по линии с воздушным диэлектриком волна движется со скоростью света. «Электрическая длина» линии, видимая сигналом в \(\sqrt{ε}\) раз больше, чем физическая длина «l» кабеля, т.е. \(l_{elec}\space=l_{phys}\space\sqrt{ε}\) .

Отметим, что индуктивность и ёмкость не могут принимать произвольные значения, поскольку их произведение должно точно соотноситься со скоростью света. Иначе говоря, зная характеристический импеданс и скорость линии можно найти ёмкость на единицу длины \[ C=\frac{\sqrt{ε}}{cZ_0} \qquad [F/m]. \]

Например, RG-8 имеет импеданс 52 Ω , а скорость линии 0.66 , следовательно, по формуле \( C \) =97.1 pF/m или 29.6 pF/ft , что хорошо согласуется с паспортным значением 29.5 pF/ft .

H.1.1.A Витые пары и печатные проводники

Линии передачи не обязаны быть коаксиальными. Очень популярные сейчас витые пары также являются линиями передачи. Это и в самом деле два изолированных провода, аккуратно скрученные между собой и закрытые защитной оболочкой. Часто они не имеют никакого экранирования. Возможно сейчас, именно они являются самым распространённым видом линий передачи, потому что составляют основу компьютерных сетей ( LAN ). Самый распространённый стандартный сетевой кабель содержит четыре витые пары в общей неэкранированной оболочке, называются «UTP» . Бывает ещё экранированный кабель - «STP» . Волновое сопротивление таких линий - 100 Ω , а характеристики ( импеданс и затухания ) нормируются для 10 и 100 Mbps . Их называют «Category 3» и «Category 5» соответственно, а вся разница - в шаге скрутки. Обычно их называют «cat-3» и «cat-5» _1 . Сеть Ethernet использует такие скорости в версиях 10baseT и 100baseTX , где «T» означает «витой» . Соответствующее обозначение для Ethernet на тонком коаксиальном кабеле - 10base2 .

В скоростной электронике часто требуется разводить линии передачи по печатной плате. Основная дискуссия по этому направлению идёт в §X1.1.4.C , где обсуждается микрополосковая линия передачи ( тонкий проводник, соседствующий со слоем земли ). Популярная разновидность такой линии - «волновой канал» ( GCPW ) располагается в одном слое и имеет две земляные линии по обеим сторонам от сигнальной. Есть также полосковая конфигурация, где сигнальные проводники засунуты между двух слоёв земли.

H.1.2 Согласование импульсных сигналов

На низкой частоте ( длина волны гораздо больше длины кабеля ) линии передачи выглядят как емкостная нагрузка с величиной 100 pF/m . Но на высокой частоте или при работе с быстрыми фронтами ситуация меняется. Чтобы понять странности, видимые на рис. H.1 , будет полезно рассмотреть, что происходит, когда в длинную линию передачи подают импульс . Предположим, что быстрый генератор импульсов с 50-омным выходным импедансом ( это стандартное выходное сопротивление генераторов сигналов и импульсов ) подключён к длинной линии передачи, которая закорочена на дальнем конце. Сначала импульс наталкивается на импеданс \(Z_0\) , т.е. амплитуда уменьшается в два раза относительно выхода ненагруженного генератора. Но после времени прохода до дальнего конца и обратно на вход приходит отражение противоположной полярности ( рис. H.2 ). Если вместо импульса в линию подаётся фронт, то за счёт отражения он превращается в импульс ( рис. H.3 ). Если дальний конец кабеля разомкнут, то отражение будет той же полярности, что и исходный фронт ( рис. H.4 ).Для произвольного сопротивления на конце кабеля отношение амплитуд импульса и отражения выражается соотношением \[ \rho≡ \frac{A_r}{A_i}=\frac{R-Z_0}{R+Z_0}. \]

Рис. H.2   Импульс, проходящий по линии передачи, закороченной на дальнем конце, отражается от точки короткого замыкания и возвращается в исходную точку с противоположной полярностью. Для картинки был взят 20-метровый кусок RG-8/U со вспененным диэлектриком ( скорость линии 78% ), закороченный на дальнем конце. Для получения этой и прочих иллюстраций использовались высокоимпедансные осциллографические пробники, чтобы избежать посторонних эффектов в линии передачи. По горизонтали 40 ns/div , по вертикали 1 V/div

Рис. H.3   Картинка с осциллографа, видимая при подаче перепада в закороченный на дальнем конце кабель. Используется 2.4 m RG-58A/U с диэлектриком из сплошного полиэтилена ( скорость линии 66% ). По горизонтали 40 ns/div , по вертикали 1 V/div
Рис. H.4   Отражение от открытого конца кабеля. Условия те же, что и на рис. H.2B

Отметим, что нагрузка величиной \(R=Z_0\) не порождает отражений. Сигнал в такой конфигурации полностью поглощается резистором ( рассеивается в виде тепла ) и исчезает полностью. Источник сигнала видит сопротивление нагрузки \(Z_0\) . Это причина, позволившая не беспокоиться об отражениях в экспериментах с генератором: его 50 Ω на выходе поглощали отражения от плохо согласованной нагрузки. По этой же причине большинство источников сигналов имеет выходной импеданс 50 Ω .

H.1.2.A Последовательное согласование

Отмеченное явление - поглощение отражения импедансом генератора, лежит в основе техники последовательного согласования ( или обратного согласования ). Его часто используют для передачи высокочастотных логических сигналов ( и в иных ситуациях, где нагрузка имеет высокий импеданс). Рассмотрим рис. H.5 . Источник сигнала подключён к кабелю через резистор, равный импедансу линии, а дальний конец кабеля открыт. Если подать на вход перепад с амплитудой \( V_{sig}\) , то он будет распространяться по линии с половинной амплитудой, затем отразится от открытого конца и увеличит за счёт отражения амплитуду в два раза до \( V_{sig}\) . Во всех точках линии сигнал виден как двухуровневое напряжение, и единственной точкой, где сигнал скачком меняется от нуля до \( V_{sig}\) , является дальний открытый конец. [* Ширина ступеньки на фронте меняется от максимальной на входе в кабель до нулевой на дальнем конце, поэтому на входе «двухуровневое» напряжение, а на дальнем конце - «скачком» ] . В этом месте одновременно с приходом половинного исходного сигнала возникает обратная волна такой же амплитуды. Эта ситуация показана на рис. H.6 .

Рис. H.5   Последовательное согласование кабеля с открытым концом и источника сигнала с одинаковыми импедансами. Ступенька половинной высоты сохраняется пока фронт проходит кабель до открытого конца, отражается с той же фазой и порождает возвращающийся перепад той же амплитуды, что и сигнал на ненагруженном выходе генератора. Выскоомная нагрузка на дальнем конце видит только один перепад полной амплитуды
Рис. H.6   Сигнал с генератора на входе кабеля, в промежуточной точке и на дальнем конце для последовательно согласованного кабеля. Генератор настроен на перепад величиной 2V на ненагруженном выходе. Кабель 18m RG-58/U ( скорость линии 66% ), отвод на удалении 12m от начала. Наблюдение идёт через высокоомный щуп. По горизонтали 40 ns/div , по вертикали 1 V/div

Такую технику можно использовать при передаче сигнала КМОП логики через длинный кабель. Три параллельных буфера серии 74HC будут иметь выходной импеданс примерно 15 Ω и с последовательным резистором 33 Ω отлично подойдут для работы с длинным кабелями RG-174 или RG-316 ( тонкие 50-омные ), включёнными без согласования на дальней стороне. Приёмный элемент будет видеть сигнал полного размаха. Чаще всего такой подход удобнее, чем вариант с согласованием на дальнем конце, т.е. подача сигнала непосредственно в линию, заканчивающуюся 50-омным резистором. Причин несколько. Драйвер видит в два раза больший импеданс ( здесь 100 Ω ), причём виден он только на время распространения сигнала по кабелю и возвращения его в исходную точку ( после чего нагрузка превращается в разомкнутую цепь ) _2 . [*] . Для очень быстрых логических сигналов ( ECL100k, современная скоростная периферия или память ) приходится рассматривать как с линии передачи проводники длиной уже несколько сантиметров. Импеданс линии передачи на печатной плате подгоняется за счёт изменения ширины проводника и расстояния до слоя земли. Этот вид схемотехники называется микрополосковой техникой _3 . Она подходит и для цифровых, и для аналоговых сигналов частотой выше 100 MHz (UHF и микроволновый диапазон ).

[*]
[* Если согласование последовательное , т.е. последовательный резистор на входе линии передачи, то ток через него течёт, пока происходит перезарядка емкостей линии передачи см. §H.3 . Когда вся ёмкость заряжена, ток прекращается ( почти ), т.к. на дальнем конце высокоомная нагрузка, например, вход КМОП приёмника ( понятно, что входной ток приёмника продолжает подгружать драйвер, но 50 Ω и 50 MΩ для передатчика немного различаются ). В параллельной схеме согласующий резистор стоит между центральной жилой и землёй на дальнем конце - ток через него течёт всё время, пока на выходе кабеля ( на резисторе ) есть напряжение сигнала. Зато в последнем случае сразу видно отсутствие нагрузки ( иногда бывает важнее, чем рассеиваемая мощность ) ].

Всё это хорошо в теории, но на практике приходится бороться с источниками быстрых цифровых сигналов, не согласованных с импедансом линии. Это ежедневная рутина печатного монтажа, где выходные порты процессоров и FPGA плохо согласованы с импедансом печатных проводников. Например, несогласованная линия, на которую заводят сигнал с импедансом \(Z_0\)/2 , звенит на обоих концах с превышением амплитуды входного сигнала на 33% ( на дальнем конце ). Этот звон может порождать ложные переключения.

Для иллюстрации явления на несогласованный кабель RG-58/U ( \(Z_0\) =50 Ω ) длиной 2.4 m был подан перепад. Наблюдение велось на входном и выходном конце линии для двух вариантов:

  1. источник сигнала имел импеданс 50 Ω ( т.е. получалась линия с «обратным согласованием» ), и
  2. источник сигнала имел низкий импеданс ( \(R_S\) =1.5 Ω ).

Результат показан на рис. H.7 . Все сигналы имеют один вертикальный масштаб. Согласованный источник выдаёт чёткий чистый перепад величиной \( V_{OC} \) ( одно деление по вертикали ), а на входном конце заметна ступенька на уровне \( V_{OC} \)/2 шириной, равной времени прохода по линии туда-обратно, в точности как на рис. H.6 . А низкоомный драйвер даёт полноразмерный скачок \( V_{OC} \) на входе, который виден на дальнем конце как 2\( V_{OC} \) за счёт неинвертированного отражения от открытого конца, которое удваивает амплитуду. Следом ( через время прохода туда-обратно ) идёт участок, скомпенсированный почти до нуля инвертированным отражением от низкоомного [* почти закороченного ] выхода драйвера. Эта знакопеременная последовательность продолжается, постепенно ослабляясь потерями в кабеле и импедансом драйвера ( 1.5 Ω ). Итог совсем не похож на исходный чистый перепад. Это и есть та причина, по которой нужно прикладывать определённые усилия для согласования линии, если длина последней подпадает под понятие «линии передачи» ( критерием является соотношение длительности фронта сигнала и времени его прохода по линии туда-обратно ) _4 .

Рис. H.7   Сигнал на дальнем конце 50-омного кабеля длиной 2.4 m , на который подан один перепад от 50-омного источника ( верхний луч ) и от низкоомного источника ( средний луч ). На нижнем изображении оба сигнала показаны со стороны драйвера и совмещены для наглядности. По горизонтали 100 ns/div

H.1.2.B Надёжное логическое соединение

Выбросы напряжения, которые видны на рис. H.7 , могут разрушить логическую схему на дальнем конце. Такая неисправность часто встречается в лабораторном оборудовании, где низкоимпедансные сигналы с выхода генератора или логической схемы проходят по длинному кабелю ко входу приёмной аппаратуры. Последний часто не согласован, чтобы удерживать высокий входной импеданс ( дабы избежать ослабления сигнала от маломощных источников, не способных тянуть 50 Ω ).

Надёжное решение проблем такого рода требует нескольких дополнительных компонентов ( рис. H.8 ). На приёмном конце последовательный резистор \(R_2\) удерживает ток на входе вентиля в безопасных для внутренних защитных диодов границах. «Ускоряющий» конденсатор \( C_1 \) не позволяет снижать скорость ( 1 kΩ в паре с типичной ёмкостью входа 10 pF образуют RC цепочку с постоянной времени 10 ns - целая вечность для нервного мира цифровой логики ). Входная привязка к уровню земли ( \(R_1\) ) полезна для задания логического уровня на оборванном входе. Наконец, в приступе осторожности добавлен резистор \(R_3\) , который защищает от возможного перенапряжения шины \( V_+\) и повреждения соседних ИМС. Такой резистор имеет смысл ставить только для одиночных коаксиальных входов, к которым подходит несколько компонентов с общим маломощным стабилизатором типа 78L05 ( см §9.3.2 , рис. 9.6 и табл. 9.1 ), выход которого легко передавить в любую сторону.

Рис. H.8     (A) Простой драйвер для передачи логических сигналов через кабель с последовательным согласованием. (B) Приёмник логического сигнала с линии с защитой от выбросов напряжения. Схемы удобно применять в паре

На передающей стороне используется параллельное соединение нескольких логических вентилей, чтобы понизить общее выходное сопротивление до 5...10 Ω , в связке с согласующим сопротивлением \(R_o\) , которое поднимает выходной импеданс передатчика до характеристического импеданса линии. Это всё, что на самом деле нужно, и вполне обеспечивает качественную передачу, но дополнительная защита на приёмном конце никогда не помешает. Нет никаких гарантий, что кто-то не переключит генератор импульсов на отрицательную полярность или на амплитуду +20 V , что часто случается в учебных лабораториях.

Дополнительные вопросы по работе с коаксиальными кабелями разбираются в Части 12 ( §12.10 ).

H.1.3 Согласование синусоидальных сигналов

До настоящего момента тема распространения сигналов по линии передачи рассматривалась для импульсного сигнала или перепада напряжения. Но, конечно, синусоидальный сигнал, поданный на кабель в отсутствие должного согласования, точно так же порождает отражения. Эффект будет проявляться в виде изменения входного тока для приложенного напряжения в пропорции, зависящей от несогласованного импеданса нагрузки \(Z_L\) и отношения длины волны сигнала λ к физической длине кабеля «l». В итоге получается комплЕксный в общем случае входной импеданс: \[ Z_{in}=Z_0\frac{Z_L+jZ_0\tan\bigg(\cfrac{2πl}{λ}\bigg)}{Z_0+jZ_L\tan\bigg(\cfrac{2πl}{λ}\bigg)} \]

Из данных соотношений следуют несколько выводов.

  1. Согласованная линия имеет постоянный входной импеданс, равный характеристическому сопротивлению линии и не зависит от длины кабеля или частоты сигнала. Обычно речь идёт о \(Z_L=Z_0\) =50 Ω .
  2. Четвертьволновая линия ( l = nλ/4 , где n=1, 3... ) инвертирует входной импеданс \(Z_{in}=Z_0^2/Z_L\) относительно импеданса нагрузки.
  3. Полуволновая линия ( l = nλ/2 ) сохраняет знак импеданса нагрузки \(Z_{in}=Z_L\) .
  4. Открытая линия малой длины l ≪ λ выглядит как емкостная нагрузка. Т.е. \(Z_{in}≈-j/(ωC') \) , где действующая ёмкость \( C'\) постоянна и равна \(l/( cZ_0) \) [* \(l\) в футах ] .
  5. Закороченная линия малой длины l ≪ λ выглядит как индуктивная нагрузка \(Z_{in}≈ jωL'\) , где действующая индуктивность \(L'\) постоянна и равна \(Z_0l/c\) [* \(l\) в футах ] .

Способность линии передачи менять импеданс можно использовать для согласования, но любая подобная схема будет зависеть от частоты. Каждый раз, когда встречается слово «отвод» , речь идёт о согласовании импедансов в линии передачи. Знатоки данного вопроса активно используют анализаторы цепей и затерроризируют вас своими «диаграммами Смита», рассмотрение которых выходит за рамки данной публикации _5 .

Когда в несогласованную линию передачи подают синусоидальный сигнал, в ней возникают отражения и стоячие волны . Итоговую картину распространения волн ( одной частоты ) в обоих направлениях можно изобразить как сумму стоячей ( неподвижной относительно линии передачи ) и некоторой дополнительной движущейся волны. [* Стоячие волны можно наблюдать возле причальных стенок, когда волна не накатывает на причал, разбиваясь брызгами, а плавно поднимается и опускается, качаясь на одном месте ] . Например, открытая линия создаёт отражение полной амплитуды. В результате имеем просто стоячую волну той же частоты и удвоенной амплитуды, причём максимум амплитуды [* «пучность» ] приходится на открытый конец и повторяется на каждой половине длины волны, а «нули» волны ( точки с нулевым напряжением [* «узлы» ] ) располагаются посередине между максимумами [* пучностями ] . В закороченной линии картина аналогичная, но отражённая волна имеет обратную фазу и создаёт узел на закороченном конце ( повторяющийся с периодичностью в половину длины волны ). Пучности посередине между узлами. ( Такую же картину можно получить, запуская волну по верёвки с закреплённым концом и подобрав правильную частоту качаний ). Имея даже малейшую несогласованность импедансов, подавить стоячую волну полностью не получится.

Стоячие волны не обязательно плохи ( хотя они никогда не бывают полезны ! _6 ), но они увеличивают пиковые напряжения и резистивные потери ( см. §H.1.4 ), если сравнивать с передачей той же мощности по согласованной линии. Такие потери являются признаком несогласованности, поэтому в передающих устройствах стараются минимизировать коэффициент стоячей волны - КСВ ( VSWR или SWR произносится “VIZ-wahr”), который определяется как отношение \[ VSWR = \frac{V_{max}}{V_{min}} = \frac{A_f+A_r}{A_f-A_r}, \] где \( V \) - переменное напряжение, измеренное в какой-то точке линии, а \( A_f\) и \( A_r\) - амплитуды прямой и отражённой волны соответственно. Измерение напряжения в кабеле без стоячих волн даст постоянную амплитуду ( т.е. \( VSWR\) =1.0 ).

КСВ - действительное число между 1.0 ( полное согласование, отражения отсутствуют ) и \(∞\) ( полное отсутствие согласования, амплитуда отражённой волны равна амплитуде исходной ). В терминах коэффициента отражения \(\rho:\) \[ VSWR=\frac{1+|\rho|}{1-|\rho|}. \]

Для чисто резистивной несогласованности можно использовать предыдущее уравнение: \[ VSWR= \begin{cases} R/Z_0 \quad : \quad R > Z_0 \\ Z_0/R \quad : \quad R < Z_0 \\ \end{cases} \]

Из выражения для КСВ можно найти магнитуду ( но не фазу ) коэффициента отражения \[ |\rho|=\frac{VSWR-1}{VSWR+1} \]

КСВ измеряется с помощью направленного измерителя мощности. Зная значения прямой и отраженной мощности можно вычислить КСВ: \[ VSWR=\frac{1+\sqrt{\frac{P_r}{P_f}}}{1-\sqrt{\frac{P_r}{P_f}}}. \]

H.1.4 Потери в линиях передачи

В мире неидеальных линий передачи дела обстоят не столь красиво, как, представляется из предыдущего материала. В реальных линиях есть потери . Это значит, что сигнал при прохождении линии ослабляется. Кроме того, линия обладает некоторой дисперсией , т.е. сигналы разной частоты движутся с разной скоростью. Потери зависят от частоты . Их величина ( часто обозначаемая как «dB на 100m» ) растёт пропорционально \(\sqrt f\) . Иначе говоря, для линии заданной длины в четыре раза большая частота увеличивает потери ( в dB ) в два раза. Причиной тому служит «скин-эффект»: переменный ток течёт не через всё сечение проводника, но только в поверхностном слое толщиной \[ \delta=c·\sqrt{\frac{1}{πμσf}} , \] где \(μ\) - начальная магнитная проницаемость ( для немагнитных материалов равна 1 ), \(σ\) - проводимость, а \( f \) - частота _7 . \(\delta\) называется глубиной скин-слоя . Т.к. \(\delta\) уменьшается обратно пропорционально корню из частоты, увеличение последней в четыре раза увеличивает сопротивление в два раза ( уполовинивает толщину проводящего слоя ), что эквивалентно ( в терминах потерь ) удвоению длины линии. Именно этим объясняется наклон графиков потерь в линиях передачи на рис. H.9 . Линии передачи с бОльшими геометрическими размерами ослабляют сигнал меньше. Потери в диэлектрике вызывают дополнительное падение амплитуды на высокой частоте. Графики на рис. H.9 соответствуют параметрам согласованной линии. Если КСВ больше единицы, т.е. в линии есть отражения, потери для заданной мощности, передаваемой по линии , будут больше.

Рис. H.9   Ослабление ( dB/100ft ) как функция частоты для нескольких видов коаксиальных кабелей

Будет полезно усвоить, что «скин-эффект» может быть достаточно заметен даже на низких частотах. Ток в 60-герцовой силовой сети занимает поверхностный слой меди толщиной примерно 1cm . При комнатной температуре он определяется формулой \(\delta( Cu )=\frac{6.6}{\sqrt f}\) . Уменьшить потери мощности за счёт большей, чем указанная, толщины провода нельзя. На радиочастотах толщина слоя уже так мала ( \(\delta\) =10 μm на 40 MHz ), что уменьшить потери в соединителях, катушках индуктивности и т.д. можно, покрыв проводник слоем серебра. Стандартным приёмом экранирования приборов является металлическое напыление на внутренних поверхностях пластикового корпуса. На рис. H.10 приведён график толщины проводящего слоя меди для частот от 10 Hz до 10 GHz .

Рис. H.10   Глубина проводящего слоя в меди как функция частоты

1 Более качественная категория имеет обозначение «Category 5e» ( «e» означает «улучшенный» ) и «Category 6». Они появились благодаря началу строительства сетей Gigabit Ethernet, т.е. в буквальном смысле 1 Gbit/s по неэкранированной витой паре. Он также известен под именем 1000baseT . Для достижения таких скоростей одновременно используются все четыре пары и 5-уровневое амплитудное кодирование. <-

2 См. §12.10 , где разбираются несколько методов передачи логических сигналов через согласованную линию. <-

3 Если сигнальный проводник засунуть между двух слоёв земли, то получится полосковая линия, см. §X1.1.4.C .   <-

4 Аналогичный эффект в длинных силовых линиях носит название «эффекта Ферранти». Перенапряжение, вызванное этим явлением и не скомпенсированное должным образом, приводит к выходу из строя силового оборудования линии. <-

5 Диаграммы Смита подробно разбираются в отличном справочнике “Fields and Waves in Communication Electronics” за авторством Ramo, Whinnery и Van Duzer ( Wiley, 1994 ) и в более свежей публикации Hagen “Radio-Frequency Electronics” ( Cambridge University Press, 2009 ). <-

6 Ладно, почти никогда ! При работе в узких частотных диапазонах иногда используют свойства несогласованности линий, которые неизбежно порождают стоячие волны. Вот некоторые примеры.

  1. Использование коротких кусков кабеля с открытым или закороченным концом в качестве высокодобротных емкостей и индуктивностей.
  2. Закороченные полуволновые или четвертьволновые линии используются как конденсаторы радиочастотного диапазона.
  3. Открытые полуволновые или четвертьволновые линии используют как индуктивности радиочастотного диапазона.
  4. Согласование двух разных импедансов ( кабели, источники сигналов, нагрузки ) вставками из четвертьволновых секций линии передачи, чьё характеристическое сопротивление равно среднему геометрическому двух импедансов, требующих согласования ( по тому же принципу работает четвертьволновое осветляющее покрытие в оптике ).
  5. Использование щелевой линии и высокоомного пробника для прямого измерения длины волны.
  6. Использование линий передачи в качестве антенных смесителей в виде «кольцевых мостов».

Авторы благодарны Йону Хагену ( Jon Hagen ) и Даррену Лейфу ( Darren Leigh) за этот список «добрых дел» для стоячих волн. <-

7 Если точно, плотность тока падает экспоненциально, уменьшаясь на глубине \(\delta\) до 1/e или до 37% от плотности на поверхности. <-

Previous part:

Next part: