Шапка

9.3 (I) Законченные интегральные регуляторы

В общей схеме стабилизатора на рис. 9.5 используется десять компонентов, а внешних выводов у неё всего три ( «Vin», «Vout» и «ЗЕМЛЯ» ). Открывается возможность создать интегральное решение с резисторами установки напряжения, цепью ограничения тока и частотной коррекции, расположенными внутри корпуса. В итоге получаем 3-выводной стабилизатор. 723, по-прежнему находящийся в рабочей форме, был выпущен полвека тому назад, но электронная промышленность не дремала, и современные линейные регуляторы содержат внутри все перечисленные выше детали, плюс защиту от перегрузки и перегрева. Большая часть современных стабилизаторов имеет модели с фиксированным выходом под наиболее ходовые напряжения и подстраиваемые варианты, которым требуется внешний делитель. На одном или двух дополнительных выводах корпуса могут подключаться сигналы «SHUTDOWN», выключающий микросхему, или «POWER_GOOD», сообщающий о нахождении выходного напряжения в заявленном диапазоне. Наконец, есть большая и постоянно растущая популяция стабилизаторов с низким падением на регулирующем элементе, предназначенных для маломощных схем и носимой электроники. Рассмотрим современные компоненты и их возможности.

9.3.1 Классификация микросхем линейных регуляторов

Для упрощения знакомства с дальнейшим материалом всё разнообразие линейных интегральных стабилизаторов было ужато до несколько категорий, перечисленных ниже. Для каждой категории указан пример реальной часто используемой микросхемы, для каждой приводятся пояснения по использованию, описание основных возможностей и необходимые предупреждения.

3-выводные фиксированные
• положительные: 78xx
• отрицательные: 79xx
3-выводные подстраиваемые
• положительные: LM317
• отрицательные: LM337
3-выводные «с низким падением» ( фиксированные и подстраиваемые )
• положительные: LM1117, LT1083-85
3-выводные фиксированные и 4-выводные подстраиваемые «true LDO»
• положительные: LT1764A, LT1963 ( биполярные ); TPS744xx ( КМОП )
• отрицательные: LT1175, LM2991 ( биполярные ); TPS7A3xxx ( КМОП )
3-выводные с опорным источником тока
• положительные: LT3080

9.3.2 Трёхвыводные регуляторы фиксированного напряжения

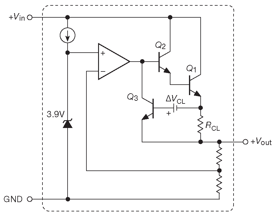
Оригинальные 3-выводные стабилизаторы серии 78xx ( рис. 9.6 ), которых часто оказывается достаточно, были разработаны фирмой Fairchild в начале 1970-х 11 . В процессе производства выходное напряжение подстраивалось под одно из значений из ряда 05, 06, 08, 09, 10, 12, 15, 18, 24 и указывалось в двух последних позициях обозначения. Такие микросхемы держали ток до 1A и выпускались в корпусах мощных транзисторов ( TO-220, DPAK и DDPAK), которые можно было крепить к радиатору или медному полигону на печатной плате. Если много тока не требуется можно взять серию 78Lxx/LM340Lxx, которые упакованы в корпуса малосигнальных транзисторов TO-92. Для отрицательного напряжения выпускаются серии 79xx/79Lxx ( LM320/LM320L ). Внутреннее устройство в упрощённом виде показано на рис. 9.6 и 9.7 . Цены порядка $0.30.

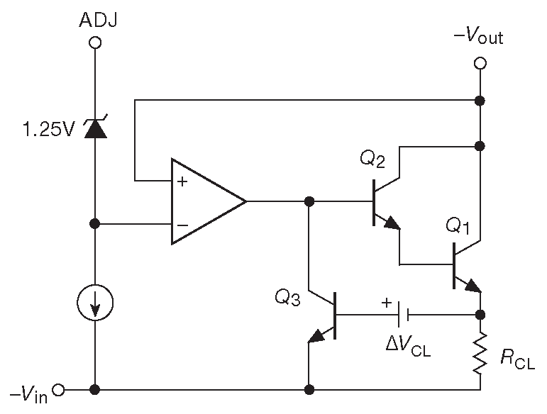
Рис. 9.6     Упрощённая схема 3-выводного стабилизатора на фиксированное напряжение 78xx. Все компоненты находятся внутри корпуса, поэтому микросхеме требутся только пара фильтрующих конденсаторов на входе и выходе, см. рис. 9.8 . Токовый шунт \(R_{CL}\) имеет номинал около 0.2 Ω и собран так, чтобы падение на нём на максимальном токе было чуть меньше падения на диоде. Напряжение на шунте в паре с внутренним источником \(Δ V_{CL}\) включает токоограничительный транзистор \(Q_3\)
Рис. 9.7     3-выводной стабилизатор отрицательного напряжения 79xx

На рис. 9.8 показано, насколько легко сделать источник на +5V с помощью такой микросхемы. На рисунке есть и вариант на –5V на 7905. Проходные конденсаторы на выходе нужны для устойчивости. Кроме того, они улучшают переходную характеристику и обеспечивают низкий выходной импеданс на высоких частотах, где усиление в петле обратной связи самого стабилизатора снижается 12 . Конденсатор на входе нужен для всё той же устойчивости. Показанные на схеме номиналы являются минимальными значениями, оговоренными в справочных данных, но если сам стабилизатор стоит рядом с источником нерегулируемого напряжения или нагрузкой, то соответствующий конденсатор можно опустить.

Рис. 9.8   Источник стабилизированного напряжения ±5V на микросхемах 7805 и 7905

Обе схемы имеют на выходе диоды Шоттки, защищающие устройство от напряжения обратной полярности на выходных клеммах. Данный приём очень полезен при работе с двуполярными источниками питания. Без такой защиты одно из плеч может передавить другое через сопротивление нагрузки и подать на выход напряжение обратной полярности. Обратная полярность на шине питания выжигает нагрузку ( микросхемы и отдельные транзисторы ), или сам регулятор, который, к тому же, может попасть в режим тиристорного защёлкивания. Такие диоды очень часто не ставят, но допускать такое отношение нельзя ни в коем случае!

Трёхвыводные стабилизаторы имеют в своём составе схему защиты от перегрева и перегрузки, которая просто выключает микросхему, не позволяя ей сгореть. Кроме того, такая схема не даёт проходному транзистору выходить за пределы области допустимой работы ( см. §9.4.2 ), сокращая максимальный ток нагрузки при большом перепаде напряжения между входом и выходом. Эти ИМС недороги и настолько просты в использовании, что породили новую схемотехническую практику, при которой питание в многоплатном устройстве подаётся на каждый узел с нерегулируемого источника и стабилизируется в каждом отдельном модуле индивидуально. В табл. 9.1 приведены параметры популярных членов упомянутых семейств 3-выводных регуляторов.

Существуют очень полезные вариации трёхвыводных фиксированных стабилизаторов. К ним относятся малопотребляющие версии ( например, LM2936 и LM2950 с собственным током холостого хода в микроамперном диапазоне ) и стабилизаторы с малым падением - LDO, которые сохраняют режим активного регулирования при разнице между входом и выходом на уровне десятых долей вольта. Типичные представители - LT1764A, TPS755xx и LM2936 работают при разнице напряжений порядка 0.25 V . LDO будут разбираться позднее после знакомства с 3-выводными подстраиваемыми регуляторами.

9.3.3 Трёхвыводные подстраиваемые регуляторы

Иногда требуются нестандартные питающие напряжения, на которые нет стабилизатора 78xx, например, +9V для эмуляции батарейного питания. Или, возможно, напряжение стандартное, но требует большей точности установки, нежели ±3% у имеющихся фиксированных стабилизаторов. Но теперь разработчик уже испорчен простотой 3-выводных микросхем и даже слышать не хочет о схеме на 723 и всех требуемых дополнительных компонентах. Что делать? Взять регулируемый 3-выводной стабилизатор!

Рис. 9.9     3-выводной регулируемый стабилизатор положительного напряжения LM317
Рис. 9.12     3-выводной регулятор отрицательного напряжения LM337. Выходной каскад с общим эмиттером требует увеличения номинала проходных конденсаторов на входе и выходе как минимум до 1 μF для сохранения устойчивости схемы

Родоначальником этого класса микросхем был классический кристалл LM317 фирмы National ( рис. 9.9 ). У микросхемы нет вывода земли. Вместо него выходное напряжение поддерживается на постоянные 1.25 V выше, чем потенциал «подстроечного» вывода. На рис. 9.10 показана схема его включения. Стабилизатор поддерживает на \(R_1\) падение 1.25 V , т.е. в данном случае задаёт через него ток 10 mA . Регулировочный вывод потребляет пренебрежимо малый ток порядка 50...100 μA , поэтому выходное напряжение равно \[ V_{out}=1.25\left(1+\frac{R_2}{R_1}\right ) \quad V. \]

Рис. 9.10   Стабилизатор на +3.3 V

В данном случае выходное напряжение +3.3 V имеет исходную точность ∼3% , которая определяется точностью внутреннего опорного источника ( ±2% ) и резисторов ( 1% ). Если требуется небольшая подстройка, нижнее плечо делителя заменяется связкой из резистора 191 Ω и потенциометра 25 Ω , которым можно подстраивать выход в пределах ±6% . Если резистор в нижнем плече заменить потенциометром 2.5 kΩ , то диапазон регулировки составит от +1.25 V до +20 V . Но в любом случае на входе напряжение должно быть на 2V ( падение на регуляторе ) больше, чем на выходе.

Table 9.1 7800-Style Fixed Regulators®

Notes: (a) often called ‘7800 and ’7900 series, e.g., “LM7800-series.” L series available in TO-92, SO-8 and SOT-89 packages; regular series available in TO-220, DPAK, D2PAK, and TO-3. Some use buried-zener ref, some use bandgap. (b) A-suffix types are ±2\text% tol. (c) prefixes: uA, LM, MC, KA, NCP, L, NJM, etc. (d) L-series: 2.6 to 24 V, regular: 5 to 24 V. (e) some lower, 3.3 mA to 4 mA

Используя эту микросхему, надо выбирать достаточно низкие номиналы делителя, которые учитывают температурные вариации тока регулирующего вывода на уровне 5 μA . Многие разработчики используют для верхнего плеча номинал 124 Ω , который указан на схеме. Тем самым выполняется требование по минимальной нагрузке 10 mA . Отметим также, что ток, вытекающий из регулировочного вывода, может достигать 100 μA ( значение для наихудшего случая ). Выходной конденсатор для устойчивости не нужен, но сильно улучшает переходную характеристику. Полезно использовать не менее 1 μF , а лучше что-нибудь поближе к 6.8 μF .

LM317 упаковывается в корпуса самых разных видов, включая выводные TO-220, поверхностные DPAK и DDPAK и массу более мелких транзисторных ( TO-92 и с десяток поверхностных ). Мощные корпуса с нормальным теплоотводом позволяют отбирать до 1.5 A . Маломощные варианты 317L нормируются на 100 mA и тоже ограничены рассеиваемой мощностью. Популярная микросхема LM1117, выпускаемая многими производителями, имеет падение 1.2 V против 2.5 V у 317, но стоит дороже: $0.75 против $0.25 для корпуса TO-220. Кроме того, LM1117 имеет более узкий диапазон рабочих напряжений ( см. табл. 9.2 ) и требует на выходе конденсатор не менее 10 μF , что, впрочем, является совершенно обычным для LDO требованием.

Упражнение 9.4
Разработайте стабилизатор +5V на 317. Обеспечьте регулировку выхода ±20% с помощью потенциометра.

Существуют и более мощные трёхвыводные регулируемые стабилизаторы ( LM350 на 3A , LM338 на 5A и LM396 на 10 A ), а также высоковольтные варианты ( LM317H до 60 V и TL783 до 125 V ). Все они присутствуют в табл. 9.2 ( стр. 605 ). Перед использованием таких компонентов следует внимательно изучать справочные данные, учитывая требования к конденсаторам фильтра и защитным диодам. Стоит также отметить, что максимальные выходные токи обычно предполагают низкие перепады напряжения между входом и выходом ( \( V_{in}-V_{out}\) ) , а сама эта величина может составлять всего 20% от максимально допустимого входного напряжения \( V_{in}(max) \). Максимальный выходной ток уменьшается также с увеличением температуры 13 .

Альтернативой мощным ИМС может служить схема с внешним проходным транзистором на входе ( §9.13.4 ), хотя в сильноточных схемах правильнее использовать ключевые стабилизаторы ( §9.6 ).

LM317 относится к «обычным» линейным стабилизаторам ( в противоположность LDO ): типовое падение на нём составляет порядка 2V . Как и в случае других 3-выводных стабилизаторов существуют микросхемы с меньшими падениями ( популярный LM1117 с 1.3 V при 0.8 A или LT1083-85 - серия мощных регуляторов со сравнимыми цифрами при токах до 7.5 A ). Есть микросхемы с меньшим током холостого хода ( LP2951 с \(I_q\) =75 μA ). Всех их можно найти на рис. 9.11 . Существуют и варианты под отрицательное напряжение, но их не так много: LM337 ( рис. 9.12 ) - отрицательный напарник LM317 на 1.5 A , LM333 - отрицательная версия LM350 на 3A . Дополнительное обсуждение в §9.3.6 и §9.3.9 , плюс рис. 9.24 .

Рис. 9.11   Типичное падение напряжения ( \( V_{in}-V_{out}\) ) на 3-выводных регуляторах, построенных по сходной с 317 схеме (жирные линии ). Для сравнения показаны модели с малым падением и высоковольтные варианты. См. также рис. 9.24

Анатомия LM317

Классический LM317 был создан в 1970 легендарным Бобом Видларом и Добкиным 14 и продолжает работать более четырёх десятилетий. Вместе с отрицательным 337 LM317 стал основным компонентом линейных стабилизаторов средней мощности ( до 1A ) в схемах, где имелось несколько вольт запаса для падения на регулирующем элементе. 317 размножился и породил массу копий и последователей, закрывших широкий спектр напряжений, токов и видов корпусов, в том числе и некоторые модели с малым падением, см. табл. 9.2 .

Внутреннее устройство микросхемы отличается редкой элегантностью. Например, функции усилителя ошибки и источника опорного напряжения с термокомпенсацией совмещены. Это был один из первых стабилизаторов с защитой от перегрева и схемой контроля области безопасной работы. На рис. 9.13 показана упрощённая схема его внутреннего устройства с сохранением обозначения элементов согласно оригинальной документации National Semiconductor.

Транзисторы \(Q_{17}\) и \(Q_{19}\) формируют источник опорного напряжения запрещённой зоны и работают с одинаковыми токами, заданными зеркалом \(Q_{16}Q_{18}\) . Из-за того, что площадь эмиттера \(Q_{19}\) в 10 раз больше, чем у \(Q_{17}\) ( у него 10 обычных эмиттеров ), плотность тока в \(Q_{19}\) в 10 раз ниже, чем в \(Q_{17}\) , а значит, \( V_{BE}\) меньше на \( (kT/q)\ln10\) или на 60 mV ( §2.3.2 ). Эта разница с помощью \(R_{15}\) определяет ток \(I_{Q_{19}}=Δ V_{BE}/R_{15}\) =25 μA и, заодно, ток всего каскада 50 μA 15 . Ток линейно зависит от абсолютной температуры, т.к. падение на \(R_{15} ∝ T_{abs}\) . Иначе говоря, схема относится к классу ( «PTAT» ).

Рис. 9.13   Упрощённая схема линейного стабилизатора LM317, из которой понятно, как работает внутренний термокомпенсированный источник опорного напряжения

Теперь о температурной компенсации классического «источника запрещённой зоны». Положительный температурный коэффициент тока используется для компенсации отрицательного температурного коэффициента напряжения \( V_{BE}\) транзистора \(Q_{17}\) , которое исходно составляет 600 mV и пропорционально 1/\(T_{abs}\) , т.е. имеет коэффициент –2.1 mV/°C ( §2.3.2 ). Полная компенсация получается, когда падение на \(R_{14}\) достигает 600 mV при токе 50 μA . Такие цифры соответствуют коэффициенту +2.1 mV/°C и - вуаля! - нулевому температурному коэффициенту при опорном напряжении около 1.2 V ( соответствующему энергии запрещённой зоны кремния ).

Опорный источник запрещённой зоны является заодно и усилителем ошибки. Коллектор \(Q_{17}\) видит высокоимпедансную нагрузку ( источник тока ), сигнал с него буферируется тремя каскадами эмиттерных повторителей ( в полной схеме их пять ), прежде чем доберётся до выходной ноги микросхемы. Поэтому, даже несмотря на довольно низкое значение проводимости ( \( g_m∼1/R_{14}\) ) , в усилителе ошибки остаётся масса петлевого усиления ( его вход подключён к выводу «ADJ» и имеет смещение \( V_{REF}\) относительно выхода «Vout» ).

Резистор \(R_{26}\) служит шунтом для ограничителя тока \(Q_{21}\) . Регулировка рабочего тока в зависимости от разницы ( \( V_{in}-V_{out}\) ) ( символ батареи на схеме ) нужна для контроля «области безопасной работы» ( SOA ). Дополнительные компоненты отвечают за гистерезис схемы отключения при перегреве ( \(Q_{21}\) имеет парный ему pnp для получения защёлкивающейся тиристорной структуры ).

Итоговое замечание. Дуэт Видлар-Добкин создал также микросхему LM195/LM395, в которой есть узел защиты по току и перегреву из 317, но отсутствует опорный источник. Изделие скромно названо «Особо надёжный мощный транзистор». В качестве базового вывода 395 выступает база pnp \(Q_{15}\) ( рис. 9.13 ). Напряжение «база-эмиттер» составляет при этом около 800 mV , а в «базу» втекает ток 3 μA от внутренней подтяжки. Идея была отличная, но цена $2.50, притом что LM317T стоил $0.50. Поэтому нормальные люди используют 317 в качестве «Достаточно надёжного мощного транзистора» с напряжением «база-эмиттер» 1.2 V и током подтяжки «базы» 50 μA . Примеры можно увидеть на рис. 9.16 и 9.18 .

9.3.4 Советы по применению LM317

3-выводной регулируемый LM317 исключительно прост в использовании, и есть несколько очень приятных способов его включения, позволяющих получить нечто большее, чем просто источник постоянного напряжения. Имеется также несколько предупреждений, которые надо иметь в виду. Некоторые полезные идеи приведены на ниже.

Ниже следует краткое пояснение для каждой с упором на схемотехнику.

9.3.4.A Выбор резистора обратной связи

Для нормальной работы регулятору требуется некоторая минимальная нагрузка, потому что внутренние токи схемы текут в конечном итоге через неё. Следовательно, чтобы иметь возможность полностью обесточивать потребителя, верхний резистор обратной связи \(R_1\) надо выбирать достаточно низкоомным, чтобы удовлетворять спецификации по минимальному току нагрузки \( V_{REF}/R_1≥I_{out}(min) \) . Для \( V_{REF}\) =1.25 V и \(I_{out}(min) \) =10 mA у LM317 сопротивление \(R_1\) должно иметь величину не более 125 Ω 16 . Естественно, можно использовать и большие номиналы, восполняя недостающий ток дополнительным резистором на выходе. Но в этом случае появляется дополнительная неопределённость выходного напряжения, обусловленная током вывода «ADJ» ( ∼50 μA ), см. §9.3.4.E .

Рис. 9.14 (A)   Примеры использования LM317. Выбор \(R_1\) для работы без нагрузки

9.3.4.B Ноль на выходе

Схема на стандартном 317 ( например, рис. 9.10 ) имеет нижний предел регулировки выхода на уровне \( V_{REF}\) . Ноль на выходе можно получить, если опустить нижний вывод \(R_2\) в отрицательную область. Требуется только обеспечить достаточно тока, чтобы перевести в рабочий режим внешний опорный источник.

Рис. 9.14 (B)   Примеры использования LM317. Регулировка выходного напряжения до 0V

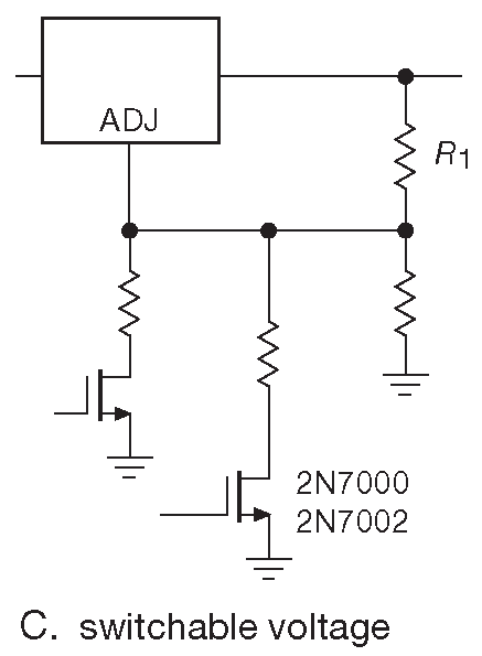
9.3.4.C Переключение выходного напряжения логическим сигналом

Можно использовать МОП транзистор ( или аналоговый ключ с низким \(R_{ON}\) ) , чтобы переключать резисторы установки напряжения, обеспечив тем самым изменение выходного напряжения от логического сигнала.

Рис. 9.14 (C)   Примеры использования LM317. Выбор нескольких фиксированных выходных уровней

9.3.4.D Плавное изменение выходного напряжения

Кроме того, задавать выходное напряжение можно, подавая постоянный потенциал на вывод «ADJ». Выходное напряжение будет на \( V_{REF}\) вольт выше. Управляющий потенциал можно создавать потенциометром или ЦАПом. Если схема точно соответствует варианту D, то необходимо убедиться, что минимальная нагрузка соответствует спецификации ( 10 mA для большей части ИМС, см. табл. 9.2 ). Вдобавок придётся учитывать эффект от вытекающего из вывода «ADJ» тока, на котором будет висеть больший, чем обычно, импеданс. В примере сопротивление в среднем положении движка потенциометра составит ∼1 kΩ , см. §9.3.4.E .

Рис. 9.14 (D)   Примеры использования LM317. Ещё один способ регулирования выходного напряжения, лучше подходящий для блоков питания

9.3.4.E Учёт ошибки от тока вывода ADJ

Вывод «ADJ» является источником тока величиной 50 μA ( см. врезку «Анатомия LM317» ) и определяет выходное напряжение в соответствии с формулой. \[ V_{out}=V_{ADJ}\left(1+\frac{R_2}{R_1}\right )+I_{ADJ} R_2 \qquad [9.1] \]

Рис. 9.14 (E)   Примеры использования LM317. Ошибка от тока \(I_{ADJ}\)

Второе слагаемое в уравнении – «ошибка», вызванная током «ADJ». Для наихудшего случая \(I_{ADJ}\) =100 μA и номинала \(R_1\) =125 Ω ток вывода поднимет выходное напряжение на дополнительный 1% относительно стандартной точности ( 1 или 4% , см. табл. 9.2 ) 17 . Ошибка от тока вывода «ADJ» линейно увеличивается с увеличением сопротивления делителя в соответствии с приведённым графиком. График предполагает точность \( V_{REF}\) на уровне 4% , ток вывода «ADJ» для наихудшего случая 100 μA и отсутствие коррекции для токовой ошибки, т.е. отказ от учёта второго слагаемого в уравнении [9.1] .

Table 9.2. 3-Terminal Adjustable Voltage Regulators (“LM317-style”)a

Notes: (a) all have Vout range from ^ref to ^in(max)-^ref. (b) minimum current to operate the IC. (c) ?Vout (\text%) for ??J = 100°C. (d) D2PAK. (e) for 10\text% to 50\text% /max. ( f) at 5V. ( g ) with Vadj bypass cap. (h) maximum dropout voltage at /max. (k ) JRC’s NJM317F has isolated tab. (n ) also with prefixes like TLV, LD, and REF. ( p) for TO-220 and D-PAK packages. (u ) 10?F min if low ESR tantalum; also requires 10?F input bypass. (v) maximum /out at low Vin-Vout, e.g., ?? <10?; see text. (z) the metal case or tab ( for TO-220, TO-3, D-PAK) is connected to Vout for positive regulators, and to Vin for negative regulators. Beware differing pinouts: positive versus negative, and variants like LR8 and LR12.

9.3.4.F Защитные цепи

Линейный регулятор может быть повреждён чрезмерным током при случайном разряде конденсаторов фильтра через внутренние цепи микросхемы. Диод \( D_2\) не позволяет выходному конденсатору разряжаться через 317 при коротком замыкании на входе. Его наличие не обременит разработчика, а для больших входных напряжений данный диод надо ставить в обязательном порядке. Аналогично, \( D_1\) защищает при замыкании выхода, если имеется необязательный конденсатор \( C_1 \) .

Рис. 9.14 (F)   Примеры использования LM317. Защита от обратных разрядных токов \( C_1 \) и \( C_2\) при закорачивании выхода ( \( D_1\) ) или входа ( \( D_2\) )

9.3.4.G Плавный выход на рабочий режим

Можно увеличить время выхода на рабочий режим, повесив на вывод «ADJ» конденсатор большого номинала ( здесь потребуется защитный диод, см. §9.3.4.F ) 18 . В обоих вариантах схемы конденсатор заряжается постоянным током, вызывая плавный подъём выходного напряжения. Из-за небольшого сопротивления \(R_1\) ёмкость конденсатора становится весьма заметной ( для времени нарастания 10 ms/V и \(R_1\) =125 Ω потребуется конденсатор 100 μF ). Ситуация исправляется повторителем ( рис. 9.14H ). Отметим, что выходное напряжение начинает плавный рост не с нуля, сначала оно скачком увеличивается до \( V_{REF}\) =1.25 V для схемы 9.14G или до \( V_{REF}+V_{BE}\) ≈1.8 V для 9.14H , а потом начинает плавный рост. По тем же причинам ключ «DISABLE» ( рис. 9.14G ) понижает выходное напряжение не до нуля, а до \( V_{REF}\) .

Рис. 9.14 (G) (H)   Примеры использования LM317. Плавное включение

Упражнение 9.5
Нарисуйте схему с указанием номиналов компонентов, соответствующую варианту 9.14C , которая управляет небольшим вентилятором. Когда требуется охлаждение, схема должна обеспечивать +6V , при которых вентилятор работает, но тихо, а если на логический вход «HOT» придёт сигнал ВЫСОКОГО уровня ( например, +5V ), схема должна подавать на вентилятор +12 V .

11 Серия LM340 фирмы National использует почти ту же схему. <-

12 Справочные данные всегда указывают минимальные требования к ёмкости. В них может содержаться изрядное количество подробностей в описании проблем с устойчивостью и особенностями эксплуатации, как, например, для стабилизаторов с малым падением, о которых говорится дальше. Стоит обратить внимание на увеличенные ёмкости конденсаторов на схеме стабилизатора отрицательного напряжения. Они требуются для обеспечения устойчивости, потому что выход серии 79xx идёт с коллектора выходного каскада с общим эмиттером, а усиление такого каскада зависит от импеданса нагрузки. Выход же серии 78xx идёт с эмиттерного повторителя с близким к единице усилением. Фильтрующий конденсатор большого номинала давит петлевое усиление на высоких частотах, защищая схему от возбуждения. <-

13 Тема развивается в §9.4.1 , поэтому кратко: температура кристалла равна \( T_j=P_{diss}( R_{\Theta JC}+R_{\Theta CS}+R_{\Theta SA})+T_A\) , где \(R_{\Theta}\) - температурное сопротивление перехода кристалл-корпус, корпус-теплоотвод и теплоотвод-среда. Можно выбрать регулятор на больший ток и с мощным корпусом ( например, LM338K в металлическом корпусе TO-3 ), чтобы снизить член \(R_{\Theta JC}\) ( 1°C/W против 4°C/W для LM317T в корпусе TO-220 ). И, наконец, компоненты в мощных корпусах имеют не такие жёсткие ограничения по области безопасной работы ( SOA ). Скажем, для \( V_{in}-V_{out}\)=20 V LM338 допускает ток 3.5 A , а LM317 только 1.4 A . <-

14 См. Robert Widlar, “New developments in voltage regulators”, JSSC, SC-6, pp 2-9, 1971, and US patent 3,617,859: “Electrical regulator apparatus including a zero temperature coefficient voltage reference circuit”, filed 23 March 1970, issued 2 November 1971. <-

15 Типичная точность резисторов, получаемых в кремнии при производстве микросхем, составляет от 0.5× до от номинала ( планарный процесс хорош для получения точных пропорций, но не абсолютных значений ). Таким образом, номинальный ток 50 μA вытекающий из вывода «ADJ» может на практике иметь значение и 25 μA , и 100 μA . <-

16 В противоположность справочным данным на LM117/317, где величина \(R_1\) на многих схемах равна 240 Ω . Возможно, ошибка возникла от того, что документация описывала в первую очередь микросхему LM117, у которой минимальное значение тока для наихудшего случая составляет \(I_{out}(min\) )=5 mA , т.е. в два раза меньше, чем у LM317. За 40 лет ни один человек из команды производителя не обратил на это внимание! <-

17 Можно, конечно, посчитать номиналы резисторов в уравнении [9.1] , используя типовые значения для \(I_{ADJ}\) из справочных данных. Это снизит ошибку в два раза ( это разница между максимальным и типичным значениями ). <-

18 Где это может потребоваться? Объяснением может служить короткая история из практики. Авторы занимались сборкой источника питания на ±15 kV из двух преобразователей DC-DC Spellman MP15 ( +24 V вход, +15 kV и -15 kV выход, 10 W ), которые запитывались от коммерческого ключевого источника +24 Vdc . Выходные высоковольтные соединители типа SHV ( см. рис. 1.125 ) для безопасности были смонтированы с промежутком 2". Вообразите ощущения, когда при подаче на устройство питания между выходными разъёмами проскочила мощная искра. Её наличие означало появление напряжения как минимум 50 kV ! Жуть какая ! И очень небезопасно: что будет с источником ( и нагрузкой ), если такая ситуация будет повторяться при каждом включении?! Сначала попробовали уменьшить управляющее напряжение MP15 ( 0...10 V ) до нуля перед подачей питания. Не помогло. Тогда в разрыв цепи питания +24 V был добавлен 3-выводной стабилизатор LT1085 со схемой плавного увеличения напряжения, который позволил полностью исправить положение. <-

Previous part:

Next part: