Шапка

9.6 (I) Ключевые регуляторы и преобразователи напряжения

9.6.1 Сравнение линейных и ключевых регуляторов

Все изучавшиеся до настоящего момента линейные регуляторы работают одинаково. Линейный управляющий элемент ( проходной транзистор ), стоящий последовательно с источником постоянного напряжения, создаёт с помощью обратной связи постоянное напряжение ( или постоянный ток ) на выходе 51 . Выходное напряжение всегда меньше входного, а на регулирующем элементе рассеивается значительная мощность \( P_{diss}=I_{out}( V_{in}-V_{out}) \) . На вход линейного регулятора может подаваться и уже стабилизированное, и нерегулируемое напряжение от сетевого блока питания вида трансформатор-выпрямитель-накопитель.

Рассмотрим проблему эффективности подробнее. Блоки питания с линейными регуляторами неэффективны по своей природе, потому что проходной транзистор пропускает полный ток нагрузки, и при этом падение напряжения на нём должно перекрывать наихудшее сочетание низкого входного напряжения и высоких пульсаций. Для источников с низким выходным напряжением ситуация только усугубляется. Например, линейный регулятор на +3.3 V@10 A должен иметь на входе +6V , чтобы обеспечить надёжный запас. При этом на проходном транзисторе будет рассеиваться 27 W , а на нагрузке 33 W , т.е. эффективность составит 55% . Разработчика может не интересовать эффективность как таковая, но рассеиваемую мощность надо куда-то отводить, что повлечёт за собой увеличение радиатора вентилятора и т.д. При попытке масштабирования схемы в область 100 A потребуется отводить с проходного транзистора четверть киловатта (!) тепла. Придётся запараллеливать транзисторы и применять принудительный обдув. Источник получится тяжёлый, шумный и горячий.

Есть и другой путь получения регулируемого постоянного напряжения, показанный ранее на рис. 9.48B. Метод кардинально иной, нежели всё рассматривавшееся ранее. На рис. 9.55B показан преобразователь на переключаемом транзисторе, работающем в качестве насыщающегося ключа и периодически прикладывающем полное нерегулируемое входное напряжение к индуктивности. При каждом импульсе в индуктивности возникает ток, запасающий в магнитном поле (1/2)\(LI^2\) джоулей энергии. Когда ключ размыкается, часть всей запасённой 52 энергии передаётся в фильтрующий конденсатор на выходе, который кроме этого сглаживает выходное напряжение, поддерживая ток через нагрузку в промежутках между импульсами. Как и в линейных регуляторах, выходное напряжение сравнивается с опорным, но ключевой регулятор управляет выходным напряжением иначе. В линейном источнике регулируется ток базы проходного транзистора, а в ключевом - ширина импульса зарядки индуктивности 53 .

Рис. 9.55   Два вида регуляторов: (A) Линейный или последовательный. (B) Ключевой повышающий

Преимущества ключевых регуляторов

Ключевые регуляторы обладают очень необычными способностями, являющимися источником их популярности:

  1. Управляющий элемент либо насыщен, либо разомкнут, а значит, рассеивает очень малую мощность. Ключевые источники имеют очень высокий КПД, даже если разница напряжений между входом и выходом велика. Уменьшение потока тепла ведёт к сокращению габаритов радиатора, а значит, к снижению общих размеров.
  2. Ключевые источники могут выдавать напряжение, которое выше, чем нерегулируемое входное ( см. рис. 9.55B ). Столь же непринуждённо они могут создавать напряжение противоположной, относительно входного, полярности.
  3. Выходной накопительный конденсатор может иметь небольшой номинал ( и геометрические размеры ), потому что рабочая частота велика ( типичные цифры лежат в диапазоне 20 kHz...1 MHz ), что соответствует очень малому времени между циклами подзарядки ( порядка микросекунд ).
  4. Для ключевых преобразователей сетевого переменного напряжения необходимая изоляция обеспечивается трансформатором, работающим на частоте переключения. Поэтому он гораздо компактнее низкочастотных сетевых собратьев, см. рис. 9.1.
Плюсы
Сочетание небольшого конденсатора, компактного трансформатора и скромной рассеиваемой мощности позволяет создавать меленькие, лёгкие источники питания с высоким КПД, работающие непосредственно от сетевого переменного или постоянного напряжения 54 . Благодаря указанным свойствам, ключевые источники ( известные также под аббревиатурой SMPS ) используются почти во всех электронных устройствах типа компьютеров, телекоммуникационного оборудования, бытовой электроники, батарейных устройств и вообще во всём, что относится к электронной технике.
Минусы

Чтобы не вызвать у читателя излишнего оптимизма, заметим, что у ключевых источников есть свои проблемы. Работа в ключевом режиме производит много шума и в выходном напряжении, и во входной линии, и в виде излучаемых электромагнитных помех ( EMI ), что можно увидеть на рис. 9.53 и 9.54. Ключевые источники, работающие от сети переменного тока ( и почему-то называемые «off-line» ) имеют достаточно большой пусковой ток включения 55 . Кроме того, такие источники «славятся» ненадёжностью и, бывает, устраивают пиротехнические шоу при сбоях.

Рис. 9.53   Сравнение шума линейного и ключевого источника. Все изменения велись на резистивной нагрузке величиной 50% от номинальной. (A) Линейный источник 5V, 0.3 A показывает пульсации ∼0.5 mVpp@120 Hz . (B) Ключевой источник 5V, 2.5 A измерения непосредственно на выходных клеммах, показывает пульсации ∼6 mVpp на частоте переключения 50 kHz ( обратите внимание на изменение масштаба по горизонтали ). (C) Тот же БП, но подключённый к нагрузке проводом длиной 50 cm ( теперь в 20 раз изменился вертикальный масштаб). Видны большие ( ∼150 mV ) иголки и ступеньки, появившиеся вследствие больших токов высокой частоты в цепи земли. Отметим гуляние частоты на изображении. (D) Растянутый по горизонтали участок луча C показывает, что звон имеет частоту ∼15 MHz
Рис. 9.54   Усреднённый частотный спектр выходного напряжения ключевого источника питания ( рис. 9.53 ). Заметно гуляние частоты 50 kHz и её гармоники

Итого
К счастью ключевые источники во многом преодолели свои детские болезни ( ненадёжность, электрический и звуковой шум, стартовый ток и высокую ударную нагрузку на компоненты ). Зато их малый вес, компактность, высокая эффективность и дешевизна позволили вытеснить линейные источники практически по всему диапазону мощностей ( от ватт до киловатт ) во всём спектре современной электроники, особенно в массовом сегменте. Линейные источники и регуляторы живы по сию пору и по-прежнему удобны для маломощных схем, требующих чистых шин питания. Последнее свойство - отсутствие постоянного шума переключения - очень важно при работе со слабыми сигналами.

9.6.2 Топологии ключевых источников

В следующих главах будут описаны ключевые регуляторы и блоки питания, идущие под общим названием «ключевые преобразователи». Тема разделяется на четыре раздела.

  • В первом ( §9.6.3 ) кратко рассматриваются безындуктивные преобразователи, в которых энергия передаётся со входа на выход с помощью конденсаторов, чьи выводы коммутируются полевыми транзисторами. Их называют «преобразователями на перекачке заряда» или «преобразователи на переключаемых конденсаторах». Эти простые схемы могут удваивать или инвертировать постоянное входное напряжение и используются при относительно низких нагрузках ( до 100 mA ).
  • Во втором разделе ( §9.6.4 ) будут описаны топологии, использующие индуктивность. Тема начнётся с неизолированных преобразователей постоянного напряжения, которые можно найти в любом батарейном устройстве. Существуют три базовые схемы преобразования:

    1. понижающая , в которой выходное напряжение ниже входного;
    2. повышающая , выходное напряжение выше входного; и
    3. инвертирующая, которая меняет полярность выходного напряжения. Все три используют индуктивность для накопления энергии в рабочем цикле.
  • В третьем разделе ( §9.6.10 ) рассматриваются преобразователи с разделяющим трансформатором. Кроме гальванической развязки, потребность в которой определяется конкретной задачей, трансформатор очень удобен при большом соотношении между входным и выходным напряжением. Коэффициент трансформации позволяет полностью скомпенсировать такую разницу, что невозможно в бестрансформаторных схемах. Трансформатор позволяет также получить несколько выходов любого уровня и полярности.
  • И, наконец, в четвёртом ( §9.7 ) рассматриваются конструкции источников, работающих от выпрямленного напряжения силовой сети. Такие «оффлайновые» источники являются существенной частью схемы большинства сетевых электронных устройств. У них есть их собственные проблемы из области безопасности, помех, пускового тока, коэффициента мощности и т.д.

И, что характерно, читатель получит массу практических советов по теме: когда использовать ключевые источники и когда избегать их; когда проектировать что-то своё и когда брать готовое. Авторы, известные своей отзывчивостью, не бросят читателя в столь сложный момент!

9.6.3 Безындуктивные ключевые преобразователи

Название «ключевой преобразователь» чаще всего ассоциируется с мощными источниками, использующими для преобразования энергии индуктивность ( или трансформатор ) и высокочастотные транзисторные ключи. Но существует интересный класс микросхем, не использующих индуктивных элементов. Такие преобразователи называются «схемами накачки заряда», «преобразователями на переключаемых конденсаторах» ( или летающих конденсаторах ). Они могут проделывать те же трюки: повышать, понижать и инвертировать выходное напряжение. Такие схемы проще и тише, чем индуктивные варианты, и удобны при невысоких ( до 100 mA ) токах нагрузки. Например, в устройстве часто есть источник +5V ( или +9V в батарейной электронике ), а требуется парный отрицательный источник для питания ОУ. Схема накачки заряда и пара конденсаторов спасут монстра разработки 56 .

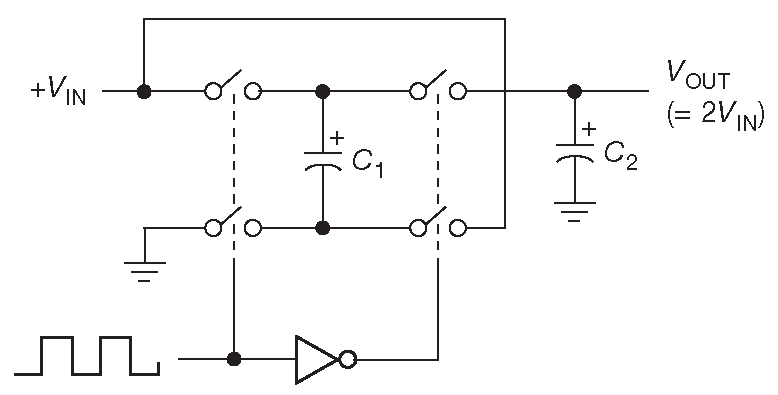
Рис. 9.56   Инвертор на схеме накачки заряда. Генератор попеременно переключает две пары ключей. Левая пара заряжает «летающий конденсатор» \( C_1 \) до напряжения \( V_{IN}\) . Правая пара подключает заряженный конденсатор с обратной полярностью к выходному накопительному \( C_2\)

Конструкция представлена на рис. 9.56 . Она состоит из внутреннего генератора, нескольких КМОП ключей и требует для работы пары внешних конденсаторов. Когда два входных ключа замкнуты, \( C_1 \) заряжается до уровня входного напряжения \( V_{IN}\) . Затем, во второй половине цикла, \( C_1 \) отсоединяется от входа и подключается к выходу, но уже с обратной полярностью. Если \( C_2≪C_1\) , то на выходе сразу появляется почти полное напряжение \(-V_{IN}\) . В более реалистичном варианте \( C_2 ≥C_1\) для создания на выходе того же потенциала при холодном старте потребуется несколько рабочих циклов.

Рис. 9.57   Удвоитель на схеме накачки заряда. Здесь конденсатор \( C_1 \) , заряженный до \( V_{IN}\) , добавляется к \( V_{IN}\) , увеличивая выходное напряжение до 2\( V_{IN}\)

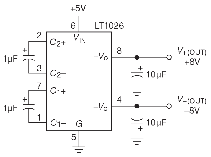
Аналогично, если не переворачивать \( C_1 \) во второй части рабочего цикла, а включать его последовательно с \( V_{IN}\) , на выходе будет 2\( V_{IN}\) ( рис. 9.57 ). LT1056 и MAX680 имеют в своём составе и удвоитель и инвертор. На рис. 9.58 показано, как получить нерегулируемый источник со средней точкой из единственного входа +5V .

Рис. 9.58   Получение нерегулируемого источника со средней точкой на ±8V из единственного напряжения +5V

9.6.3.A Ограничения безындуктивных преобразователей

Метод накачки заряда прост и эффективен, требует совсем немного дополнительных деталей, среди которых нет катушки индуктивности. Но выходное напряжение не регулируется и сильно проседает под нагрузкой ( рис. 9.59 ). Кроме того, как и всякая прочая техника преобразования питания, использующая насыщающиеся ключи, она создаёт пульсации в выходной линии, которые, правда, можно снизить, увеличивая ёмкость накопительного конденсатора ( рис. 9.60 ) или добавив на выход стабилизатор с малым падением 57 . Как и большинство КМОП устройств, схемы накачки заряда имеют небольшой диапазон рабочих напряжений. Оригинальная разработка Intersil ICL7660 позволяла работать с напряжениями \( V_{IN}\) в диапазоне от +1.5 до +12 V , а некоторые последователи, скажем, LT1144 даже расширили его до +18 V , но общая тенденция направлена в сторону низковольтовых схем с мощным выходом и дополнительными возможностями 58 . Наконец, в отличие от индуктивных вариантов, которые способны создавать любое выходное напряжение, схемы накачки заряда способны использовать лишь несколько целочисленных коэффициентов для множителя входного напряжения. С учётом этих недостатков преобразователи с накачкой заряда очень удобны в некоторых случаях, например, для создания отрицательного плеча для питания ОУ или передатчика последовательного порта ( см. Часть 14 и 15 ), когда доступен только один источник +5V . В табл. 9.4 перечислены некоторые преобразователи с накачкой заряда с разными дополнительными возможностями ( напряжение, стабилизация, выходной ток и т.д. ).

Рис. 9.59   Выходное напряжение схемы накачки заряда заметно проседает под нагрузкой. Здесь можно видеть поведение схемы 9.58 при использовании биполярных ( LT1026 ) и КМОП ( MAX680 ) микросхем. Видно, что ключи на полевых транзисторах не вносят падение напряжения при нулевом токе, и в этом режиме \( V_{out}\) в точности равно удвоенному \( V_{in}\)
Рис. 9.60   Снижение пульсаций большой выходной ёмкостью. Результаты измерения полного размаха пульсаций для удваивающего инвертора на LT1026

Table 9.4 Selected Charge-pump Convertersa

Notes: (a) all are inductorless, and require several external caps; “regulated” types include either internal linear LDO post-regulator, or regulation via control of switching; sorted within categories by decreasing maximum V\n. (b) bipolar, see datasheet for typical Vout. (c) with other output unloaded. (d) both outputs loaded. (e) at max fosc. ( g ) in x2 mode. (h) in x0.5 mode. (i ) high fosc allows small capacitors. (k ) LV pin for low Vin range; many mfgs, prefixes LMC, NJU, TC, TL; see also MAX/LTC/TC1044, 1144, and TC962. (m) maximum. (n ) at Vin=Vout/2 + 0.8 V. (o) or Si7661. ( p) freq pin selectable or adjustable. (q) last digit of p/n sets fosc, except TPS60400, where fosc varies cleverly with Vin and /out. ( r ) unreg outputs also available on most; unless marked “LDO,” all regulate via control of switching. ( s ) at Vin=1.2 V. (u ) last digit of p/n sets Vout. (v) Vn = 170?Vrms in BW = 20 Hz-10 MHz. (vv) suffix selects Vout. (w) Vn = 60?Vrms in BW = 10 Hz-100KHz, 600?Vpp for 10 Hz-2.5 MHz. (x) suffix sets fosc. (y ) or reg +3.3 V; unreg x2 output also provided. (z) maximum usable.

9.6.3.B Варианты

Есть очень интересные варианты на летающем конденсаторе, многие из которых присутствуют в табл. 9.4. Её содержимое разбито на две группы: нерегулируемые и регулируемые преобразователи ( обе отсортированы по уровню входного напряжения ). Нерегулируемые типы являются вариациями на тему оригинальной схемы ICL7660, включая как прямые копии с аналогичным обозначением от MAXIM, TI, NJR, Microchip и т.д., так и совместимые по разводке улучшенные версии ( ’7662, ’1044, ’1144 ). Весь этот ширпотреб, который выпускают все, кому не лень, доступен повсеместно и недорог. Более свежие разработки, например, TPS6040x предлагают больше возможностей по выбору рабочей частоты и в общем случае имеют меньшее выходное сопротивление. Работа при большей частоте уменьшает выходные пульсации ( 35 mV при 20 kHz и 15 mV при 250 kHz для серии TPS6040x), но увеличивает ток потребления ( соответственно, 65 и 425 μA ) 59 .

Регулируемые типы, подобные LT1054 фирмы LTC ( максимальный выходной ток 100 mA ), включают внутренний опорный источник и усилитель ошибки, позволяющие охватить схему обратной связью. Управление ведётся за счёт изменения длины рабочего цикла. Другие преобразователи имеют внутренний LDO, который позволяет сильно понизить уровень пульсаций ценой дополнительного падения выходного напряжения. Примерами могут служить LTC1550 и 1682 с пульсациями менее 1 mVpp . Отметим, что большая часть регулируемых преобразователей позволяет работать и в нерегулируемом режиме.

Существуют схемы, которые уменьшают входное напряжение с коэффициентом в виде правильной дроби, например, 1/2 или 2/3 ( а вы можете показать, как это можно сделать? ). На другом конце спектра стоят учетверяющие схемы. LTC1502 может делать из входного напряжения в диапазоне от 0.9 до 1.8 V выходные +3.3 V@10 mA , т.е. питать цифровую логику от одного щелочного элемента 60 . Есть преобразователи, дающие 500 mA на выходе. Для особо ленивых имеются микросхемы со встроенными конденсаторами, но выбор их невелик, а цена высока.

Наконец, есть LTC1043 - набор отдельных элементов для построения схем с летающими конденсаторами, с помощью которого можно творить всякую магию. Можно, например, собрать схему, которая будет передавать падение напряжения из какого-либо неудобного места, скажем, с токочувствительного резистора на положительной шине питания прямо на измерительные клеммы с помощью того самого летающего конденсатора. В справочных данных на LTC1043 подобного рода схемам отведено восемь полных страниц.

Имеются интегральные схемы, дополняющие зарядовым насосом какую-либо основную функцию.

  1. Многие приёмопередатчики стандарта RS232/RS485 имеют в своём составе преобразователь на ±10 V при единственно питании +5 или +3.3 V . Примером 3-вольтовой схемы может служить MAX3232E, которая является развитием 5-вольтовой MAX232 ( последняя активно выпускается третьими фирмами ) и может работать при любом питании от +3.3 до +5V .
  2. Некоторые ОУ ( OPA369, LTC1152, MAX1462-1464 ) включают схему накачки заряда для получения вспомогательного источника ниже уровня земли, чтобы позволить входам работать в режиме Rail-to-rail, имея классическую архитектуру входных линий ( см. §4.6.3.B ).
  3. Накачка заряда используется во многих «драйверах верхнего плеча», подобных HIP4080 фирмы Intersil, или интегральных ключах фирмы Infineon ( серия PROFET ). Здесь схема накачки заряда обслуживает n-канальный МОП транзистор, работающий повторителем на положительной шине питания 61 .
  4. Некоторые сложные цифровые устройства ( процессоры, память ) требуют дополнительных источников повышенного напряжения, которое получают с помощью встроенной схемы накачки заряда. Пользователи подобных микросхем часто даже не подозревают о подобных деталях их внутреннего устройства.

51 Вариантом схемы является параллельный регулятор, в котором регулирующий элемент включается между выходной клеммой и землёй, а не последовательно с нагрузкой. Простейшим примером является пара резистор-стабилитрон. <-

52 Передать всю накопленную энергию можно, только если допускается режим разрывного тока , в котором ток индуктивности может полностью прекращаться. В режиме неразрывного тока доступна только часть энергии. В этом режиме ток индуктивности не прекращается полностью к началу следующего цикла. <-

53 Читатель мог заметить, что на рис. 9.55 некорректно совмещены повышающий ( «step-up» ) ключевой преобразователь и понижающий ( «step-down» ) по самой своей природе последовательный линейный регулятор. На самом деле переключаемая топология, аналогичная по принципу работы линейному регулятору, называется «buck» и показана на рис. 9.61A . Но в данном случае интереснее способность стабилизатора повышать напряжение, совершенно неожиданная для человека, имевшего дело только с линейными схемами. <-

54 Последние в формате небольших блоков можно обнаружить в ноутбуках, мобильных телефонах и т.п. устройствах и в более серьёзных источниках питания настольных компьютеров. Примером могут служить преобразователи «point-of-load» , россыпь которых можно обнаружить рядом с процессором на материнской плате. Процессор легко может потреблять до 60 A при уровне напряжения 1V . Для получения такого тока приходится использовать толпу понижающих преобразователей, которые питаются от шины 12 V и стоят непосредственно возле нагрузки. <-

55 В качестве примера авторы открыли случайную страницу поиска на сайте Digikey и обнаружили там милый источник с питанием от силовой сети и мощностью 5W ( 5V@1A ). По спецификации его пусковой ток составляет... ( барабанная дробь )... 40 A , т.е. пиковая мощность равна 4 киловатта! <-

56 Хорошим источником [* бумажным ! ]   является статья Симана и Сандерса «Анализ и оптимизация DC-DC преобразователей на переключаемых конденсаторах». M.D. Seeman & S.R. Sanders, “Analysis and optimization of switched-capacitor DC-DC converters”, IEEE Trans. Power Electron. 23 (2) pp. 841-851 ( 2008 ). <-

57 Напряжение пульсаций можно оценить формулой \( V_{ripple}\space (pp)=I_{out}/( 2f_{osc}\space C_{out})+2I_{out}\space ESR\) . Первое слагаемое получается из соотношения \(I=C( dV/dt )\) , а второе учитывает эффект неидеальности конденсатора. <-

58 Порядка половины моделей фирмы MAXIM имеют максимальное рабочее напряжение +5.5 V . Из 67 позиций Texas Instruments только 7 могут работать выше +5.5 V ( а 28 и вовсе ограничены уровнем +3.6 V ). Такое же соотношение наблюдается среди 62 преобразователей Linear Technology. <-

59 Пульсации можно снизить, сильно увеличив ёмкость выходного конденсатора. Желательны модели с низким ESR, чтобы снизить эффекты от бросков тока. Ещё лучше будет поставить выходной фильтр. <-

60 К сожалению, преобразователей, делающих из одного щелочного элемента ( 0.9 V в конце его жизни ) +5V нет, т.к. такой преобразователь потребовал бы коэффициента ×6 . Но задачу можно решить каскадным соединением TPS60310 ( 0.9→3.3 V ) и TPS60241 ( 3.3→5V ). Решение требует двух микросхем и семь конденсаторов. Эту проблему с лёгкостью решает индуктивный преобразователь ( §9.6.6 ). Например, TPS61222 в 6-ногом корпусе SC-70 выдаёт +5V@50 mA , имея на входе 0.9V . Для него понадобится одна катушка 4.7 μH , плюс входной и выходной конденсаторы. Стоит меньше $2 в розницу. Ещё один вариант, использовать преобразователь с накачкой заряда для создания исходных +3.3 V , из которых потом делать все нужные напряжения с помощью набора индуктивных преобразователей. Вход «ENABLE» первичного преобразователя можно использовать как выключатель питания. <-

61 Детали можно узнать в §3.5.3 и из рис. 3.96A - 3.96F и рис. 3.106A - 3.106F .   <-

Previous part:

Next part: