Шапка

9.6 (IV) Ключевые регуляторы и преобразователи напряжения

9.6.10 Трансформаторные преобразователи: базовые схемы

Неизолированные преобразователи из предыдущего параграфа можно переделать под использование трансформатора. Такая модификация может преследовать три цели:

  1. обеспечение гальванической изоляции, которая обязательна для преобразователей сетевого напряжения;
  2. даже если изоляция не нужна, отношение витков трансформатора даёт дополнительные возможности по преобразованию напряжения, позволяющие получить большие отношения напряжений при повышении или понижении, оставаясь при этом в приемлемых рамках скважности; и
  3. получение нескольких выходных напряжений от отдельных вторичных обмоток. Именно так построены блоки питания персональных компьютеров со стандартным набором +3.3 V, +5V, +12 V и –12 V .

Это не 60-герцовые трансформаторы с мощными наборными сердечниками. Из-за того, что преобразование идёт на высокой частоте - от сотен до тысяч килогерц - им не нужна большая индуктивность намагничивания ( величина индуктивности одной обмотки при отключённых остальных обмотках ). По этой же причине наматывать их можно на небольшом ферритовом или металлопорошковом сердечнике. Объяснением небольшого физического размера накопителей энергии в ключевых преобразователях может служить тот факт, что для заданной выходной мощности порция энергии, проходящей через устройство в рабочем цикле, может быть меньше, если циклы следуют чаще. А меньшая энергия (1/2)\(LI^2\) и (1/2)\(CV^2\) означает меньшие геометрические размеры 90 .

9.6.11 Обратноходовой преобразователь

Обратноходовой преобразователь ( рис. 9.73A ) - аналог базовой инвертирующей неизолированной схемы. Как и в случае исходной топологии, ключ работает на какой-то частоте \( f \) ( период T=1/\( f \) ) с обратной связью ( на схеме опущена ), регулирующей скважность D=\(t_{ON}\)/T , чтобы удержать выходное напряжение на заданном уровне. Как и ранее, ШИМ может строиться с управлением по напряжению или по току, а ток вторичной цепи может быть неразрывным ( CCM ) или разрывным ( DCM ) в зависимости от тока нагрузки.

Рис. 9.73 (A)   Изолированные ключевые преобразователи. Обратноходовая схема использует накопительную индуктивность с вторичной обмоткой

Единственной новой деталью является трансформатор, который в обратноходовом преобразователе работает как простая катушка индуктивности с сильно связанной вторичной обмоткой. В течение ЗАМКНУТОЙ части цикла ток в первичной обмотке линейно растёт в соответствии с уравнением \( V_{in}=L(pri)\frac{d}{dt}I(pri) \) и втекает в отмеченный точкой вывод. В это время выходной диод смещён в обратном направлении, т.к. у обоих обмоток на отмеченных точкой выводах в этот момент присутствует положительное напряжение.

На протяжении замкнутой части цикла входная энергия целиком идёт на создание магнитного поля в сердечнике. После РАЗМЫКАНИЯ ключа энергия магнитного поля возвращается в виде тока обмотки, при этом, в отличие от обычной индуктивности, в катушке со связанными обмотками условие неразрывности тока может выполняться с использованием любой обмотки. В таком варианте ток, втекающие в отмеченный точкой вывод катушки, передаётся одновременно в отмеченный точкой вывод второй катушки, но масштабируется при этом пропорционально отношению числа витков обмоток N=Npri/Nsec . Этот ток течёт в выходную цепь и в накопительный конденсатор, линейно спадая по закону \( V_{out}=L(sec)\frac{d}{dt}I(sec) \) . Из условия эквивалентности произведений вольт-секунда в обмотках для режима CCM можно вывести выходное напряжение: \[ V_{out}=V_{in}\space \frac{Nsec}{Npri}\space \frac{t_{ON}}{t_{OFF}}=V_{in}\space \frac{Nsec}{Npri}\space \frac{D}{1-D}. \qquad [9.6] \]

И, как обычно, т.к. КПД достаточно высок, мощность сохраняется ( почти ): \[ I_{in}=I_{out}\space \frac{V_{out}}{V_{in}}. \qquad \qquad [9.7] \]

Можно домотать дополнительные вторичные обмотки, снабдить каждую своим диодом и накопительным конденсатором и получить в результате несколько выходных напряжений ( номиналы определяются отношениями витков ). Т.к. обмотки изолированы, напряжения могут быть любой полярности. Для обратной связи можно выбрать только одну вторичную цепь, а остальные будут регулироваться гораздо хуже. Ситуацию с взаимной зависимостью нескольких выходных напряжений называют «кросс-регулировкой» .

9.6.11.A Некоторые замечания по обратноходовой схеме

Мощность
Обратноходовые преобразователи имеют на входе и выходе пульсирующие токи, поэтому используются для питания нагрузок до ∼200 W . Мощные потребители подключаются через прямоходовые преобразователи, а для очень больших мощностей используются мостовые схемы.
Трансформатор в качестве индуктивности
В каждом цикле входящая энергия сохраняется в сердечнике трансформатора ( при ЗАМКНУТОМ ключе ), а затем передаётся на выход ( при РАЗОМКНУТОМ ключе ). Поэтому конструкция трансформатора должна обеспечивать корректную величину «индуктивности намагничивания» ( работу в качестве индуктивности ) и правильное отношение витков ( работу в качестве трансформатора ). В отличие от обратноходового варианта в прямоходовом и мостовом преобразователях трансформатор - это «просто трансформатор». Здесь не место для углубления в детальное рассмотрение трансформаторов, но необходимо отметить, что конструкция магнитных элементов - важная составляющая любых ключевых преобразователей и в частности обратноходовых. Влияет всё: площадь поперечного сечения сердечника, его магнитная проницаемость, насыщение и наличие зазора. ( В общем случае накапливающие энергию индуктивности имеют зазор, а чистые трансформаторы - нет ). Очень полезны сведения по конструкции магнитных элементов, которые приводятся в справочных данных на ИМС, и бесплатные в большинстве случаев программные пакеты с сайтов производителей, позволяющие правильно выбрать магнитные элементы. Тема разбирается подробнее в ##§X9.4.
Подавители переходных помех .
С идеальными компонентами при РАЗМЫКАНИИ ключа первичный ток передавался бы во вторичный без потерь, и беспокоиться о всяких неприятностях, происходящих на болтающемся выводе стока, не было бы нужды. В реальной жизни неполная связь между первичной и вторичной обмотками создаёт последовательную «индуктивность рассеяния» , которая стремится сохранить неразрывность текущего через неё тока и создаёт на ключе положительный выброс, хотя вторичная обмотка подключена к нагрузке. Ничего хорошего в таком броске нет, поэтому для его подавления используется обычное лекарство - помехоподавляющая RC цепь , состоящая из резистора с последовательным конденсатором параллельно обмотке, или, что ещё лучше, «DRC» - диод последовательно с параллельной RC цепочкой 91 .
Регуляция
Обратноходовые источники можно регулировать с помощью параметров ШИМ в режиме по напряжению или по току, в котором используется дополнительный генератор для запуска рабочего цикла. Иногда встречаются схемы, где трансформатор используется как часть блокинг-генератора. Это позволяет выкинуть из схемы несколько компонентов и удешевить конструкцию. Авторам приходилось заглядывать в маломощные ( 5...15 W ) «розеточные» источники питания, и часто внутри не обнаруживалось почти ничего! Один такой блок был разобран полностью, чтобы разобраться с особенностями схемы ( рис. 9.74 ). Работают такие конструкции вполне прилично.

Сетевые преобразователи
Завершающим примером ( рис. 9.74 ) выступает устройство, требующее гальванической изоляции. Таковую изоляцию при передаче энергии обеспечивает трансформатор. Подобной же изоляции требует и сигнал обратной связи, передаваемый в первичную цепь. В качестве изолирующего барьера может выступать оптопара или дополнительный импульсный трансформатор. Сетевые преобразователи кратко упоминаются в §9.7 и Части X9 , где разбирается «зелёный» источник на 5W ( 200 mW в режиме ожидания ) с высоким КПД и приводятся графики эффективности в сравнении с другими схемами.

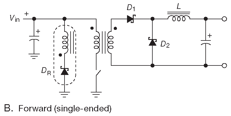
9.6.12 Прямоходовые преобразователи

Однополярный прямоходовой преобразователь ( рис. 9.73B ) - это понижающая схема с трансформаторной изоляцией. Полезно вернуться к неизолированной схеме ( рис. 9.61A ) и разобрать её работу. В замкнутой части цикла трансформатор преобразует входное напряжение в напряжение вторичной обмотки \( V(sec)=V_{in}\space \frac{Nsec}{Npri}\) . Импульсы напряжения поступают во вторичную цепь, состоящую из перехватывающего диода \( D_2\) , индуктивности \(L\) и выходного накопительного конденсатора. Ещё один диод \( D_1\) нужен, чтобы блокировать обратный ток во вторичной обмотке, когда ключ РАЗОМКНУТ. Отметим, что здесь, в отличие от обратноходовой схемы, трансформатор - это «просто трансформатор»: накопление энергии происходит в индуктивности \(L\) , как в базовой понижающей схеме. От трансформатора не требуется накапливать энергию, потому что ток во вторичной обмотке течёт одновременно с током в первичной ( энергия «проходит прямо» ), в чём можно убедиться по маркировке полярностей обмоток.

Рис. 9.73 (B)   Изолированные ключевые преобразователи. Прямоходовой вариант использует настоящий трансформатор без накопления энергии ( и требует, поэтому, наличия выходной накопительной индуктивности ). Диод \( D_R\) и третья обмотка - один из нескольких путей разряда ( размагничивания ) сердечника в однополярной схеме включения

По аналогии с понижающей схемой ( уравнения [9.3a-h] ) выходное напряжение для CCM режима выражается соотношением \[ V_{out}=V_{in}\space \frac{Nsec}{Npri}\space \frac{t_{ON}}{T}=V_{in}\space \frac{Nsec}{Npri}D. \qquad [9.8] \]

Размагничивание сердечника
В отличие от обратноходового преобразователя, в трансформаторе есть дополнительная обмотка ( рис. 9.73B ). Она нужна для размагничивания сердечника трансформатора 92 . Происходит это, потому что среднее значение произведения вольт-секунда 93 для трансформатора в целом должно равняться нулю ( не должно быть постоянного смещения ), чтобы предотвратить постоянное нарастание магнитного поля в сердечнике. Имеющийся ключ может подавать на трансформатор напряжение только одной полярности, поэтому положение исправляет третья обмотка. Через неё в пассивной части цикла ( когда диод \( D_R\) проводит ток, создаваемый схлопывающимся магнитным полем ) подаётся напряжение обратной полярности 94 .

Дополнительные замечания

  1. Как и в случае обратноходового, да и любого трансформаторного преобразователя, прямоходовая схема позволяет иметь несколько вторичных обмоток. Каждая должна иметь свою катушку индуктивности, пару диодов и конденсатор. Обратная связь стабилизирует одно из выходных напряжений.
  2. Трансформатор позволяет изолировать выходное напряжение, если обстоятельства того требуют ( как, например, в сетевом источнике ). В этом случае требуется изоляция и сигнала обратной связи. Обычно для этого используют оптопару ( см. идею на рис. 9.48B или подробные схемы на рис. 9.74 и 9.83 ). С другой стороны, если гальваническая развязка не нужна, можно использовать общую шину земли и передавать сигнал ошибки непосредственно на блок ШИМ.

Table 9.6 External-switch Controllers®

Notes: (a) all require external power switches ( see listings in Table 3.4 ); all have undervoltage lockout (UVLO ) and internal voltage references; listed within groups in approximate order of increasing drive current. (aa) I - current mode, V - voltage mode, P - fixed peak current, M - multiple modes. (b) uncommitted BJT output, sinks 200 mA, 40 V max. (c) P=PWM fixed freq; Q=quasi-res; R - resonant; V=var freq fixed width; (d) peak driver current, for controllers. (e) ext parts. (ex) lower voltage for x=3 or 5, higher voltage for x=2 or 4. ( f) fixed only. ( f3 ) three switching-frequency options. ( g ) unused footnote. (h) 2V for x=3 or 5. (i ) adjustable current limit. (j) 25 V zener clamp for Vcc. (k ) to Vcc or voltage shown, whichever is less. (m) maximum. (n ) nominal. (o) turn-on threshold. (oo) even with LEB (leading-edge blanking ) an RC filter or at least a 100 pF capacitor is often recommended. ( p) ref pin is current-sourcing. (pp) [same note as integrated tables]. (q) reduced freq or pulse skipping at low load. ( r ) 0.7 V for the '11. ( s ) helps stabilize the control loop against sub-harmonic oscillations. ( t ) transformer output. (u ) a minimum off time (450 ns ) limits the duty cycle. (v) may not include dynamic gate-charge currents, etc. (w) for Vout below 30 V, above 30 V a current-sense resistor is required. (x) OVP = line over-voltage protection. (y ) synchronous possible with low-voltage non-isolated flyback transfomer. (z) finds resonant frequency. Comments: 1: LTC1772, LTC3801 second-source. 2: fixed 5V version available. 3: automotive. 4: hi-side sense. 5: LTC3832 goes down to 0.6 V. 6: single inductor, foldback current limit. 7: jellybean. 8: improved UC384x. 9: UC384x with LEB, SS, low Iq. 10: impressive 52V, LED drive. 11: use with flyback xfmr. 12: to 1.8 V, slope-comp, soft-start, expensive. 13: to 1 MHz, advanced. 14: HV pin, to 100 V for startup. 15: SOT23, low power, cute. 16: can boost inputs as low as 1V. 17: fixed voltage versions only, five choices 1.9V to 5.0 V. 18: quasi-resonant. 19: inexpensive, ATX power supplies etc. 20: freq dither. 21: 25 V zener clamp for Vcc. 22: legacy, inexpensive, second sourced. 23: programmable gap/overlap. 24: legacy, inexpensive, flexible. 25: also UC3525 etc. 26: feed-forward ramp. 27: resonant, use with FET driver IC. 28: HV pin, to 500 V for startup. 29: optimized for inverting, Vout from -0.4 V to -150 V or more.

  1. Как и во всех ключевых преобразователях, для подавления выбросов от паразитной индуктивности ( в т.ч. индуктивности рассеяния первичной обмотки ) используют помехоподавляющие цепи.
  2. Как и во всех остальных преобразователях ШИМом можно управлять в режиме тока или режиме напряжения. В качестве альтернативы можно использовать частотную модуляцию ( PFM ) с почти постоянным временем активной части импульса. Она позволяет избегнуть «жёсткого переключения», используя резонансный звон при заряде-разряде паразитных емкостей элементов схемы с почти идеальным переключением в режиме нулевой ток/нулевое напряжение.
  3. Однополярные прямоходовые преобразователи активно используются в сегменте средних мощностей ( ∼25...250 W ).

9.6.13 Мостовые преобразователи

Две последних трансформаторных схемы - полумостовая ( рис. 9.73C ) и мостовая ( рис. 9.73D ). Как и в случае прямоходового преобразователя трансформатор используется только для масштабирования напряжения и изоляции. Накопление энергии, как и в базовой понижающей схеме, выполняется катушкой индуктивности во вторичной цепи. Фактически мостовую схему можно рассматривать в качестве «симметричного прямоходового преобразователя». В обеих схемах конденсаторы в первичной цепи позволяют потенциалу на немаркированном выводе гулять в любом направлении и предотвращают появление постоянной составляющей тока в обмотке и насыщение сердечника.

Рис. 9.73 (C) (D)   Изолированные ключевые преобразователи. Мостовые схемы используют настоящий трансформатор без накопления энергии ( и требуют, поэтому, наличия выходной накопительной индуктивности ). Блокировочный конденсатор \( C_B\) в мостовом преобразователе предотвращает протекание по обмотке постоянного тока, нарушающего баланс магнитного потока и вызывающего насыщение сердечника. В полумостовой схеме такую функцию плюс накопление энергии выполняет пара конденсаторов со средней точкой

Чтобы понять, как работает полумост, вообразим сначала, что ключи \( S_1\) и \( S_2\) работают попеременно со скважностью 50% без зазоров и перекрытий. Напряжение в средней точки последовательных конденсаторов будет равно половине входного, т.е. схема превращается в двухполупериодный выпрямитель со средней точкой, на который поступает напряжение прямоугольной формы. Мощность передаётся во вторичную цепь в каждой половине рабочего цикла, а выходное напряжение ( без учёта падения на диодах ) составит:

\[ V_{out}=\frac{1}{4}V_{in}\space \frac{Nsec}{Npri}, \qquad [9.9] \] где множитель «1/4» возникает из-за половины напряжения на входе и половины из-за средней точки. В мостовой схеме к первичной обмотке прикладывается полное входное напряжение, и множитель меняется на «1/2».

Регуляция

Если ключи работают попеременно с 50% скважностью, на выходе будет постоянное напряжение, определяемое потенциалом на входе и отношением витков трансформатора. Чтобы обеспечить регулировку требуется замыкать каждый ключ на время, меньшее половины цикла ( рис. 9.75 ). Длительность выключенного состояния ( «мёртвое время» ) подстраивается в соответствии с величиной сигнала ошибки. Каждый полуцикл можно рассматривать как полный рабочий цикл прямоходового преобразователя со скважностью D= \(t_{ON}/( t_{ON}+t_{OFF}) \) , создающего выходное напряжение ( в CCM режиме ) \[ V_{out}=\frac{1}{4}V_{in}\space \frac{Nsec}{Npri}\space D. \qquad [9.10] \]

Рис. 9.75   Широтно-импульсная модуляция в полумостовом преобразователе. Внутренний генератор запускает активную часть цикла каждого ключа, а обратная связь отвечает за её окончание отдельно для каждого ключа

Полумостовые преобразователи используются при больших ( выше 100 W ) мощностях нагрузки, потому что за счёт симметричного изменения магнитного потока в каждом цикле они эффективнее используют магнитных материал сердечника. Кроме того, по сравнению с однополярной прямоходовой схемой они в два раза понижают напряжение на каждом ключе. Ещё одна пара ключей превращает полумост в полный мост , в котором в каждом полуцикле к обмотке прикладывается полное входное напряжение ( ниже приводятся некоторые соображения о балансировке магнитного потока ). Полный мост позволяет использовать иную форму регуляции, называемую «фазовым управлением». Здесь каждая пара ключей работает с 50% скважностью, но фаза рабочего цикла одной пары сдвигается относительно фазы другой пары, позволяя получить рабочий цикл переменной длительности 95 .

Дополнительные замечания

  1. Как и в случае однополярной прямоходовой схемы требуется обеспечить нулевое среднее напряжение в первичной обмотке трансформатора, в противном случае магнитный поток будет постоянно возрастать и доведёт сердечник до насыщения. В схеме полного моста ( рис. 9.73D ) с этой целью последовательно с обмоткой стоит блокировочный конденсатор \( C_B\) . В полумосте ( рис. 9.73C ) эту функцию выполняет емкостной делитель. Блокировочная ёмкость должна быть достаточно велика, к тому же она должна выдерживать большие токи пульсаций, поэтому было бы лучше выкинуть её из схемы, подключив один конец к постоянному уровню \( V_{in}\space \)/2 ( который в удваивающем сетевом мостовом преобразователе появляется автоматически ). Такая конфигурация известна как «симметричная схема» ( push-pull). Но без блокировочного конденсатора можно легко нарушить условие симметрии магнитного потока. Одним из решений будет использование токового режима управления, где в каждом цикле ( вернее, полуцикле ) насыщение предотвращается за счёт ограничения тока. В любом случае, возможный небаланс магнитного потока является серьёзным недостатком мостовых схем.
  1. В мостовых преобразователях два последовательно соединённых ключа перемыкают входной источник. Если возникнет перекрытие их циклов проводимости, входной источник будет закорочен, и в цепи возникнет катастрофический ток, называемый «сквозным». Это не тот жизненный опыт, к которому надо стремиться! При включении МОП, а более того, биполярных транзисторов необходимо организовывать задержку, чтобы небольшой зазор между моментами замыкания ключей гарантировал исключение сквозного тока.
  2. Здесь также нужны помехоподавляющие цепи для борьбы с индуктивными выбросами.
  3. Полные мосты активно используются в мощных преобразователях ( 5 kW и более ).
  4. При больших токах нагрузки через индуктивность выходного фильтра течёт неразрывный ток. В цикле прямой проводимости его обеспечивает \( D_1\) или \( D_2\) и одна из половин вторичной обмотки трансформатора. А что происходит в состоянии отсутствия прямой проводимости на зазорах между импульсами ( рис. 9.75 )? В этом случае неразрывный ток катушки течёт через оба диода \( D_1\) и \( D_2\) . При этом одинаковые токи текут в одном направлении из каждого диода, а вторичная обмотка трансформатора превращается в коротко замкнутую цепь между диодами и средней точкой, хотя первичная обмотка при этом разомкнута. [* Т.е. через эту цепь потенциал средней точки понижается, читай: при прямой проводимости повышается положительный конец, при размыкании - понижается отрицательный конец ] .

90 В случае обратноходового преобразователя, обсуждаемого ниже, вторичную цепь можно рассматривать как вторую обмотку на катушке индуктивности, накапливающей энергию в классическом неизолированном инвертирующем преобразователе. <-

91 Типичная величина индуктивности рассеяния составляет ∼1% от индуктивности намагничивания. Заметно её снизить можно, разделив одну из обмоток ( например, первичную ) на две части и поместив вторую ( здесь вторичную ) между двумя половинками. Так же работает бифилярная намотка ( когда первичная и вторичная обмотки наматываются на каркас вместе, одним жгутом ). Но оба приёма увеличивают межобмоточную ёмкость, а бифилярная, кроме того, снижает электрическую прочность межобмоточной изоляции. <-

92 В обратноходовой схеме размагничивание происходит естественным образом, что, очевидно, невозможно в однополярном прямоходовом преобразователе. <-

93 Иногда его зовут «интегралом вольт-время». <-

94 Есть хитрые схемы, которым для размагничивания не нужна отдельная обмотка. Один метод использует два ключа на первичной стороне: по ключу на обеих сторонах обмотки. Комплект дополняется двумя диодами и позволяет реверсировать ток в единственной первичной обмотке ( можете ли вы изобразить данную схему? ). Другой метод использует второй ключ для замыкания первичной обмотки через небольшой конденсатор в пассивной части цикла. Такой способ носит название «размагничивание с помощью активного ограничителя» и был независимо предложен Корстеном ( Carsten ), Поликарповым ( Polykarpov) и Винциарелли ( Vinciarelli ). В таком включении магнитное поле в сердечнике реверсируется, что улучшает параметры источника за счёт удваивания диапазона изменения магнитного потока в рабочем цикле. <-

95 Авторам нравятся ИМС с фазовым управлением UCC3895 ( TI ) и LTC3722 ( Linear Technology ). <-

Previous part:

Next part: