Шапка

3.5 Мощные МОП транзисторы (II)

3.5.3 Переключение мощных нагрузок логическим сигналом

Достаточно часто требуется управлять мощным МОП транзистором от цифровой логики. Есть, конечно, семейства, выдающие сигнал с амплитудой +10 V и более ( классическая КМОП серия 4000 ), но большинство логических микросхем ( тоже, впрочем, КМОП ) используют источники +5 , +3.3 и +2.5 V , выдавая сигнал с уровнем питания или земли ( ВЫСОКИЙ и НИЗКИЙ соответственно ) 82 . На рис. 3.96A - 3.96F показано, как можно управлять нагрузкой от таких сигналов. В первой схеме ( рис. 3.96A ) вентиль с питанием +5V уверенно управляет заурядным 2N7000. Это дешёвый транзистор ( $0.04 в количествах ). Спецификация сообщает, что \(R_{ON}\) < 5 Ω при \(V_{GS}\)=4.5 V . Диод в параллель с обмоткой защищает от индуктивных выбросов ( §1.6.7 ). Резистор последовательно с затвором не обязателен, но не помешает, потому что через ёмкость сток-затвор индуктивный выброс в нагрузке может возвратиться на выход нежной КМОП микросхемы ( подробности будут позже ). [* См. замечание об обратном переносе заряда в §3.5.4.B ]

Рис. 3.96 (A)   Управление мощной нагрузкой от уровней цифровой логики, см. также рис. 3.106A - 3.106F ( стр. 202 - 203 )

Для разнообразия во второй схеме ( рис. 3.96B ) используется p-канальный MTP50P03HDL, который работает с заземлённой нагрузкой. В этой активно используемой технике, называемой «динамическое управление питанием», «нагрузка» может представлять собой дополнительный участок схемы, подключаемый к источнику по внешней команде. Для ’50P03 максимальное значение \(R_{ON}\) при \(V_{GS}\)=–5V составляет 0.025 Ω , а токовая нагрузка 50 A . Если требуется совсем низкое сопротивление канала, можно взять IRF7410 ( 0.007 Ω , 16 A , $1.50), см. табл. 3.4a ( стр. 188 ).

Рис. 3.96 (B)   Управление мощной нагрузкой от уровней цифровой логики, см. также рис. 3.106A - 3.106F ( стр. 202 - 203 )

Низковольтная логика становится популярнее день ото дня. Схемы 3.96A и 3.96B можно использовать и при меньших напряжениях, но потребуются МОП транзисторы с «логическим порогом переключения» . Например, n-канальный FDS6574A фирмы Fairchild ( 20 V , 16 A ) имеет максимальное значение \(R_{ON}\)=0.009 Ω при \(V_{GS}\) всего 1.8 V , а парный p-канальный FDS6576 0.01 Ω при \(V_{GS}\)=–2.5 V . Цена $1.25 в небольших партиях. Выбирая транзисторы с низким порогом переключения, внимательно изучайте сбивающие с толку данные. Например, для IRF7470 указано «\(V_{GS}(th)\)=2V(max)», что выглядит очень неплохо, вот только в примечании сказано «при \(I_D\)=0.25 mA». Чтобы перевести МОП транзистор в полностью открытое состояние требуется потенциал, заметно больший, чем \(V_{GS}(th)\) , см. рис. 3.115 ( стр. 212 ). Но, тем не менее, схема работает нормально, потому что у IRF7470 есть ещё один параметр: «\(R_{ON}(max)\)=30 mΩ при \(V_{GS}\)=2.8 V».

Рис. 3.96 (C) (D)   Управление мощной нагрузкой от уровней цифровой логики, см. также рис. 3.106A - 3.106F ( стр. 202 - 203 )

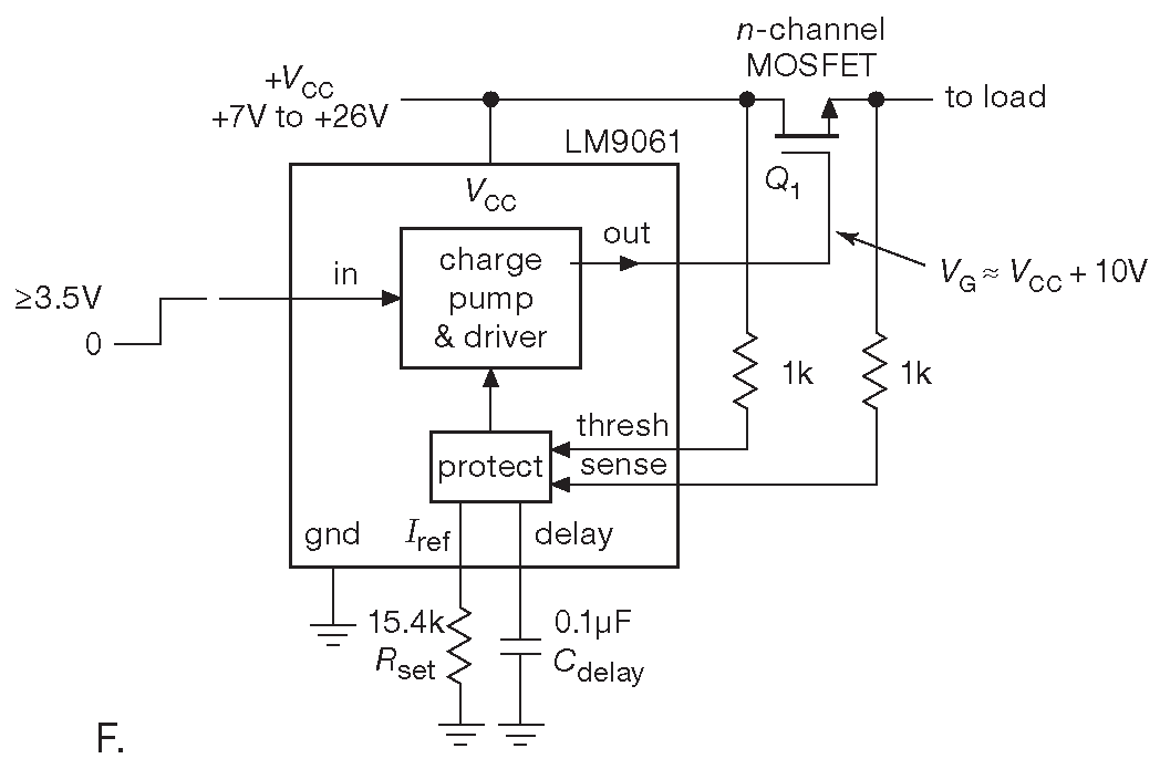
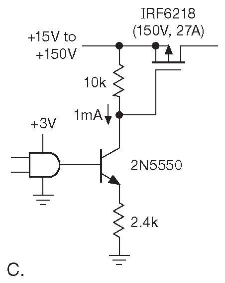
Две следующие схемы показывают другой метод использования низкоуровневого логического сигнала. На рис. 3.96C используется переключаемый источник тока на npn транзисторе, который формирует управляющее напряжение для затвора p-канального IRF6218 на «горячей стороне». Отметим, что, если заменить источник тока биполярным ключом , схема выйдет из строя, как только переключаемое напряжение превысит напряжение пробоя затвор-исток силового транзистора. На рис. 3.96D МОП ключ с интегрированным драйвером используется для управления очень серьёзным током. Данная модель нормируется на 165 A 83 . За счёт внутренней схемы трансляции уровней и накачки заряда для драйвера затвора ( §9.6.3 ) управлять данным ключом от логического сигнала очень легко. Можно взять драйвер затвора, например, LM9061 и внешний n-канальный транзистор ( рис. 3.96F ). Данная конкретная ИМС имеет встроенную схему накачки заряда, чтобы получить требуемое напряжение на затворе для внешнего ключа \(Q_1\) . Ток получается небольшой, поэтому скорость переключения довольно низкая. Драйвер содержит защитную схему, которая проверяет \(V_{DS(ON)}\) и выключает транзистор, если прямое падение на нём превышает заданный уровень ( устанавливается с помощью \(R_{SET}\) ) дольше, чем таймаут для переходного процесса, выставленный конденсатором \(C_{delay}\) .

Рис. 3.96 (E) (F)   Управление мощной нагрузкой от уровней цифровой логики, см. также рис. 3.106A - 3.106F ( стр. 202 - 203 )

Наконец, рис. 3.96E показывает, как избавиться от проблем с недостаточным уровнем и мощностью управляющего сигнала. Для таких задач используется «драйвер затвора», например, TC4420. Он принимает на входе логический сигнал ( гарантируется уровень переключения ниже +2.4 V ), а на симметричном активном выходе выдаёт мощный сигнал с полным размахом собственного питания ( рис. 3.97 ). Выход может выдавать или принимать несколько ампер тока затвора, что гарантирует быстрое переключение с большой емкостной нагрузкой, каковой является мощный МОП транзистор ( см. §3.5.4.B ). Расплачиваться приходится не только деньгами, но и усложнением схемы. Табл. 3.8 ( стр. 218 ) содержит некоторую выборку отличных драйверов затвора. Ещё раз эти микросхемы встретятся в Части X9 в главе «Изменение тока на горячем конце» и в Части 12 в контексте управления внешней нагрузкой от логического сигнала ( §12.4 ) и в теме драйверов затвора с оптической изоляцией ( §12.7 ).

Рис. 3.97   МОП драйвер, аналогичный TC4420, принимает на входе логический сигнал и переключает быстрый ( ∼25 ns ) и мощный ( ±6A ) выход с полным размахом питания. TC4429 работает так же, но имеет инвертированный выход

3.5.3.A Примеры переключательных схем

Рассмотрим несколько схем, использующих сочетание низкого сопротивления канала и околонулевого тока затвора МОП транзисторов. Объяснения будут сокращены до необходимого минимума.

Расширитель импульсов

Схема 3.98A замечательно проста. МОП ключ \(Q_1\) активируется коротким положительным импульсом и разряжает конденсатор \(C_1\) , вызывая появление на выходе потенциала положительной шины ( здесь +5V ). Когда \(C_1\) зарядится до порога переключения инвертора, выход возвратится к нулевому потенциалу. В качестве инвертора может выступать n-МОП транзистор или законченный логический вентиль. Отметим, что время отсчитывается от заднего фронта импульса управления. Несколько симпатичных схем на дискретных элементах, нечувствительных к ширине входного сигнала, можно найти в §2.2.2 . В Части _7   ( §7.2.1 и §7.2.2 ) подробно разбираются схемы на моностабильных мультивибраторах ( «одновибраторах» ).

Рис. 3.98 (A)   Простые и полезные схемы на МОП транзисторах. Расширитель импульсов

Схема управления реле

Электромеханические реле изменяют состояние контактов под управлением тока в катушке. Ток, понятно, зависит от приложенного напряжения, которое должно гарантировать надёжное переключение и удержание контактов. Например, реле на схеме 3.98B имеет катушку, рассчитанную на 5 Vdc . При этом напряжении через неё течёт 185 mA ( сопротивление обмотки 27 Ω ) 84 . В некотором смысле, номинальное напряжение является компромиссом: его достаточно для активации реле, но рабочий ток не слишком велик. Можно схитрить и увеличить скорость срабатывания, если кратковременно подать на катушку избыточное напряжение в соответствии со схемой 3.98B . \(Q_2\) здесь подаёт на обмотку +12 V в течение 0.1 s , а затем \(Q_1\) подхватывает надёжно замкнутые контакты номинальным напряжением 5V . Диод \(D_1\) обеспечивает путь индуктивного тока при отключении катушки. Последовательный резистор \(R_3\) позволяет получить на катушке примерно 20 V при отключении и ускорить размыкание контактов, см. Часть X1 [* ##§X1.6 ] , где объясняется польза такого решения.

Рис. 3.98 (B)   Простые и полезные схемы на МОП транзисторах. Схема управления реле с ускоренным включением

Управление программируемым источником питания

Управлять удалёнными исполнительными устройствами довольно удобно, особенно если задействовать компьютер. Можно собрать ( или купить ) источник напряжения, который принимает на входе низкоуровневый аналоговый сигнал, как на схеме 3.98C . Символом «A» обозначен усилитель постоянного тока с выходным напряжением \(V_{out}=AV_{in}\) . Предполагается, что требуемый ток он обеспечивает. В таких устройствах полезно иметь возможность ручного управления, чтобы аппаратура не превратилась в тыкву , если компьютер зависнет или начнёт перезагружаться ( или его унесёт какой-нибудь злодей ). Схема показывает простой способ дублирования удалённых функций с локальных органов управления.

Рис. 3.98 (C)   Простые и полезные схемы на МОП транзисторах. Программируемый источник напряжения с контролем включения

Включение/выключение батарейного питания

В носимых приборах часто используют батарею «9V». Её легко приобрести, она имеет достаточное напряжение и позволяет создавать источник со средней точкой, см. §4.6.1.B , но ёмкость её всего 500 mAh , и поэтому требует специальных мер по сохранению заряда.

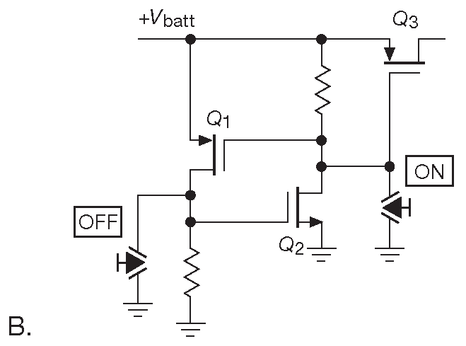
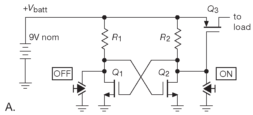
На рис. 3.99A - 3.99D показаны некоторые методы управления питанием с помощью МОП транзисторов. Схема 3.99A - классический триггер. Две кнопки для установки ( «SET» ) и сброса ( «RESET» ) объясняют название «RS-триггер». Кнопка «OFF» выключает \(Q_2\) . На его стоке появляется ВЫСОКИЙ уровень, который включает \(Q_1\) и одновременно переводит в пассивное состояние проходной ключ \(Q_3\) . Проверить, что кнопка «ON» выполняет прямо противоположные действия, читатель может самостоятельно. Две кнопки - нормальное решение ( хотя есть и лучше, не переключайте канал ), но данная схема имеет недостаток: она потребляет ток в любом состоянии. Ток можно минимизировать, взяв в качестве \(R_1\) резистор 10 MΩ . Тогда ток холостого хода снизится до 1 μA , что соответствует 50 годам разряда батареи. Это гораздо больше, чем 5 лет её реального срока службы.

Рис. 3.99 (A–B)   Включение батарейного питания без этих ваших ИМС. (A) Классический триггер управляет проходным p-канальным МОП транзистором и имеет раздельные кнопки включения и выключения. (B) То же самое, но с нулевым током потребления в режиме ВЫКЛЮЧЕНО. На всех схемах p-канальный проходной МОП транзистор может быть сколь угодно мощным, см. табл. 3.4a

Но есть вариант получше. В схеме 3.99B триггер \(Q_1Q_2\) на комплементарных транзисторах в состоянии ВЫКЛЮЧЕНО тока не потребляет ( исключая утечки ). Ещё дальше в этом направлении продвинулась схема 3.99C ( тоже с нулевым потреблением в состоянии ВЫКЛЮЧЕНО ). Число кнопок в ней уменьшено до одной, работающей в режиме ВКЛ/ВЫКЛ. Схема чуть сложнее, потому что требуется правильный подбор нескольких постоянных времени 85 , но исходная идея проста и красива. Сначала конденсатор заряжается с выходной линии, а затем кратковременно подключается к управляющему выводу, переключая его.

Рис. 3.99 (C)   Включение батарейного питания без этих ваших ИМС. Схема с одной кнопкой включения/выключения и нулевым потреблением в режиме ВЫКЛЮЧЕНО. Указаны выводные и SMD модели транзисторов. p-канальный проходной МОП транзистор может быть сколь угодно мощным, см. табл. 3.4a

[* Сокращение до «необходимого минимума» не пошло объяснениям на пользу.

Итак, начальный момент.
Состояние ВЫКЛЮЧЕНО, \(Q_1\) закрыт, т.к. затвор подтянут к истоку через \(R_3\) , \(Q_2\) закрыт, т.к. затвор заземлён через \(R_2\) , на стоке +VBAT , поэтому \(Q_3\) тоже закрыт, \(C_1\) разряжен через \(R_1+R_2\) .

Нажимаем кнопку.
\(Q_1\) немедленно открывается, потому что его затвор подключается к разряженному конденсатору, читай, к земле. Через \(Q_1\) начинает течь ток, на его стоке появляется потенциал +VBAT ( падение на \(R_2\) ), который открывает \(Q_2\) , а тот, в свою очередь, включает \(Q_3\) и подаёт питание потребителю. Земля на стоке открытого \(Q_2\) фиксирует \(Q_1\) в открытом состоянии, поэтому состояние кнопки ни на что более не влияет. Конденсатор заряжается через \(Q_1R_1\) до +VBAT . Схема перешла в состояние ВКЛЮЧЕНО. Все транзисторы открыты. \(Q_1\) и \(Q_3\) открыты, т.к. на стоке \(Q_2\) - земля. На стоке \(Q_1\) ( затворе \(Q_2\) ) и конденсаторе \(C_1\) - напряжение +VBAT .

Если вновь нажать кнопку,
то заряженный до VBAT \(C_1\) подключается к затвору \(Q_1\) и на мгновение закрывает его ( \(V_{GS}\)=0 ). Прекращение тока стока \(Q_1\) приводит к появлению закрывающего уровня ( земли ) на затворе \(Q_2\) . Тот закрывается, отключая \(Q_1\) и \(Q_3\). Кнопку можно отпускать. \(C_1\) разряжается через \(R_1+R_2\) ].

Наконец, для рассеянных пользователей предлагается схема 3.99D . Управление одной кнопкой с автоматическим выключением ( с нулевым потреблением ) после пяти примерно минут работы. \(Q_1Q_2\) образуют триггер на дополнительных структурах, который удерживается в состоянии ВКЛЮЧЕНО за счёт тока через \(C_1\) . После перехода схемы в состояние ВКЛЮЧЕНО конденсатор начинает разряжаться [* заряжаться, конечно, исходно он разряжен через \(R_5\) и \(R_1\) ] через \(R_1\) с постоянной времени ∼330 s . Это некоторое приближение ко времени выключения, каковое определяется, кроме того, отношением уровня переключения \(Q_2\) и напряжением на батарее 86 . Схема чуть усложнена введением стабилитрона \(Z_1\) , который призван удерживать \(Q_3\) в полностью открытом состоянии в критичный момент, когда триггер собирается перейти в состояние ВЫКЛЮЧЕНО. В качестве \(Q_1\) взят биполярный транзистор, потому что у него точно определено пороговое напряжение выключения, но даже в этом случае останутся ещё проблемы с неопределённостью данного параметра у \(Q_2\) и \(Q_3\) .

Рис. 3.99 (D)   Включение батарейного питания без этих ваших ИМС. «Питание на пять минут» ( примерно ). Нулевое потребление в режиме ВЫКЛЮЧЕНО. p-канальный проходной МОП транзистор может быть сколь угодно мощным, см. табл. 3.4a

Во всех схемах с рис. 3.99A - 3.99D можно использовать мощные p-канальные транзисторы, например, из табл. 3.4a ( стр. 188 ). Но не стоит забывать, что мощные МОП транзисторы имеют большую входную ёмкость \(C_{ISS}\) , замедляющую смену состояний. Скажем, SUP75P05 имеет сопротивление канала всего 8 mΩ , но придётся повоевать с \(C_{ISS}\)=8500 pF ( иначе говоря, постоянная времени выключения \(R_4C_{ISS}\) составит 10 ms ). В данной задаче этот параметр ни на что не влияет. Отметим, что упомянутый SUP75P05 может переключать 50 A и будет рассеивать около ватта на рабочем токе 10 A при управляющем уровне на затворе 10 V . При такой мощности потребуется небольшой теплоотвод в виде клипсы на 2W , см. §9.4.1   87 . Напомним, что \(R_{ON}\) растёт с температурой и при 75°C составит примерно 10 mΩ .

3.5.4 Предупреждения, касающиеся переключения мощности

МОП транзисторы - удобный компонент, но проектирование схем на них не самое простое занятие из-за некоторых особенностей, способных сильно испортить жизнь. Здесь будут просто перечислены некоторые важные вопросы, которые будут рассматриваться подробно в Части X3 и _9 .

3.5.4.A Ёмкость затвора

Мощные МОП транзисторы имеют практически бесконечное входное сопротивление , но, вдобавок, входную ёмкость и ёмкость обратной связи. Причём, обе настолько большие, что быстрое переключение состояния может потребовать тока затвора, измеряемого амперами 88 . Вас может не интересовать скорость, но придётся учитывать обстоятельства: низкий ток затвора ведёт избыточному тепловыделению одновременно с увеличением произведения \(VIΔt\) из-за роста времени переключения [* см. §9.7.2.B ] . Кроме того, наличие ёмкости затвора может привести к самовозбуждению при переключении [* см. §12.1.3.A ] . Межэлектродные емкости нелинейны и увеличиваются по мере снижения напряжения ( рис. 3.100 ). Ёмкость с затвора на землю ( \(C_{ISS}\) ) требует для перезарядки ток \(i=C_{ISS}(dV_{GS}/dt)\) , а ёмкость обратной связи \(C_{RSS}\) вызывает появление на входе тока \(i=C_{RSS}(dV_{DG}/dt)\) . Последний обычно доминирует в ключах с общим истоком, т.к. \(ΔV_{DG}\) обычно гораздо больше, чем \(ΔV_{GS}\) , т.е. здесь можно видеть умножающее действие усиления по напряжению ( эффект Миллера ). Правильнее всего рассматривать эти явления через величину заряда на затворе.

Рис. 3.100   Межэлектродные ёмкости двух МОП транзисторов по графикам из их справочных данных. Емкость обратной связи \(C_{RSS}\) меньше по величине, чем входная \(C_{ISS}\) , но умножается эффектом Миллера и доминирует в переключательных схемах

3.5.4.B Заряд затвора

В ключах с общим истоком зарядка емкостей затвор-исток и затвор-сток требует обеспечить ток управления в момент изменения потенциала затвора. Кроме того, при изменении напряжения на стоке свой вклад в ток затвора вносит эффект Миллера. Все эти явления часто объединяют в один график «зависимости заряда затвора от напряжения затвор-исток» , см. рис. 3.101 .

Рис. 3.101   Заряд затвора в зависимости от величины \(V_{GS}\). Новый IRF520N с малой геометрией кристалла имеет меньшее пороговое напряжение, но сравнимый заряд затвора. Отметим, что в любом случае ёмкость справа от «полки Миллера» будет больше ( уменьшенный наклон графика \(V_{GS}\) от \(Q_G\) тому порукой ). Это результат большей межэлектродной ёмкости при низких \(V_{DS}\) ( см. рис. 3.100 )

Начальный наклон определяется зарядом \(C_{ISS}\) . Горизонтальный участок начинается в момент достижения порога включения. Здесь быстро падающее напряжение стока вытягивает из драйвера дополнительный ток, чтобы зарядить ещё и \(C_{RSS}\) ( эффект Миллера ). Если бы ёмкость обратной связи была независима от напряжения, длина горизонтального участка была бы пропорциональна исходному напряжению на стоке, после чего рост графика продолжился бы с прежним наклоном. Фактически же нелинейная ёмкость обратной связи \(C_{RSS}\) быстро растёт при снижении напряжения ( рис. 3.100 ). Это означает, что большая часть эффекта Миллера приходится на низкие уровни напряжения на стоке 89 . Именно этим объясняется изменение наклона графика заряда, а также то, что длина горизонтального участка практически не зависит от исходного напряжения на стоке 90 .

[* Здесь надо упомянуть ещё одно пренеприятное явление - обратный ток затвора, который служит причиной разрушения выходных цепей драйверов затвора, лишённых должной защиты, как на рис. 3.50 . В момент появления тока стока начинается быстрое уменьшение напряжения \(V_{DS}\) ( транзистор открывается ). Перепад от исходного потенциала стока до ∼0V вызывает появление переноса заряда ( см. §3.4.2.E ) в цепь затвора через ёмкость сток-затвор, не зря же она называется \(C_{RSS}\) - «reverse transfer capacitance» . Т.е. получаем тот же выброс напряжения в «сигнальной» цепи, как и в аналоговых ключах. Только теперь сигналом служит цепь управления затвором ].

Для проверки был собран МОП ключ с общим истоком, в затвор которого подавался управляющий перепад от источника постоянного тока . Сигналы в схеме приняли вид классических графиков, знакомых по учебникам (рис. 3.102 , кстати, это же тоже учебник? ). При постоянном токе горизонтальная шкала времени отражает также заряд. В показанном случае 3 nC на деление. На графике хорошо видны три зоны активности затвора. В зоне 1 затвор заряжается до достижения уровня переключения [* \(Q=CV\) ] . В зоне 2 потенциал затвора фиксируется на время возрастания тока стока с 0 до 40 mA ( +40 V на нагрузке 1 kΩ ). Когда напряжение на стоке опустится до земли, потенциал затвора возобновит рост ( зона 3 ), но с меньшей скоростью ( наклоном ), т.к. при нулевом напряжении сток-исток действующая входная ёмкость будет выше.

Рис. 3.102   Заряд затвора. Сигналы на ключе с общим истоком, собранном на n-канальном IRLZ34N. Нагрузка 1 kΩ на +40 V , ток затвора 0.75 mA . По горизонтали 4 μs/div , что соответствует шкале заряда затвора 3 nC/div

Отметим также, что по мере приближения к потенциалу земли график напряжения на стоке плавно загибается за счёт увеличения ёмкости сток-затвор. При постоянном токе затвора \(I_G\) увеличение \(C_{RSS}\) снижает \(dV_D/dt\) , чтобы произведение, т.е. ток обратной связи, было равно выходному току.

Эффект Миллера и заряд затвора - причина серьёзного ограничения скорости переключения, и быстрые переходные процессы в мощном транзисторе могут потребовать от драйвера затвора многих ампер. Скажем, надёжный IRF1405, упомянутый ранее, имеет \(Q_G\)≈100 nC , поэтому переключить за 10 ns его можно током \(I\)=\(Q_G/t\)=10 A ! 91 .

Чуть снизим накал. Предположим, требуется управлять типичным слаботочным 2N7000 от прямоугольного сигнала 0...5V с выхода логической схемы. Рис. 3.103 показывает, что получится, если управляющий сигнал на затвор подаётся через резистор 10 kΩ . Эффект Миллера растягивает время переключения до ∼2μs , хотя сам транзистор может переключаться в 200 раз быстрее: 10 ns по справочным данным. Впрочем, в тех же данных есть также цифра \(R_{GEN}\)=25 Ω .

Рис. 3.103   Ключ на 2N7000. Нагрузка 1 kΩ на +50 V . На затвор подаётся управляющий сигнал 5V ( логический уровень ) через последовательный резистор 10 kΩ . Эффект Миллера растягивает время переключения до ∼2μs . По горизонтали 2μs/div

О заряде затвора МОП транзисторов можно говорить долго. Можно обсудить зависимость от тока нагрузки, форму «полки Миллера» , разницу между типами транзисторов и влияние способа измерения. Все эти вопросы разбираются в дополнительных материалах в Части X3 .

3.5.4.C Ёмкость стока

В дополнение к ёмкости затвор-земля \(C_{ISS}\) МОП транзистор имеет емкость обратной связи затвор-сток \(C_{DG}\) , обычно называемую \(C_{RSS}\) , и выходную ёмкость \(C_{OSS}\) , в которую входит ёмкость сток-затвор \(C_{DG}\) и сток-исток \(C_{DS}\) . Действие ёмкости обратной связи \(C_{RSS}\) ( \(C_{DG}\) ) хорошо видно по графику заряда затвора на рис. 3.102 . Но выходная ёмкость тоже создаёт много проблем. Это ёмкость, которую приходится заряжать и разряжать в каждом цикле переключения, что приводит к расходу мощности \(P=C_{OSS}fV_{DD}^2\) . [* Цикл заряд-разряд, поэтому сокращается множитель 1/2 ] . Цифра становится очень заметной на высоких частотах, см. §9.7.2.B .

3.5.4.D Токовая и тепловая нагрузка

Справочные данные специфицируют максимальный непрерывный ток стока, но цифры даются для совершенно нереальных 25°C на корпусе. Расчёт идёт по формуле \(P_{MAX}=I_{D(MAX)}^2R_{DS(ON)}\) , если учесть, что при максимальной мощности разница температур составит \(P_{MAX}R_{ΘJC}\)=\(ΔT_{JC}\)=150°C (см. §9.4 ). Здесь предполагается, что температура перехода равна \(T_{J(MAX)}\)=+175°C . В формуле используется значение \(R_{DS(ON)}\) (max) при 175°C , которое берётся из графика зависимости \(R_{DS}\) от температуры ( см., например, рис. 3.116 ). Таким образом, \(I_{D(MAX)}=\sqrt{ΔT_{JC}/(R_{ΘJC}R_{ON})}\) . Некоторые справочные данные сообщают допустимую тепловую мощность и ток для более реалистичных 75°C или 100°C на корпусе. Это чуть лучше, но гонять транзистор при температуре перехода +175°C , не самая правильная идея, и разумнее будет снизить максимальное значение рабочего тока и допустимую тепловую мощность.

3.5.4.E Диод подложка-исток

Подложка МОП транзисторов закорочена на вывод истока, и исключений из этого правила практически нет 92 . Подложка образует с каналом p-n переход, в результате имеем диод между стоком и истоком (рис. 3.104 ). Некоторые производители прямо указывают такой диод на символе транзистора, чтобы пользователи о нём не забывали. Прямое следствие - невозможность двунаправленной работы канала, или в лучшем случае с обратным напряжением сток-исток, не превышающим одно падение на диоде. Скажем, использовать МОП транзистор для разряда интегратора с биполярным выходом нельзя, как и переключать биполярные аналоговые сигналы. Эта проблема не возникает при использовании интегральных схем , выполненных по МОП технологии ( например, аналоговых ключей ), т.к. в ИМС подложка подключается к самому отрицательному выводу схемы.

Рис. 3.104   В мощных транзисторах подложка замкнута на исток и образует диод сток-исток

Внутренний диод МОП транзистора имеет всё те же особенности обратного восстановления, что и обычные дискретные диоды. Будучи смещённым в прямом направлении, они требуют некоторого тока обратного восстановления. Проблема в том, что ток, который уберёт накопленный в переходе заряд, закончится острым индуктивным пиком в резко закрывающемся ключе. Всё это вызывает различного рода «особенности» поведения, напоминающие выбросы при работе выпрямителей. Тема разбирается в главе «Трансформатор + выпрямитель + конденсатор = огромные выбросы» [* §X9.6 ]   в Части X9   93 .

3.5.4.F Пробой затвор-исток

Ещё одной ловушкой для непосвящённых служит то, что напряжение пробоя затвор-исток ( типичная цифра ±20 V ) ниже напряжения пробоя сток-исток ( диапазон от 20V и до киловольт ). Никаких сложностей не возникает, если сигнал на затвор идёт с цифровой схемы, но, как только появляется идея управления затвором одного транзистора от сигнала на стоке другого, проблема в тот же момент встаёт в полный рост.

3.5.4.G Защита затвора

Все МОП транзисторы исключительно легко повреждаются пробоем изолирующего оксидного слоя от электростатического разряда. В полевых транзисторах с p-n переходом перенапряжение легко снимается обратимым лавинным пробоем, а в МОП транзисторах пробой - невосстановимое повреждение. Указанная причина - достаточное основание для установки последовательного резистора 1 kΩ в затвор, особенно если сигнал идёт с другой платы ( предполагается, что речь не идёт о быстрой схеме ). Последовательный резистор радикально снижает опасность повреждения, но, если оно всё же произойдёт, не позволит перегрузить источник сигнала: основным симптомом пробоя служит появление существенного постоянного тока затвора 94 . Дополнительную защиту дают два ограничительных диода с затвора на шины питания или один стабилитрон на выводе затвора. Резистор в такой конфигурации может иметь существенно меньший номинал или отсутствовать вовсе, но надо учитывать, что стабилитрон добавляет на вход ёмкость 95 . Следует избегать висящих в воздухе выводов затвора МОП транзисторов, которые особенно уязвимы в таком положении ( нет схемного пути для тока статического разряда ). Проще всего висящий вывод затвора получить, если сигнал управления идёт с другой платы. Хорошей практикой является установка подтяжки 100 kΩ...1 MΩ с затвора на землю для всех транзисторов, получающих сигнал управления с другой платы. Дополнительным плюсом будет гарантия выключенного состояния транзистора в отсутствие сигнала или питания.

3.5.4.H Правила обращения с МОП транзисторами

Затвор изолирован слоем стекла ( \(SiO_2\) ) толщиной несколько сотен нанометров ( меньше длины волны видимого света ). В результате имеем очень высокое сопротивление и отсутствие резистивного или полупроводникового пути для отвода энергии статического разряда, буде таковой случится. Классическая ситуация: вы берёте транзистор или микросхему в руки, идёте к схеме, вставляете компонент в панельку и включаете питание. А транзистор убит. И это ваша работа! Следовало прикоснуться к печатной плате другой рукой, прежде чем вставлять компонент в панельку. Это позволило бы разрядить накопленный статический заряд и убрать разницу потенциалов, которая зимой может достигать нескольких киловольт 96 . МОП приборы не скажут вам спасибо за «ковровый удар», носящий официальное название электростатический разряд ( ESD ). Для оценки электростатического заряда человеческое тело можно упростить до имитирующей цепочки из 100 pF и 1.5 kΩ 97 , называемой HBM . Зимой ёмкость может зарядиться до 10 kV и более, а простое движение руки в рукаве свитера может поднять потенциал на несколько киловольт. Вот несколько цифр способных вызвать лёгкую оторопь:

Typical Electrostatic Voltagesa

Action Electrostatic Voltage 10%-20% humidity (V) 65%-90% humidity (V) Walk on carpet 35,000 1,500 Walk on vinyl floor 12,000 250 Work at bench 6,000 100 Handle vinyl envelope 7,000 600 Pick up poly bag 20,000 1,200 Shift position on foam chair 18,000 1,500 (a) adapted from Motorola Power MOSFET Data Book.

Хотя прикончить разрядом можно любой полупроводниковый прибор, МОП компоненты особенно склонны к повреждениям, потому что энергии, накопленной в ёмкости затвора, когда напряжение на нём подходит к напряжению пробоя, достаточно для прожигания дыры сквозь тонкий слой изолятора. Если источником разряда служит человеческое тело, то дополнительные 100 pF только увеличивают повреждения. На рис. 3.105 показаны фотографии кристалла именно с таким повреждением, полученным в ходе проверок на ESD 98 . Такая неисправность называется «пробоем затвора» , что не вполне корректно. Гораздо лучше к ситуации подошло бы выражение «прободение затвора» .

Рис. 3.105   Фотография со сканирующего электронного микроскопа. 6-амперный МОП транзистор выведен из строя потенциалом 1 kV с «эквивалента человеческого тела» ( 1.5 kΩ последовательно со 100 pF ), подключённого к затвору ( с разрешения Motorola, Inc. )

Электронная промышленность относится к ESD со всей возможной серьёзностью. Вероятно, ESD является основной причиной выхода из строя полупроводниковых приборов и инструментов, не связанной со сборочными работами. На эту тему написано множество книг, а при желании можно пройти обучающие курсы по данному направлению 99 . МОП полупроводники, как и прочие нежные компоненты 100 , должны путешествовать в электропроводной упаковке. Необходимо следить за напряжениями питания паяльного оборудования и т.п. вещами при сборке схем. Лучше всего заземлять наконечник паяльника, поверхность монтажного стола и надевать антистатический браслет. Кроме того, нужен антистатический ковёр, спецодежда и даже обивка мебели ( из специальной ткани, содержащей до 2% нитей из нержавеющей стали ). Хорошее рабочее место включает контроль влажности, ионизатор воздуха ( это позволяет потоку ионов «сдувать» посторонний заряд с поверхностей ) и квалифицированный персонал. Несмотря на все эти ухищрения, падёж электронных компонентов серьёзно увеличивается в зимнее время.

После того, как элемент аккуратно впаян на своё место, шанс на его безвременную кончину резко снижается. Кроме того, большая часть интегральных компонентов с МОП транзисторами, имеют в цепях затворов встроенные ограничительные диоды. Хотя защитные цепи из резисторов и диодов или иногда стабилитронов несколько ухудшают параметры, использование подобных приёмов оправдывается существенным снижением риска повреждения статикой. Компоненты малой геометрии без защитных цепей требуют больше забот, потому что их низкая входная ёмкость при контакте с заряженным объектом получает гораздо больший потенциал. Опыты авторов над VN13 - МОП транзистором с малой площадью кристалла показали столь высокую склонность к повреждениям, что пришлось отказаться от их использования.

Сложно переоценить проблему повреждения затвора МОП транзисторов. Разработчики кристаллов осознали всю серьёзность ситуации и ввели тестирование продукции на «устойчивость к ESD». Обычная проверка предусматривает потенциал 2 kV на конденсаторе 100 pF в HBM, о чём сообщают справочные данные. Компоненты, на которые может прийти разряд из внешнего мира, например, драйвера связных интерфейсов, иногда проверяются потенциалом 15 kV ( ИМС драйверов RS-232/485 с суффиксом «-E» фирмы MAXIM ).

Тема защиты входных линий развивается в Части 12 ( §12.1.5 ).

3.5.4.I Параллельное соединение МОП транзисторов

Иногда требуется включить несколько транзисторов параллельно, чтобы выдать больше тока, рассеять больше тепла или решить обе задачи разом. Ранее сообщалось, что у биполярных транзисторов положительный температурный коэффициент +9%/°C тока коллектора, что диктует необходимость использования балластных токовыравнивающих резисторов. Для МОП приборов ситуация иная, что отмечалось в §3.5.1 . Иногда их можно параллелить без балластных резисторов ( как в насыщающихся ключах ), иногда - нет ( как в линейных усилителях ) 101 . Важным темам параллельного соединения и теплового разгона посвящён §3.6.3 .

82 ТТЛ логика работает от +5V , но ВЫСОКИЙ уровень может составлять всего +2.4 V . Данная цифра свойственна и многим другим 5-вольтовым семействам. <-

83 Один коллега авторов задействовал BT555 в своём исследовательском проекте. <-

84 Есть ещё кое-что. Для катушки заданы параметры «должна срабатывать» при 3.75 V и «должна отпускать» при 0.5 V . Кроме того, есть ещё масса сведений о контактах: рабочее напряжение и ток, число срабатываний и т.п. <-

85 Время зарядки конденсатора до нового состояния \(τ_C=R_1C_1\) должно составлять примерно 100 ms , чтобы избежать влияния дребезга контактов. Произведение \(R_3C_1\) должно быть гораздо меньше, ещё меньше должна быть постоянная времени \((R_3+R_4)C_G\) разряда затвора проходного транзистора \(Q_3\). Для схемы выбраны 100 ms , 2 ms и 0.4 ms . <-

86 Щелочная батарея «9V» начинает свою жизнь при напряжении 9.4 V , а заканчивает её при 6V ( 1V на элемент ) или даже при 5.4 V ( 0.9 V на элемент). <-

87 Если стоит обратная задача, и требуется работать с имеющимся теплоотводом, можно использовать формулу \(I=\sqrt{P}/R_{ON}\) . <-

88 МОП транзисторы последних разработок имеют чуть меньшие ёмкости, но их компактные кристаллы затрудняют отвод тепла, поэтому для мощных схем могут потребоваться варианты с большой геометрией, не имеющие преимуществ по ёмкости. <-

89 В мощных МОП транзисторах этот эффект проявляется достаточно чётко, что заметно по графику зависимости \(C_{RSS}\) от \(V_{DS}\) на рис. 3.100 . Результаты измерений показывают ещё более резкое изменение, нежели можно ожидать по графикам из справочных данных. В Части X3 объясняется, что происходит это из-за формирования внутри МОП транзистора каскодной структуры, где обеднённый ПТ [* со встроенным каналом ] ограничивает потенциал стока активного МОП транзистора, изолируя затвор последнего и сильно снижая ёмкость обратной связи. [* При каскодном включении фиксируется потенциал стока активного транзистора, т.е. нет изменения потенциала на обкладках ёмкости затвор-сток. Нет изменения потенциала, значит, нет изменения заряда, и нет зарядного тока ]. <-

90 Высота горизонтальной полки на графике ( \(V_{GS}\) ) немного зависит от тока стока, см. рисунки в ##§X3.12. <-

91 Достаточно часто приходится заботиться о времени переходного процесса , т.е. времени нахождения в зоне 2 ( сюда не входит ни задержка в зоне 1 , ни длительность зоны 3 ). По указанной причине справочные данные на МОП транзисторы отдельно сообщают \(Q_{GD}\) – «заряд Миллера» затвор-сток. Для IRF1405 \(Q_{GD}\)=62 nC , т.е. для времени переключения 10 ns требуется ток перезарядки 6.2 A . <-

92 Такие как плоскостные ПТ 2N4351 и SD210. Их выпускает Linear Systems. <-

93 Указанное явление может серьёзно осложнить жизнь в схемах, где индуктивные токи продолжают течь после прекращения режима проводимости ключа. Проблема решается внешним диодом между стоком и истоком, параллельным внутреннему диоду сток-исток. Для потенциалов в пределах 60 V можно взять диод Шоттки, но при бОльших напряжениях даже у них прямое падение будет выше, чем у внутреннего паразитного диода, и шунтировать последний не получится. Для борьбы с индуктивными токами выпускают специальные МОП транзисторы с интегрированными диодами. Такие диоды имеют мягкую характеристику восстановления и низкое значение заряда обратного восстановления \(Q_{RR}\) , и, соответственно, малое время обратного восстановления \(t_{RR}\) . Такие диоды не перегружаются большим зарядом от долгоживущего индуктивного тока. Кроме того, у них может быть долгий процесс выключения, дополнительно снижающий энергию выброса. <-

94 У МОП транзисторов с повреждённым затвором может также появиться ток стока в прежде непроводящем режиме, т.к. утечка со стока на пробитый затвор вызывает появление на затворе некоторого потенциала \(V_{GS}\) , соответствующего утечке, приводит к приоткрыванию транзистра, а значит, появлению тока стока и снижению потенциала на нём. <-

95 В мощные МОП транзисторы часто вставляли защитный стабилитрон, но теперь такие конструкции встречаются редко. Оказалось, что этот защитный элемент является основным источником неисправностей! Модели со стабилитроном имеют отметку в колонке «Gate zener» в табл. 3.4b ( стр. 189 ). <-

96 «Смоки, дружок, ты вступаешь в мир боли». “Smokey, my friend, you are entering a world of pain.” The Big Lebowski. <-

97 Не без некоторого упрощения, конечно. HBM, заряженная до 2.5 kV , разряжается импульсом 1.7 A с постоянной времени 150 ns . Есть и другие модели, например, «машинная» модель ( несколько циклов с частотой 12 kHz с разрядом до 6 A ), или «зарядовая модель устройства» ( CDM ), которая учитывает, что часть заряженного объекта с меньшим последовательным сопротивлением может разрядиться прямо в схему импульсом 6 A@2 ns . См. также §12.1.5 .   <-

98 На фото MTM6M60 с \(C_{ISS}\)=1100 pF . Она образует со 100 pF в HBM емкостной делитель, ослабляющий импульс 1 kV@150 ns до примерно 80 V . Но и эта величина запредельно высока по сравнению с \(V_{GS(MAX)}\)=20 V . <-

99 Как обычно, учёные любят устраивать учебные курсы на пустом месте . <-

100 Которые включают в себя практически всё вокруг. Малосигнальные радиочастотные биполярные транзисторы столь же уязвимы и при грубом обращении портятся почти так же легко. <-

101 Исключение: плоскостные мощные МОП транзисторы, подобные 2SK1058. <-

Previous part:

Next part: