Шапка

3.4 Ключи на полевых транзисторах (I)

Два примера, с которых начиналась эта часть, были примерами переключательных схем: с управлением от логического уровня и для коммутации линейных сигналов. Оба направления являются самыми важными областями использования полевых транзисторов. В них используются уникальные свойства полевых приборов: высокий импеданс затвора и двунаправленный резистивный характер проводимости, сохраняющий свойства вплоть до нуля вольт. На практике обычно пользуются интегральными МОП схемами, а не дискретными транзисторами 67 , во всех задачах цифровой логики и переключения линейных схем и только при управлении мощностью есть шанс поработать с отдельными транзисторами. Но даже в этом случае будет полезно и интересно разобраться, как функционируют такие микросхемы. В противном случае вы практически гарантированно вляпаетесь в какую-нибудь особо хитрую ловушку.

3.4.1 Линейные ключи на полевых транзисторах

Типичной областью использования полевых транзисторов, особенно их МОП вариантов, являются аналоговые ключи. Сочетание низкого сопротивления в замкнутом состоянии вплоть до нуля вольт и сверхвысокое сопротивление в разомкнутом положении, низкие токи утечек и небольшие ёмкости делают полевые приборы идеальными переключательными элементами с электрическим управлением для аналоговых сигналов. Идеальный аналоговый или линейный ключ ведёт себя в точности как идеальный механический переключатель: в замкнутом состоянии он пропускает сигнал в нагрузку, не внося в него искажений и не ослабляя, а в разомкнутом - выглядит как разрыв цепи. Его паразитная ёмкость на землю исчезающе мала, а наводками от цепей управления можно пренебречь.

Рассмотрим пример ( рис. 3.59 ). \(Q_1\) - n-канальный МОП транзистор в режиме обогащения . Он находится в непроводящем состоянии, когда затвор заземлён или сдвинут в отрицательную область. В этом режиме сопротивление сток-исток ( \(R_{OFF}\) ) превышает 10 GΩ и сигнал через канал не проходит ( но на высоких частотах может наблюдаться некоторое прохождение через ёмкость сток-исток, о чём разговор впереди ). Если подать на затвор +15 V , канал сток-исток перейдёт в проводящее состояние с сопротивлением 20...200 Ω у ключей, предназначенных для работы с аналоговыми сигналами. Управляющее напряжение на затворе не критично, пока оно превышает уровень сигнала в достаточной степени, чтобы поддержать низкое значение \(R_{ON}\) . Управлять ключом можно с логической схемы, возможно, используя полевой или биполярный транзистор для увеличения размаха, или даже операционный усилитель с достаточным напряжением питания. Вывод затвора в отрицательную область ( например, при использовании ОУ с биполярным питанием ) не вызовет повреждения схемы и даже наоборот позволит переключать биполярные аналоговые сигналы. Отметим, что ключ на полевом транзисторе - двунаправленный прибор: сигнал может проходить через него в любом направлении. Обычные механические ключи работают так же.

Рис. 3.59   Линейный ключ на n-МОП транзисторе. Показан вывод подложки и диод   [* рудиментарные остатки диода - стрелочка ( анод ) на конце вывода подложки ]

Показанная схема может работать с сигналами 0...+10 V . При большем уровне сигнала воздействия на затвор будет недостаточно для поддержания транзистора в полностью открытом состоянии, и \(R_{ON}\) начнёт расти, а отрицательные сигналы вызовут отпирание ПТ с заземлённым затвором ( и вызовет положительное смещение канал-подложка ). Если требуется переключать биполярные сигналы, например, ±10 V , то можно использовать ту же схему, но изменить управляющие потенциалы: –15 V=ВЫКЛ. , +15 V=ВКЛ. На подложку надо подать –15 V .

С ключами на полевых транзисторах следует озаботиться нагрузочным сопротивлением 1...100 kΩ , чтобы снизить сквозное прохождение сигнала через ёмкости транзистора в состоянии ВЫКЛЮЧЕНО. Номинал является компромиссом: меньший снижает прохождение, но будет ослаблять сигнал на делителе из себя и \(R_{ON}\) , а т.к. \(R_{ON}\) меняется вместе с величиной сигнала ( за счёт изменения \(V_{GS}\) ) в указанный сигнал будет вноситься нелинейность. Кроме того, слишком низкий номинал начнёт нагружать источник сигнала. Проблема имеет несколько решений ( многостадийное переключение, компенсация \(R_{ON}\) ), которые рассматриваются в §3.4.2 и теме Rail-to-Rail операционных усилителей в Части X4 . Очень привлекательным вариантом является использование второго ключа, который будет замыкать выход на землю, когда основной ключ в разомкнутом состоянии.

3.4.1.A Линейные КМОП ключи

Достаточно часто нужно переключать сигналы, которые могут подходить близко к уровням питания. В такой ситуации только что описанный n-канальный ключ работать не будет, потому что на пиковых уровнях сигнала не будет иметь достаточное положительное смещение затвора. Здесь поможет ключ на параллельных комплементарных транзисторах ( рис. 3.60 ). Треугольный символ на схеме - цифровой инвертор . Он превращает ВЫСОКИЙ сигнал в НИЗКИЙ и наоборот. Когда на управляющем выводе ВЫСОКИЙ уровень, \(Q_1\) находится во ВКЛЮЧЁННОМ состоянии для сигналов в диапазоне от земли до \(+V_{DD}\) без нескольких вольт, причём на верхней границе \(R_{ON}\) начинает резко расти. \(Q_2\) тоже находится во включённом состоянии ( его затвор заземлён ) и пропускает сигналы от \(+V_{DD}\) вниз до нескольких вольт выше земли. Его \(R_{ON}\) растёт рядом с уровнем земли. В результате сигнал между уровнями земли и \(+V_{DD}\) проходит через канал с низким сопротивлением ( рис. 3.61 ). Земляной уровень на управляющем выводе выключает оба транзистора, разрывая соединение. Это базовая конструкция классического «проводящего элемента» ’4066. Как и вариант на n-МОП транзисторе, он двунаправленный: входом может быть любой из выводов канала.

Рис. 3.60   КМОП ключ для аналоговых сигналов
Рис. 3.61    Сопротивление КМОП ключа в проводящем состоянии

Существует множество разнообразных интегральных КМОП ключей с разными рабочими напряжениями и разными конфигурациями ключей ( несколько идентичных секций, несколько направлений ). У истоков такого разнообразия стоят CD4066 – «аналоговый проводящий элемент», который входил в цифровое логическое семейство 4000 и мог работать в качестве аналогового ключа для сигналов из диапазона от земли до шины питания 68 . Сейчас чаще используют специализированные аналоговые ИМС, например, что-нибудь из ставшего промышленным стандартом семейства DG211. Эти микросхемы ( и их многочисленные клоны, см. табл. 3.3 на стр. 176 ) особенно удобны в использовании. На управляющий вход можно подавать логические сигналы ТТЛ уровня ( 0V=НИЗКИЙ, >2.4V=ВЫСОКИЙ ), аналоговые сигналы могут достигать уровня ±15 V ( в серии 4000 только ±7.5V ). Имеется масса различных конфигураций, а сопротивление открытого канала порядка 25 Ω . Сопротивление низковольтовых ключей может достигать долей ома. Широкую гамму таких ИМС предлагают Analog Devices, Intersil, Maxim, Vishay-Siliconix и др. производители.

3.4.1.B Линейные ключи на ПТ с p-n переходом

Большая часть аналоговых ключей оформляется, как написано выше, в виде пары параллельных МОП транзисторов, но их можно делать и на ПТ с p-n переходом. И такой вариант имеет свои достоинства.

Базовая схема приведена на рис. 3.62 . В качестве аналогового ключа используется n-канальный ПТ \(Q_1\) . Его проводимостью управляет \(Q_2\) , который подаёт на затвор большой отрицательный потенциал, чтобы прекратить проводимость канала. Отключение \(Q_2\) освобождает затвор \(Q_1\) , переводя транзистор со встроенным каналом ( обеднённый ) в проводящее состояние. Резистор \(R_1\) в затворе должен иметь большой номинал, чтобы в выключенном состоянии не нагружать выходную линию. Но чем резистор больше, тем медленнее будет включаться проводящее состояние канала. [* Он образует RC цепочку с емкостями затвора и коллектора ]. Для низкоимпедансных источников сигнала ( выход ОУ ) правильнее будет цеплять резистор на входную линию, т.е. пускать сигнал задом напрёд.

Рис. 3.62   Линейный ключ на ПТ с p-n переходом

Ключ выполнен на единственном n-канальном транзисторе, поэтому на него нельзя подавать отрицательные напряжения, т.к. в противном случае любой отрицательный сигнал будет уменьшать запирающий потенциал на затворе, а рядом с уровнем \(V_{GS(OFF)}\) откроет транзистор полностью 69 . В положительной области подобных ограничений нет.

Замечательным свойством ключей на ПТ с переходом является постоянство \(R_{ON}\) при любом уровне сигнала: затвор замкнут на исток, и зависимость \(V_{GS}\) от уровня сигнала отсутствует полностью . Ключ вообще не в курсе, что сигнал меняется ! Ситуацию иллюстрирует рис. 3.63 , на котором показаны графики зависимости \(R_{ON}\) от \(V_{SIG}\) для ключей на ПТ - SW06 и на КМОП - DG211 70 .

Рис. 3.63   В отличие от КМОП вариантов, подобных DG211 ( сплошные линии, соответствующие разным напряжениям питания ), ключ на ПТ с p-n переходом показывает замечательно плоский график \(R_{ON}\)

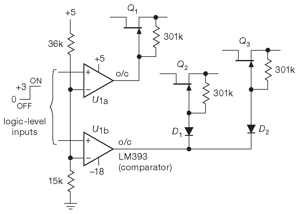
На практике неудобно управлять ключами с помощью сигналов, близких к уровням питания ( а в КМОП ключах сигналов и вовсе два ). Правильнее будет использовать какую-либо схему сдвига уровня, чтобы ключом мог управлять логический сигнал с уровнями 0 и +3V . Простой пример такой схемы показан на рис. 3.64 . Затвором ПТ управляет компаратор ( §12.3 ), имеющий выход с открытым коллектором. Для интегральных аналоговых ключей схема такого рода уже добавлена на кристалл. Есть и другие интересные схемные элементы 71 - SW06 и практически исчезнувшие DG180-189 фирмы Vishay-Siliconix.

Рис. 3.64   Компаратор с открытым коллектором на выходе с питанием +5 и –18 V превращает сигнал от 3-вольтовой логики в управляющий уровень –18 V на затворе ПТ. Данный метод используется в мультиметрах Agilent ( см. «Примеры для подражания» в §13.8.6 ), чтобы работать со входными сигналами ±12 V . Диоды позволяют использовать один сигнал для управления несколькими затворами

Аналоговые ключи на ПТ с переходом изначально более устойчивы, чем КМОП варианты. Последним требуются схемы защиты от перенапряжения, которые ухудшают прочие параметры. Зато ключи на ПТ имеют высокий уровень инжекции заряда ( см. §3.4.2.E ). Несмотря на все свои достоинства, интегрированные ключи и мультиплексоры на ПТ практически полностью исчезли. Отличные SW-01, SW-7510 и MUX-08 фирмы Precision Monolithics ( теперь Analog Devices ) ушли навсегда, но SW06 пока жив.

3.4.1.C Мультиплексоры

Отличной задачей для аналоговых ключей на ПТ является «мультиплексор» ( MUX ) - схема, которая позволяет выбрать один вход из некоторого набора с помощью цифровых сигналов управления. Аналоговый сигнал на выбранном входе будет передан на единственный выход. Базовая схема показана на рис. 3.65 . Все ключи от SW0 до SW3 относятся к КМОП типу. Адресная логика выбирает и «разрешает» ( жаргонный синоним для «включает» ) только один определённый канал, оставляя прочие разомкнутыми. Мультиплексор используется обычно в связке с цифровой схемой, которая выдаёт нужный номер ключа, он же «адрес» ( тема развивается в Частях 10 и 11 ). Типичным вариантом использования является система сбора данных, перебирающая несколько аналоговых входов один за другим и переводящая их в цифровую форму для последующей обработки.

Рис. 3.65   Аналоговый мультиплексор

Аналоговые ключи - двунаправленные элементы, поэтому показанный мультиплексор одновременно является «демультиплексором». Сигнал, приходящий на единственный «вход», будет передан на определённый «выход». При рассмотрении цифровых схем в Части 10 и 11 будет показано использование аналогового мультиплексора в обоих вариантах использования.

Типичными аналоговыми мультиплексорами являются DG408-409 и DG508-509 ( и множество улучшенных версий ), ставшие промышленным стандартом. Это 8- и 16-входовые элементы, принимающие на входах управления логические сигналы и допускающие работу с аналоговыми напряжениями до ±15 V . Элементы ’4051-4053 - семейство КМОП мультиплексоров, имеющие до 8 входов, но допускающие общий размах аналогового сигнала только 15 V . ИМС имеют вывод «VEE» ( и внутреннюю схему сдвига уровней ), позволяющий распределить рабочий диапазон на биполярный сигнал, оставляя линии управления униполярными. Авторы считают особенно удобными низковольтовые варианты элемента ’4053 ( три SPDT ключа ). Если судить по обилию предлагаемых вариантов ( см. табл. 13.7 на стр. 917 ) интерес к такой конфигурации разделяют многие.

3.4.1.D Другие применения линейных ключей

Аналоговые ключи с электронным управлением являются необходимым компонентом для построения некоторых схем на операционных усилителях, которые будут показаны в Части _4 , - интеграторах, схемах «выборки-хранения» и пиковых детекторах. Скажем, с помощью ОУ можно построить «настоящий» интегратор ( а не приближение к нему, показанное в §1.4.4 ). Постоянный уровень на входе будет создавать линейный ( а не экспоненциальный ) рост напряжения на выходе. Но такой схеме потребуется какой-то метод обнуления выхода, например, ключ на ПТ, закорачивающий выводы интегрирующего конденсатора. Основной частью схемы является операционный усилитель, поэтому разбор схемы откладывается до Части _4 .

3.4.2 Ограничения ключей на ПТ с p-n переходом

Аналоговые ключи не идеальны: у них ненулевое сопротивление канала, ненулевая утечка в разомкнутом состоянии, есть сквозное прохождение сигнала через ёмкость в разомкнутом состоянии и инжекция заряда от сигнала управления. Конкретные микросхемы можно посмотреть в табл. 3.3 на стр. 176 , а сейчас разберём ограничения.

3.4.2.A Рабочее напряжение и защёлкивание

Аналоговые ключи и мультиплексоры выпускают под три рабочих диапазона:

  1. «стандартный» или «высоковольтовый» - полный размах питания традиционных операционных усилителей ±15 V;
  2. пониженный или «средневольтовый» до ±7.5V ( или 0...+15 V ) и
  3. «низковольтовый» для сигналов ±3V ( или 0...+6V ).

Во всех случаях аналоговые ключи работают правильно, включая оговоренную величину \(R_{ON}\), для всех сигналов, доходящих до положительной и отрицательной шины питания ( исключая ключи на ПТ с переходом, вроде SW06, для которых рабочий диапазон не дотягивает до положительного источника ).

Коммутируемые сигналы выходящие за диапазон питания - тема отдельная. Все КМОП микросхемы имеют входную защиту какого-либо вида, потому что в противном случае можно легко пробить изоляцию затвора ( см. §3.5.4.H с предупреждениями по обращению ). Типовая цепь защиты показана на рис. 3.66 . Диодов может быть больше или меньше, но эквивалентная цепь состоит из двух штук, идущих на \(V_{SS}\) и \(V_{DD}\) и резистивного ограничителя тока. Если подать на вход ( или выход ) напряжение, превышающее падение на p-n переходе, защитная цепь перейдёт в проводящее состояние, замыкая вход на ближайшую шину питания через низкоимпедансное соединение. Сама микросхема при этом может войти в состояние «тиристорного защёлкивания» с последующим выходом из строя ( подробное описание этой неисправности приводится в §10.8 ). На данный момент всё, что нужно знать, - тиристорного защёлкивания надо избегать всеми мерами. Неисправность вызывается входным током через защитную цепь величиной примерно 20 mA или более. Следует соблюдать осторожность и не подавать на вход напряжения, вызывающие срабатывание защитных диодов 72 . Это означает в частности, что для большинства компонентов требуется подавать питание до подачи сигналов, способных выдать заметную мощность. Либо надо ставить в такие линии внешние защитные диоды на шины питания, чтобы случайное появление напряжения в сигнальной линии не привело к появлению тока через внутренние цепи ИМС.

Рис. 3.66   Защитная цепь на КМОП входе. Защитные резисторы на вЫходе часто исключают

Проблема диодно-резисторной защиты в том, что она увеличивает сопротивление \(R_{ON}\) , шунтиующую ёмкость и утечки. Другой путь - слой диэлектрической изоляции, исключающий тиристорное защёлкивание [* вместе с самими паразитными тиристорами ]   и не ухудшающей параметры, подобно традиционным защитным схемам. Оба метода используются в ключах с защитой , в которых сигналы могут уходить за уровни питания без повреждения ИМС. Отметим, что выходной сигнал обрезается на уровнях питания и не сопровождает входной вне этого диапазона 73 .

Например, мультиплексор MAX4508 добавляет защиту в стандартный аналоговый мультиплексор 8:1 DG508A, расширяя допустимый диапазон входных напряжений до ±30 V . Сопротивление канала \(R_{ON}\) - 300 Ω тип. Серия защищённых ключей AD7510DI использует диэлектрическую изоляцию, чтобы обеспечить допустимый входной диапазон ±25 V за пределами уровней питания при сохранении приятного сопротивления \(R_{ON}\)=75 Ω тип. в номинальном диапазоне питания. Будьте внимательны, наличие защиты - исключение в мире аналоговых ключей. БОльшая их часть ошибок не прощает.

MAXIM предлагает многоканальную защиту сигнальных линий MAX4506/07 ( три и восемь каналов ) 74 , которую можно поставить перед обычным ключом ( или любым другим компонентом ). Микросхема допускает появление на сигнальных линиях напряжений ±36 V , независимо от наличия её собственного питания, не допускает тиристорного защёлкивания при любом порядке подачи напряжений на выводы. Сигналы, попадающие в диапазон питания, выдаёт на выход в неизменном виде, а выходящие за него, обрезает на уровне питающих шин ( от ±8 до ±18 V при двуполярном питании или от +9 до +36V при однополярном ). При перегрузке связь между входом и выходом разрывается ( рис. 3.67 ). Цена ( помимо $4 и $6 ) - увеличение последовательного сопротивления на 50...100 Ω ( зависит от общего уровня питания ) и входной ёмкости до 20 pF ( таким образом, частота среза составляет ∼100 MHz ).

Рис. 3.67   ИМС защиты для сигнальных линий MAX4506-7 фирмы MAXIM предотвращает выход напряжения за шины питания, ограничивая сигнал на выходе и одновременно отключая вход. Последовательные аналоговые ключи замкнуты в нормальных условиях, но оба размыкаются, если Vin уходит за какую-либо шину питания. Логика управления показана в справочных данных

3.4.2.B Сопротивление открытого канала

Table 3.3 Analog Switches

Part #a Configb Supply Ron Qinj typ (pC) Cap typ, ON (pF) o O) O _l 0) o c o o Packages Price qty 25 ($US) Comments S' s 1— CO CL CO S' s 1— CO CL CO 3 1— D CL CO X 3 CO C\l O CO Q_ D o o CO o o split (±V) single (+V) typ@ V (0) supply (V) high voltage MAX4800-02 - - - 8:1 40 to 100 c 22 ±100 600 36 Vl S - - - 28 16.18 really HV!1 MAX326-27 4 4 - - 5 to 18 10 to 30 1500 ±15 2 6 T P - 16 16 16 6.76 low leakage2 MAX4508-09 - - - 84 4.5 to 20 9 to 36 300 ±15 2 28, 22 T P - 16 16 - 6.78 OV to ±30V MAX354-55 - - - 84 4.5 to 18 4.5 to 36 285 ±15 80 28, 14 T P - 16 16 - 8.43 OV to ±25V DG508-09 - - - 84 5 to 20 10 to 36 180 ±15 2 18, 11 T P - 16 16 16 2.56 low leakage3 ADG1211-13 w w - - 5 to 15 10 to ? 120 ±15 0.3 2.6 T P - - - 16 4.63 low C, Qjnj ADG1221-23 x x - - 5 to 16.5 5 to 16.5 120 ±15 0.1 3 T P - - - 10 3.04 low flat Qjnj AD7510-12DI 4 4 2 - 5 to 15 - 75 ±15 30 17 T P - 16 - 20 13.90 OV rails±25V SW06 4 - - - 12 to 18 - 60 ±15 - 15 T P - 16 16 20 4.30 JFET, flat Ron DG441-42 4 4 - - 4.5 to 22 5 to 24 50 ±15 2 16 Vl P - 16 16 16 2.05 1mA /supply DG211-12 4 4 - - 4.5 to 22 5 to 22 45 ±15 1 16 Vl P - 16 16 16 2.08 ADG211-12 DG408-09 - - - 84 5 to 20 5 to 30 40 ±15 20 37, 25 T P - 16 16 16 3.06 ADG408-09 ADG417-19 1 1 1 - 5 to 20 5 to 20 25 ±15 3 30 Vl P - 8 8 8 2.72 DG417-19 MAX317-19 1 1 1 - 4.5 to 20 10 to 30 20 ±15 3 30 Vl P - 8 8 - 3.34 DG411-13 w w - - 4.5 to 20 10 to 30 17 ±15 5 35 Vl P - 16 16 20 2.70 ADG411-13 DG447-48 1 1 - - 4.5 to 20 7 to 36 13 ±15 10 30 T P - - 6 - 1.14 ADG5412-13 y y - - 9 to 22 9 to 40 10 ±15 240 60 T P - - - 16 5.66 no latchup4 DG467-68 1 1 - - 4.5 to 20 7 to 36 5 ±15 21 76 T P - - 8 - 0.75 ADG467-68 mid-voltage DG4051-53 - - - 842 2.5 to 5 2.7 to 12 66 ±5 0.25 3.4 V+ P - - 16 16 1.35 Table 13.7 74HC4051-53 - - - 842 2.5 to 5 2 to 10.5 40 ±5 5, 25 V+ P - 16 16 16 0.41 Table 13.7 MAX4541-44 x x 1 - - 2.7 to 12 30 +5 1 13, 20 T P 8 8 8 8 1.33 ISL5120-23 x x 1 - - 2.7 to 12 19 +5 3 28 T P 8,6 - 8 - 1.71 ISL43210 - - 1 - - 2.7 to 12 19 +5 3 28 T P 6s - - - 1.33 ADG619-20k - - 1 - 2.7 to 5.5 2.7 to 5.5 7 +5 6 95 T P 8 - - 8 2.56 low-voltage ADG708-09 - - - 84 2.5 1.8 to 5.5 3 +5 3 96, 48 T P - - 16 - 3.01 ADG719 - - 1 - - 1.8 to 5.5 2.5 +5 - 27 T P 6 - - - 1.76 SC70='749 MAX4624-25k - - 1 - - 1.8 to 5.5 0.65 +5 65 100 T P 6 - - - 2.10 ADG884 - - 2 - - 1.8 to 5.5 0.3 +5 125 300 T P - - - 10 2.42 (5) ISL84467 2xDPDT - - 1.8 to 5.5 0.55 +3 126 102 V+ P - - 16 16 1.19 80m0 match ISL84714 - - 1 - - 1.8 to 3.6 0.44 +3 20 100 V+ P 6 - - - 1.24 5m0 match NLAS52231 - - 2 - - 1.65 to 4.5 0.38 +3 53 85 V+ P - - - 8 0.90 (6) ISL43L110-11 1 1 - - - 1.1 to 4.7 0.25 +3 72 160 V+ P 5s - - - 0.65 lowest RON T-switch, RF MAX4565-67 y y 2 - 2.7 to 6 2.7 to 12 46 ±5 25 6 T P - 16,20 16,20 4.74 video7 DG540-42 z z - - +15 & -3 30 nom 25 14 T P - 16 16 20 5.00 AD8170, 74 1 4:1 4 to 6 - NA - NA 1.1 T P - 8,14 - 5.11n MUX+amp8 ADG918-19 - - 1 - - 1.65 to 2.75 - - - 1.6 V+ P - - - 8 2.52 RF9 crosspoint AD75019 16x16 4.5 to 12 9 to 25 150 ±12 - 10 m T S - - - 44 26.20 20 MHz ADG2188 8x8 4.5 to 5.5 8 to 12 34 ±5 3 9.5 Vl i - - - 32 9.37 200 MHz MAX4359-60 4x4, 8x8 4.5 to 5.5 - x1 buf - NA 8 T P, ser - 40 24 44 9.68n 35 MHz MAX9675 16x16 2.5 to 5.5 - x1,x2 buf - (g) 5 Vl S - - - 100 24.14 110 MHz MAX4550, 70 dual 4x2 2.7 to 5.5 2.7 to 5.5 43 ±5 7 11o V+ S or I - 2 - 28 6.39 audio10 Notes: (a) listed within categories by decreasing Ron; all are CMOS except SW06; parts in bold italic are widely used “jellybeans.” (b) numerals represent quantity of each switch type in a single package; letters refer to explanatory footnotes for successively numbered parts. (c) Uneg at least -15V, Upos at least +40V, total no more than 200V. (d) T=TTL thresholds; V|_=external logic threshold supply; V+=”CMOS” threshold, depends on positive analog supply voltage. (e) P=parallel logic inputs; I=I²C serial; S=SPI serial. (g) 50mV glitch. (h) 0.1dB to 14MHz, -95dB xtalk at 20KHz & RL=10k, tHd+N=0.014% (RL=1k, f=1kHz). (k) second p/n is make-before-break. (m) min or max. (n) higher p/n is ~50% more. (o) switch OFF. (s) SC-70. (u) SPDT are break-before-make unless noted otherwise. (v) 84=8:1 & dual 4:1; 842=8:1, dual 4:1, & triple 2:1. all dual 4:1 have single 2-bit address. (w) 4xNC, 4xNO, 2 each. (x) 2xNO, 2xNC, 1 each. (y) 4xNO, 2 each. (z) 4xNO, 4xNO, 2 each. Comments: (1) Supertex HV2203. (2) 1pA typ. (3) 3pA typ; /s=10|tA typ. MAX308-09 is similar. (4) 8kV HBM ESD. (5) 0.40@Vs=+3V; 400mA; -3dB/500@18MHz. (6) low Ron, e.g. speaker switch. (7) -3dB@350MHz, -90dB xtalk@10MHz. (8) 250 mHz; ext gain set. (9) -3dB at 4GHz, -30dB xtalk at 4GHz. (10) clickless.

КМОП ключи, работающие при относительно высоком питании ±15 V будут иметь низкое \(R_{ON}\) при любом уровне сигнала, потому что как минимум один транзистор будет иметь прямое смещение на затворе не менее половины питания. Но, если общий уровень питания их невелик, сопротивление канала начинает расти, приобретая выраженный максимум в средней точке. Рис. 3.68 показывает, как это происходит. В полевом транзисторе, работающем в режиме обогащения \(V_{GS}(th)\) составляет минимум несколько вольт, и, чтобы иметь низкое \(R_{ON}\) , требуется напряжение \(V_{GS}\)=5...10 V . В результате при снижении уровня питания растёт и среднее сопротивление параллельного соединения транзисторов, и пиковое значение на уровне половины рабочего диапазона. Начиная с какого-то уровня питания, ключ перестаёт пропускать сигналы, близкие к уровню \(V_{DD}\)/2 .

Рис. 3.68   Сопротивление \(R_{ON}\) аналогового КМОП ключа растёт по мере снижения уровня питания

Существует множество приёмов, которые разработчики кристаллов используют для снижения величины \(R_{ON}\) и повышения его стабильности ( для снижения искажений ) при изменении уровня сигнала. Например, оригинальный ключ ’4016, использовавшийся в схеме 3.60 имеет график \(R_{ON}\) по уровню сигнала как на рис. 3.69 . В улучшенной версии микросхемы - ’4066 - были добавлены ещё несколько транзисторов, чтобы напряжение на n-канальной подложке повторяло сигнал. Результирующий график \(R_{ON}\) показан на рис. 3.70 . Улучшенные ключи для серьёзных задач, подобные промышленному стандарту DG408-09, имеют чуть лучшие характеристики. Их \(R_{ON}\) ниже и меняется не более чем на 10% по всему диапазону сигнала. Очень часто подобные улучшения идут в паре с увеличенным уровнем переноса заряда ( §3.4.2.E ).

Рис. 3.69   Сопротивление \(R_{ON}\) КМОП ключа ’4016
Рис. 3.70   Сопротивление \(R_{ON}\) улучшенного КМОП ключа ’4066. Обратите внимание на изменение вертикального масштаба

[* Гляньте заодно на рис. 10.100   и текст на стр. 760 , поясняющий проблемы в работе транзисторов выходного каскада КМОП логики. Там, правда, речь идёт о сквозном токе, который для логики крайне нежелателен, а вот в аналоговых ключах это тот самый линейный сигнал, который, собственно, ключ и коммутирует. Только в аналоговом исполнении ключ развёрнут на 90° и перемыкает не шины питания, а соединяет вход с выходом. А ещё транзисторы не последовательно, а параллельно включены. Короче, вы поняли, не Рабинович, а Иванов, не «Волгу», а три рубля, и не выиграл, а проиграл. Но всё равно гляньте ].

Просматривая таблицы выбора ключей, предлагаемые производителями, можно обнаружить, что стандартные значения \(R_{ON}\) могут составлять несколько ом, а неравномерность не превышает десятых долей ома. Для низковольтовых моделей цифры составляют 0.25 Ω и 0.03 Ω . Столь высокие статические характеристики сопровождаются высокой ёмкостью и большим уровнем переноса заряда ( см. табл. 3.3 ). Если задача требует низких искажений, а нагрузка умеренная, возможно, наилучшим решением будет взять ключ с отличной «стабильностью \(R_{ON}\)» и низкой ёмкостью, смирившись с высоким значением сопротивления \(R_{ON}\) .

Учитывайте, что в некоторых случаях проблемы с параметрами ключей обходятся с помощью иных схемных решений. Например, на рис. 3.71 показаны три подхода к выбору одного сигнала из двух возможных. Коэффициент передачи схемы 3.71A составляет \(R_2/(R_1+R_{ON})\) , поэтому изменение \(R_{ON}\) вместе с сигналом приводит к изменению усиления и нелинейности. Схема 3.71B лучше, потому что выход ключа удерживается под потенциалом земли цепью обратной связи ОУ, но сопротивление канала по-прежнему несколько снижает коэффициент усиления, ухудшая точность схемы. Вариант 3.71C изящно обходит проблемы ненулевого сопротивления ключа за счёт сверхвысокого входного импеданса ОУ. Эта самый точный и линейный метод из трёх.

Рис. 3.71   Компенсация непостоянства сопротивления канала в аналоговых ключах. Три способа выбора одного сигнала из пары с буфером в виде ОУ на выходе

Описанный подход можно применять и в других схемах. На рис. 3.84 ( стр. 182 ) аналоговый мультиплексор используется для выбора общего усиления схемы. На рис. 3.84A сопротивление \(R_{ON}\) включено последовательно с резистором, устанавливающим коэффициент передачи, и вносит ошибку и в точность, и в линейность. И наоборот, схеме 3.84B безразлично сопротивление ключа, которое теряется на фоне бесконечного ( >10 12 Ω ) входного импеданса ОУ.

Ещё одним приёмом является использование двух идентичных ( или близких к таковым ) ключей на ПТ с p-n переходом. Эта элегантная техника описывается в Части X4 в главе «Линейные ключи на ПТ с p-n переходом с компенсацией \(R_{ON}\)».

3.4.2.C Скорость

Высоковольтовые ключи на полевых транзисторах имеют сопротивление канала \(R_{ON}\) в диапазоне от 20 до 200 Ω 75 . В сочетании с ёмкостью подложки и распределёнными паразитными емкостями образуются постоянные времени, ограничивающие рабочие скорости частотой примерно 10 MHz ( см. рис. 3.72 ). Полевые транзисторы с меньшим сопротивлением канала имеют большую ёмкость ( 50 pF и более ), поэтому не дают никакого выигрыша по скорости ( но разработчик может иметь и иные интересы ). Сильнее всего портит полосу цепь защиты - токоограничительный резистор и шунтирующие диоды.

Рис. 3.72   Паразитные параметры КМОП ключа ограничивают полосу передаваемого сигнала

Правда, современные низковольтовые ключи работают всё же быстрее ( как это обычно бывает со схемными элементами малой геометрии ). Например, популярные ключи ADG719 ( ±2.5V ) имеют \(R_{ON}\)=2.5Ω , ёмкость 27 pF и полосу 400 MHz . Существует целый класс ключей и мультиплексоров для радиочастотных и видеоприложений. В их число входят пассивные ( небуферированные ) модели и ключи с усилителем ( «активные» или «буферированные» ). Активные ключи работают от источника +5V или ±5V и выпускаются под фиксированный коэффициент усиления или ( последний нужен для последовательного согласования с 50- или 75-омной линией передачи, которое уменьшает сигнал в два раза [* см. §12.10.2.B и Приложение _H ] ). В некоторых случаях сигнал устанавливается парой внешних резисторов. Примером последнего служит AD8174 - 4-входовой мультиплексор с рабочей полосой 270 MHz при усилении +1 или +2 ( при более высоких уровнях усиления полоса сужается, например, при G=+10 она составляет 55 MHz ).

Для некоторых специальных задач могут потребоваться по-настоящему быстрые аналоговые ключи, например, ADG918-19, упомянутые в табл. 3.3 ( стр. 176 ). Они пригодны для работы на скоростях до 2GHz ( уровень «-3dB» лежит на 4GHz ). Такие компоненты используются в беспроводной связи, например, при переключении между альтернативными источниками сигнала или при маршрутизации гигагерцового потока по разным сегментам сети. Чтобы снизить взаимное влияние каналов ( «crosstalk» ) в таких широкополосных схемах используют T-образную топологию ключей ( см. рис. 3.77 ).

3.4.2.D Ёмкость

У ключей на полевых транзисторах имеются ёмкости между входом и выходом ( \(C_{DS}\) ), между каналом и землёй ( \(C_D\) , \(C_S\) ), между затвором и каналом, наконец, между разными ключами в одном корпусе ( \(C_{DD}\) , \(C_{SS}\) ), см. рис. 3.73 . Посмотрим, на что эти ёмкости влияют.

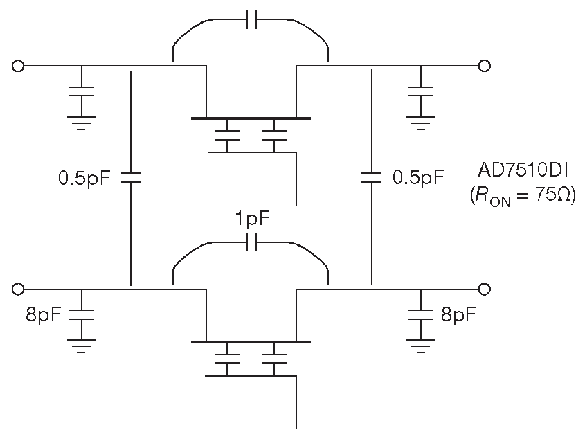
Рис. 3.73   Ёмкости между отдельными ключами в AD7510 вызывают появление сильного взаимного влияния изолированных секций друг на друга

Ёмкость между входом и выходом

Ёмкость между входом и выходом \(C_{DS}\) позволяет сигналу просачиваться через закрытый ключ, причём степень прохождения увеличивается с частотой. На рис. 3.74 показано, как эффект проявляется в DG211 и DG411. Отметим, что на графике присутствует кривая для нагрузки 50 Ω , которая является стандартной для радиочастотных трактов, но сильно выше нормальной нагрузки низкочастотных схем, для которых обычной цифрой является 10 kΩ и более. Но даже с 50 Ω сквозное прохождение имеет на высоких частотах заметную величину ( 1 pF имеет реактивное сопротивление 5 kΩ на 30 MHz и вызывает сквозное прохождение на уровне –40 dB ). При работе на 50 Ω сигнал сильно и неравномерно ослабляется, потому что указанные ИМС имеют номинальную величину \(R_{ON}\)=45±17 Ω . При нагрузке 10 kΩ ситуация со сквозным прохождением много хуже [* зато с линейностью полегче ] .

Рис. 3.74   Сквозное прохождение высокочастотного сигнала в аналоговых ключах. Уровень прохождения снижается с уменьшением сопротивления нагрузки и гораздо ниже для T-образной конфигурации ключей ( “T-switch” )

Упражнение 3.5
Подсчитайте сквозное прохождение через ключ с \(C_{DS}\)=1 pF на частоте 1 MHz при нагрузке 10 kΩ .

В большинстве низкочастотных схем сквозное прохождение проблем не составляет, но, если вдруг это не так, то лучшим вариантом будет использование каскадных ключей ( рис. 3.75 ) или двух ключей - последовательного и шунтирующего, активирующихся попеременно ( рис. 3.76 ). Последовательное каскадирование удваивает ( в децибелах ) аттенюацию в обмен на увеличение сопротивления \(R_{ON}\) , а последовательно-параллельная ( т.е. переключательная - SPDT [* см. §1.9.1.A ] ) конфигурация снижает прохождение, сокращая номинал нагрузки для выключенного последовательного ключа до уровня \(R_{ON}\) . Некоторые коммерческие модели выполняются из трёх ключей в виде T-цепи ( рис. 3.77 ), чтобы достичь низких цифр прохождения в любом направлении. Данная конфигурация совершенно прозрачна для пользователя и может быть выявлена только по отличным цифрам изоляции, как на рис. 3.74 ( если, конечно, о занесении их в справочные данные кто-то побеспокоился ).

Рис. 3.75   Каскадирование ключей для снижения сквозного прохождения
Рис. 3.76   Использование двух ключей в переключательной конфигурации для снижения сквозного прохождения

Упражнение 3.6
Подсчитайте сквозное прохождение сигнала для рис. 3.76 , предполагая, что нагрузка составляет 10 kΩ , частота 1 MHz , \(C_{DS}\)=1 pF , а \(R_{ON}\)=50 Ω .

Рис. 3.77   T-образная конфигурация , снижающая сквозное прохождение

Большая часть КМОП SPDT ключей разрывает соединение перед новым подключением ( BBM ), чтобы источники сигналов никогда не закорачивались друг на друга при работе. В некоторых случаях требуется противоположное свойство - создание нового соединения перед разрывом старого ( MBB ). Примером такого случая является цепь переключения коэффициента передачи на схеме 3.84B . Некоторые модели ключей выпускают в обоих вариантах, например ASG619 ( BBM ) и ADG620 ( MBB ), см. табл. 3.3 .

Шунтирующие ёмкости на землю
Шунтирующие ёмкости между каналом и землёй \(C_D\) и \(C_S\) вызывают упомянутый выше спад на высоких частотах. Для нагрузок с большим импедансом ситуация ухудшается, но даже для низкоомных цепей, \(R_{ON}\) ключа в паре с ёмкостью на выходе образует фильтр низких частот. Упражнение показывает, как это происходит.

Упражнение 3.7
AD7510 ( ИМС выбрана за полный набор емкостей в справочных данных, рис. 3.73 ) стоит между источником сигнала с импедансом 10 kΩ и нагрузкой 100 kΩ . На какой частоте лежит точка «-3dB»? Повторите расчёты для достаточно жёсткого источника, учитывая, что \(R_{ON}\)=75 Ω .

Ёмкость между затвором и каналом
Ёмкость между управляющей линией и каналом вызывает эффект иного рода, а именно: отвратительные маленькие выбросы на сигнале при включении и выключении соединения. Явление требует развёрнутого обсуждения, которое отложено до §3.4.2.E .
Ёмкости между различными каналами
Если в корпусе используемой микросхемы на кристалле величиной с рисовое зерно располагается несколько ключей, наличие некоторой связи между ними ( “crosstalk” ) удивлять не должно. Источником проблем являются \(C_{DD}\) и \(C_{SS}\) - емкости между отдельными изолированными каналами. Явление усиливается с ростом частоты и с увеличением импеданса в канале, на который идёт наводка. Рассчитайте эффект самостоятельно.

Упражнение 3.8
Рассчитайте уровень связи в децибелах между двумя каналами \(C_{DD}\)=\(C_{SS}\)=0.5 pF ( рис. 3.73 ) для импедансов из предыдущего упражнения. Сигнал наводки имеет частоту 1 MHz . Надо подсчитать наводку с (a) разомкнутого ключа на разомкнутый, (b) с разомкнутого ключа на замкнутый, (c) с замкнутого на разомкнутый и (d) с замкнутого за замкнутый.

Из данного упражнения должно быть ясно, почему большая часть широкополосных радиочастотных схем использует сигналы с низкими импедансами, обычно 50 Ω . Если проблемы с наводками серьёзны, используйте для каждого сигнала отдельную микросхему ключа.

3.4.2.E Выбросы и инжекция заряда

В момент включения и выключения в полупроводниковом аналоговом ключе происходят очень неприятные вещи. Сигнал управления, поданный на затвор, взаимодействует через емкостную связь с переключаемым сигналом, внося в последний наводки от фронтов. Наиболее серьёзные проблемы, как обычно, у сигналов с высоким импедансом. У мультиплексоров эффект возникает в момент смены адреса или при кратковременном замыкании линий, если время выключения больше, чем время включения ( т.е. в MBB варианте ключа ). Похожему некорректному поведению подвержены некоторым старые модели. Например, ’4066 кратковременно замыкает линию на землю в момент изменения состояния.

Рассмотрим проблему подробнее. На рис. 3.78 показана типичная картина, которую можно наблюдать на выходе n-канального МОП ключа, подобного 3.59 . На входе сигнал 0V , на выходе нагрузка 10 kΩ и ёмкость 20 pF на землю. Это реалистичный эквивалент схемного окружения аналогового ключа. Броски в сигнальной линии возникают при переносе заряда с линии затвора в канал через емкостную связь между ними в момент изменения потенциала затвора. На затворе возникает резкий переход потенциала с одного уровня на другой, в данном случае между ±15 V , и происходит передача порции заряда. \[ Q = C_{GC}[V_G(finish) — V_G(start)] \quad . \qquad \qquad \qquad \]

Рис. 3.78   Выбросы при переносе заряда в сильно увеличенном виде

Здесь \(C_{GC}\) - ёмкость затвор-канал. Типовые цифры лежат в районе 5 pF . Отметим, что общий заряд, попадающий в канал ( «перенос заряда» или «инжекция заряда» ) определяется только общим изменением напряжения на затворе и никак не зависит от продолжительности такого изменения [* в формуле заряда \(Q=CV\) время не участвует ] . Если увеличить длительность изменения сигнала на затворе, то амплитуда импульсов на выходе снизится, но за счёт увеличения времени общая площадь под графиком не изменится. Точно такой же эффект вызовет ФНЧ на выходе ключа. Если предметом забот является амплитуда выбросов, такой приём поможет, но на общей перенос заряда с затвора не повлияет. В некоторых случаях ёмкость затвор-канал известна достаточно точно, что позволяет скомпенсировать выбросы за счёт подмешивания в сигнал инвертированной версии импульса на затворе через небольшой подстроечный конденсатор.

Ёмкость затвор-канал распределяется по всей длине канала, т.е. какой-то заряд передаётся и во входную цепь. В результате выброс на выходе зависит от импеданса источника и минимален, когда в таком качестве выступает источник напряжения. Снижение импеданса нагрузки уменьшает выбросы, но заодно нагружает источник и добавляет нелинейности из-за вполне заметного значения \(R_{ON}\) . Наконец, при прочих равных условиях ключ с меньшей ёмкостью затвор-канал вызовет меньшую амплитуду выбросов, но заплатить за это придётся увеличением \(R_{ON}\) .

На рис. 3.79 приведены данные для набора аналоговых ключей, включая варианты с p-n переходом, по переносу заряда в удобной для сравнения форме. В КМОП ключах внутренний сигнал на затворе имеет полный перепад питания ( т.е. \(ΔV\)=30 V для ключа с питанием ±15 V ). В ПТ с переходом потенциал на затворе меняется с –15 V до напряжения сигнала. В таких ключах имеется прямая зависимость выброса от уровня сигнала, т.к. перепад на затворе равен разнице между сигналом и уровнем –15 V . Хорошо сбалансированные КМОП ключи имеют относительно низкую инжекцию, потому что заряды от противоположных ветвей канала стремятся скомпенсировать друг друга ( сигнал на одном затворе растёт, а на другом падает ). Чтобы задать масштаб, заметим, что заряд 30 pC вызовет выброс 3 mV на конденсаторе 0.01 μF . Это достаточно большой фильтрующий конденсатор, т.е. понятно, что проблема вполне реальна, ведь 3 mV - хорошо заметная величина, если речь идёт о низкоуровневых сигналах.

Рис. 3.79   Перенос заряда для различных линейных ключей на ПТ как функция от амплитуды управляющего сигнала по цифрам из справочных данных

На рис. 3.80 несколько представителей с низким переносом показаны в увеличенном масштабе. У ключей, оптимизированных для низкой инжекции заряда, данный факт обычно заявляется в первых строках справочных данных. Например, для ADG1221 жирный шрифт прямо объявляет: «Сдвоенный ±15/+12 V SPDT ключ с низкой ёмкостью и малой инжекцией заряда». Не слишком мелодично, но вполне практично!

Рис. 3.80   Нужны аналоговые ключи с низким переносом заряда? Вот данные нескольких кандидатов, нарисованные в сильно увеличенном масштабе. Три пунктирные кривые относятся к DG4051 c ±5 , +5 и +3V питания. Загляните в справочные данные на DG4053 - это три SPDT ключа в одном корпусе

В точном соответствии с ожиданиями ключи с меньшим сопротивлением канала показывают больший уровень переноса заряда. На рис. 3.81 тренд показан в виде зависимости переноса заряда \(Q_{INJ}\) от сопротивления канала \(R_{ON}\) для низковольтовых аналоговых КМОП ключей фирмы Analog Devices.

Рис. 3.81   Диаграмма зависимости между величиной инжекции заряда \(Q_{INJ}\) и сопротивлением канала \(R_{ON}\) для низковольтовых аналоговых ключей Analog Devices показывает типичную дилемму разработчика

3.4.2.F Прочие ограничения

Есть некоторые дополнительные параметры аналоговых ключей, которые могут быть важны или не важны для какой-то конкретной задачи. В их число входят: время переключения, время установления, задержка в режиме BBM, ток утечки канала в состоянии ВКЛЮЧЕНО и ВЫКЛЮЧЕНО, ток покоя, входной ток в состоянии перенапряжения, согласованность \(R_{ON}\) в многоканальных микросхемах и температурный коэффициент \(R_{ON}\) . Остановимся здесь, а читатель, которому нужны такие подробности, отыщет их сам, когда дело того потребует.

67 Это не добровольный выбор, но суровая реальность. Малосигнальные дискретные МОП транзисторы - исчезающий вид ( и, возможно, нуждается в законодательной защите ). <-

68 В таком варианте они могут переключать и логические сигналы, потому и включены в состав логического семейства. <-

69 На самом деле главное - не подходить слишком близко к уровню \(V_{GS(OFF)}\) ( см. §3.1.3 ), т.к. он определяется как напряжение затвор-исток, при котором течёт некоторый хотя и ненулевой, но очень малый, ток стока ( обычно выбирают 10 nA ). <-

70 Небольшие изменения \(R_{ON}\) вызваны процессами в подложке. SW06 - интегральная схема, выполненная на едином кристалле, поэтому ПТ и окружающие компоненты имеют некоторое представление об абсолютном уровне сигнала. Если даже такие мелочи недопустимы, можно собрать вариант на отдельных транзисторах, как на рис. 3.62 , который можно встретить в точных цифровых вольтметрах Agilent. <-

71 Подобный внутреннему МОП ключу, который отсоединяет резистор в затворе ( \(R_1\) на рис. 3.62 ) когда транзистор ВЫКЛЮЧЕН, чтобы снять нагрузку со схемы. <-

72 Данное предупреждение в равной мере относится и к цифровым КМОП микросхемам. <-

73 Но есть парочка необычных исключений. MAX14778 – «сдвоенный ±25V аналоговый мультиплексор 4:1 , допускающий выход сигнала за шины питания». Работает от однополярного источника от +3 до +5V и не только спокойно переносит появление сигналов в диапазоне ±25 V , но и корректно с ними работает. Как так получается? Оказывается, внутри ИМС имеется схема накачки заряда ( §3.4.3.D ) для питания сигнальных цепей. Интереснее то, что сопротивление канала очень низко ( 1.5 Ω ) и очень слабо зависит от напряжения сигнала, меняясь на 0.003 Ω во всём диапазоне ±25 V . Ток сигнала может достигать 300 mA . ИМС предназначена для задач, требующих переключения внешних сигналов большой амплитуды, когда в наличии только однополярное низковольтное питание. К сожалению, выпускается только в безвыводном корпусе TQFN. <-

74 Analog Devices предлагает одноканальный аналог ADG465 в удобном корпусе SOT23-6. <-

75 Напомним, что можно найти ключи с меньшим \(R_{ON}\) ( вплоть до 0.25 Ω ), но с большей ёмкостью, увеличенной инжекцией заряда и меньшим рабочим диапазоном сигнала. <-

Previous part:

Next part: