Шапка

12.10 (I) Передача сигналов по согласованной линии

Передать цифровой сигнал между двумя приборами, просто повесив один провод между ними, нельзя. Дело в том, что такое соединение не только является распахнутыми воротами для наводок снаружи и излучения энергии самим проводником, но и серьёзно ухудшает параметры передаваемого сигнала. [* Странно, не сказали, что надо замыкать путь тока и вешать два провода: сигнальный и земляной ( возвратный ) ] . Цифровые сигналы чаще всего передают по коаксиальному кабелю, витой паре, плоскому гибкому шлейфу ( иногда включающему земляную фольгу с одной стороны ), многожильным кабелям, собранным в общую оболочку и, естественно, по оптическим волокнам 59 . Рассмотрим методы передачи цифровых сигналов между приборами, т.к. это важная часть задачи сопряжения электронных устройств. В большинстве случаев имеются пары ИМС передатчик-приёмник, которые существенно облегчают задачу.

12.10.1 Коаксиальные кабели

Если вам никогда не приходилось иметь дело с сигналами, идущими по коаксиальному кабелю, то действительность вас удивит.

12.10.1.A Неправильный путь

Вот стандартная ошибка, встречающаяся снова и снова. У вас есть интерфейсная карта «дискретного ввода-вывода», например, PCI-6509 популярного производителя измерительной периферии National Instruments. Железка вставляется в PCI слот на материнской плате и выводит на заднюю панель 96 индивидуальных двунаправленных линий. Это 12 байт, и каждый байт может работать на ввод или на вывод. В качестве выхода линия имеет полный диапазон сигнала 5-вольтовой КМОП логики ( т.е. 0V и +5V ) и приличную нагрузочную способность 24 mA входного или выходного тока. Цифры, достаточные, чтобы без труда включить твердотельное или сигнальное электромеханическое реле, светодиод и т.п. нагрузку 60 .

В чём же ошибка? А в том, что сигналы с такого разъёма пытаются подключать к коаксиальному кабелю и ожидают получить их на другом конце в целости и сохранности ( рис. 12.102A ). Ход мысли такой. У нас есть как минимум ±24 mA тока, т.е. мы можем спокойно переключать ∼200 pF или 2 m коаксиального кабеля ( \( C \)=100 pF/m ). Кроме того, в соответствии с уравнением \(I=C( dV/dt )\) длительность фронта ∼20 ns предполагает при такой нагрузке ток переключения ∼40 mA . Что не так-то?

Рис. 12.102    (A) Подключение кабеля непосредственно к выходу ИМС порождает на приёмном конце сложную смесь выбросов и сигналов противоположной полярности. (B) Добавление последовательного резистора 50 Ω волшебным образом излечивает недуг

Проблема в том, что коаксиальный кабель должен рассматриваться как линия передачи, а не как простая сосредоточенная ёмкостная нагрузка, т.к. речь идёт о распространении сигналов с временем переключения, сравнимым ( или меньшим ) с общим временем прохода фронта сигнала по кабелю и возвращения обратно на вход. Если подключить кабель непосредственно на выход микросхемы, на дальнем конце получится непонятная мешанина, включающая выбросы с выходом за уровни питания и кратковременную смену полярности, которая не позволит восстановить сигнал правильно, а то и просто сожжёт входные цепи приёмника. Все проблемы волшебным образом исчезают, если добавить резистор 50 Ω между передатчиком и входом кабеля ( рис. 12.102B ): на выходе появляется точная копия входного сигнала.

Рассмотрим ситуацию подробнее. Начнём с «неправильного» подключения, пройдём через три метода решения проблемы, каждый со своими плюсами и минусами и завершим тему способом, показанным на рис. 12.102B и известным как «последовательное согласование», который хорошо подходит для цифровых сигналов 61 .

Чтобы сделать проблему нагляднее, была собрана схема 12.103 и подключена к источнику сигналов. Результаты можно наблюдать на рис. 12.104 , 12.105 и 12.106 . Рис. 12.104 показывает ситуацию с никуда не подключённым дальним концом кабеля. Первый фронт добирается до дальнего конца через 12 ns [* стандартная задержка примерно 5 ns/m ] и отскакивает от него ( полярность не меняется ), создавая сигнал удвоенной амплитуды [* фронт отражается от открытого конца и движется в обратном направлении к драйверу ] . Когда фронт пройдёт туда-обратно несколько раз, постоянно меняя полярность возле драйвера, сигнал на открытом конце превратится в кашу, и каждое отражение добавит в результат новый переход состояния. На открытом конце в итоге возникает какой-то ужас с перепадами от +8 до –6V , а на входе-то сигнал от 3.3-вольтовой логики. А представьте, что будет, если на дальний конец повесить приёмник!

Рис. 12.103   Тестовая схема, пытающаяся передать цифровой сигнал по длинному кабелю без согласования. Результаты можно наблюдать на рис. 12.104 , 12.105 и 12.106 . Так делать не надо!
Рис. 12.104   Сигнал со схемы 12.103 , полученный при прохождении импульса длительностью 20 ns по кабелю RG-58 длиной 2.4 m , конец которого никуда не подключён. Цифровой сигнал от 3.3-вольтовой логики вызывает появление на дальнем конце кабеля выбросов амплитудой 15 Vpp ! По горизонтали 40 ns/div , по вертикали 3 V/div

Впрочем, поберегите воображение. Рис. 12.105 показывает, как меняет ситуацию вход логического элемента с питанием те же 3.3 V на дальнем конце. Защитные диоды на входе ограничивают распоясавшийся сигнал. В отрицательной области уровень ограничивается одним падением на p-n переходе, но в положительном направлении остаются те же +8V , т.к. ’LVC1G04 имеет 5V-совместимые входы [* т.е. верхнего защитного диода нет ] . Ситуация отвратительная, и наличие лишних переходов в выходном сигнале удивлять не должно.

Рис. 12.105   Схема 12.103 , но на дальнем конце подключён инвертор ’LVC1G04. Защитные диоды на входе вентиля ограничивают амплитуду сигнала на кабеле. Вся эта нездоровая ситуация порождает ложные срабатывания приёмной схемы и способна разрушить её
Рис. 12.106   Схема 12.103 , но с питанием 5V ( драйвер ’LVC2G04, приёмник ’HCT04 ). Обратите внимание на существенный ток в ограничивающей схеме и неправильное восстановление сигнала на выходе. По горизонтали 40 ns/div , по вертикали 5 V/div и 20 mA/div

Вернёмся к исходному примеру: 2 m кабеля на выходе карты дискретного ввода-вывода, с мощными 5-вольтовыми драйверами и какой-нибудь приёмник. Скорее всего, это будет ’HCT04 ( 5-вольтовая логика с ТТЛ порогом ∼1.4 V ). На рис. 12.106 показано, что будет происходить. Печальная картина. На болтающемся дальнем конце сигнал частично ограничивается, но всё равно достигает в пиках +10 и –5V при ограничении ±25 mA . Цифры превышают указанную в разделе «Абсолютные максимальные значения» величину ±20 mA 62 . На логическом выходе - мусор. Понятно, что выполнять подключение таким образом нельзя.

12.10.2 Правильный путь I: согласование на дальнем конце ( параллельное )

Решение заключается в согласовании кабеля с помощью сопротивления, равного характеристическому импедансу [* волновому сопротивлению ]   \(Z_0\) ( см. Приложение _H ). Для большинства коаксиальных кабелей оно равно 50 Ω ( резистивное ) 63 . Есть три различных способа согласования: на дальнем конце ( «параллельное» или «прямое согласование» ), на обоих концах ( «двойное» ) и на ближнем конце ( оно же «последовательное», «согласование источника» или «обратное согласование» ).

Согласование на дальнем конце понять проще всего, см. рис. 12.107 . Один из удивительных фактов о линиях передачи ( см. Приложение _H ) заключается в том, что добавление на дальнем конце линии резистора \(R=Z_0\) полностью подавляет отражения и, более того, превращает для передатчика согласованный таким образом кабель в чисто резистивную нагрузку величиной \(R\) . Удивителен этот факт тем, что исчезает вся емкостная нагрузка .

Рис. 12.107   Накачка 50-омного кабеля, согласованного на выходном конце, цифровым выходом. Если не учитывать потери в кабеле, форма и амплитуда на выходе полностью соответствует таковым у входного сигнала

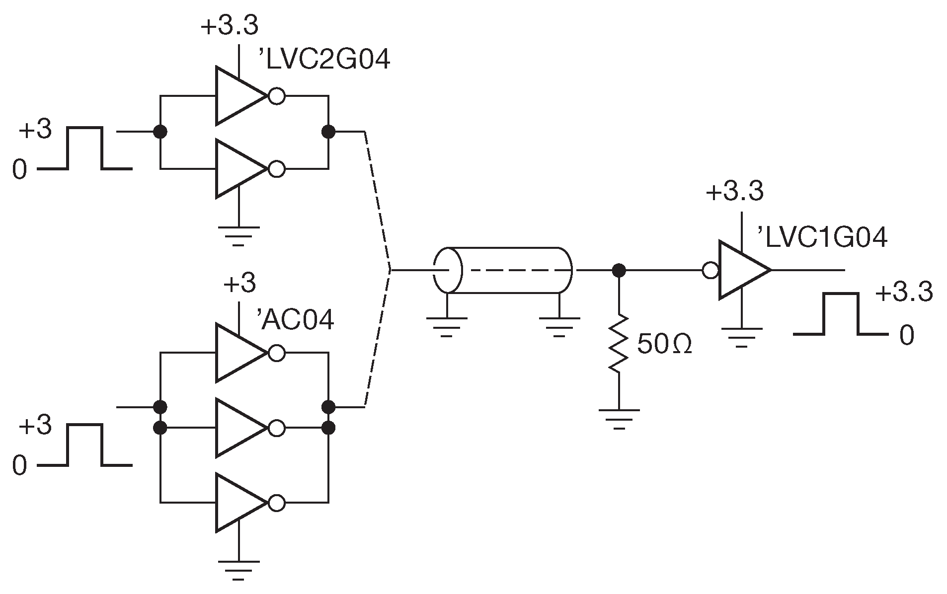
Достоинство: это решает проблему. Недостаток: сопротивление имеет неудобно низкое значение 50 Ω , которое требует приличного тока драйвера ( 20 mA на каждый вольт амплитуды ). Но у современных логических семейств есть в наборе мощные буферы, которые при питании 3.3 V и менее можно запараллелить 64   [* это плохой приём и допустим только для элементов внутри одного корпуса ] .

На рис. 12.107 показан один из рабочих вариантов. В нём используется несколько секций ’LVC04 или ’AC04 в параллель, чтобы раскачать длинный кабель с волновым сопротивлением 50 Ω , нагруженный на дальнем конце на резистор 50 Ω . Для ’LVC2G04 указывается рабочий выходной ток ±24 mA при питании 3V , соответствующая цифра для ’AC04 - ±12 mA . Т.е. передатчики немного не дотягивают до номинальных ±60 mA . Это не проблема, потому что 50 Ω на конце кабеля можно заменить делителем 100 Ω+100 Ω . В такой конфигурации от драйвера потребуется ±30 mA , т.е. возможно обойтись единственным ’LVC1G04.

Такое включение работает. На рис. 12.108 и 12.109 можно видеть отличные картинки, которые получаются с кабелем 10 m и импульсом длительностью 20 ns . Сигнал чистый в каждой точке линии, исключая еле заметный звон на выходе драйвера ’AC04. Вызван звон, скорее всего, большей индуктивностью выводов земли и питания корпуса DIP-14, сильно отличающегося от SOT23-6 у ’LVC2G04.

Рис. 12.108   Сигналы в различных точках схемы 12.107 ( с драйвером ’LVC2G04 ). Длительность тактового периода 20 ns , битовая последовательность та же, что и на рис. 12.104 , 12.105 , 12.106 , но длина кабеля уже 10 m . По горизонтали 40 ns/div , по вертикали 3 V/div
Рис. 12.109   Схема 12.107 , но с драйвером ’AC04

Если беспокоят высокие требования к рабочему току драйвера, обеспечивающего полный размах питания на 50-омном кабеле, а работать на максимально возможной скорости не нужно, можно заместить запараллеленые логические элементы «драйвером затвора нижнего плеча». Например, всё тот же TC4420, принимая на входе логические уровни, выдаёт качественный сигнал, переключающийся между землёй и питанием, причём питание может быть в диапазоне от +4.5 до +18 V . 50 Ω для выхода, дающего от 1.5 до 9A совершенно незаметны. Такие драйвера часто идут по две штуки в корпусе ( причём среди богатого набора последних есть и DIP ) и выпускаются в инвертирующей, прямой и смешанной ( один такой, второй другой ) конфигурации. В розницу стОят около $1 ( см. табл. 3.8 на стр. 218 ). Существуют буквально тысячи подобных ИМС, выпускаемых заслуженными компаниями, типа Fairchild, IXYS, Microchip, ST и TI, не считая прочих. Многие модели работают от +5V . При таком напряжении возможности выхода снижаются, но остаются на достаточном уровне. Например, IXDD609 с выходным током 9A при 5V всё ещё может управляться с 2A . Не стоит опускать руки из-за очень скромных значений скорости в справочных данных ( 20 ns и более для времени нарастания и спада ), т.к. нормируются они для чудовищных емкостей нагрузки от затворов мощных МОП транзисторов ( 1'000...10'000 pF ), умножаемых к тому же эффектом Миллера. Для 50-омного кабеля согласованного на дальнем конце и представляющего для драйвера чисто резистивную нагрузку цифры будут гораздо лучше. Например, для неинвертирующего драйвера IXYS509 указывается 9A и ∼25 ns времени нарастания и спада, но это же для 10'000 pF ! Из графиков, приводимых чуть дальше, можно определить, что фронты будут 4 ns и менее при питании +5...+30 V 65 .

12.10.2.A Правильное включение II: согласование на обоих концах

Ток, требуемый для раскачки 50-омного кабеля с согласованием на дальнем конце, можно понизить, если добавить последовательный резистор, равный волновому сопротивлению, на входном конце кабеля ( т.е. в данном случае 50 Ω, рис. 12.110 ). В такой конфигурации драйвер видит нагрузку 100 Ω ( 50 Ω на входе кабеля и \(Z_0\) самого кабеля ). Такая схема носит название «двухстороннего согласования». Дополнительным плюсом идёт способность резистора на входе поглощать отражения от противоположного конца, т.к. для сигналов, идущих в обратном направлении, он выступает резистором согласования на дальнем стороне.

Рис. 12.110   Передача по 50-омному кабелю с согласованием на обоих концах цифрового сигнала. Амплитуда на приёмном конце падает вдвое от величины на выходе драйвера, т.е. в данном случае до ∼2.5 V

Схема работает, но амплитуда сигнала падает в два раза, потому что входной резистор и волновое сопротивление кабеля образуют делитель 1:2 . Именно поэтому на входе используется 5-вольтовый драйвер, а на выходе - логика с пороговым напряжением порядка 1.3 V . Это может быть семейство с ТТЛ уровнями на входе ( ’ACT04, см. рис. 12.111 ) или 3-вольтовая логика ( см. рис. 12.112 ). Для ’ACT04 заявляются уровни < 0.8 V и > 2.0 V , соответствующие цифры для ’LVC1G04 с питанием +3.0 V : < 0.8 V , > 1.7 V .

Рис. 12.111   Сигналы в схеме 12.110 с приёмником ’ACT04. Используется та же битовая последовательность, что и на рис. 12.104 - 12.109 , но с кабелем длиной 10 m . По горизонтали 40 ns/div , по вертикали 3 V/div
Рис. 12.112   Сигналы в схеме 12.110 с приёмником ’LVC1G04

Рабочий метод для RF и видео

Двойное согласование в два раза ослабляет амплитуду сигнала по сравнению с ненагруженным драйвером и не слишком подходит для схем на цифровой логике . Для них будет правильнее использовать последовательное согласование ( о нём ниже ). Но чтобы не возникло неправильного впечатления, следует заметить, что использование двойного согласования - основной метод для радиочастотных схем и видео электроники. Все источники сигналов там делаются с выходным сопротивлением, равным волновому сопротивлению кабеля ( 50 Ω для радиотрактов и 75 Ω для видео оборудования ). На дальнем конце кабель нагружается на характеристическое сопротивление. Двукратное снижение амплитуды компенсируется удвоенным, относительно требуемого, напряжением на выходе ненагруженного драйвера. Такую картину можно наблюдать в генераторах сигналов. Если мерить амплитуду с помощью осциллографического пробника, то цифра будет в два раза выше, нежели установки на панели генератора, потому что предполагается наличие 50-омного нагрузочного резистора или кабеля с таким резистором на дальнем конце. В видео сегменте можно обнаружить множество «буферных видео усилителей», обеспечивающих фиксированное усиление , которое призвано скомпенсировать потерю амплитуды при работе на кабель с двойным согласованием. На рис. 12.113 показан пример от LTC. Их тройной видео буфер LT6553 ( три независимых усилителя для каналов цветности в видео интерфейсе ) с фабричной установкой G =2 , предназначенный для работы на 75-омный видео кабель. Имеет впечатляющую полосу 650 MHz и скорость нарастания 2500 V/μs и может выдавать сигнал ±3.5 V на нагрузку 75 Ω+75 Ω при питании ±5V . ИМС с аналогичными параметрами, но единичным усилением, имеет обозначение LT6554.

Рис. 12.113   Буферный видео усилитель работает на нагрузку 75 Ω через 75-омный кабель. Усиление \( G_V\)=2 компенсирует ослабление сигнала, вызванное резистором последовательно с выходом микросхемы

12.10.2.B Правильное согласование III: последовательное согласование

Итак, имеем два способа: согласование на дальнем конце ( параллельное ) с прямым подключением драйвера требует от последнего большого выходного тока, но обеспечивает на приёмном конце полный размах сигнала. Двойное согласование снижает требования к мощности, но ослабляет сигнал на дальнем конце в 2 раза.

Есть третий способ, вбирающий в себя лучшее: резистор на входе кабеля и отсутствие согласования на приёмном конце. Метод имеет название «последовательное» или «обратное» согласование ( рис. 12.114 ). Он основан на свойствах линий передачи с открытым концом, а именно то, что отражение от открытого дальнего конца имеет ту же фазу, что и исходный сигнал, и удваивает амплитуду последнего. Но амплитуда сигнала равна половине того, что выдаёт драйвер ( благодаря делителю из согласующего резистора и входного импеданса кабеля ). В результате на дальнем конце получается напряжение, эквивалентное выходному сигналу драйвера. Выгода получается двойная: полный размах сигнала и в два раза меньшие требования к току передатчика. Сигнал не гуляет по кабелю, отражаясь от концов и портя всё вокруг, как на рис. 12.105 и 12.106 , потому что резистор на входе гасит обратную волну. Он служит согласующим для обратного сигнала [* отсюда название «обратное согласование» - противоположное «прямому», т.е. резистору на дальнем конце для прямой волны ] . Тем не менее, чуть подпортить форму на входном конце отражение успевает ( рис. 12.115 луч «C» ).

Рис. 12.114   Последовательное согласование удваивает импеданс линии передачи для драйвера ( в данном случае будет 100 Ω ) и при этом обеспечивает полный размах сигнала на дальнем ( приёмном ) конце. Этот метод рекомендуется для логических выходов на лицевой панели
Рис. 12.115   Сигналы в различных точках схемы 12.114 . Битовая последовательность та же самая, что и на рис. 12.106 , 12.109 , 12.112 , длина кабеля 2.4 m . По горизонтали 40 ns/div , по вертикали 3 V/div

Последовательное согласование - основной метод, применяемый при передаче логических сигналов по коаксиальному кабелю. У неё есть два приятных свойства:

  1. входной импеданс линии передачи равен удвоенному характеристическому сопротивлению и
  2. драйверу не требуется продолжать выдавать ток в линию после того, как отражённый сигнал вернулся на вход.

Поясним последний пункт. Сразу после изменения уровня в линии выход передатчика начинает отдавать ток величиной \(I=Vcc/( 2Z_0\) ) или 50 mA для 5V питания и 50-омного кабеля, но после возвращения отражения на вход, ток прекращается. Имеем +50 mA для перехода НИЗКИЙ-ВЫСОКИЙ [* прямой ]   и –50 mA для ВЫСОКИЙ-НИЗКИЙ [* отражённый ] . Часто можно оценить \(R_{out}\) выходного каскада передатчика и понизить величину последовательного резистора. Но, если итоговое сопротивление на входе линии будет меньше 50 Ω , эхо от дальнего конца выйдет за верхнюю шину питания ( для перехода НИЗКИЙ-ВЫСОКИЙ ) или упадёт ниже земли ( для перехода ВЫСОКИЙ-НИЗКИЙ ) на время задержки сигнала в линии. Если выброс будет достаточно велик ( т.е. более 10% при 5V ), возникнет ток в ограничительных диодах на выходе передатчика.

[* Тот самый случай, когда читаешь объяснение и испытываешь унизительное ощущение собственной бестолковости. Надеюсь, у вас то же чувство. Особенно противно это переводить: непонятно, на выходе набор слов или какие-то осмысленные сведения? Разобраться помогло Приложение _H , см. §H.3 .

Итак...
Для начала, повторим предупреждение из §4.3.3 .

В §12.10.2 утверждалось, что согласование линии полностью подавляет отражения и, более того, превращает кабель в чисто резистивную нагрузку величиной \(Z_0\) , причём исчезает вся емкостная нагрузка. В Приложении _H есть математический вывод данного утверждения ( §H.4 ). Действительно, согласованная линия становится чисто резистивной, и ёмкость исчезает. Она сокращается в уравнении . Только на самом деле ёмкость кабеля, как физическая величина, никуда не девается: те же 100 pF/m , как и до согласования. Значит, чтобы изменить напряжение в кабеле, надо перезарядить его ёмкость. Именно на это и расходуется выходной ток драйвера, пока фронт сигнала пробегает по кабелю туда-обратно. Так как согласование последовательное и на дальнем конце высокоомная нагрузка, например, вход КМОП вентиля, после зарядки кабеля ( за время двойной задержки в нём ), ток прекращается ( остаётся только ток утечки КМОП входа и диэлектрика вокруг центральной жилы ). При двойном или параллельном согласовании ( в обоих случаях на дальнем конце присутствует нагрузочный резистор, равный \(Z_0\)) ток в линии, читай, через согласующий резистор, будет течь всё время пока в неё подаётся высокий уровень.

Короче: « Не ищите в уравнениях замены для понимания настоящих процессов, протекающих в реальных схемах ». Хоровиц & Хилл.

Чуть не забыл. Про «пояснения к последнему пункту». Мне не очень понятно, какие именно +50 mA и –50 mA имеются в виду, если ток в линию «из той же бочки наливают» ( единственный источник тока в линии - драйвер, стоящий на входе, других нет ). Таки решил оставить для текстуальной полноты ].

Логическое семейство, известное как «AUC’ Little Logic» ( одно из низковольтных семейств TI, состоящее из одного-двух логических элементов в 5- и 6-выводных корпусах для поверхностного монтажа ), имеет необычную схемотехнику выхода, которая очень подходит для работы с линиями передачи. Выходной импеданс каскада имеет достаточно близкое значение к сопротивлению последовательного согласования, поэтому возможно подключать линию передачи с волновым сопротивлением 50 Ω непосредственно к выходу микросхемы без последовательного резистора. Семейство оптимизировано под питание 1.8 V . В описании 66 говорится, что выходной каскад составлен из трёх параллельных инверторов таким образом, чтобы выходной импеданс менялся в процессе переключения выхода в новое состояние. Поначалу он низкий, чтобы обеспечить достаточно тока, затем примерно соответствует сопротивлению линии, подавляя звон и отражения. Кроме того, на выходе нет ограничительного диода на шину питания, поэтому выход является «3.6 V-совместимым» и не получает повреждений при отражениях сигнала от дальнего конца линии.

Производитель одобряет подключение только с линиями длиной до 15 cm , но эксперименты показали, что микросхемы хорошо работают с достаточно длинными отрезками. На рис. 12.116 показаны сигналы в 50-омном кабеле длиной 30 cm ( тонкий RG-316 ) с NRZ 67 битовым потоком на скорости вдвое большей, чем на рис. 12.104 - 12.112 и 12.115 . Как далеко можно передать данные с таким драйвером, и на какой скорости? На рис. 12.117 показан битовый поток, идущий по коаксиальному кабелю с открытым концом ( точки «A» и «D» на схеме 12.114 ) при передаче по кабелю длиной до 5 m 68 . Вполне нормальная картинка.

Рис. 12.116   Формы сигналов с инвертора 74AUC1G04, работающего от 1.8 V и подключённого к 30-сантиметровому коаксиальному кабелю. Битовая последовательность повторяет таковую в предыдущих примерах, но скорость увеличена в два раза. Четыре луча сверху вниз соответствуют точкам «A», «C», «D» и «E» на схеме 12.114 ( резистор закорочен ). Примерно половинная ступенька на входе кабеля ( точка «C», второй сверху луч ) подтверждает, что выходной импеданс драйвера близок к 50 Ω . По горизонтали 20 ns/div , по вертикали 2 V/div
Рис. 12.117   Те же условия, что и на рис. 12.116 показывают сигналы на дальнем конце кабеля ( точка «D» ). Длины отрезков проставлены рядом с лучами. По горизонтали 20 ns/div , по вертикали 2 V/div

12.10.2.C Предыскажения в передатчике и нормализация сигнала в приёмнике

Формы сигналов на картинках выше выглядят очень неплохо, но на самом деле никто не делал попыток заскочить за границу скорости передачи NRZ сигналов 50...100 Mbps. Картина радикально меняется, если попытаться поднять скорость до нескольких сотен мегабит в секунду, потому что слабым местом становится коаксиальный кабель. В нём растут потери, и сигнал сильно ослабляется, см. Приложение _H . Например, RG-58A, повсеместно используемый для изготовления приборных кабелей с BNC разъёмами, на частоте 500 MHz имеет потери 10 dB на длине 30 m . Можно, конечно, взять кабель с меньшими потерями. Например, RG-8 имеет потери 5 dB на 30 m , так у него и диаметр 10 mm , что в два раза больше, чем у RG-58.

Вместо замены кабелей на высоких частотах можно компенсировать потери в кабеле и сдвиг фазы на передающей стороне или на приёмной стороне ( или на обеих ). Эти действия называются «опережающее искажение» или «нормализация» соответственно. На рис. 12.130 - 12.132 показано, как это происходит в случае дифференциальной пары в виде скрученных проводов или параллельных проводников на плате. Для несимметричного сигнала ( коаксиального кабеля ) можно взять что-либо, подобное DS15BA101 и DS15EA101 фирмы NSC. Последняя ИМС - приёмник с адаптивным эквалайзером, который может поднять АЧХ на 35 dB на частоте 750 MHz 69   [* §5.8.7 и §5.14.2.F ] . Этот приём можно рассматривать как своеобразную «подстройку высоких» в аудиосистемах, но здесь приходится думать ещё и о фазе. Работает такая схема хорошо, потому что, благодаря экранировке линии передачи, имеется одновременно и большая амплитуда сигнала, и большое отношение сигнал-шум. Эта тема будет поднята вновь в приложении к дифференциальным соединениям стандарта LVDS.

59 Коаксиальные кабели и витые пары - примеры линий передачи , которые обсуждаются в Приложении _H . <-

60 Если интересны технические параметры используемых преобразователей уровня ( 3V ↔ 5V ), загляните в справочные данные двунаправленного октального буфера 74LVC4245A. <-

61 Но не всех типов сигналов. Радиочастотные и видео сигналы стандартно согласовываются на обоих концах. <-

62 Здесь справочные данные прямо предупреждают:

«Воздействие, превышающее цифры в разделе «Абсолютные максимальные значения» могут нанести прибору невосстановимые повреждения. Речь идёт исключительно о стойкости к чрезмерному воздействию. Корректность функционирования устройства в таких или любых других условиях, выходящих за рамки «рекомендованных условий эксплуатации» не учитывается»
. <-

63 Исключением, причём весьма заметным, является видео сообщество, для которого стандартом является волновое сопротивление 75 Ω ( кабель RG-59 ), а в импульсных устройствах иногда встречается 93 Ω ( RG-62 ). <-

64 Симпатичным приёмом, снижающим требования к выходному току драйвера в 2 раза, является использование пары резисторов по 100 Ω , включённых на дальнем конце в виде делителя между питанием и землёй. <-

65 В противоположность хорошим временам нарастания и спада, при низких напряжениях заметна склонность микросхем к увеличению времени распространения сигнала, которое не зависит от ёмкости нагрузки. Для компонентов IXYS при +5V задержка порядка 30 ns , а при питании +10 V она уполовинивается. С практической точки зрения данный параметр ограничивает рабочую частоту до нескольких мегагерц. Хуже то, что на частотах выше мегагерца увеличивается сквозной ток, а значит, и рассеиваемая мощность. Данные явления есть следствие высокой внутренней ёмкости мощных выходных МОП транзисторов. Для некоторых компонентов в справочных данных приводится зависимость тока потребления от частоты без нагрузки. <-

66 «Применение серии AUC субвольтовых логических микросхем фирмы Texas Instruments», ##SCEA027A ( September 2002 ). <-

67 NRZ - «без возвращения к нулевому уровню». Это официальное название для примитивной передачи каждого бита как логического уровня: один бит на один такт. <-

68 RG-141 для 500 cm , RG-316 для остальных длин. <-

69 Эти ИМС, как и прочие адаптивные эквалайзеры сигналов для кабеля, предполагают связь по переменному току и имеют нижнюю границу скорости работы на уровне 150 Mbps . Они соответствуют стандартам цифрового видео SMTE 259M, 292M, 344M или 424M и рассчитаны на 75-омные кабели. См. заметку по использованию фирмы National Semiconductor AN-1909. <-

Previous part:

Next part: