Шапка

3.6 МОП транзисторы в линейных схемах

В данной части уже разбирались линейные схемы на полевых транзисторах, но тогда речь шла о приборах с p-n переходом, а рассмотрение МОП транзисторов ограничивалось только переключательными схемами. Рассмотрим теперь некоторые примеры использования мощных МОП транзисторов в линейных схемах, а именно тех, которые могут выиграть от их уникальных свойств. Использование полевых транзисторов в линейных регуляторах напряжения рассматривается в Части _9   ( см. рис. 9.17 , 9.20 , 9.104 , 9.110 и 9.113 ) и в дополнительном материале в ##§X3.5.

3.6.1 Высоковольтный усилитель для пьезо-позиционера

Преимуществами МОП транзисторов - высоким рабочими напряжением и устойчивостью ко вторичному тепловому пробою можно воспользоваться при построении схемы управления пьезо-позиционером. Керамические пьезоэлектические позиционеры часто используются в оптических системах для выполнения небольших точных перемещений. Например, в адаптивной оптике можно создать «резиновое зеркало» , которое будет компенсировать вариации прозрачности и коэффициента преломления атмосферы. Пьезо-позиционеры очень удобны в этой задаче, т.к. пьезокерамика - очень жёсткий материал. К сожалению, такой привод требует киловольтовых потенциалов для сколь-нибудь заметных перемещений [* подал потенциал - кусок пьезокерамики деформировался и сместил исполнительное устройство, например, участок зеркала; снял потенциал - пьезокерамика вернулась в исходную форму, см. также §5.10.12.A ] . Кроме того, пьезоэлементы имеют очень большую ёмкость - 0.01 μF и более плюс механический резонанс в килогерцовом диапазоне. Иначе говоря, это отвратительная нагрузка. Авторам требовались десятки таких схем управления, которые обошлись бы в несколько тысяч долларов каждая, если бы их пришлось покупать.

Проблема решается схемой на рис. 3.111 . IRFBG20 - недорогой ( ∼$2 ) МОП транзистор, хорошо работающий при 1 kV и 1.4 A . Аналогичный FQD2N100 ( 1 kV , 1.6 A ) стОит и вовсе $0.85. \(Q_1\) - инвертирующий усилитель с общим истоком, который раскачивает истоковый повторитель с активной токовой нагрузкой. На npn транзисторе собран ограничитель тока. Здесь можно использовать приборы с низким рабочим напряжением, т.к. \(Q_4\) «плавает» вместе с выходным напряжением. В схеме есть один неочевидный момент: каскад псевдосимметричный , хотя похож на однополярный . Чтобы менять напряжение на нагрузке 10'000 pF со скоростью 2 V/μs требуется много тока ( 20 mA ). Выходной \(Q_2\) может выдавать требуемое, но подтягивающий резистор [* вернее, источник тока на \(Q_3\) ] не сможет забрать ток достаточной величины ( см. §2.4.1 , где разбиралась схема со сходными проблемами ). Здесь в качестве нижнего плеча, отбирающего ток через диод затвор-исток [* \(D_1\) ] , работает усилитель \(Q_1\) 111 . Остальные элементы относятся к цепи обратной связи и операционным усилителям, которые будут разбираться в Части _4 . В данном случае обратная связь отвечает за линейность коэффициента передачи схемы ( выход 100 V на каждый 1V на входе ). Без обратной связи выходное напряжение зависело бы от нелинейной характеристики \(I_D\) от \(V_{GS}\) входного транзистора [* см. также §X3.9.1 ] . Схему можно улучшить, если заменить резистор 660 kΩ@3 W , ток через который снижается при высоких выходных напряжениях ( до ∼0.15 mA при 900 V ), источником тока ∼0.25 mA на МОП транзисторе со встроенным каналом. См. §3.6.2.C и рис. 3.23 , табл. 3.6 , а также §9.3.14.C и ##§X3.6.

Рис. 3.111   Малопотребляющий драйвер пьезо-позиционера с питанием 1 kV и активным псевдосимметричным выходным каскадом. Похожая схема используется в высоковольтных регулируемых источниках постоянного тока, см. рис. 9.110   [* см. также §5.10.12.A ]

[* При отрицательном уровне управляющего сигнала ( выход \(U_2\) ВЫСОКИЙ ) открыт \(Q_1\) . Ток его стока создаёт на \(R_D\) запирающее напряжение для \(Q_2\) ( лишнее срезает стабилитрон на 10 V в режиме диода ). Кроме того, тот же ток стока \(Q_1\) разряжает нагрузку через \(D_1\) . При положительном уровне управляющего сигнала ( выход \(U_2\) НИЗКИЙ ) \(Q_1\) закрыт и затвор \(Q_2\) притянут вверх ( лишнее, опять же, режет стабилитрон в режиме стабилитрона ), т.е. \(Q_2\) открыт и заряжает нагрузку ].

Детальный разбор точного высоковольтного усилителя с биполярным выходом приводится в Части X4 . Похожие проблемы, например, крутизна МОП транзисторов на низких токах разбирается в ##§X3.5.2, а поведение истоковых повторителей с ёмкостной нагрузкой в ##§X3.8.

Упражнение 3.18
Измените схему так, чтобы высокое напряжение на выходе можно было бы включать и выключать логическим сигналом ( 0V - ВЫКЛ, +3V - ВКЛ).

3.6.2 Несколько схем на транзисторах со встроенным каналом

МОП транзисторы со встроенным каналом ( обеднённые ) часто остаются незамеченными в тени гораздо более популярных обогащённых МОП приборов. Но с их помощью можно проделать кое-какие трюки, о которых стоит знать. Обеднённые транзисторы выпускаются под напряжения до 1 kV и токи до 6A . В табл. 3.6 ( стр. 210 ) перечислены почти все из представителей этого редкого вида. Ниже приводятся некоторые примеры, использующие проводимость обеднённых приборов при нулевом напряжении на затворе.

3.6.2.A Защита входных линий

Низковольтные схемы, например чувствительные усилители, очень не любят, когда потенциалы на их линиях выходят за уровни питания. Самая простая схема защиты использует последовательный резистор на входе и пару ограничительных диодов после него. Схема хорошо работает при небольших перегрузках, но, если на входе может появиться потенциал несколько сотен вольт ( например, сетевое напряжение ), становится непрактичной, т.к. защитный резистор должен иметь большой номинал ( ∼100 kΩ ), чтобы ограничить рассеиваемую мощность в аварийном режиме. А большой номинал ухудшит полосу [* вместе с ёмкостью диодов, монтажа и выводов ИМС ] и шумовые свойства схемы. На рис. 3.112 показано, как включить пару МОП приборов со встроенным каналом вместо большого последовательного резистора. Указанные на схеме транзисторы оформлены в компактные корпуса ( SOT23, SOT89 и TO-92 ), недороги ( $0.60 ) и способны выдержать перепады до ±500 V на входе. Для сигнала \(Q_1\) и \(Q_2\) видны как последовательное сопротивление ∼1.7 kΩ ( удвоенное \(R_{DS(ON)}\) ) пока входное напряжение лежит в пределах диапазона питания. Вне него транзисторы ограничивают ток через защитные диоды на уровне ∼2 mA . Дополнительные подробности можно узнать в §5.15.5 .

Рис. 3.112   Защита низковольтовых линий от чрезмерных «выбросов». В нормальных условиях встречно-последовательные обеднённые \(Q_1\) и \(Q_2\) ( показаны с паразитными диодами ) проводят ток через действующее значение сопротивления канала \(R_{ON}\)≈1 kΩ у каждого. Входное напряжение, не укладывающееся в диапазон питания усилителя ±15 V ограничивается диодами \(D_1\) и \(D_2\) , а \(Q_1\) и \(Q_2\) определяют максимальный ток на уровне \(I_{DSS}\)≈2 mA . См. также рис. 5.81

Table 3.6 Depletion-mode n-channel MOSFETs

Part # Manuf Available packages BVds (V) Pdc (W) Idss RoN @^GS=0 (0) gm @ Id (mS) (A) VGS(th) Cjss typ (pF) W Q. LL o° ~ * Crss typ (pF) Costy $US CM o> O 1- CO CM h1 o CO CO -M- CM i o 1- CO CM CM h1 O CO o CM CM i O 1- h- -M- CM i o 1- CO CL CM Q CO Q_ Q min (mA) max (mA) min (V) max (V) small, RF BF998 NXP - f 12 - 2 18 - 24 0.01 - -2 2.1 1.1 0.025 - BF999 Vishay - • 20 - 5 18 - 16 0.01 - -2.5 2.5 1.0 0.025 - SKY65050s Skyworks - g 6 - 40 70 - 80 0.12 -1 -0.7 really small - small DN2470 K4 Supertex • 700 2.5 50i 0t E CM -M- 100n 0.1 -1.5 -3.5 540 60 25 0.81 BSS126 Infineon - • 600 0.5 7 - 320 17 0.01 -2.7 -1.6 21 2.4 1 0.13 BSP135 Infineon - - - • - - - - 600 1.8 20 - 30 160 0.1 -1.8 -1.0 98 8.5 3.4 1.38 LND150 Supertex ? k • 500 0.7 1 3 850 2 0.001 -1.0 -3 7.5 2 0.5 0.58 DN3145 Supertex - - • - - - - - 450 1.3 120 - E o CD 140n 0.1 -1.5 -3.5 120 15 10 0.68 DN3545 Supertex • - ? 450 1.6 200 - E o CM 150n 0.1 -1.5 -3.5 360 40 15 0.74 DN2540 Supertex • - ? - • - - - 400 1.6 150 - 17 325 0.1 -1.5 -3.5 200 12 1 0.81 DN3135 Supertex - • ? 350 1.3 180 - E LO CO 140 0.1 -1.5 -3.5 60 6 1 0.62 CPC3720C Clare - - • - - - - - 350 1.6 130 - 22m 225 0.1 -1.6 -3.9 70 20 10 0.37 CPC5603C Clare - - - • - - - - 415 2.5 130 - 14m - - -3.6 -2 300 - - 0.69 CPC5602C Clare - - - • - - - - 350 2.5 130 - 14m - - -3.6 -2 300 - - 0.60 DN3535 Supertex - - • - - - - - 350 1.6 200 - 10m 200n 0.1 -1.5 -3.5 360 40 10 0.68 BSS139 Infineon - • 250 0.4 30 - 12.5 130 0.08 -1.4 - 60 6.7 2.6 0.57 BSP129 Infineon - - - m - - - - 240 1.8 50 - 6.5 360 0.28 -2.1 -1.0 82 12 6 0.47 DN3525N8 Supertex - - 0 - - - - - 250 1.6 300 - 6m 225n 0.15 -1.5 -3.5 270 20 5 0.66 CPC3703 Clare - - • - - - - - 250 1.6 300 - 4m 225n 0.1 -1.6 -3.9 327 51 27 0.57 BSP149 Infineon - - - • - - - - 200 1.8 140 - 1.7 800 0.48 -1.8 -1.0 326 41 17 0.80 BSS159 Infineon - 0 50 0.4 70 - 4 160 0.16 -2.5 0.0 70 15 6 0.31 larae see note x IXTx01N100Dx IXYS - - - - P - - Y 1000 25 100t 90 150 0.1 -2.5 - 120 25 5 0.75 IXTx08N100D2x IXYS - - - - P - - Y 1000 60 100t 21m 560 0.4 -2 -4 325 24 6.5 0.69 IXTx1R6N100D2x IXYS - - - - P - - Y 1000 100 100t 21m 1100 0.8 -2.5 -4.5 645 43 11 1.66 IXTx3N100D2x IXYS - - - - P - A - 1000 125 3000 - E CO LO 4200 3 -2.5 -4.5 1020 68 17 2.11 IXTx6N100D2x IXYS - - - - P H A - 1000 300 6000 - E LO LO 4200 3 -2.5 -4.5 2650 167 41 4.66 IXTx02N50D2x IXYS - - - - P - - Y 500 25 O LO CM 20 150 0.2 -2 -5 120 25 5 1.05 IXTx08N50D2x IXYS - - - - P - A - 500 60 800 - E CD -M- 570 0.4 -2 -4 312 35 11 1.62 IXTx1R6N50D2x IXYS - - - - P - - Y 500 100 O O CD 2.3 1750 0.8 -2 -4 645 65 17 1.66 IXTx3N50D2x IXYS - - - - P - A - 500 125 O O CD 1.5 2100 1.5 -2 -4 1070 102 24 2.13 IXTx6N50D2x IXYS - - - - P H A - 500 300 6000 - E LO d 4500 3 -2 -4 2800 255 64 4.66 IXTH20N50Dxe IXYS - - - - - H - - 500 400 1500t,e E LO d 7500 10 -1.5 -3.5 2500 400 100 8.61 Notes: (c) Pd at Tc=25°C, for package marked ?. (e) the IXTH20N50D delivers most of its current capability in the enhancement-mode region. (f) has two gates, 4-lead SOT-143 package. (g) SC-70 package. (k) unusual pinout; also try LND250K1. (m) maximum. (n) minimum. (s) SKY part's full name: SKY65050-372LF. (t) typical. (x) substitute the letter listed in the package column for the “x” in the part number; for example, IXTP01N100D is a TO-220 package. (y) quantity 100.

3.6.2.B Разряд высоковольтного конденсатора

Прикосновение к потенциалу несколько сотен вольт может оставить яркие воспоминания. Именно поэтому разряд накопительного конденсатора после отключения питания является должной практикой разработки. Кроме того, конденсаторы - неплохие элементы памяти и могут хранить заряд не только часами, но даже десятилетиями ( именно так сохраняются данные во флэш-памяти, см. §14.4.5.C ).

Обычно такая задача решается разрядным резистором , висящим на выводах конденсатора. Номинал подбирается под постоянную времени ∼10 s . Это вполне рабочий вариант, но, если конденсатор имеет большую ёмкость, в схеме начинают вылезать недостатки. Решение для таких случаев показано на рис. 3.113 . В генераторе коротких высоковольтных импульсов конденсатор ёмкостью 100 μF заряжается до +400 V маломощным dc-dc конвертором ( 10 W ), который запитан от низковольтного источника.

Рис. 3.113   \(Q_1\) со встроенным каналом разряжает высоковольтный конденсатора \(C_1\)=100 μF , когда внешнее питание отсутствует. В активном режиме \(Q_1\) заперт

В такой схеме требуется разрядный резистор, подключаемый к конденсатору только в отсутствие внешнего питания. Пока внешний источник работает, транзистор \(Q_1\) со встроенным каналом закрыт ( \(V_{GS}\)=–9V ), но переходит в проводящее состояние ( \(V_{GS}\)≈0.6 V ), если источник +12 V выключен. Рабочее напряжение \(Q_1\) составляет 500 V , а \(I_{DSS}\)=3A при цене $2. Можно найти модели с напряжением до 1 kV . В данной задаче 3A не требуется ( при таком токе 100 μF разряжались бы за 13 ms ), но необходим транзистор в большом корпусе, чтобы поглотить накопленную энергию ( здесь 8 джоулей ). Указанный транзистор выдержит импульсную нагрузку 25...50 J без превышения \(T_{J(MAX)}\) ( см. Часть X9 ). Повторитель \(Q_2\) увеличивает разрядный ток ( он определяется номиналом \(R_2\) ).

3.6.2.C Источник тока

Из транзистора со встроенным каналом получается отличный 2-выводной источник тока, способный работать при очень высоких напряжениях ( до 1000 V у некоторых моделей, см. табл. 3.6 ) и больших рассеиваемых мощностях. Такие приборы расширяют идею, озвученную ранее на примере полевых транзисторов с p-n переходом ( §3.2.2 , рис. 3.20 и 3.23 ) на область высоких токов и напряжений. Так как данная задача связана с повышенной рассеиваемой мощностью, её детальное рассмотрение отложено до Части _9 ( §9.3.14.C ), где на графиках ( рис. 9.40 и 9.41 ) будет показано, что схема 9.36E ведёт себя так же, как вариант на ПТ с переходом 112 . Такой источник тока идеально работает в высоковольтном пьезо-позиционере из §3.6.1 , где им можно заменить мощный резистор подтяжки 660 kΩ и получить ток управления, который не зависит от размаха выходного сигнала.

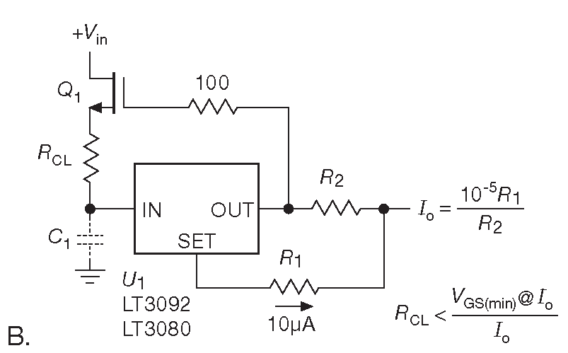
3.6.2.D Регулятор с расширенным диапазоном входного напряжения

Иногда требуется расширить допустимый диапазон входного постоянного напряжения для низковольтного регулятора. На рис. 3.114A показан пример - линейный регулятор напряжения ( §9.3 ), который выдаёт напряжение +3.3 V , получая на входе более высокое постоянное напряжение. У таких ИМС, выполненных по биполярной технологии, допустимое максимальное входное напряжение ограничено уровнем +20...+30 V , а у КМОП вариантов и вовсе +6V . n-канальный МОП транзистор со встроенным каналом \(Q_1\) включён повторителем, обеспечивая на входе потенциал на \(V_{GS}\) больший, чем \(V_{OUT}\) . Для IXTP08N50 \(V_{GS}\)=–2...–4V , поэтому на входе будет на 2...4V больше, чем на выходе. Такая схема будет работать даже при +500 V на входе - это максимальное рабочее напряжение \(Q_1\) ( с учётом рассеиваемой мощности, конечно ). Резистор \(R_{CL}\) задаёт максимальный ток, защищая \(Q_1\) . Тот же приём можно провернуть с регулятором тока ( рис. 3.114B ). Подробности в Части _9 ( §9.13.2 ). Вопросы использования обеднённых приборов в качестве высоковольтных источников тока разбираются в ##§X3.6.

Рис. 3.114     (A) Высоковольтный МОП транзистор со встроенным каналом расширяет диапазон входного напряжения последовательного регулятора напряжения. (B) Та же схема может использоваться с регулятором тока. Для хорошей реакции на высоких частотах \(C_1\) надо выбирать небольшого номинала или не ставить вовсе. См. рис. 9.104 , где есть дополнительные пояснения

[* Каскод для линейного регулятора. Согласитесь, аналоговая электроника - прикольная штука ! ]

3.6.3 Параллельное включение МОП транзисторов

Иногда можно услышать заявления, что-де мощные МОП транзисторы можно параллелить непосредственно без использования балластных резисторов в истоках. Обосновывается это заявление отрицательным температурным коэффициентом \(I_D\) при фиксированном напряжении \(V_{GS}\) , который автоматически выравнивает распределение тока между транзисторами в наборе. Дальше следуют рассказы о том, как этот же механизм предотвращает тепловой разгон .

3.6.3.A Ситуация с переключающимися схемами

Мощные МОП транзисторы и в самом деле имеют отрицательный температурный коэффициент, но только при высоких токах, см. рис. 3.115 ( более правильная формулировка: при относительно больших потенциалах \(V_{GS}\) ). Для переключающихся схем, где работа идёт при нулевом \(V_{DS}\) ( оно определяется сопротивлением открытого канала \(R_{ON}\) ), сильное воздействие на затвор переводит прибор в область отрицательных температурных коэффициентов \(I_D\) . Здесь можно ( и нужно ) просто ставить транзисторы параллельно без балластных резисторов 113 . \(R_{ON}\) увеличивается с увеличением температуры ( рис. 3.116 ), и при параллельном соединении ток и мощность распределяются по транзисторам равномерно.

Рис. 3.115   Функция передачи ( зависимость \(I_D\) от \(V_{GS}\) )для мощного n-канального IRF1405. Отметим, что температурный коэффициент положительный везде, кроме очень высоких значений тока стока ( >175 A ), притом, что в линейных схемах редко случается превысить уровень 10 A
Рис. 3.116   Сопротивление открытого канала увеличивается с температурой. Температурная зависимость \(R_{ON}\) для мощного n-канального IRF1405

Положительный ТКС \(R_{ON}\) упрощает параллельную работу МОП ключей, но создаёт новую проблему - условия для теплового разгона , см. §3.6.4 .

3.6.3.B Ситуация с линейными схемами

Здесь картина сложнее. В большинстве линейных схем ( например, звуковых усилителях мощности, где имеется существенное падение \(V_{DS}\) в канале транзистора ) работать приходится в области с положительным температурным коэффициентом. Такие коэффициенты свойственны относительно небольшим токам стока, т.к. в противном случае тепловая мощность \(I_DV_{DS}\) существенно превысила бы допустимую по техническим условиям ( температура перехода ушла бы за верхнюю границу, см. §9.4.1.A ). Скажем транзистор на рис. 3.115 ограничен мощностью 200 W при температуре корпуса 75°C , следовательно, при напряжении на терминалах 25 V средний ток ограничен величиной 8A , при котором \(I_D\) имеет большой положительный температурный коэффициент. Поэтому в практических линейных схемах, где приходится работать с существенными напряжениями \(V_{DS}\) , разница токов в параллельно соединённых транзисторах наоборот увеличивается. Кроме того, параллельное включение используется именно потому, что одиночный транзистор не вытягивает по мощности, а значит, вся схема оказывается под угрозой. Всегда есть опасность, что один из транзисторов начнёт тянуть на себя избыточный ток, увеличивая собственную тепловую мощность далеко за пределы, которые заданы тепловыми сопротивлениями и теплоотводом.

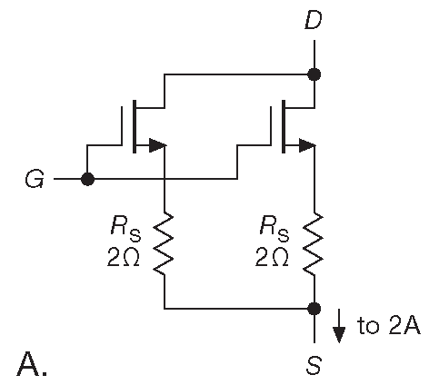
Балластные резисторы в истоке

Выходом из положения могут служить небольшие балластные резисторы в истоках всех транзисторов. Их номинал выбирается под падение порядка одного вольта, что как минимум сравнимо с разбросом рабочих потенциалов затвор-исток ( рис. 3.117A ). Если используются образцы из одной партии или после отбора по величине \(V_{GS}\) 114 , то падения в несколько десятых долей вольта будет в большинстве случаев достаточно. В справочных данных приводятся цифры с запасом - вольт или два при максимальном рабочем токе. Чтобы не пришлось заботиться о согласовании транзисторов ( как при сборке, так и при ремонте ), при разработке сильноточных схем с большим тепловыделением надо исходить из консервативных цифр и обеспечивать падение на балластных резисторах 1...2V . [* Биполярным транзисторам в той же схеме нужно максимум 0.6V падения на токовыравнивающих резисторах, т.е. в 2...3 раза меньше, чем МОП приборам. Иначе говоря, тепловые потери при запараллеливании полевых транзисторов, «не требующих согласования при параллельном включении» будут выше, чем у биполярной классики ] .

Рис. 3.117 (A)   Параллельное включение мощных МОП приборов. С балластными резисторами в истоках

Пример показывает стандартную дилемму - выбор между надёжной схемой, удовлетворяющей самым жёстким требованиям спецификации, т.е. гарантированно работающей, и вариантом, который не учитывает предельные цифры, но имеет более высокие параметры в нормальных условиях, причём, скорее всего, будет работать без каких-либо проблем. Бывают ситуации, когда дьявол предлагает вам выбрать второй путь и не обращать внимания на слабые возражения рассудка.

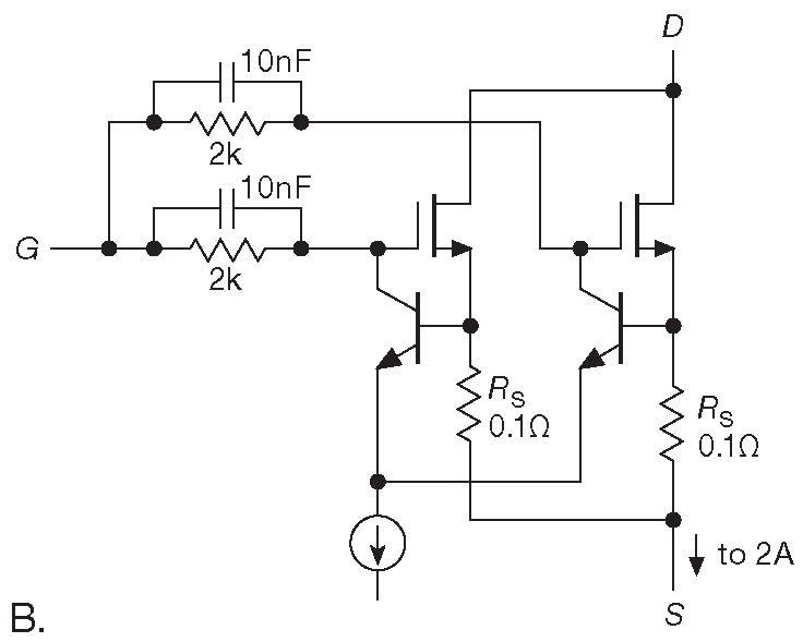
Активная обратная связь

Проблема выравнивания токов наглядно демонстрирует стандартный выбор - надёжность или параметры. Консервативные номиналы балластных резисторов увеличивают общее сопротивление и рассеиваемую мощность, а продуманная схема может скомпенсировать эти недостатки.

На рис. 3.117B показано элегантное решение - одно из серии «примеров для подражания». В данном случае это просто фрагмент, но очень полезный фрагмент. Небольшие токочувствительные резисторы в истоках МОП транзисторов обеспечивают активную обратную связь через простенький дифференциальный усилитель. Если сравнивать такое решение со схемой 3.117A , где на балластных резисторах падает 2V при номинальном токе 1A , то можно заметить, что в активной схеме номиналы и падения в 20 раз ниже - 0.1 Ω и 0.1V . Эти напряжения прикладываются и к дифференциальной паре на npn транзисторах, которая подстраивает напряжения на затворах, выравнивая токи истоков. Такой схеме требуются бОльшие управляющие потенциалы на затворах, что редко является проблемой. Зато в итоге минимизируются падения на регулирующих элементах и сопротивления токоведущих путей. Такое включение хорошо подходит для не слишком быстрых схем, например, для проходных элементов в линейных блоках питания. Отметим, что решение легко расширяется под любое число параллельных транзисторов 115 .

Рис. 3.117 (B)   Параллельное включение мощных МОП приборов. С токочувствительными шунтами и активной обратной связью

Среди всего разнообразия мощных МОП полупроводников есть и небольшое, но приятное исключение - группа с отрицательным температурным коэффициентом тока стока, начинающимся с очень малых значений управляющего напряжения ( а значит, и очень низкого \(I_D\) ). Речь идёт о приборах с плоскостной структурой ( как противоположность вертикальным структурам, к коим относятся почти все прочие МОП транзисторы ), см. рис. 3.118 . Плоскостные варианты не могут похвастать высоким напряжением пробоя или низким сопротивлением канала, свойственным вертикальным структурам. Но такие модели отличаются высокой линейностью и температурной стабильностью, за что любимы разработчиками мощных линейных схем, например, звуковых усилителей. Очень популярна комплементарная пара из n-канального 2SK1058 и p-канального 2SJ162 фирмы Renesas ( Hitachi ) с рабочим напряжением 160 V и током 7A . Скромное значение сопротивления канала ∼1 Ω в линейных схемах больших проблем не представляет, т.к. там редко используется режим насыщения вблизи нуля, но оно достаточно велико, чтобы можно было ставить несколько транзисторов параллельно. См. главу «Мощные транзисторы в линейных устройствах» в Части X3 .

Рис. 3.118   Функция передачи ( зависимость \(I_D\) от \(V_{GS}\) ) для n-канального 2SK1058 с плоскостной структурой, который часто ставят в высококачественные звуковые усилители. Температурный коэффициент тока стока этого транзистора отрицательный почти во всём рабочем диапазоне

Положительный температурный коэффициент тока стока создаёт ещё одну проблему - опасность теплового разгона .

3.6.4 Тепловой разгон

В настоящий момент тема теплового разгона ( «thermal runaway» ) никак не рассматривалась, потому что этот процесс практически не зависит от типа транзистора и способа его включения. Данный термин относится к режиму работы, в котором рассеиваемая тепловая мощность вызывает рост температуры, которая в свою очередь увеличивает рассеиваемую мощность, вновь требующую отведения. Рассмотрим два важных примера - линейный усилитель с симметричным выходным каскадом и насыщающийся ключ.

3.6.4.A Мощный усилитель с симметричным выходом

В усилителях мощности использующихся в звуковой аппаратуре, выходной каскад обычно работает в режиме «класс-AB». Выходная комплементарная пара работает с заметным сквозным током ( чаще всего порядка 100 mA ), чтобы сохранить линейность в зоне перехода сигнала через ноль. Ток покоя меняется с температурой, потому что и \(I_D\) в МОП транзисторах и \(I_C\) в биполярных имеют положительные температурные коэффициенты при постоянном уровне управляющего напряжения. Будут ли при этом выходные транзисторы находиться в тепловом равновесии, зависит от схемной конфигурации и качества теплоотвода. Если теплового баланса нет, то схема попадает в состояние теплового разгона ( данное состояние не зависит от того, запараллелены выходные транзисторы или нет ).

Рис. 3.119   Температурная стабильность усилителей с симметричным выходным каскадом ( схемы упрощены для наглядности ). (A) Фиксированная величина \(V_{BE}\) ведёт к тепловому разгону, вызванному положительным температурным коэффициентом \(I_C\) биполярных транзисторов. (B) Следящая схема, имеющая температурную связь с выходным каскадом, предотвращает тепловой разгон. (C) Постоянство тока покоя в мощных МОП транзисторах с плоскостной структурой обеспечивается отрицательным температурным коэффициентом при постоянном напряжении \(V_{GS}\) . Дополнительная компенсация не нужна

В §2.4.1.B описывался мощный усилитель с симметричным биполярным выходным каскадом. Биполярные транзисторы имеют положительный температурный коэффициент тока коллектора при фиксированном потенциале \(V_{BE}\) 116 . Обычным методом компенсации является использование цепи подстройки рабочей точки базы, учитывающей температурный коэффициент \(V_{BE}\) выходных транзисторов. В качестве компенсирующей цепи используется диод или переход база-эмиттер транзистора, находящегося в непосредственном контакте с теплоотводом, часто в сочетании с небольшими балластными эмиттерными резисторами в выходном каскаде ( рис. 3.119B ).

Линейный усилитель с симметричным выходным каскадом на МОП транзисторах имеет ту же проблему, потому что работает в зоне положительного температурного коэффициента \(I_D\) ( §3.6.3.B ). Здесь можно использовать тот же приём ( цепь установки рабочей точки, учитывающая указанный температурный коэффициент, в комбинации с небольшими балластными резисторами, см. главу «Мощные транзисторы для линейных усилителей» в Части X3 ). Проблема легко обходится использованием мощного прибора с плоскостной структурой , температурный коэффициент которого уходит в отрицательную область уже при токе \(I_D\)≈100 mA ( рис. 3.118 ) и гарантирует отсутствие теплового разгона. Обычным приёмом является задание потенциалов на затворах с некоторой настраиваемой разницей потенциалов, как на рис. 3.119 , которая шунтируется на рабочих частотах сигнала 117 . Рабочая точка устанавливается так, чтобы ток покоя \(I_Q\) был близок к точке с нулевым температурным коэффициентом ( 100 mA для пары 2SK1058/2SJ162 ). Такая цифра обеспечивает почти постоянную величину \(I_Q\) при любом нагреве 118 .

3.6.4.B Насыщающиеся ключи

Достаточно распространённым заблуждением является уверенность в отсутствии теплового разгона в переключательных схемах. Обосновывается оно так. «Эти мощные приборы имеют очень низкое сопротивление канала \(R_{ON}\) , когда находятся в полностью открытом состоянии, поэтому им не требуется теплоотвод. Наоборот, при нагреве от протекания большого, но ограниченного, тока при какой-то температуре происходит стабилизация, потому что дополнительная мощность, уходящая через теплоотвод, примерно пропорциональна дополнительной разнице температур среда-теплоотвод, и рано или поздно излучаемое тепло скомпенсирует дополнительный нагрев. Это же очевидно

Хорошее рассуждение, но процесс проходит иначе. Проблема в том, что \(R_{ON}\) - величина непостоянная и увеличивается с температурой ( рис. 3.116 ). Значит, по мере нагрева ключ начинает рассеивать нелинейно увеличивающуюся мощность, и, если теплоотвод недостаточен, избыточная мощность перестаёт отводиться, а процесс начинает развиваться рекурсивно.

Разберём этот вопрос в перспективе. Сам по себе тепловой разгон совершенно не обязателен для перегрева и последующего выхода схемы из строя. Всё то же самое может случиться и при недостаточном размере теплоотвода 119 просто за счёт выхода температуры перехода за границу \(T_{J(MAX)}\) . И, как скоро станет ясно, самым лучшим методом борьбы с перегревом будет не увеличение размеров теплоотвода, а снижение \(R_{ON}\) . Рассмотрим теперь, как протекает реальный тепловой разгон плохо спроектированной схемы.

На рис. 3.120 показан простой графический способ, позволяющий рассмотреть, что происходит, и оценить необходимый размер теплоотвода. Радиатор должен не только блокировать тепловой разгон, но и удерживать температуру перехода \(T_J\) ниже специфицируемой \(T_{J(MAX)}\) . Для начала возьмём зависимость \(R_{ON}\) от температуры из справочных данных. В бОльшей части паспортных данных для недорогих МОП транзисторов график доводится до температуры 175°C , потому что это максимальная специфицируемая температура кристалла, но никто не мешает отодвинуть верхнюю границу ещё на 75° . Затем надо подсчитать имеющуюся тепловую мощность \(P_{DISS}=I^2R_{ON}\) . Для 50 A тока стока получаем цифры, отложенные по правой стороне графика. Наконец, строим отдельные графики мощности, отводимой четырьмя разными теплоотводами с «тепловыми сопротивлениями» \(R_{ΘJA}\) ( оно рассчитывается по формуле \(P_{DISS}=(T_J-T_A)/R_{ΘJA}\) ). Условимся, что температура среды \(T_A\)=25°C ( подробный разбор всех этих вопросов отложен до §9.4.1.A ).

Рис. 3.120   Тепловой разгон в МОП ключах. Кривая линия отмечает максимальные величины сопротивлений открытого канала и соответствующие величины рассеиваемой мощности для n-канального IRF3205 при токе 50 A . Сплошные линии показывают тепловую мощность, которую рассеивают четыре радиатора с разными тепловыми сопротивлениями \(R_{ΘJA}\) . Тепловой разгон возникает только с самым маленьким теплоотводом, график мощности которого не имеет пересечений с кривой максимальной мощности

Теплоотвод рассеивает мощность, пропорциональную разнице температур своей поверхности и окружающей среды, т.е. имеет линейный график. Транзистор создаёт мощность, обозначенную кривой. Места пересечения графиков, если они есть, указывают точки теплового равновесия. В нашем случае это три точки: 45°C , 75°C и 120°C для трёх моделей теплоотводов. Но для самого маленького размера графики не пересекаются, т.е. радиатор не может рассеять всё создаваемое транзистором тепло ни при какой температуре. Это и есть состояние теплового разгона . При расчётах необходимо учитывать, что температура внешней среды может быть выше ( схема находится в замкнутом объёме, рядом с другим оборудованием или просто жарко на улице ). В такой ситуации графики теплоотводов сдвигаются вправо.

Из этого простого примера можно заключить, что самым правильным методом противодействия тепловому разгону в насыщающихся ключах является увеличение размеров теплоотвода. Но взгляните ещё раз на цифры. Схема переключает 50 A через \(R_{ON}\) порядка 10...15 mΩ , т.е. имеем падение 0.5–0.75 V и 25...40 W рассеиваемой мощности. При таких токах следует переходить на более мощные транзисторы или ставить несколько приборов в параллель, чтобы снизить \(R_{ON}\) и рассеиваемую мощность. Максимальная величина \(I_D\) ( здесь 110 A ) хорошо смотрится только в справочных данных, но не может служить реальным ориентиром для работы на постоянном токе. В данном случае полезнее будет взять экземпляр с меньшим значением \(R_{ON}\) , например, FDB8832 120 с \(R_{ON}\)=2.3 mΩ (max) при 25°C , типичным падением напряжения 115 mV при 50 A ( рассеиваемая мощность 5.8 W ) 121 . Это 30-вольтовый транзистор ( модели с большим рабочим напряжением имеют и более высокое сопротивление \(R_{ON}\) ). Если нужно переключать более заметные напряжения, а \(R_{ON}\) и \(P_{DISS}\) желательно уменьшить, придётся использовать сборки из транзисторов высокой мощности 122 или, что дешевле, ставить несколько транзисторов в параллель. Для напряжений свыше 400 V правильнее будет ориентироваться на IGBT ( биполярные транзисторы с изолированным затвором, см. §3.5.7.A ), которые по входу выглядят как МОП приборы, а со стороны силового канала как биполярные. Пример - CM1200HC-50H фирмы Mitsubishi, нормированный на 2500 V и 1200 A . При полном токе напряжение насыщения составляет всего 3V ( эквивалентное сопротивление \(R_{ON}\)=2.5 mΩ ). Параметры превосходные, но такие цифры означают 3.6 киловатт (!) рассеиваемой мощности. Такие компоненты используют для управления тяговыми двигателями на железнодорожном транспорте.

Следует отметить, что температурные расчёты и подбор радиатора не требует обязательного построения графиков. Выше это делалось для большей наглядности условий для теплового разгона. Гораздо удобнее просто добавить коэффициент безопасности m к справочным цифрам \(R_{ON}\) при 25°C , чтобы получить разумную оценку величины \(R_{ON}\) при максимальной температуре перехода ( 150°C ), из которой можно высчитать

\[ T_J ≈ T_A + I_D^2 · mR_{ON(25C)} · R_{ΘJA} \quad . \qquad \qquad \qquad [3.15] \]

Множитель m немного зависит от номинального рабочего напряжения МОП транзистора. По множеству обобщённых справочных данных, которые приводятся в главе «Зависимость \(R_{ON}\) МОП транзисторов от температуры» в Части X3 , величина множителя меняется от m=1.5 ( низковольтные модели ) до m≈2.5 ( высоковольтные ). На практике безопасно использовать следующие цифры: m=2 для транзисторов с напряжением ниже 1000 V и m=2.5 для высоковольтных ( ≤1 kV ).

3.6.4.C Вторичный пробой и область безопасной работы

Стоит напомнить ещё один температурный эффект – «вторичный пробой» , который обсуждался ранее ( §3.5.1.B ). Мощные транзисторы выходят из строя ( как правило 123 ), если они работают за оговоренными границами максимального напряжения, максимального тока или максимальной температуры перехода. Последний параметр зависит от рассеиваемой мощности, формы тока, теплового сопротивления радиатора и температуры окружающей среды, см. §9.4.2 . Перечисленные параметры задают область безопасной работы ( SOA ). См., например, рис. 3.95 . Биполярные транзисторы имеют дополнительное ограничение, известное как вторичный пробой . Это некоторая не до конца понятная нестабильность характеристик, возникающая из-за местного перегрева. Она приводит к снижению пробивного напряжения и повреждению кристалла. Именно вторичный пробой вызывает дополнительное сокращение области безопасной работы для биполярных транзисторов на рис. 3.95 . МОП приборы почти не подвержены вторичному пробою, что обусловило их широкое использование в мощных схемах 124 . Отметим, что цифры допустимых токов и напряжений для коротких импульсов выше, чем для постоянного тока у всех транзисторов.

Table 3.7 Junction Field-Effect Transistors (JFETs)a

Part #b 0 C C cti J= o CL O z [ 0- c ca 0 -Q >. "0 “3 z Q_ Z CM 6 H LL CD CO CM 0 CO LL CD CL CO CM 0 CO “i b uJ m 5 5 Prefix Vdss max (V) es & Pkgsd Idss Ron max (0) VGS(off)c Vgs @ Id measured (V) (mA) gm @Id (mA) 0 X TO E 0 Ciss typ (pF) Crss typ (pF) min max meas (mA) (mA) (mA) min (V) max (V) min (mS) max (mS) @Id (mA) meas (mS) PN4117 N • A C - - 40 0.03 0.09 0.07 - -0.6 -1.8 -0.33 0.03 0.07 0.21 z 0.09 0.03 420r 1.2 0.3 ’4118 N - A C - - 40 0.08 0.24 0.20 - -1 -3 -1.33 0.1 0.08 0.25 z 0.13 0.1 260r 1.2 0.3 ’4119 N - A C - - 40 0.20 0.60 0.30 - -2 -6 0.0 0.3 0.10 0.33 z 0.18 0.3 140r 1.2 0.3 BFT46 N - - C - - 25 0.20 1.5 0.63 - - -1.2 -0.16 0.3 1 - z 1.7 0.3 190s 3.5 0.8 BF511 N - - D - - 20 0.7 3 4.2 - - -1.5 -0.75 1 4 - z 2.7 1 120 - 0.3 2N5457 N • A C - - 25 1 5 3.5 - -0.5 -6 -0.81 1 1 5 z 2.3 1 220 4.5 1.5 '5458 N - A C - - 25 2 9 4.1 - -1 -7 -0.97 1 1.5 5.5 z 2.2 1 190 4.5 1.5 '5459 N - A C - - 25 4 16 9.9 - -2 -8 -1.82 3 2 6 z 2.9 3 100 4.5 1.5 2N5460 P D A C - - 25 -1 -5 3.4 - 0.75 6 +0.97 1 1 4 z 1.9 1 260 4.5 1.2 '5461 P • A C - - 25 -2 -9 2.7 - 1 7.5 +0.67 1 1.5 5 z 2 1 210 4.5 1.2 '5462 P • A C - - 25 -4 -16 5.9 - 1.8 9 +4.15 1 2 6 z 2.5 3 30 4.5 1.2 MMBF4416 N • A C C C 30 5 15 5.9 - - -6 -0.19 5 4.5 7.5 z 3.9 5 70 4 0.8 2N5484 N - A C - C 25 1 5 3.3 - -0.3 -3 -0.73 1 3 6 z 2.3 1 230 10 2.2 '5485 N - A C - - 25 4 10 6.6 - -0.5 -4 -1.65 1 3.5 7 z 2.1 1 150 10 2.2 '5486 N - A C - - 25 8 20 14 - -2 -6 -2.61 1 4 8 z 2.1 1 75 10 2.2 2SK170BL N - B - - - 40 6 12 6.1 - -0.2 -1.5 -0.04 5 22t z 29 5 470 30 6 LSK170B N - B C - - 40 6 12 7.6 - -0.2 -2 -0.17 3 10( 1 20 3 160 20 5 LSK170C N - B C - - 40 10 20 13 - -0.2 -2 -0.26 5 10t 1 24 5 90 20 5 BF861B N - - C - - 25 6 15 8 - -0.5 -1.5 -0.47 1 16 25 z 16 5 150 7.5 BF545C N - - C - - 30 12 25 19 - -3.2 -7.8 -1.80 5 3.0 6.5 z 3.7 5 30 1.7 0.8 BF862 N - - C - - 20 10 25 12 - -0.3 -1.2 -0.21 5 35 45t z 26 5 270 10 1.9 PF5103 N - A C - - 40 10 40 19 30 -1.2 -2.7 -1.00 5 7.5 2 10 5 160 16 6 PN4391 N • A C C C 40 50 150 115 30 -4 -10 -7.15 5 12t 5 8.8 5 30 12 3.5 ’4392 N • A C C C 40 25 75 38 60 -2 -5 -1.67 5 16t 10 10 5 130 12 3.5 ’4393 N • A C C C 40 5 30 16 100 -0.5 -3 -1.25 1 13t 10 6.2 1 150 12 3.5 J105 N - A C - - 25 500 - - 3 -4.5 -10 -8.39 5 40t 5 37 10 60 160m 35m J106 N - A C - - 25 200 - - 6 -2 -6 -2.42 5 53t 5 43 10 230 160m 35m J107 N - A C - - 25 100 - - 8 -0.5 -4.5 -1.93 5 75t 5 48 10 340 160m 35m J108 N ¦ A- C C - 25 80 - 325 8 -3 -10 -5.83 5 37t 5 31 10 60 85 15 J109 N • A- C C - 25 40 - 201 12 -2 -6 -2.85 5 26t 5 32 10 160 85 15 J110 N • A- C C - 25 10 - 122 18 -0.5 -4 -1.80 5 20t 5 34 10 220 85 15 J111 N - A- C C - 35 20 - 115 30 -3 -10 -7.6 5 - - - 8.4 5 30 28 5 J112 N • A- C C - 35 5 - 47 50 -1 -5 -2.8 5 6.7t 1 9.5 5 100 28 5 J113 N - A- C C - 35 2 - 21 100 -0.5 -3 -1.0 5 8t 1 11 5 100 28 5 J174 P - B C C - 30 -20 -135 26 85 -5 -10 +2.08 5 4.5 - 5 - - 15 13 6 J175 P • B C C C 30 -7 -60 13 125 -3 -6 +1.58 1 - - - - - 30 13 6 J176 P - B C C C 30 -2 -25 6.1 250 -1 -4 +0.86 1 6.3 - 5 - - 40 13 6 J177 P ¦ B C C C 30 -1.5 -20 4.2 300 -0.8 -2.5 +0.62 1 - - - - - 50 13 6 J308 N • A C C - 25 12 60 35 - -1 -6.5 - - 8 - 10 12 5 120 4 2 J309 N D A C C C 25 12 30 23 - -1 -4 -1.2 5 10 20 10 11 5 300 4 2 J310 N - A C C C 25 24 60 39 - -2 -6.5 -2.4 5 8 18 10 8.9 5 100 4 2 dual JFETs LS840-42 N F 60 0.5 5 3.3 - -1 -4.5 -0.85 1 0.5 1 0.2 2.1 1 180 4 1.2 '843-5 N F 60 1.5 15 - - -1 -3.5 - - 1 1.5t 0.5 - - - 8m 3m LSK389A N F, J 40 2.6 6.5 - - -0.15 -2 - - 8 20t 3 - - - 25 5.5 '389B N F, J 40 6 12 12 - -0.15 -2 -0.24 5 8 20t 3 23 5 170 25 5.5 '389C N F, J 40 10 20 - - -0.15 -2 - - 8 20t 3 - - - 25 5.5 LS5912 N F, J, Kp 25 7 40 18 - -1 -5 -1.75 5 4 10 5 5.7 5 70 5 1.2 IFN146 N Fv 40 - 30 6 - -0.3 -1.2 -0.19 1 30 40t z 25 5 660 75m 15m (a) listed generally by increasing Idss, but also by part number within a family (e.g., J105-J113); see also Table 8.2 for noise parameters. (b) for families of related parts, boldface designates the family matriarch. (c) usually specified at lD=1nA or 10nA, though sometimes at 10pA or even 200pA (e.g., for the J105-J113 “switches”); it doesn’t much matter, given the wide range of specified VGS(off). (d) see the accompanying pinout figure; all JFETs appear to be symmetric (source and drain are interchangeable), but italic designates a datasheet pinout in which the S and D terminals are interchanged. (e) Gmax=gm/gos, the maximum grounded-source voltage gain into a current source as drain load; listed values measured at lD=1mA and Vds=5V, unless noted otherwise. Gmax is proportional to Vds, and for most JFETs Gmax is relatively constant over varying Id. Use tabulated Gmax to find gos=gm/Gmax- (m) maximum. (p) several PDlP-8 pkgs available. (r) at lD=30pA. (s) at Id=300pA. (t) typical. (v) variant of “F” pinout: G and D terminals interchanged. (z) at Idss.

Table 3.8 Low-side MOSFET Gate Driversa

Part # Mfgd co CD c c n3 _c o ^min (V) ^max (V) Ipk (A) Speedb o. -C co 2 -C +-> o O) o 03 1 =) 0- c C“ > c 1 c o c 1— 1 0 -1—1 1 'cc 1— -1—1 3 a. ¦*-> 3 o P 03 CL O cT 04 OJ o 1- ^ac CL Q ;ka CL O CO o" O CO ge 00 OJ 1— O w _0 "o3 E CO (0 c <1) E E o O CO o + S (ns, typ) ~o 03 O o (nF) TC4426-28 MC+ 2 4.5 18 1.5 55 1 T - - - - n n • - • • - • G,H TC4423-25 MC+ 2 4.5 18 3 70 1.8 T - - - - n n • - • • - • G,H TC4420,29 MC+ 2 4.5 18 6 80 2.5 T - - - - • - • G TC4421-22 MC+ 1 4.5 18 9 85 10 T - - - - • - • G,J FAN3111 F 1 4.5 18 1 20 0.5 C - - - c c c • - - - • - FAN3100C,T F 1 4.5 18 2 20 1 C,T - - • c c c • - - - • • A FAN3180 F 1 5 18 2 30 1 T - - • - - • • - - - • - B FAN3216-17 F 2 4.5 18 2 25 2.2 T - - • - • • • - - • - - D FAN3226-29C,T F 2 4.5 18 2 25 1 C,T - - • c c c • - - • - • C,E FAN3213-14 F 2 4.5 18 4 20 2.2 T - - • - • • • - - • - - C FAN3223-25C,T F 2 4.5 18 4 25 2.2 C,T - - • c c c • - - - • • E FAN3121-22 F 1 4.5 18 9 21 10 T - - • • - - • - • IRS44273L IR 1 12 20 1.5 50 1 T • • • - IR25600 IR 2 6 20 1.5 75 1 T - - - - - • - - • • - - MAX17600-05 MA 2 4 14 4 15 1 C5,T - - - • n n • - - • - • H MAX5054-07 MA 2 4 15 4 38 5 C,T - - - c c c • - - • - • MAX5048A,B MA 1 4 12.6 7.6h 18 1 C,T - - • c c c • - - - • • UCC37323-25k TI 2 4.5 15 4 47 1.8 T - - - - • • • - • • - • UCC27517 TI 1 4.7 20 4 17 1.8 T - - • c c c - - - - • - UCC27516-19 TI 1 4.7 20 4 17,21 1.8 T,C - - • • • • • - - - • • UCC27523-26 TI 2 4.7 20 5 17 1.8 T - - • • • • - - • • - • E,H UCC37321-22k TI 1 4 15 9 50 10 T - - - • • • • - • • - • MIC44F18-20 MI 1 4.5 13.2 6 24 1 T - - • • • • • - - • - • ADP3623-25 A 2 4.5 18 4 28 2.2 T - - • - • • • - - • - - H,P LM5110 TI 2 3.5 14 5f 38 2 T • - • - n n • - - • - • H,L LM5112 TI 2 3.5 14 7g 38 2 T • - • - n n - - - • - • H,L,M LM5114 TI 1 4 12.6 7.6h 16 1 C - - • c c c • - - - • • ISL89367 IN 2 4.5 16 6 45 10 F • - • n o o • - - • - • N ISL89160-62 IN 2 4.5 16 6 45 10 C5,T - - • - • • • - - • - • O MC34151 O 2 6.5 18 1.5 50 1 T - - • - - • - - • • - - IR2121 IR 1 12 18 2e 200 3.3 T - • - - - • - - • - - - F UC3708 TI 2 5 35 3 37 1 T - - - • - • • - • - - - IXDD602 IX 1 4.5 35 2 50 1 C5 - - - • • • • - • • - • H,R IXDD604 IX 1 4.5 35 4 40 1 C5 - - - • • • • - • • - • H,R IXDD609 IX 1 4.5 35 9 60 10 C5 - - - • • • • • • • - • R IXDD614 IX 1 4.5 35 14 70 15 C5 - - - • • • • • • • - - R IXDD630 IX 1 10 35 30 65 5.6 C5 - - • • • • • • - - - - K,R ZXGD3002-04 D 1 - 20,40 9,5 11 1 • • - M,S Notes: (a) sorted by family, within family sorted by lout; except for ZXGD3000-series, all devices swing rail-to-rail, or nearly so. (b) into Cload at Vs=12V. (c) input gate with inv and non-inv inputs. (d) A=Analog Devices; D=Diodes,Inc; F=Fairchild; IN=Intersil; IR=International Rectifier; IX=Ixys/Clare; L=LTC; MA=Maxim; MC=Microchip; MI=Micrel; O=OnSemiconductor; S=STMicroelectronics; TI=Texas Instruments. (e) 1A source, 2A sink. (f) 3A source, 5A sink. (g) 3A source, 7A sink. (h) 1.3A source, 7.6A sink. (k) 37xxx for 0 to 70°C, 27xxx for -40°C to 105°C. (n) see part-specific comments. (o) XOR input sets optional invert. (p) C=CMOS; C5=5V CMOS; F=flexible, set by Vref- and Vref+ input pins; T=TTL. Comments: (A) suffix specifies logic threshold. (B) includes 3.3V LDO output. (C) 2ns td channel match. (D) 1ns td channel match. (E) dual inv+en, dual non-inv+en, dual inputs. (F) source-resistor current-sense input terminal, suitable for driving an IGBT. (G) industry std, many mfgrs. (H) dual inv, dual non-inv, or one each. (J) for 8-pin pkgs, n- and p-ch drains on separate pins. (K) tr, tf = 50 ns into 68nF. (L) output swing to neg rail, can be 5V below logic gnd. (M) n- and p-ch drains on separate pins. (N) resistor-programmed edge-delay timers; 2-input AND signal inputs. (O) ISL89163-65 same, but include enable inputs; ISL89166-68 same, but include resistor-programmed edge-delay timer inputs. (P) overtemp protection and output. (R) full p/n is IXDx6..., where x = N, I, D and F for non-inv, inv, dual non-inv+en, or one of each. (S) series is one each high-current high-gain npn and pnp transistor emitter-followers for pullup and down.

111 Такая схема называется псевдосимметричным каскадом. Она стала популярной в начале 1970-х годов, благодаря появлению TTL микросхем, см рис. 10.25A .   <-

112 Много дополнительных деталей можно найти в Части X3 ( ##§X3.6 ), где показаны методы увеличения выходного импеданса, т.е. постоянства тока, с помощью каскода, увеличения рабочего напряжения последовательным включением транзисторов и снижения рассеиваемой мощности. <-

113 В любом случае, каждый МОП транзистор должен снабжаться отдельным последовательным резистором в затворе, чтобы предотвратить самовозбуждение в момент переключения. Обычно выбирают номинал от единиц до десятков ом. Такие резисторы, конечно, нужны и отдельным транзисторам. Кроме того, генерацию можно задавить ферритовой бусиной. <-

114 В примере из §3.6.3.A можно поставить четыре IRF1405 в параллель с токовыравнивающими резисторами 0.1 Ω@10 W в каждом истоке, чтобы вытянуть требуемые 25 A . <-

115 Этот интересный приём был подсмотрен в линейном источнике питания E3610 фирмы HP ( она же Agilent, она же Keysight ). Он гораздо проще, чем управление каждым транзистором от отдельного операционного усилителя, как часто делают другие разработчики. Ещё одним методом отвода избыточного тепла несколькими транзисторами является последовательное включение, например, рис. 9.111 . Такая схема гарантирует равенство распределения токов [* но вынуждает выравнивать напряжения в цепочке ] . <-

116 Или отрицательный температурный коэффициент \(V_{BE}\) при постоянном \(I_C\) . <-

117 На рисунке приведена упрощённая схема. На практике биполярные транзисторы стоит заменять парами Дарлингтона или Шиклай, а несимметричный драйвер полезно заменить парафазным каскадом, работающим от дифференциальных сигналов входного каскада. Для усилителя мощностью 150 W , вероятно, потребуется запараллеливать транзисторы, чтобы удержать температуру в допустимых пределах. Для МОП варианта балластные резисторы не нужны. <-

118 МОП транзисторы с плоскостной структурой довольно трудно достать, поэтому для задания смещения выходной пары на обычных комплементарных МОП приборах можно использовать схему 3.119B , заменив «\(V_{BE}\) диод» обычным МОП транзистором. Такой вариант блокирует тепловой разгон, потому что температурный коэффициент МОП транзисторов при низких токах больше, чем при высоких, см. рис. 3.115 .   <-

119 Или вообще без радиатора. Впечатляющие цифры \(I_{D(MAX)}\) в справочных данных могут подвигнуть к полному отказу от теплоотводов, даже если речь идёт о переключении существенных токов стока. <-

120 Того же производителя - Fairchild Semiconductor. <-

121 Цифры увеличиваются до 3.6 mΩ , 180 mV и 9W при \(T_J\)=150°C . <-

122 Они упаковываются в крупные корпуса SOT-227 с лепестком для винтового крепления и изолированным металлическим основанием. Такие корпуса называют также “ISOTOP” и “miniBLOC”. <-

123 Возможно, правильнее говорить об отсутствии гарантии, что они не откажут. <-

124 Некоторые более новые модели с точной геометрией кристалла оказались слишком нежными, см. IR App Note AN-1155. <-

Previous part:

Next part: