Шапка

3.4 Ключи на полевых транзисторах (II)

3.4.3 Некоторые примеры схем с аналоговыми ключами

Большая часть задач для аналоговых ключей связана со схемами на операционных усилителях, которые рассматриваются в Части _4 . В этом параграфе рассматриваются несколько задач, не требующих ОУ. Они позволят понять, где обычно используются ключи.

3.4.3.A Переключаемый RC фильтр низких частот

На рис. 3.82 показан простой RC ФНЧ с изменяемой частотой среза. Мультиплексор выбирает один из четырёх задающих частоту резисторов, для чего нужен 2-разрядный адрес. Мультиплексор стоит прямо на входе перед резисторами, чтобы уменьшить инжекцию заряда за счёт подключения к точке с низким импедансом [* инжекцию так уменьшить нельзя, можно лишь снизить амплитуду выброса в линии ] . Другой вариант - выбирать конденсатор . Если требуются очень большие постоянные времени, то можно действовать и так, но на высоких частотах ограничителем станет отношение \(R_{ON}/R_{series}\) . На схеме отмечен буфер с единичным усилением, т.к. выходной импеданс схемы получается достаточно большим. В Части _4 будет показано, как делать «идеальные» повторители ( с высокой точностью усиления, высоким \(Z_{in}\) , низким \(Z_{out}\) , отсутствием смещения \(V_{BE}\) и т.п. особенностями ). Конечно, если каскад после фильтра уже имеет большое входное сопротивление, дополнительный буфер не требуется.

Рис. 3.82   Выбор параметров ФНЧ с помощью аналогового мультиплексора

В схеме 3.83 используются четыре независимых ключа вместо мультиплексора. Если взять резисторы указанных номиналов, можно получить 15 равноотстоящих частот фильтра, выбираемых активацией соответствующих ключей 76 .

Рис. 3.83   RC фильтр с 15 равноотстоящими частотами среза

Упражнение 3.9
Укажите частоты «-3dB» схемы 3.83 . Оцените амплитуду выброса при переключении усиления, предполагая, что инжекция заряда ключа равна 20 pC и распределяется равномерно между входным и выходным выводами ключа, а источник сигнала имеет низкий импеданс.

3.4.3.B Усилитель с переключаемым коэффициентом передачи

Та же идея с переключаемыми резисторами позволяет получить усилитель с переключаемым коэффициентом передачи ( рис. 3.84 ). Это совершенно стандартный метод работы с ОУ, но в данном случае он используется в усилителе с эмиттерной дегенерацией. Чтобы расширить диапазон коэффициентов передачи до уровней ниже единицы, в качестве эмиттерной нагрузки задействован источник тока. Для выбора резистора используется мультиплексор. Блокировочный конденсатор нужен для отвязки тока покоя от величины усиления.

Рис. 3.84     (A) Выбор резистора установки усиления в схеме с эмиттерной дегенерацией с использованием мультиплексора. (B) Аналогичная схема с операционным усилителем, о которых повествует Часть _4

В схеме 3.84A сопротивление \(R_{ON}\) входит в расчётные формулы, а в 3.84B мультиплексор подключает отводы делителя к высокоимпедансному входу ОУ, поэтому величина \(R_{ON}\) на точность усиления не влияет. Более сложные варианты данной схемы показаны на рис. 5.59 , 5.62 и 5.80 .

3.4.3.C Схема выборки-хранения

На рис. 3.85 показана схема «выборки-хранения» ( S/H ), которая очень удобна, если надо преобразовать аналоговый сигнал в поток цифровых значений, т.е. провести «аналого-цифровое преобразование». Схема позволяет зафиксировать конкретный аналоговый потенциал на время измерения. Конструкция несложна: буфер с единичным усилением создаёт низкоимпедансную копию входного сигнала и подаёт его на конденсатор. Для фиксации уровня достаточно разомкнуть ключ. Высокий входной импеданс второго буфера ( на его входе должны стоять ПТ, чтобы удержать близкий к нулю входной ток ) не позволяет емкости разряжаться. Мгновенное значение напряжения хранится на конденсаторе до следующего замыкания ключа.

Рис. 3.85   Схема «выборки-хранения»

Упражнение 3.10
Входной буфер должен обеспечить некоторый ток, чтобы заставить напряжение на конденсаторе точно следовать за изменениями сигнала. Подсчитайте пиковый выходной ток буфера, если на входе схемы синусоидальный сигнал 1 V@10 kHz .

Схему выборки-хранения можно существенно улучшить, если охватить её обратной связью, как это делается в §4.5.2 . На самом деле, есть законченные интегральные схемы. Например, AD783 уже имеет внутри конденсатор хранения, устанавливает выход с точностью 0.01% за 0.25 μs , а потенциал на конденсаторе хранения снижается со скоростью <0.02 μV/μs . Приятно, когда кто-то делает работу за тебя!

3.4.3.D Преобразователь напряжения на летающем конденсаторе

Есть отличный метод ( рис. 3.86 ) создания отрицательного напряжения питания в схеме, имеющей только положительный источник. Через пару ключей слева \(C_1\) подключается к положительному источнику и заряжается до \(V_{in}\) В это время ключи справа находятся в разомкнутом состоянии 77 . Затем ключи на входе размыкаются, а на выходе замыкаются, подключая \(C_1\) к выходной цепи и пропуская порцию заряда на \(C_2\) . Ключи соединены таким образом, чтобы \(C_1\) подключался к выходу с обратной полярностью, создавая отрицательное напряжение. Данное устройство часто называется преобразователь напряжения «с накачкой заряда» ( «charge-pump» ). Впервые предложен фирмой Intersil ( ИМС 7660 ) и сейчас существует в виде множества улучшенных вариантов, в том числе удвоителей и вариантов с постстабилизацией напряжения. Эта схема активно встраивается в более сложные кристаллы, требующие двойного питания, например, микросхемы драйверов интерфейса RS-232C. Схемы накачки заряда подробно разбираются в §9.6.3 .

Рис. 3.86   Инвертор напряжения на летающем конденсаторе

3.4.3.E Цифровые потенциометры

Было бы здорово управлять переменным резистором электронным способом, например, менять громкость с помощью пульта дистанционного управления. Задача типовая, и полупроводниковая промышленность предлагает самые разнообразные переменные резисторы с электрическим управлением, известные как EEPOT, E2POT или просто цифровые потенциометры . Цифровой потенциометр выполнен в виде длинной цепочки резисторов и массы ключей на ПТ, которые подключают нужный отвод к выводу движка ( рис. 3.87 ). Заданное положение движка выбирается цифровым кодом ( см. Часть 10 и далее ) 78 . Цифровые потенциометры выпускают в одиночном, двойном и многоканальном исполнении. Многие модели имеют память, которая хранит текущее положение движка даже в отсутствие питания. Есть варианты с нелинейной характеристикой, например, для регуляторов громкости удобнее выражать ступени номинала в децибелах, т.е. при каждом шаге происходит одинаковое процентное изменение относительно предыдущего состояния. Отметим, что в любой конфигурации \(R_{ON}\) ключа видно как последовательное сопротивление на выходе ( на «движке» ).

Рис. 3.87   ИМС «цифрового потенциометра». Внутренняя цифровая логика выбирает один из n ключей, подсоединяя к выходу один из отводов цепочки из n-1 резисторов

В качестве примера, сайт Analog Devices выдаёт список из нескольких десятков цифровых потенциометров, имеющих от 32 до 1024 градаций сопротивления. Судя по количеству, наиболее востребованный формат - 256 ступеней. Число каналов в одной ИМС варьируется от 1 до 6 ( 1- и 2-канальные - самые популярные ). Все используют последовательное подключение к процессору, где, независимо от длины управляющего слова, требуются только два или три вывода. Средняя цена в партии 1000 шт. порядка $1. В линейке Maxim/Dallas имеются модели с линейной и логарифмической характеристикой. Понятие «характеристика» появилось в доцифровую эпоху и обозначает зависимость изменения сопротивления от угла поворота движка ( логарифмическая используется в звуковой технике ). Опять же, есть и одиночные, и сдвоенные варианты до 1024 градаций. А Intersil предлагает даже цифровые конденсаторы 79 .

3.4.4 Логические МОП ключи

Совершенно иной областью использования ключей на полевых транзисторах являются логические и силовые переключательные схемы. Разница очевидна: в аналоговых ключах ПТ пропускает или блокирует сигнал, который может иметь любой уровень, попадающий в некоторый диапазон напряжений. Обычно речь идёт о низковольтных сигналах малой мощности. В логических ключах сигнал может принимать только потенциал одного из уровней полного размаха питания, т.е. имеет цифровую природу и представляет два логических состояния - ВЫСОКОЕ и НИЗКОЕ. Промежуточные напряжения не используются, нежелательны и вообще недопустимы! Наконец, «силовые ключи» занимаются подачей мощности в нагрузку, лампы, реле, моторы. В таких задачах и напряжения, и токи могут иметь изрядную величину. Разберёмся сначала с логическими ключами.

На рис. 3.88 показаны простейшие варианты логических ключей. Обе схемы используют в качестве нагрузки резистор и выполняют логическую функцию, называемую «инверсия»: входной ВЫСОКИЙ уровень вызывает появление НИЗКОГО состояния на выходе и наоборот. n-канальный вариант замыкает выход на землю, когда на затворе ВЫСОКИЙ уровень, а p-канальный подтягивает резистор к положительной шине, когда на затворе НИЗКИЙ уровень. Отметим, что МОП транзисторы в этих схемах используются в качестве усилителей с общим истоком, а не истоковых повторителей. От цифровых логических схем, подобных показанным, обычно требуется некоторое выходное напряжение ( «логический уровень» ), соответствующий определённому входному напряжению. Резистор здесь работает пассивной стоковой нагрузкой, подтягивая выход к нужному уровню питания, когда транзистор выключен. Его можно заменить лампочкой, реле, иголкой в головке принтера или какой-нибудь мощной нагрузкой, как в схеме 3.3 . Хотя при управлении мощной нагрузкой используется тот же инвертор, его задача чуть иная: включать и выключать потребителя.

Рис. 3.88   Логические инверторы на n- и p-МОП транзисторах с резистивной «подтяжкой»

3.4.4.A КМОП инвертор

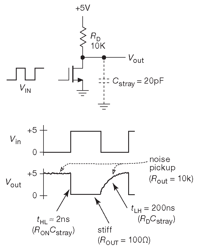
n- и p-МОП инверторы со схемы 3.88 потребляют ток во включённом состоянии и обладают довольно высоким выходным импедансом в состоянии ВЫКЛЮЧЕНО. Выходной импеданс можно снизить ( уменьшив номинал \(R\) ), но только ценой увеличения рассеиваемой мощности. Верно и обратное. Но высокий выходной импеданс полезен только источникам тока. Даже если дальше стоит высокоомная нагрузка ( например, другой инвертор ), выходное сопротивление схемы открывает путь для наводок через емкостные связи и затягивает фронт при переходе из состояния ВКЛЮЧЕНО в состояние ВЫКЛЮЧЕНО из-за распределённых паразитных емкостей. Рис. 3.89 показывает, какой сигнал будет на n-МОП инверторе с компромиссным номиналом подтягивающего сопротивления 10 kΩ .

Рис. 3.89   Высокий выходной импеданс выключенного n-МОП инвертора затягивает время возрастающего фронта и подвержен воздействию шума от емкостных наводок

Ситуация повторяет проблемы эмиттерного повторителя ( §2.4.1 ), в котором мощность, рассеиваемая в пассивном режиме и передаваемая в нагрузку, есть предмет для такого же компромисса. Решением в данном случае будет активная симметричная конфигурация, особенно подходящая для МОП переключателей. Схему на рис. 3.90 можно рассматривать как симметричный переключатель. Уровень земли на входе выключает нижний транзистор и включает верхний, переводя выход в ВЫСОКОЕ состояние. Входное напряжение на уровне питания ( \(+V_{DD}\) ) вызывает обратную реакцию, опуская выход до земли. У такого инвертора низкий выходной импеданс в обоих состояниях и полностью отсутствует ток покоя. Схема называется КМОП ( комплементарный МОП ) инвертор и является базовым элементом всей КМОП логики - основы для построения БИС и СБИС ( LSI и VLSI ). Цифровые КМОП микросхемы практически полностью заменили прежние логические семейства, выполненные на биполярных транзисторах ( например, транзисторно-транзисторную логику ТТЛ ). Отметим, что КМОП инвертор собран на двух последовательно соединённых ключах противоположной полярности, которые активируются попеременно, а аналоговые КМОП ключи, разбиравшиеся ранее, выполнены на таких же ключах, но соединённых параллельно , и активируются одновременно.

Рис. 3.90   КМОП инвертор и его схемный символ

Упражнение 3.11
Комплементарные МОП транзисторы в КМОП инверторе включены по схеме с общим истоком, а комплементарные биполярные транзисторы в симметричном выходном каскаде ( §2.4.1 , рис. 2.69 ) включены эмиттерным повторителем ( неинвертирующим ). Попробуйте нарисовать «комплементарный биполярный инвертор», аналогичный КМОП схеме. Почему он не будет работать?

3.4.4.B Прочие КМОП вентили

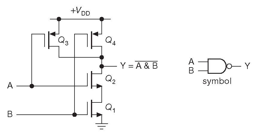
Цифровые КМОП схемы разбираются в материале, посвященном логическим схемам и процессорам ( Части 10 и далее ). На данный момент понятно, что КМОП - молопотребляющие схемы с нулевым током покоя, высокоимпедансным входом и низкоомным выходом, переключающиеся между уровнями питания. Но трудно удержаться от того, чтобы не показать ещё одну КМОП схему ( рис. 3.91 ). Это логический вентиль «И-НЕ». Его выход переходит в НИЗКОЕ состояние, только когда на входе «A» И на входе «B» одновременно ВЫСОКИЙ уровень. Принцип работы понять неожиданно легко. Если «A» и «B» оба ВЫСОКИЕ, последовательные n-МОП транзисторы \(Q_1\) и \(Q_2\) находятся во ВКЛЮЧЁННОМ состоянии и замыкают выход на землю, а p-МОП \(Q_3\) и \(Q_4\) ВЫКЛЮЧЕНЫ, т.е. ток через них не течёт. Но если на «A» ИЛИ «B» ( или на обоих разом ) НИЗКИЙ уровень, то соответствующий p-МОП транзистор включается, а n-МОП выключается. В результате ток через последовательное соединение \(Q_1Q_2\) не течёт, а \(Q_3\) или \(Q_4\) ( или оба ) подтягивают выход к ВЫСОКОМУ уровню.

Рис. 3.91   КМОП вентиль «И-НЕ» и его схемный символ

Схема называется «И-НЕ», потому что выполняет функцию И , но имеет при этом инвертированный выход ( НЕ ), т.е. И , а затем НЕ , или И-НЕ . За разбором её работы по-хорошему надо обращаться к Части 10 , но полезно будет решить несколько задач.

Упражнение 3.12
Нарисуйте КМОП вентиль «И». Подсказка И = НЕ( И-НЕ ) .

Упражнение 3.13
Нарисуйте вентиль «ИЛИ-НЕ». Его выход должен быть НИЗКИЙ, если какой-нибудь ( или оба ) вход в ВЫСОКОМ состоянии.

Упражнение 3.14
Попробуйте нарисовать элемент «ИЛИ».

Упражнение 3.15
Нарисуйте 3-входовой КМОП вентиль «И-НЕ».

Вся КМОП логика собрана из различных комбинаций этих исходных элементов. Их ключевые особенности - очень низкая рассеиваемая мощность и низкоомный выход с уровнями питания делают КМОП микросхемы естественным выбором разработчика и объясняют популярность этой технологии, а микропотребляющие устройства, подобные наручным часам, ни на чём другом сделать просто нельзя.

Чтобы не оставить неправильное впечатление, заметим, что у КМОП логики не нулевая потребляемая мощность. Есть два механизма рассеивания мощности.

  1. При изменении состояния КМОП выход должен обеспечить ток переходного процесса \(I=CdV/dt\) , чтобы перезарядить все нагрузочные ёмкости ( рис. 3.92 ). Речь идёт о емкостях монтажа ( «распределённая» ёмкость ) и входных емкостях логических элементов, на которые, собственно, и нагружен выход. Фактически из-за того, что сложные кристаллы содержат внутри много вентилей, и каждый нагружен на какую-то внутреннюю ёмкость. В ИМС, где есть переключение внутренних цепей, есть и некоторый ток потребления, даже если внешней нагрузки нет. Совсем не удивительно, что «динамический» ток пропорционален частоте переключения.
  2. Рис. 3.92   Ток зарядки емкостей. Средний ток источника питания пропорционален частоте переключения и равняется \(I=CV·f\)

  3. Второй механизм появления тока в КМОП схемах показан на рис. 3.93 . Хотя вход переключается между напряжениями питания и земли, в промежутке между ними есть уровень, когда оба транзистора находятся в проводящем состоянии. В этой зоне между шинами течёт большой импульсный ток, который зовётся током «класса-A», «сквозным» или током «короткого замыкания» . Следствия этого явления подробно расписаны в Частях 10 , 11 и 12 . Закладываясь на КМОП, следует учитывать дополнительный недостаток этой технологии ( и фактически всех МОП транзисторов ) - чувствительность к статическому электричеству. Подробнее об этом в §3.5.4.H .
  4. Рис. 3.93   Когда напряжение на затворе КМОП инвертора занимает промежуточное положение между \(V_{DD}\) и землёй, оба МОП транзистора чуть приоткрываются, и через них начинает течь сквозной ток ( это режим «класса-A» )

76 Самый простой способ удостовериться, что все частоты «-3dB» кратны самой низкой частоте среза - переписать соотношение для частоты с использованием проводимости параллельного соединения выбранных резисторов: \(f_{3dB}=1/(2πR_PC)=G_P/(2πC)\) . Это легко, т.к. проводимость параллельного соединения резисторов есть сумма отдельны проводимостей. Поэтому для данной схемы \(f_{3dB}=n·G_{80k}/(2πC)\)=199·n Hz, где \(G_{80k}\)=12.5 μS , \(C\)=10 nF , а n - целое число, отражающее состояние линий \(A_n\) , n=1...15 . <-

77 Компонент в виде треугольника называется «инвертором» и превращает ВЫСОКОЕ логическое напряжение в НИЗКОЕ и наоборот. Чуть дальше будет показано, как собрать такой элемент, а в Частях 10 , 11 , 12 , 13 и 14 они будут использоваться весьма активно. <-

78 Имеются две разновидности. Одна использует последовательный протокол, и требуемое положение движка передаётся в числовом виде под управлением микропроцессора. Во второй положение движка изменяется кнопками «+1» и «–1», а внутренняя память хранит текущее положение. <-

79 Вариант с выбором отвода в цепочке резисторов работает в цифро-аналоговых преобразователях ( см. §13.2.1 ), а цифровые конденсаторы используются в АЦП с распределением заряда ( см. §13.7 ).   <-

Previous part:

Next part: