Шапка

12.1 (II) Сопряжение КМОП и ТТЛ

12.1.4 Работа с логическими входами

12.1.4.A Переключатели, как устройства ввода

Управлять цифровыми входами с переключателей, клавиатур, компараторов и т.д. легко, если принимать во внимание параметры используемого семейства. Проще всего получить правильный логический уровень с помощью резистора подтяжки на питание или землю ( рис. 12.13 ). Для КМОП логики работают оба варианта подтяжки, потому что входы ток не потребляют, а порог лежит в диапазоне от 0.3 до 0.5 \( V_+\) . Удобно заземлить один из контактов переключателя, но схема будет работать, если при замыкании кнопки на вход будет подаваться ВЫСОКИЙ уровень, потому что резистор на землю работает столь же хорошо. А вот с биполярными ТТЛ картина иная. Их входы являются источниками заметного тока ( в состоянии НИЗКИЙ 74F’ выдаёт 0.6 mA ), поэтому здесь уместна только конфигурация с резистором на питание и заземлённым ключом.

Рис. 12.13   Подключение механического ключа к логическому входу ( схема защиты от дребезга отсутствует ). Если ключ стоит далеко от вентиля, то полезно поставить рядом с микросхемой небольшой конденсатор ( 100...1000 pF ), чтобы давить шум, лезущий на вход через длинный провод

12.1.4.B Защита от дребезга

Как отмечалось в Части 10 , контакты механических ключей склонны к «дребезгу» - колебаниям сопротивления контакта сразу после замыкания со временем процесса, исчисляемым миллисекундами. Для крупногабаритных переключателей дребезг может продолжаться 50 ms . Такое поведение вносит беспорядок в схему, чувствительную к смене состояния линии или к фронту ( триггеры и счётчики могут переключаться несколько раз, если их соединить с контактом напрямую ). Подобные схемы требуют обязательной электронной защиты от дребезга. Вот несколько методов.

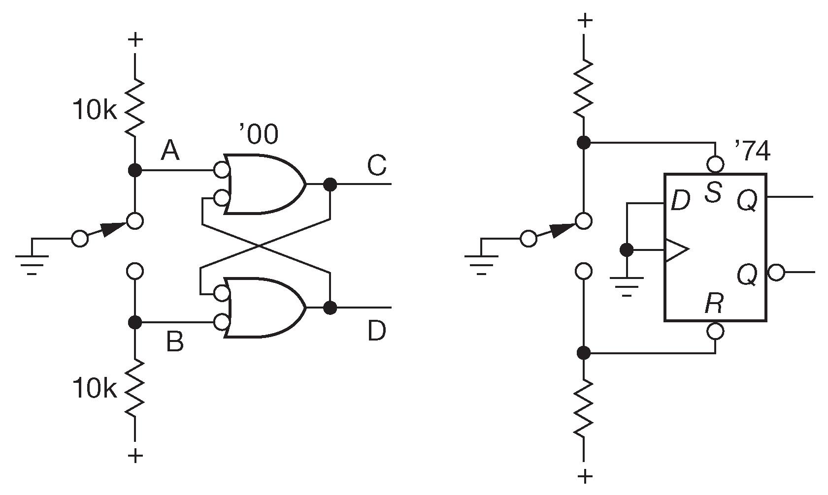
  • Можно задействовать пару вентилей для организации самодельного RS-триггера. Не забывайте о подтяжках на входных линиях ( рис. 12.14 и 12.15 ) Здесь можно использовать триггер, имеющий входы «SET» и «CLEAR», например, ’74. Такое включение требует, чтобы на тактовом входе был постоянный уровень ( здесь земля ).

Рис. 12.14   Защита от дребезга на RS-триггере. Его можно собрать из подручных материалов или взять стандартный триггер, имеющий входы асинхронной установки и сброса
Рис. 12.15   Сигналы в схеме, собранной на 3-вольтовой КМОП логике ( ’HC00 ) и переключающей кнопке ( «один контакт, два направления» - SPDT ) C&K 8121. Обратите внимание на задержку между размыканием контакта «A» и первым замыканием контакта «B», появляющегося в процессе перекидывания механических деталей кнопки. По горизонтали 100 μs/div , по вертикали 5 V/div

  • Неинвертирующий буфер, охваченный обратной связью ( рис. 12.16 ), может работать в качестве «стабилизатора шины» . В такой конфигурации хорошо встают любые неинвертирующие вентили ( ’1G34, ’08, ’32 ), выход которых возвращается на их же вход. Осторожные разработчики, любящие подстраховаться, замыкают обратную связь через резистор ( как на рисунке ), чтобы ограничить мгновенный бросок тока при изменении состояния ключа, но, можете поверить авторам, его спокойно можно выбросить _9   [* я бы не был так уверен, лучше жить с резистором, не думая о типе применяемой микросхемы ( ТТЛ, КМОП и проч. ) ] . TXB0101 ( §12.1.3 , рис. 12.9K ) - один из многих автоматических «двунаправленных трансляторов логических уровней», сохраняющий своё состояние, но допускающий его изменение с любого направления.

Рис. 12.16   Защита от дребезга с использованием схемы поддержания состояния шины «bus keeper». Такая конфигурация сохраняет своё состояние в отсутствие внешнего воздействия

  • Можно использовать замедляющую RC цепочку на входе триггера Шмитта ( рис. 12.17 и 12.18 ). Получившийся фильтр нижних частот сглаживает дребезг, заставляя триггер Шмитта переключиться только один раз. Хорошо работают постоянные времени 1...10 ms . Метод плохо подходит для биполярных ТТЛ микросхем, потому что им нужен низкий импеданс входной цепи.

Рис. 12.17   Использование RC цепочки для сглаживания дребезга на входе триггера Шмитта, который обострит фронт
Рис. 12.18   Временная диаграмма работы схемы, собранной на 3-вольтовом ’HC14 вентиле и кнопке Microswitch 1PB13. По горизонтали 400 μs/div , по вертикали 2 V/div

  • Можно использовать тактируемую схему, которая будет проверять состояние входа в моменты отсутствия дребезга. Проще всего тактировать триггер с периодом, который с запасом превышает время установления надёжного контакта, например, с частотой 100 Hz ( рис. 12.19 ). Существуют специальные микросхемы, скажем, MAX6816/7/8 ( одно-, двух- и восьмивходовая схема защиты от дребезга ). Эти чипы проверяют состояние входа несколько раз, дожидаясь, пока он не перейдёт в стабильное состояние, после чего пропускают чистый сигнал на выход. Все нужные для подобной задачи компоненты ( генератор, счётчик, логика ) располагаются внутри корпуса. На входах есть встроенные подтяжки и защита от перенапряжений ±25 V . Питание от 2.7 до 5.5 V . К микросхеме надо просто подсоединить заземлённый ключ, и всё ( рис. 12.19 ). Аналогичными функциями обладает MC14490 - 6-входовая схема защиты от дребезга. Она относится к семейству 4000B и работает при напряжении 3...18 V . Подтяжки на входах в наличии, но требуется внешний времязадающий конденсатор. [* Защита от дребезга - только одна из многих функций этого примечательного устройства. Рекомендуется ознакомиться с её справочными данными ] . Ещё один вариант – «супервизоры питания», которые изначально предназначались для контроля моментов проседания питания и формирования аккуратного импульса сброса после исчезновения помехи. Многие такие кристаллы имеют дополнительный вход ручного сброса, требующий только внешней кнопки, и вполне пригодны для работы подавителем дребезга.

Рис. 12.19   Схемы защиты от дребезга с тактированием. Самый простой вариант - простой D-триггер, тактируемый медленным сигналом. Есть методы и лучше, например, кристаллы, имеющие встроенную защиту типа MAX6816/7/8 и MC14490 или TPS3836/7/8

[* 3-выводными супервизорами ( «VDD», «земля», «/сброс» ) можно управлять и без дополнительного входа - только по линии контролируемого питания, имитируя помеху, но работает такая схема только для вариантов с активным НИЗКИМ выходом сброса. На вход «VDD» вешается подтяжка на питание и заземлённый ключ, а «/сброс» поступает потребителю. Я к тому, что, вдруг у вас залежи таких микросхем, а вы в затруднении, куда их девать. С этим способом надо осторожнее, потому что супервизор гарантирует, что чистым будет только задний фронт импульса сброса, но как идея, почему бы и нет. Такие ИМС можно использовать в качестве одновибраторов или расширителей импульсов, например для индикации импульсной последовательности через светодиод ( если гарантированная ширина сигнала на выходе «/сброс» превышает ∼50 ms ) ] .

  • Можно использовать микроконтроллер, который будет защищать от дребезга программным способом ( рис. 12.20 ). Многие микроконтроллеры имеют на выводах встроенные подтяжки, остаётся только дождаться в цикле стабильного состояния входа. Этот метод активнее всего используется разработчиками устройств с программным управлением.

Рис. 12.20   Схемы защиты от дребезга в сложных цифровых ИМС. Микроконтроллеры используют написанную пользователем программу ( прошивку ), чтобы выполнить процедуру алгоритмической защиты от дребезга. Специализированные ИМС, рассчитанные на работу с кнопками ( подобно изображённому здесь цифровому потенциометру ) имеют внутри корпуса все требуемые подтяжки и схемы защиты

  • Наконец, бывают микросхемы со встроенной защитой от дребезга. Например, клавиатурные контроллеры изначально рассчитаны на работу с механическими контактами и, соответственно, содержат встроенную защиту от дребезга. Ещё один пример показан на рис. 12.20 – «цифровой потенциометр» с кнопочным управлением. Каждое нажатие кнопки меняет состояние внутренней схемы выбора резистора в цепочке. Такая кнопка должна быть свободна от дребезга, и она таки да [* но использовать это свойство само по себе скорее всего не получится ] .

Несколько общих соображений по ключам в качестве устройств ввода. Для первых двух методов из списка ( RS-триггер и «bus keeper» ) требуются ключи с переключающими контактами ( SPDT, иногда их называют «form C» [* см. §1.9.1.A ] ). Всем остальным достаточно простого замыкающего варианта ( SPST или «form A» ). Учитывайте, что защита от дребезга нужна не каждому переключателю, потому что не все они управляют тактовыми линиями. Ещё замечание: хорошие переключатели обладают свойством «самоочистки» контактов, но правильнее будет задать постоянный «очищающий» ток через контакты на уровне нескольких миллиампер. Специальные покрытия ( золото ) и особая форма поверхности позволяют обойти данное требование. Золотые контакты хорошо работают даже при нулевом токе. Тема развивается в Части X1 [* ##§X1.6 ] .

12.1.5 Защита входа

Во всех примерах выше молчаливо предполагалось, что сигнал, приходящий на логический вход, ведёт себя прилично, не содержит выбросов, не имеет деструктивных наклонностей и не пытается сжечь всё вокруг. Так бывает не всегда. С сигналами, приходящими из внешнего мира, можно хлебнуть горя горького, если провод от внешнего соединителя подходит прямо к ноге логической микросхемы ( рис. 12.21A ). Распространённым источником выбросов в линиях служат заряды статического электричества, активно образующиеся и накапливающиеся в сухую погоду. Треск, слышимый при снятии свитера означает, что тело приобрело статический потенциал в несколько киловольт. Это электричество накапливается в ёмкости человеческого тела ( около 100 pF ) и может разрядиться в сигнальную линию в момент подсоединения разъёма или случайного прикосновения к печатной плате без предварительной разрядки через заземлённый контакт.

Рис. 12.21 (A)   Защита логических входов от деструктивных воздействий. Без защиты. На вход приходит энергия 15 μJ при исходной величине 15 μJ . [* обратите внимание какой обширный «хѣръ» наложен на данную конфигурацию ]

Это хорошо знакомая на линиях сборки электроники проблема, поэтому полупроводниковые компоненты тестируют и классифицируют по степени стойкости к статическим разрядам. Тестирование ведут на электрической модели человеческого тела ( рис. 12.22 ). Подобно физикам, любящим проверять теории на «сферических конях в вакууме» [* в оригинале «spherical cow» ] , инженеры-электротехники упростили венец творенья до уровня RC цепочки из конденсатора на 100 pF и последовательного резистора на 1.5 kΩ 10 и проверяют этим франкенштейном надёжность микросхем. Обычно конденсатор заряжают до напряжения от 1 до 2.5 kV , но встречаются компоненты, проверенные и при 15 kV . Например, для MAX3232E - приёмопередатчика интерфейса RS-232 заявляется, что он «выдерживает электростатический разряд на выводах шины RS-232 до ±15 kV ( «human body model» ) ( т.е. со стандартной моделью человеческого тела )». На рис. 12.22 показано, как заряженная HBM создаёт импульс тока на тестируемом выводе ИС, который обязан выдерживать токовую помеху величиной ампер и более. Разрядный ток должен перенаправляться в шины питания, но внутреннее динамическое сопротивление защитных цепей ведёт к кратковременному повышению потенциала входа на десятки вольт за пределы уровней питания, высаживая всю энергию ( которую можно подсчитать ) на очень небольшой площади кристалла.

Рис. 12.22   Так инженеры-электротехники представляют себе человеческое тело ( HBM ). Микросхемы испытываются при напряжении 1 kV и выше. Таблица показывает энергию статического разряда, которая приходит на ограничительные цепи внутри ИМС, в соответствии с вариантами 12.21A , 12.21B , 12.21C и 12.21D . См. также §3.5.4.H

Микросхемы проверяются на стойкость к такого рода событиям, но масса чипов, прошедших тесты, выгорела из-за нежелания добавить внешние защитные компоненты. Особенно полезны внешние схемы, когда есть основания опасаться высокого уровня статического электричества. Часто речь идёт о простой неосведомлённости. Обратимся к рис. 12.21B . Это простая и эффективная защита. Площадь кристалла отдельного диода существенно больше, чем у p-n перехода в ИМС, поэтому и токовые броски он ограничивает лучше. Внешний резистор задаёт ток через диоды, а внутренний стабилитрон защищает от повышенного напряжения в момент разряда, ограничивая входной ток микросхемы. Можно взять готовый набор ограничительных диодов, часто в сопровождении стабилитрона ( рис. 12.23 ) для защиты симметричных линий, типа LVDS или RS-485.

Рис. 12.21 (B)   Защита логических входов от деструктивных воздействий. Ограничительные диоды на Vcc и на землю или антистатическая сборка с последовательным токоограничительным резистором. На вход приходит энергия 0.1 μJ при исходной величине 15 μJ
Рис. 12.23         Диодная сборка для защиты от «статики». В данном случае сборка производства Littel-fuse имеет очень низкий импеданс и позволяет защитить дифференциальные или несимметричные входы. Внутренний стабилитрон определяет напряжение ограничения. Можно приобрести сборки, рассчитанные на меньший ток, но с гораздо меньшей паразитной ёмкостью. Например, 5-вольтовая CTLTVS5-4 фирмы Central Semiconductor имеет максимальную ёмкость на землю 0.8 pF и 0.4 pF между линиями при 0V , пиковый ток 2.5 A , включает два защитных моста в корпусе

Вариант 12.21C использует RC фильтр для сглаживания пикового входного тока. Чтобы защита была эффективной постоянная времени должна соответствовать таковой для модели человеческого тела, т.е. 100 ns или около того ( входной резистор должен быть сравним с модельным номиналом - 1.5 kΩ ), а вход должен принадлежать триггеру Шмитта.

Рис. 12.21 (C)   Защита логических входов от деструктивных воздействий. RC фильтр и триггер Шмитта. На вход приходит энергия 4 μJ при исходной величине 15 μJ

Схема 12.21D использует другой подход. В ней сочетаются согласующий терминатор для 50-омного коаксиального кабеля ( см. Приложение _H и §12.10 ) и последовательный резистор, вместе формирующие «токовый делитель». Он ослабляет бросок тока на входе ИМС в 4 раза ( для указанных номиналов ), что соответствует 16-кратному уменьшению энергии. Далее остаточная энергия распределяется между 150-омным резистором и динамическим сопротивлением перегруженной входной цепи ИМС, это ещё 2...5 кратное её снижение. Все четыре примера предполагают, что энергия помехи составляет 15 μJ для модели человеческого тела при тестовом напряжении 2.5 kV .

Рис. 12.21 (D)   Защита логических входов от деструктивных воздействий. Кабельное согласование и последовательный резистор для ослабления энергии разряда. На вход приходит энергия 1 μJ при исходной величине 15 μJ

Наконец, если требуется железобетонная защита, можно поставить оптоизолятор ( рис. 12.24 ). В таком включении гальваническая связь логического входа с внешним миром отсутствует ( обратите внимание на плавающий разъём BNC ). Оптоизоляторы способны разделять потенциалы величиной много киловольт и встретятся ещё раз в §12.7 . Стоит обратить внимание на встречно-параллельный диод и токоограничивающий резистор. Диод часто не ставят, но это ошибка.

Рис. 12.24   Абсолютная защита: оптоизолятор. Он дороже, чем диодный ограничитель, но гарантировано удерживает неприятности за забором

12.1.6 Некоторые замечания о логических входах

12.1.6.A Подтяжки на питание и на землю

Большая часть современных цифровых микросхем относится к КМОП типу и, соответственно, статического тока по входу не потребляет. Поэтому даже очень слабой подтяжки достаточно, чтобы задать точное значение V+ или земли 11 . Здесь стоит опасаться емкостной наводки на вход. Например, она может возникать в длинном проводе от кнопки на лицевой панели, идущем в непосредственной близости от каких-либо сигнальных линий. В такой ситуации будет полезен небольшой фильтрующий конденсатор ( ∼1 nF ) рядом с высокоомным входом. Для больших микросхем ( микроконтроллеров, FPGA и т.д. ) характерно наличие встроенных подтяжек на входах, поэтому внешние резисторы не потребуются, а небольшой конденсатор всё же не помешает.

12.1.6.B Перегрузка по входу

Цифровые микросхемы имеют на входе цепь защиты от перенапряжения. Она состоит из диода, подключённого к земле, и либо второго диода на шину V+ , либо ( для 5V-совместимых семейств ) ограничительного стабилитрона. Раздел «Абсолютные максимальные значения» в справочных данных указывает границу, к которой нельзя приближаться ( для LVC’ приводятся цифры –0.5 V ≤ \( V_{in}\) ≤ +5.5 V , независимо от уровня напряжения питания, т.к. серия является «5V-совместимой» ). Но часто повреждения наносит входной ток , что специально подчёркнуто в той же таблице: «Входные и выходные отрицательные уровни напряжений могут быть превышены при условии не превышения допустимого входного и выходного тока». Эти токи ( входного и выходного ограничения ) указаны и в данном случае составляют 50 mA max. Поэтому правильнее всего будет удерживать входное напряжение в указанных пределах, но, если имеется последовательный резистор, вполне допустимо сдвигать потенциал вверх или вниз ( рис. 12.21B ).

12.1.6.C Неиспользуемые входы

Неиспользуемые входы, влияющие на состояние микросхемы ( например, «RESET» в триггере ), должны принудительно устанавливаться в логически правильное состояние. Не столь очевидно, что, даже если вход не влияет на состояние, например, вход неиспользуемого вентиля, его всё равно надо подключать либо к ВЫСОКОМУ, либо к НИЗКОМУ уровню. Дело в том, что висящие в воздухе входы сместятся к уровню переключения, переводя соответствующий выход на середину диапазона питания, где оба транзистора находятся в проводящем состоянии ( «класс-A» ). Сквозной ток выходного каскада прямо отражается на потреблении всей ИМС, а элемент с мощными выходами может просто выйти из строя. [* Зато такую микросхему легко найти по нагреву корпуса ] . Кроме того, болтающийся вход может привести к самовозбуждению.

[* Всё сказанное относится в основном к КМОП логике. Незадействованные входы ТТЛ, понятно, тоже должны подключаться к нужному логическому уровню. Но у них есть другая проблема. КМОП входы по естественным причинам можно подключать непосредственно к выводам питания, а ТТЛ напрямую можно ( и очень желательно ) подключать только к земле. Если на входе нужен постоянный ВЫСОКИЙ уровень, то подключать его к V+ можно только через резистор. Причина довольно хитрая: биполярные ТТЛ микросхемы допускают кратковременное повышение уровня питания до +7V без выхода из строя, а вот с их логическими входами такой номер не пройдёт. Для входов 5.5 V - абсолютный максимум. Именно поэтому между V+ и ТТЛ входом надо ставить токоограничивающий резистор ] .

12.1.7 Подключение цифровых входов к компараторам и ОУ

Компараторы ( и иногда операционные усилители ) вместе с аналого-цифровыми преобразователями являются обычным источником входных сигналов для цифровых схем ( см. §4.3.2.A ). Если в схеме стоит микроконтроллер ( Часть 15 ), то все проблемы сопряжения уже решены разработчиком микросхемы. Но иногда требуется подключить компаратор ( или ОУ ) к логическому входу. Здесь нет никаких трудностей, но требуется учитывать допустимый диапазон входных сигналов ведомой цифровой схемы. Рассмотрим несколько примеров ( здесь удобно пользоваться данными из табл. 12.1 на стр. 812 и табл. 12.2 на стр. 813 , дабы не упускать деталей обсуждения ).

12.1.7.A Компаратор на входе цифровой схемы

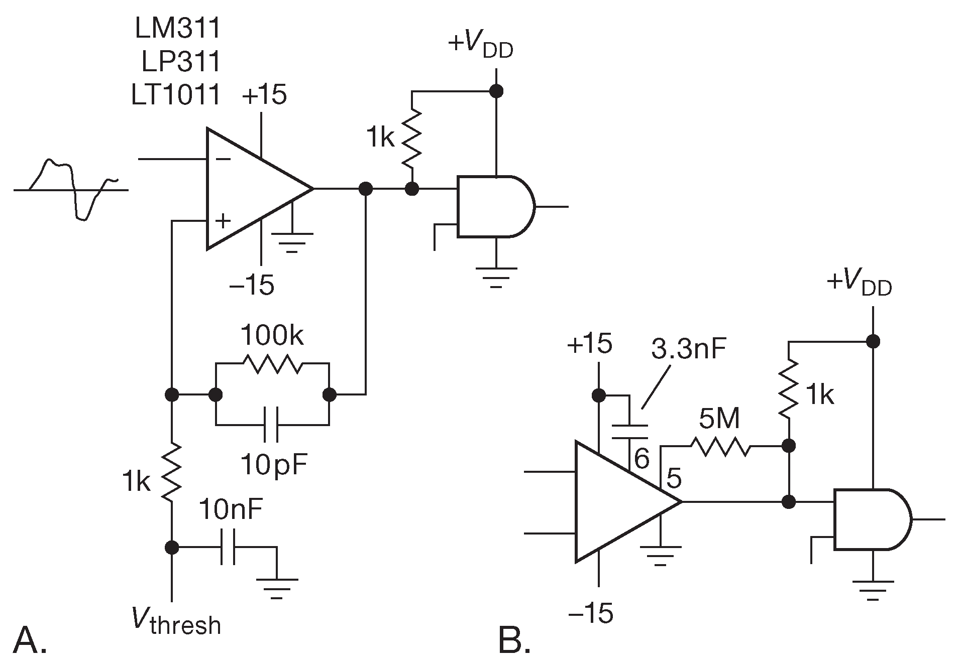
На рис. 12.25 показаны стандартные способы подачи сигнала с компаратора на цифровой вход ( расширенная дискуссия по данному вопросу отложена до §12.3 ). Неизменно популярный LM311 ( и его улучшенная версия LT1011 ) имеет универсальный выход с открытым коллектором с отдельным выводом «земли», задающим НИЗКИЙ уровень. На данный вывод можно подавать любой потенциал из диапазона от V- до V+ . Резистор подтяжки, понятно, задаёт ВЫСОКИЙ уровень. В упомянутых таблицах такая конфигурация обозначается как «FL» ). Некоторые компараторы, например AD790, используют внутреннюю активную подтяжку, но требуют подключения питания для логической части на вывод «VL». Многие скоростные модели, работающие от низкого напряжения, просто используют вывод «V+» как потенциал ВЫСОКОГО логического уровня, но предоставляют отдельный вывод «земли» логической части. Пример такой конструкции - LT1016. Это очень приятная микросхема, в конструкцию которой внесены специальные элементы, предотвращающие многократные переключения и генерацию. LT1016 имеет уровни ТТЛ ( «земля» и +3.5 V , про который сказано, что он попадает в диапазон ≥ 2.4 V и ≤ 5V , т.е. его можно подключать только к «5V-совместимым» входам ). Дальше идёт большая группа низковольтовых компараторов «с одним питанием». Характерным представителем является TLC3702 ( в таблицах такие микросхемы маркируются «CM to neg.rail» ). Такие компараторы просто переключают свои выходы между уровнем «земли» и V+ . Модели, допускающие более высокие уровни питания ( классический LM393 [* см. рис. 4.86 ] ) обычно имеют выходы с открытым коллектором ( стоком ), требуют внешнюю подтяжку и довольно неторопливы. ( В таблицах отмечаются «OK», «OD» ).

Рис. 12.25   Подключение компараторов к цифровой логике

Схемы на рис. 12.25 не учитывают существование таких удобных приёмов, как гистерезис, о котором говорилось в §4.3.2.B и §2.2.2.E . Будет полезно вспомнить. На рис. 12.26 показана классическая схема триггера Шмитта, собранного с гистерезисом 1% от Vpp и небольшим ускоряющим конденсатором. Источник \( V_{THRESH}\) должен иметь низкий импеданс ( ≪ 1 kΩ ), который может обеспечить буфер на ОУ. Альтернативная схема использует особенности LM311: выводы подстройки ( 5 и 6 ) для задания величины гистерезиса ( через резистор 5 kΩ ) и подключения укоряющей цепи ( конденсатор 3.3 nF ) 12 . На рис. 12.27 показан результат для LM311 с гистерезисом 10% и без него. Отметим, что в первом случае заметна асимметрия точек переключения. По рис. 12.27 этого не видно, но подача на компаратор без гистерезиса медленно меняющегося сигнала равносильна запросу на приключения. Поверьте, они не замедлят появиться [* см. рис. 4.31 или 12.11 ] .

Рис. 12.26   Пороговый детектор с гистерезисом. (A) Универсальная схема, подходящая для любого компаратора. (B) Альтернативный вариант, использующий особенности LM311
Рис. 12.27   Выход LM311, на который подан синусоидальный сигнал 1.5 Vpp@1 kHz с подтяжкой на +3.3 V . Сверху без гистерезиса, снизу с гистерезисом 10% ( 100 kΩ в обратной связи, 11 kΩ на землю ). По горизонтали 200 μs/div

Наконец, рис. 12.28 показывает эффект от воздействия ускоряющего конденсатора в обратной связи триггера Шмитта. Без него положительная обратная связь на неинвертирующем выводе чуть замедляется за счёт суммарной ёмкости входа и монтажа, поэтому сигнал, замусоренный низкоуровневым высокочастотным шумом, может вызвать множественные срабатывания компаратора с бездействующей обратной связью. Но даже очень маленький конденсатор в обратной связи ( здесь всего 5 pF ) полностью снимает проблему ( нижняя пара лучей ). Только не перестарайтесь с ёмкостью: большой конденсатор вызовет сильное изменение уровня гистерезиса с неприятно большим временем восстановления. [* И, если не используете конкретно LM311, не берите за образец номиналы возле LM311 на схеме 12.26B : у него свои методы работы с плохими фронтами ] .

Рис. 12.28   Небольшой ускоряющий конденсатор ( нижняя пара лучей ) компенсирует замедление ( средняя пара ), вызванное входной ёмкостью триггера Шмитта. Картинка, аналогичная рис. 12.27 , но растянутая по горизонтали и вертикали, чтобы показать подробности процесса, и с синусоидальным входным сигналом частотой 10 kHz , чтобы показать наклон. По горизонтали 400 ns/div

12.1.7.B Ведущий: операционный усилитель, ведомый: цифровая логика

Аналоговый сигнал на входе цифровой микросхемы? О чём может идти речь? Дело в том, что иногда операционный усилитель используется в качестве компаратора, например, как детектор разряда батареи. Его выход переключается между уровнями питания или близко к ним. Всё, что нужно, - подать сигнал на цифровую логику. Как и в случае компараторов, единственный фактор, требующий учёта, - уровни переключения цифровых входов.

Типовые схемы показаны на рис. 12.29 . Если ОУ запитан от того же напряжения, что и цифровые схемы ( т.е., скорее всего, такой ОУ относится к виду RRO и имеет полный диапазон питания на выходе ), его можно подключить к цифровому входу напрямую. На рисунке используется либо 5-вольтовая логика, либо ИМС с «5V-совместимыми» входами, запитанная от меньшего напряжения ( LV, LVC или LVX, см. рис. 12.3 ). Если размах сигнала ОУ больше питания логики или уходит ниже её нулевого уровня, требуется схема удержания входного напряжения в допустимых границах. Одним из решений будет инвертор на n-МОП транзисторе. Пойдёт и пассивная ограничивающая цепь с защитным диодом, подсоединённая к питанию логической части. Авторы не являются поклонниками последнего метода, т.к. он требует трёх компонентов ( и ухудшает время переключения ), но схема рабочая. Независимо от выбранного способа, надо учитывать, что на выходе операционного усилителя присутствует аналоговый сигнал со скоростью нарастания, ограниченной обратной связью [* не внешней, так внутренней ] . Он меняется гораздо медленнее, чем нормальный логический сигнал. Другими словами, не стоит ждать чистого переключения. В целом это вполне допустимый способ приведения выхода ОУ к логическому значению.

Рис. 12.29   Подключение выхода ОУ к цифровым входам

12.1.7.C Тактовые входы: гистерезис

Общее замечание по поводу управления цифровыми сигналами с выхода ОУ. Никогда не заводите аналоговые сигналы на тактовые входы. Скорость изменения аналоговых сигналов слишком низка, и в момент их перехода через порог на выходе неизбежно будут возникать множественные переключения. Если нужно управлять тактовыми входами счётчиков, триггеров, одновибраторов и т.п. следует использовать компараторы с гистерезисом ( рис. 12.26 ) или буферировать входной сигнал триггером Шмитта ( ’14 в любом семействе ). Всё сказанное выше в равной мере относится к любым линейным схемам интегральные ли они, транзисторные ли.

9 Передавливать состояние логического выхода замыканием его на V+ или 0V допустимо при условии кратковременности данного действия [* т.е. недопустимо ] . В данной схеме с кратковременностью всё в порядке: время короткого замыкания равно времени распространения сигнала через вентиль, после которого элемент переходит в новое состояние и защёлкивается в нём. <-

10 JEDEC стандарт JESD22-A114D от 2006 года. <-

11 Следует иметь в виду, что ТТЛ входы не столь дружественны. Их входной источник тока выдаёт наружу заметный ток ( до миллиампера ) при НИЗКОМ уровне и принимает совсем небольшой, но ненулевой, ток ( десятки микроампер ) при ВЫСОКОМ. Эта асимметрия ведёт к тому, что ТТЛ входы практически всегда снабжаются подтяжками к положительному питанию, а входные сигналы имеют активный НИЗКИЙ уровень ( отбирают ток ). Т.е. стандартная конфигурация для ключей, кнопок и т.п. - заземлённый контакт. По этой же причине такое соединение имеет высокую помехоустойчивость. Подтянутый к V+ вход имеет в запасе +3V для помех, а для НИЗКОГО уровня только ∼0.8 V . <-

12 Такой трюк и его варианты подробно описаны в справочных данных на LT1011, кроме того, что-то можно найти в оригинальных данных National на LM311. <-

Previous part:

Next part: