Шапка

5.17 (I) Полностью дифференциальные усилители

Термин «полностью дифференциальный усилитель» ( или иногда «усилитель с дифференциальным входом и выходом», а то и просто «дифференциальный усилитель» ) используется для обозначения усилителя с дифференциальным входом И дифференциальным выходом, а также выводом «Vocm», через который выставляется синфазное напряжение на выходе. Авторы предпочитают термин «полностью» , потому что он явно подчёркивает отличие от разностного усилителя и инструментального усилителя с однополярным выходом.

Для некоторых схем нужно получить балансный дифференциальный выход и из дифференциального, и из однополярного сигнала. Это часто требуется при подключении АЦП с комплементарными входами, см. рис. 13.65 ( АЦП с переносом заряда ), рис. 5.102 ( конвейерный флэш-АЦП ), рис. 13.28 ( параллельный ), рис. 13.37 ( АЦП последовательного приближения ) и рис. 13.68 ( сигма-дельта АЦП ). Для таких задач важны время установления, точность и стабильность усиления, возможность установки выходного синфазного напряжения. Для низковольтных схем требуется равенство полного размаха выходного сигнала диапазону питания.

Кроме того, дифференциальные сигналы используются для передачи по витым парам ( через кабели «категории 5» для компьютерных сетей ) в системах передачи данных ADSL и HDSL, входных цепях осциллографов и радиотрактах.

Можно, конечно, получать дифференциальные сигналы, используя усилители с однополярным выходом ( обычные ОУ, разностные и инструментальные ) в соответствии со схемами на рис. 5.66F , 5.70 , 5.91 и 13.37 . Но с точки зрения шума и быстродействия гораздо интереснее интегральные решения, позволяющие, в том числе, задать выходное синфазное напряжение ( т.е. среднюю точку, вокруг которой переключаются выходные сигналы ). Подстройка средней точки дифференциального сигнала очень полезна при работе с дифференциальным же АЦП с однополярным питанием, потому что такие преобразователи болезненно чувствительны к уровню синфазного напряжения.

Хороший набор доступных в настоящее время дифференциальных усилителей дан в табл. 5.10 ( стр. 375 ), а об их внутреннем устройстве, степени изворотливости человеческого разума и разного рода интересных приёмах рассказывается ниже.

Рис.5.94 (A)   Усилитель с дифференциальным выходом варианты _A и A2 , как они обозначены в табл. 5.10 ( стр. 375 ). ОУ с двумя свободными входами может быть сконфигурирован и как повторитель, и как инвертор

Рассмотрим их внимательнее. Вариант _A ( рис. 5.94A ) предназначен для однополярных входов. Это просто набор из двух усилителей, причём усиление задаётся внешним делителем. Устройство можно включить как по неинвертирующей схеме ( т.е. с высоким входным импедансом ), так и по инвертирующей ( например, чтобы работать с сигналами большой амплитуды, устанавливая коэффициент усиления меньший единицы ). Высокоомный прямой вход \( A_2\) позволяет задать среднюю точку выходного сигнала. Такую конфигурацию имеет LT6350 - малошумящий ОУ с небольшими искажениями и RR выходами 96 . На рис. 5.92 показано, как его можно использовать в паре с АЦП, здесь с LTC2393, у которого есть очень удобный выход средней точки шкалы «\( V_{CM}\)» 97 . Усилитель питается от того же однополярного источника +5V , что избавляет от обычных забот о допустимом диапазоне напряжений АЦП. Входной ФНЧ \(R_1R_2C_1\) выполняет две функции: работает

  1. как спектральный фильтр, ограничивающий входную полосу частотой 150 kHz , и
  2. как шунтирующая ёмкость, нужная для подавления эффектов при переключении внутренних схем АЦП ( которым подвержены многие преобразователи, включая сигма-дельта и «последовательного приближения с переносом заряда», см. Часть 13 ).

Рис.5.92   Драйвер АЦП, использующий дифференциальный усилитель варианта _A рис. 5.94A . У АЦП есть выход середины шкалы \( V_{CM}\) , используемый здесь в качестве уровня средней точки сигнала. См. также AD4922 с более высокими параметрами

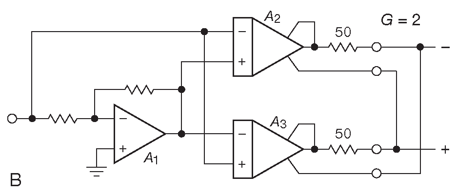
Вариант _B ( рис. 5.94B ) - симметричная конфигурация, оптимизированная для профессиональной звуковой аппаратуры. Речь идёт о хорошо сбалансированных высоковольтовых ( > 15 Vrms ) драйверах витой пары с малыми искажениями, устойчивыми при емкостях нагрузки кабельных линий ( 10'000 pF и более ). Типовая схема ( рис. 5.93 ) балансного выхода с высоким уровнем и малыми искажениями, упоминавшаяся в §5.14.2.E , предназначена для работы в составе профессионального оборудования. Схема примечательна очень высоким синфазным входным сопротивлением, которое позволяет сохранить баланс сигнала, давая возможность приёмной стороне изменять средний выходной уровень в линии ( его симметрию относительно земли задают 10-килоомные резисторы подтяжки ). Схема допускает даже заземление любого из проводов на приёмном конце для получения однополярного сигнала. Чуть больше об этом говорится в §5.17.1 .

Рис.5.94 (B)   Усилитель с дифференциальным выходом вариант B , как он обозначен в табл. 5.10 ( стр. 375 )

Рис.5.93   Балансный драйвер для передачи сигналов звукового диапазона с высоким выходным сопротивлением для синфазного сигнала, чтобы приёмная сторона ( нагрузка ) могла самостоятельно установить его уровень. Если нагрузка плавающая, то \( V_{CM}(out)=0\)

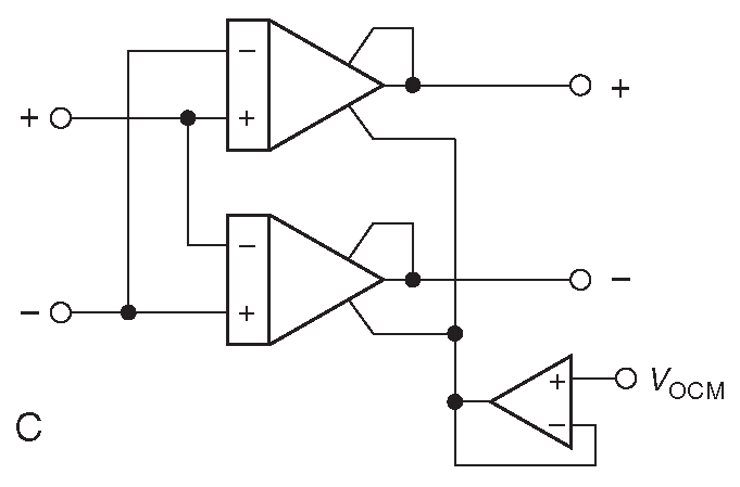
Вариант _C ( рис. 5.95C ) - развитие схемы 5.66F с высокоомными ( буферированными ) входами с установкой уровня средней точки ( «Vocm» ). В таблице он представлен малошумящими широкополосными усилителями, хорошо работающими в аудио- и видеотрактах.

Рис.5.95   Полностью дифференциальный усилитель вариант C , как он обозначен в табл. 5.10 ( стр. 375 ). В перерисованной версии C' симметрия становится очевиднее. Усиление равно G=2(\(R_f/R_g\))

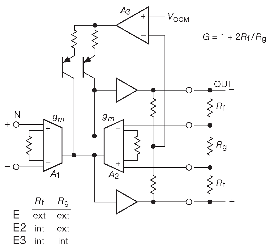
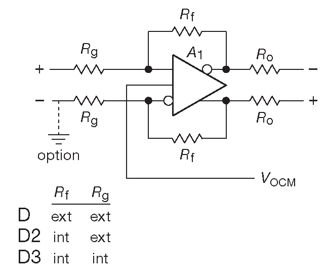
Очень популярен вариант _D ( рис. 5.96D ). Резисторы задания усиления бывают как внутренние, так и внешние. Дифференциальный усилитель в цепи обратной связи состоит из пары трансимпеданстных ( напряжение в ток ) схем, которые создают падение напряжения на резистивной нагрузке с выходными повторителями для снижения выходного сопротивления. Вход «Vocm» позволяет подстроить синфазное напряжение ( среднюю точку ) выходного сигнала, по умолчанию совпадающую со средней точкой источника питания ( так удобнее цеплять фильтрующие конденсаторы ). Полоса пропускания по выводу «Vocm» как правило сравнима с таковой у самого усилителя.

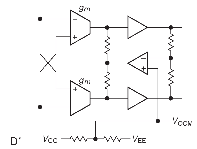
Рис.5.96   Полностью дифференциальный усилитель вариант D , как он обозначен в табл. 5.10 ( стр. 375 ). Усиление G=\(R_f/R_g\) . Внутреннее устройство \( A_1\) показано на схеме D' , а его вариант фирмы TI из серии 1THS45xx на схеме D'' . THS4508/11/21 используют компоненты противоположной полярности ( pnp на входе и т.д. ), допуская работу вплоть до \( V_{in}=V_{EE}-\)0.2 V

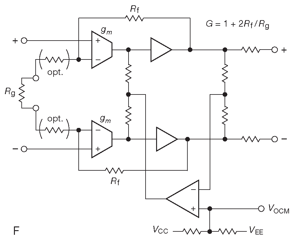
Вариант _E ( рис. 5.97E ) продолжает тему усилителей тока, управляемых напряжением ( напряжение-ток ), но теперь они включены в цепь обратной связи. Это дифференциальная версия схемы 5.89E . Вариант _F ( рис. 5.97F ) используется в самых быстрых усилителях и сочетает выходной каскад варианта _D ( рис. 5.96D ) со входной конфигурацией, подобной классическому инструментальному усилителю ( рис. 5.65A ). Здесь вновь в качестве усилительного элемента используются усилители напряжение-ток.

Рис.5.97   Полностью дифференциальный усилитель варианты E и F , как они обозначены в табл. 5.10 ( стр. 375 )

Наконец, вариант _G ( рис. 5.98G ). Конструкция чисто дифференциальная: два повторителя с компенсацией смещения, которые подтянуты к уровню входа «Vocm». Схема применяется для входов, связанных по переменному току ( или с трансформаторной связью ) в усилителях гигагерцового диапазона.

Рис.5.98   Полностью дифференциальный усилитель вариант G ( табл. 5.10 на стр. 375 ). Он рассчитан на работу с сигналом переменного тока и, возможно, с трансформаторной изоляцией

5.17.1 Дифференциальные усилители: основные понятия

5.17.1.A Усиление

Усиление для дифференциального сигнала равно единице для большинства схем, в которых оно устанавливается согласованной парой резисторов обратной связи \(R_f=R_g\) . Колонка диапазона коэффициентов усиления в табл. 5.10 ( стр. 375 ) различает ИС с фиксированным усилением, минимальным усилением или с набором из нескольких значений. В некоторых случаях конкретное значение усиления изменяется под воздействием сопротивления источника и степени согласования терминирующих резисторов, см. §5.17.4 и формулы на рис. 5.104 .

Table 5.10 Selected Differential Amplifiers

Notes: (a) fixed gain, programmable gain ( PGA ), or gain set by input resistor R_g. (b) RR output means V_but diff = 2 x VSupply max. (c) included in V_os spec. (d) includes feedback resistor noise. (e) matched 2nd-order antialias filters; 7, 10 MHz avail. ( f) set by filter. ( g ) 6600-x specifies 2.5 to 20 MHz 4th-order filters. (h) nominally Z_in = R_g, where G = R_f/R_g; but for “D” circuit types it's greater than R_g, see later section on Differential Amplifier Input Impedance. (i ) filter, 6 to 27 MHz strappable. (j) -4 version compensated for \( G<4\) . (k ) settle to 1%. (m) most differential-to-differential amplifiers can convert single-ended input to differential output. (n ) near. (o) instrumentation amplifier figures. (q) inst-amp input, differential-amp output. ( r ) G=2. ( s ) R-2R ladder input, differential-amp output. ( t ) high common-mode Zout, like an isolation transformer. (v) inputs to -V_ee. (w) RRO and inputs to -V_ee or within 0.2 V of -V_ee. (y ) RRO and input beyond rails, to ±15 V. (z) RTO.

5.17.1.B Входной импеданс

Входное сопротивление усилителя варианта _D ( рис. 5.96D ) равно \(R_g\) , что не позволяет использовать его при больших усилениях, потому что входное сопротивление становится слишком низким: источник сигнала сильно нагружается, действующее значение \(R_g\) увеличивается на величину импеданса источника \(R_S\) , а КОСС ухудшается пропорционально разбалансу сопротивления источника. Точное значение \(R_g\) ( а значит, и входной импеданс) меняется в зависимости от способа согласования источника с нагрузкой, см. §5.17.4 и формулы на рис. 5.104 .

5.17.1.C Однополярный вход

Большинство полных дифференциальных усилителей хорошо работают с несимметричным входным сигналом, т.е. когда второй вход заземлён. В таком включении, возможно, придётся использовать G=2 или более, чтобы задействовать полный диапазон сигнала дифференциального АЦП 98 .

5.17.1.D Подавление синфазного сигнала

Когда и входы, и выходы ОУ дифференциальные, есть два показателя, которые характеризуют подавление синфазного сигнала: отношение выходного дифференциального сигнала \( V_{out}\) ко входному синфазному \( V_{in}\) , которое обычно имеет достаточно хорошую величину ( например, до 80 dB на 1 MHz ), и отношение синфазного выходного \( V_{out}\) к синфазному входному \( V_{in}\) . Эта цифра может быть гораздо хуже ( скажем, 50 dB на 1 MHz , причём с ростом частоты она снижается ещё больше ). Последняя цифра не есть что-то ужасное, если у последующего элемента обработки сигнала ( АЦП ) хороший коэффициент подавления синфазной составляющей. Для схем с внешними резисторами \(R_f\) и \(R_g\) ( вариант _D на рис. 5.96D ) важна степень их согласования, подробности см. в §5.17.5 .

5.17.1.E Однополярный выход

Справочные данные для некоторых дифференциальных усилителей описывают рабту с однополярным выходом 99 . При работе в однополярном режиме нужно позаботиться о смещении выходного напряжения \(Δ V_{OCM}\) ( т.е. ошибке по отношению к опорному \( V_{OCM}\) ) , которое вернётся в виде приведённой ко входу ошибки \(Δ V_{OCM}\)/G . Для LMP7312 выходное смещение может составлять ±20 mV , т.е. сильно больше, чем максимальное смещение по входу ±0.1 mV . ИС имеет низкое усиление ( от 0.1 до 2 ), и такое выходное смещение в наихудшем случае выглядит как ошибка по входу величиной от ±200 mV до ±10 mV ! Результат не вполне соответствует понятию «прецизионный».

5.17.1.F Вывод «Vocm» для задания средней точки сигнала

Уровень выходного синфазного сигнала можно менять, подавая постоянное смещение на соответствующий вывод. В некоторых ИС он буферируется для увеличения \(R_{in}\) , но у большинства эта ножка имеет входное сопротивление, измеряемое десятками килоом. В общем случае напряжение на выводе «Vocm» нельзя опускать до уровня отрицательного питания. Выходное напряжение ИС с неподключённым контактом «Vocm» обычно равно потенциалу средней точки питания. В любом случае на данный вывод рекомендуется вешать шунтирующий конденсатор, потому что рабочие сигналы широкополосных усилителей легко создают в этом узле наводки.

5.17.1.G Диапазон входного синфазного сигнала

Диапазон входного синфазного сигнала у большинства дифференциальных усилителей не дотягивает до уровня отрицательного питания, что является сильным ограничением для схем с однополярным источником. На самом деле проблема не так ужасна, как кажется. Выходные контакты, имеющие положительный потенциал средней точки ( его определяет напряжение на выводе «Vocm» ), приподнимают входы усилителя через делители \(R_f/R_g\) . Данный эффект всего заметнее на малых усилениях, а при больших важнее проверять, что входной сигнал не вышел из диапазона допустимых синфазных напряжений. Будем считать, что имеется достаточно большое петлевое усиление ( т.е. \( G_{OL}≫ G\) ) . Эквивалентное напряжение на входах усилителя равно: \[ V_{(+,-)}=\frac{V_{OCM}+GV_{in( CM )}}{G+1} \quad , \] где усиление для дифференциального сигнала \( G=R_f/R_g\) , а \( V_{in( CM )}\) – синфазное напряжение [* средняя точка ] входного дифференциального сигнала. Если вход однополярный ( второй вход заземлён ), то, подставляя \( V_{in}\)/2 вместо \( V_{in( CM )}\) , имеем: \[ V_{(+,-)}=\frac{V_{OCM}+GV_{in( CM )}/2}{G+1} \quad , \]

Отметим, что для балансного сигнала ( т.е. такого, у которого величина \( V_{in( CM )}\) фиксирована ) среднее напряжение на выводах (+) и (-) усилителя не меняется вслед за дифференциальным сигналом. Для однополярного входа картина совершенно иная: изменения входного сигнала вызывают соответствующее изменение входного синфазного напряжения [* средняя точка, т.е. ( \( V_{in+}+V_{in-}\) )/2\(=V_{in}\)/2 ] . Для последнего случая надо проверять максимальные значения входного сигнала на соответствие ограничениям на диапазон входных синфазных напряжений.

Можно, конечно, не затрудняться этими проблемами и просто взять усилитель с допустимым входным синфазным напряжением на уровне отрицательного питания, типа THS4521, описанного в §5.17.3 .

5.17.1.H Обратная связь по напряжению и по току

Все усилители вида «\(R_f/R_g\)» из табл. 5.10 ( стр. 375 ) - это обычные усилители с обратной связью по напряжению ( VFB ). Единственное исключение - LMH6552/3 с обратной связью по току ( CFB ). Обратная связь по напряжению при больших усилениях хорошо работает с ограничением рабочей полосы с помощью конденсатора, повешенного параллельно резистору обратной связи ( такой приём помогает снизить интегральное шумовое напряжение \(v_n=e_n\sqrt{\mathrm{GBW}}\) , чрезмерный уровень которого для большинства рассматриваемых здесь усилителей прямо соотносится с большой шириной рабочей полосы ). Рабочая полоса по точке \( f_{3dB} \) у CFB усилителей практически не зависит от усиления, а у VFB вариантов она обратно пропорциональна усилению с обратной связью ( \( f_{3dB}=\mathrm{GBW}/G_{OL}\) ) . Подробности в Части X4 .

5.17.1.I Резисторы задания коэффициента усиления

Большие номиналы \(R_f\) и \(R_g\) могут вызвать проблемы из-за паразитной ёмкости печатной платы и монтажа. Для примера, сопротивление \(R_f\) выше 1 kΩ приводит к выбросу на АЧХ не самого быстрого 145-мегагерцового THS4521 ( рис. 5.99 ). Сдвоенные и счетверённые усилители имеют те же проблемы из-за разварки кристалла в корпусе, поэтому, если нужна плотная упаковка, следует брать экземпляры с фиксированным усилением. Кроме того, большие номиналы \(R_f\) и \(R_g\) приводят

  1. к потере скорости,
  2. к увеличению ошибок смещения из-за относительно больших входных токов быстрых биполярных усилителей и
  3. к увеличению шумового напряжения, приведённого ко входу.

Последнее растёт как из-за теплового шума резисторов, так и из-за падения напряжения на \(R_f\) , вызванного шумом входного тока.

Рис.5.99   Большие номиналы масштабирующих резисторов вызывают появление выброса на АЧХ, как показано на этих графиках из паспортных данных на THS4521, включённого с единичным усилением ( \(R_f=R_g\) )

Чтобы чуть размочить эту сухую теорию, вновь рассмотрим THS4521, навесив на него немного экстремальные \(R_f=R_g\)=100 kΩ . График на рис. 5.99 показывает десятикратное сокращение полосы и большой выброс на АЧХ ( его можно найти только у VFB, но не у CFB ), который давится небольшой ёмкостью в параллель обоим резисторам обратной связи, но полоса при этом сократится ещё сильнее 100 . Здесь, правда, можно выдать нужду за добродетель и заявить, что конденсаторы всё равно требовались для задания верхней рабочей частоты схемы.

Что можно сказать о смещении? Входной ток усилителя 650 nA (тип.) создаёт на сопротивлении 100 kΩ падение напряжения 65 mV . Правда, токи двух входов достаточно хорошо согласованы: по спецификации в пределах \(Δ I_b\)=±50 nA (тип.), т.е. разница падений на входах будет 5 mV . Это уже гораздо лучше, но всё равно серьёзно ухудшает типовое паспортное значение \( V_{os}\)=±0.2 mV ( ±2 mV max ). Чтобы сохранить точностные параметры усилителя номиналы \(R_f\) и \(R_g\) следует выбирать меньше 10 kΩ .

Наконец, шум. Есть две составляющие: тепловой шум резисторов ( \(e_n=\sqrt{4kTR}=(0.13\sqrt R ){\space} nV/\sqrt{Hz}\) ) и падение напряжения, создаваемое шумовым током усилителя ( \(e_n=I_bR_f\) ) . Для \(R_f\)=100 kΩ тепловой шум составляет 40 nV/\(\sqrt{Hz}\) , а падение, вызванное токовым шумом \(i_n\)=0.6 pA/\(\sqrt{Hz}\) , составит 65 nV/\(\sqrt{Hz}\). Обе цифры, сложенные по стандартной формуле корень из суммы квадратов ( 76 nV/\(\sqrt{Hz}\) ) , катастрофически ухудшают данные самого усилителя ( 4.6 nV/\(\sqrt{Hz}\) тип. ). Все указанные цифры собраны в таблицу и дополнены результатами для \(R_f=R_g\)=10 kΩ и \(R_f=R_g\)=1 kΩ 101 .

Подытожим: если сравнивать с 1 kΩ , масштабирующие резисторы 100 kΩ снижают полосу в 10 раз, увеличивают напряжение смещения в 25 раз и увеличивают шумовое напряжение, приведённое ко входу, в 16 раз. Короче, вряд ли вам это нужно. Зато можно ставить что-либо порядка 2.49 kΩ , 4.99 kΩ или даже 10 kΩ , разменивая ухудшение полосы, шума и точности на увеличение входного сопротивления.

—3dB Offset Input-referred noise Bandwidth voltage* \/4kTR inR_f Total* R_f,R_g ( MHz) (mV, typ) (nV/^Hz) (nV/\sqrt{Hz}) (nV/\sqrt{Hz}) 1k 150 ±0.2 4 0.7 4.6 10k 45 ±0.5 13 6.5 15 100k 15 ±5 40 65 76 * Includes VOS and en of the amplifier.

5.17.1.J Выходной импеданс для синфазного сигнала

Потенциал, приложенный к выводу «Vocm», устанавливает выходное синфазное напряжение. Иначе говоря, дифференциальные усилители имеют низкий выходной импеданс для синфазного сигнала. Обычно это именно то, что нужно, и именно для этих целей в ИС имеется контакт «Vocm». Но данное свойство может создавать проблемы при работе на удалённую нагрузку, которой требуется устанавливать свой средний уровень. Такое часто происходит с балансными аудио- и видеосигналами, передаваемыми на большие расстояния по витым парам.

Ситуация иллюстрируется рис. 5.100B . Подавая на вывод «Vocm» среднее выходное напряжение из линии связи, можно получить усилитель, который отдаёт управление нагрузке. На практике нагрузка может быть даже заземлена на каком-то из концов, но теперь сигнал на другом конце будет меняться симметрично относительно земли с полным требуемым размахом 102 . Есть несколько усилителей, специально предназначенных для такого рода включения, чья конструкция имеет высокий выходной импеданс для синфазного сигнала. Один пример уже упоминался ( DRV134 - аналог SSM2142 ) на рис. 5.93 . Другой отличный вариант - THAT1606 - ИС компании со странным названием THAT Corporation 103 [* по-английски «that corporation» ≡ «та корпорация»] .

Рис.5.100   Синфазное выходное напряжение дифференциального усилителя устанавливается контактом «Vocm» ( состояние по умолчанию для неподключённого вывода - средняя точка питания ). (A) Обычная конфигурация, имеющая малый импеданс в режиме синфазного сигнала. Но для балансных линий часто требуется, чтобы средним уровнем управляла приёмная сторона. В этом случае можно включить дифференциальный усилитель по схеме (B), имитируя высокое \(Z_{out}\) для синфазного режима или использовать изолирующий трансформатор, или балун

Традиционно такие проблемы решаются изолирующими трансформаторами. Они же помогают преобразовывать сигналы из однополярной формы в дифференциальную и обратно ( подобные трансформаторы известны под именем «balun» ). Но трансформаторы громоздки, ограничены по полосе и линейности и недёшевы. Дифференциальные усилители с высоким \(Z_{out}\) для синфазного режима могут служить вполне пристойной заменой.

96 ADA4922-1 быстрее и точнее ( 0.05% ), но имеет фиксированное усиление G=1 . <-

97 В АЦП есть внутренний источник опорного напряжения разумной точности ( 0.5% ), но микросхема позволяет использовать внешнюю опору ( например, LT1790-4.096, ±0.05%, 10 ppm/°C , max ). Смотрится хорошо, но сильно помочь не сможет, потому что точность установки усиления системы ограничена цифрами LT6350 ( ±0.6% max ). Но усилитель тоже можно заменить: ADA4922-1 подойдёт. <-

98 Такой вариант работает и с усилением, меньшим единицы. В приступе умиления Analog Devices обозвали свои AD8475 ( с усилением 0.4 и 0.8 ) «funnel amplifier» [* по логике «масштабирующий усилитель»] ( get it? [* «уменьшающий усилитель» что-ли? не бачу ихнего юмора ] ). С его помощью можно ужать дифференциальный сигнал с 20 Vpp до 4 Vpp для передачи на низковольтный АЦП. <-

99 В справочных данных на «Прецизионный программируемый через SPI предварительный усилитель ( AFE ) с дифференциальными/ однополярными входами и выходами» LMP7312 говорится

«выход может быть включён как в однополярном, так и в дифференциальном режиме работы, причём уровень синфазного выходного напряжения устанавливает пользователь.»
<-

100 На этот результат можно посмотреть с другой стороны: производитель рекомендует такие величины резисторов, при которых некоторый выброс на АЧХ используется для расширения рабочей полосы. <-

101 Многие микросхемы ( в основном варианты _D ( рис. 5.96D ) и _E ( рис. 5.97E )) позволяют добавить конденсатор обратной связи, чтобы уменьшить рабочую полосу. Такое решение может вызвать у одних моделей неустойчивость на малых усилениях, а у других наоборот - повысить устойчивость, особенно, при больших номиналах резисторов. <-

102 Если указанный режим работы предполагается сделать основным, надо убрать небольшой фильтрующий конденсатор. <-

103 Входит в коллекцию трудно находимых имён, включающих «AND Displays» и «ON Semiconductor». Можете спросить у Гугла [* Гугель сильно поумнел и кажет результаты правильно] .   <-

Previous part:

Next part: