Шапка

X4.6 Высокоскоростные операционные усилители II. Усилители с токовой обратной связью

В предыдущей главе сообщалось, что усилители с токовой обратной связью ( CFB ) имеют обычный высокоимпедансный прямой вход ( по напряжению ) и низкоимпедансный инвертирующий токовый вход. На выходе - напряжение. Эта странная конструкция работает трансимпедансным усилителем ( ток на входе, напряжение на выходе ) относительно своего инвертирующего входа и одновременно усилителем напряжения относительно неинвертирующего. На рис.##X4.50 [* или рис. 2.57A ] усилитель показан в самом общем виде, а рис. X4.63A демонстрирует наиболее распространённую схему. В ней входной каскад представляет собой буферный усилитель с единичным коэффициентом передачи, «выход» которого является инвертирующим входом ОУ!

Рис. X4.63 (A)   Архитектура усилителей с токовой обратной связью. Базовая форма ( например, LT1395 ). Промежуточный ток \(I_{out}\space\) нагружается внутренней ёмкостью \(C_T\) , которая преобразует его в выходное напряжение , подаваемое на симметричный выходной повторитель
Рис. X4.63 (B)   Архитектура усилителей с токовой обратной связью. Ток в усилительный каскад передаётся с коэффициентом \(R_1/R_2\) ( LT1210, AD8011 )

X4.6.1 Свойства CFB усилителей

Усилитель с токовой обратной связью чаще всего используется как неинвертирующий усилитель напряжения с обратной связью, см. врезку на рис. X4.64 . В таком включении ширина полосы устанавливается резистором \(R_f\) ( см. графики X4.65 и X4.66 ), а \(R_g\) определяет коэффициент усиления.

X4.6.1.A Полоса с обратной связью

Прежде чем двигаться дальше, надо разобраться, почему полоса усиления в CFB почти постоянна. Данный факт резко отличает его от VFB моделей с постоянным произведением GBW ( усиление-полоса ). В них полоса сокращается по мере роста усиления, т.е. усиление обратно пропорционально полосе ( BW ≈ \(f_T/G_{CL}\) ).

Ситуацию можно рассматривать следующим образом.

  1. Из рис.##X4.50 понятно, что ток инвертирующего входа, который задаётся резистором обратной связи, зеркалится в выходной каскад, где встречает нагрузочную ёмкость \(C_C\) ( ёмкость частотной коррекции ). Таким образом, полоса усиления с обратной связью ( и скорость нарастания ) задаётся резистором \(R_f\) .
  2. Рис. X4.65   В то время как полоса обычного VFB ОУ меняется в зависимости от требуемого усиления ( пунктир ), полоса CFB определяется в основном выбором \(R_f\) . При низких коэффициентах передачи с резистором 1 kΩ дополнительные полюсы на характеристике AD846 вызывают неравномерность усиления на верхней границе. Точечная кривая показывает поведение идеальной модели, см. §X4.6.5

  3. \(R_g\) меняет усиление ( \(G_{CL}\) =1+\(R_f/R_g\) в точности как в VFB схемах ). Но \(R_g\) уменьшает эквивалентное сопротивление источника, которое видит инвертирующий вход ( а инвертирующий вход создаёт входной ток ). Значит, в той же степени увеличивается произведение усиление-полоса, удерживая полосу с обратной связью на прежнем уровне.
  4. Рис. X4.64   Справочные данные говорят, что полоса усиления с замкнутой обратной связью CFB усилителя LT1223 почти не зависит от коэффициента передачи по напряжению. Для сравнения показана граница в виде произведения усиление-полоса GBW = 100 MHz

  5. Такое положение сохраняется до тех пор, пока входное сопротивление инвертирующего входа остаётся малым по сравнению с эквивалентным сопротивлением цепи обратной связи ( \(R_f∥R_g\) ). Для больших усилений такое условие не выполняется, что хорошо видно на графиках X4.64 , X4.65 и X4.66 .
  6. Рис. X4.66   Ещё один вариант представления связи между \(G_{CL}\) и \(R_f\) . Набор графиков зависимости полосы от сопротивления \(R_f\) для выбранного коэффициента передачи. Приведены данные прямых измерений

Все эти оценочные рассуждения не заменяют корректного формального анализа, каковой проводится в §X4.6.5 .

X4.6.1.B Скорость нарастания и выходной ток

Ранее упоминалось, что CFB ОУ демонстрируют впечатляющую скорость нарастания, резко отличающую их от VFB моделей со сравнимым питанием и полосой. Это происходит, потому что скорость нарастания более не ограничивается скоростью зарядки конденсатора частотной коррекции слабым входным каскадом, как это происходит в VFB схемах ( см., например, рис. 4.43 ). Вместо этого корректирующую ёмкость в CFB заряжает отзеркаленый ток обратной связи, поступающий на инвертирующий вход ( который может быть гораздо больше, чем ток покоя входного каскада ).

Ситуация отлично прослеживается по цифрам в табл. 8.3c . Средняя величина скорости нарастания по отношению к току потребления в группе «биполярные HV VFB» равно 21 V/(mA×μs) , а в группе «биполярные HV CFB» - 570 V/(mA×μs) . Иначе говоря, по этому параметру CFB перекрывают VFB в 25 раз, причём самый медленный CFB более чем в три раза превосходит самый быстрый VFB. Довольно резкие малютки.

Интересно, что в среднем у CFB усилителей гораздо выше выходной ток. Сравнение тех же групп в табл. 8.3c по параметру \(I_{out}(min)\) даёт 190 mA у CFB против 48 mA у VFB. Усилители с обратной связью по току хороши, если нужна полоса, скорость и выходной ток.

X4.6.1.C Цепь обратной связи и устойчивость

Полоса усиления с обратной связью растёт по мере уменьшения резистора обратной связи \(R_f\) до некоторой минимальной величины, после которой усилитель теряет устойчивость. Справочные данные уделяют этому вопросу много внимания и, в том числе, включают графики неравномерности усиления на верхней границе полосы ( peaking ) ( см. рис. X4.67 ). Зато, если увеличивать резистор обратной связи, никаких проблем с устойчивостью не будет, что видно по рис. X4.65 и X4.66 . В большинстве случаев справочные данные приводят графики, подобные X4.67 , чтобы помочь разработчику с выбором номинала \(R_f\) . Очевидно, производители микросхем хотят, чтобы пользователи получили максимум производительности за свои деньги. В описаниях некоторых моделей встречаются таблицы рекомендованных значений \(R_f-R_g\) пар для некоторого набора коэффициентов передачи и ширина соответствующей им полосы усиления, например, на рис. X4.68 показано, как это может выглядеть с учётом паразитных параметров корпуса.

Рис. X4.67   При достаточно низких величинах \(R_f\) на верхней границе АЧХ появляется выброс ( по данным на LMH6723 ). Умеренное использование данного эффекта расширяет полосу. Главное - не перестараться!

Рис. X4.68   Производители микросхем оказываются довольно многословны, когда собираются донести до пользователя номиналы резисторов обратной связи, и иногда даже заводят отдельные таблицы для разных корпусов [* вероятно, это вызвано разными величинами паразитной ёмкости ]

В отличие от VFB, где устойчивость схемы можно повысить небольшим конденсатором параллельно резистору обратной связи ( см. рис. 4.104 ), CFB реагирует на такой приём строго негативно. Малейшая ёмкость между инвертирующим входом и землёй ( или параллельно резистору \(R_f\) ), способна вызвать в схеме генерацию. Эффект от воздействия пары пикофарад можно наблюдать на рис. X4.69 и X4.70 . Случай из практики. В ходе измерений для иллюстрации X4.66 кривая единичного усиления показала ненормально широкую полосу. Даже с номиналом 30 kΩ она была «слишком хороша». Оказалось, что ёмкость вывода 2 в корпусе DIP была слишком велика. Эффект был исправлен отгибом ножки в сторону и подключением \(R_f\) с помощью навесного монтажа. [* AD начала выпускать усилители с новой разводкой, где выходная линия подаётся на два вывода, один из которых - рядом с инвертирующим входом. См., например, ADA4899-1] .

Рис. X3.69   Усилители с токовой обратной связью очень чувствительны к ёмкости на инвертирующем входе, что хорошо видно на картинке из справочных данных на AD8009. Если соблюдать осторожность, то можно несколько расширить полосу усиления ( см. данные на LT1228 ). Но никогда не вешайте конденсатор параллельно резистору \(R_f\)
Рис. X4.70   Усилители с подъёмом АЧХ на верхней границе имеют характерные выбросы на переходной характеристике. Приведён пример из справочных данных на AD8009. Схема соответствует рис. X4.69 . По горизонтали 2 ns/div , по вертикали 50 mV/div

X4.6.1.D Входной ток и точность

Усилители с токовой обратной связью и несимметричной структурой входов высокой точностью не отличаются, а инвертирующий вход с низким импедансом требует существенного входного тока. Если заглянуть в данные LT1223, то можно обнаружить, что \(V_{OS}\) =±1 mV (тип.) или ±3 mV (max), а оба входа имеют ток покоя ±1 μA (тип.) или ±3 µA (max). Импеданс прямого входа 10 MΩ (тип.), а инвертирующий виден как несколько десятков ом на землю и в спецификации не сообщается.

Несколько в стороне от небольшого напряжения смещения располагается усиление. Хороший прецизионный ОУ имеет большое усиление без обратной связи. Выдающийся OPA277 - прецизионный VFB ( \(V_{OS}\) =20 μV max ) имеет типичное значение усиления без обратной связи 140 dB ( \(10\space^7\) ). Сравните с 89 dB ( \(3×10\space^4\) ) у CFB LT1223. Для получения 10 V на выходе последнему потребуется входное дифференциальное напряжение величиной 300 μV , а VFB нужна разница всего 1 μV .

X4.6.2 CFB: питание и уход

CFB могут быть довольно беспокойными, в первую очередь, потому что широкая полоса усиления при неаккуратном обращении создаёт предпосылки для неустойчивости. Аккуратность начинается со скрупулёзного следования рекомендациям в справочных данных относительно выбора номиналов резисторов. Но особая осторожность требуется в вопросах развязки по питанию ( настороженность будет, возможно, более правильным словом ). Авторы самонадеянно припаяли развязочную ёмкость 10 nF ( и большой танталовый конденсатор ), хотя справочные данные AD846 рекомендовали 100 nF 48 , и получили генерацию на частоте около 100 MHz . Данная проблема столь широко известна, что нашла отражение на страницах справочных данных некоторых CFB. В частности «LT1223 очень устойчив даже при минимальной ёмкости развязки, но звон на выводах питания пагубно отражается на переходной характеристике».

Ещё одна причина для беспокойства - чувствительность к ёмкости на инвертирующем входе ( см. рис. X4.69 , X4.70 ). Всего несколько пикофарад окажутся фатальными. По данному вопросу справочные данные дают следующий совет: «Для снижения паразитной ёмкости в земляном полигоне должен быть сделан вырез».

X4.6.3 «Гибриды» из VFB и CFB

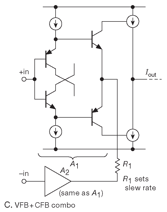
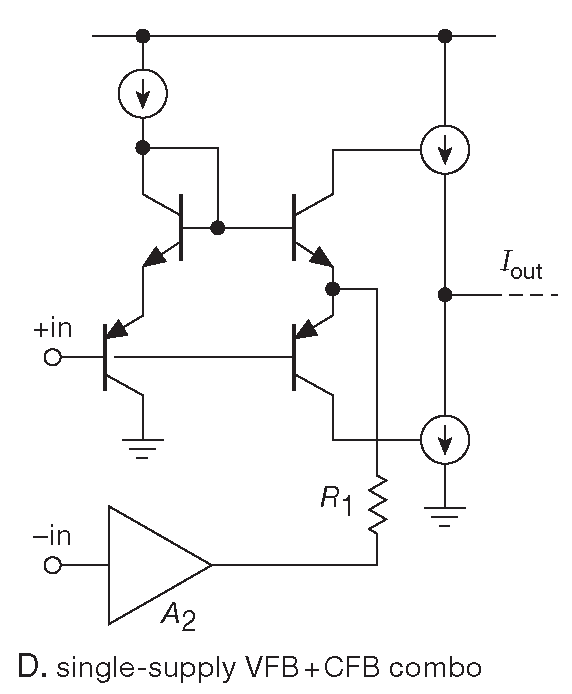
Недостатками традиционной архитектуры CFB усилителей ( рис. X4.63A ) являются неудобный инвертирующий вход и плохие цифры напряжения смещения. Оба легко обойти буферированием инвертирующего входа и включением резистора обратной связи \(R_f\) в состав микросхемы ( рис. X4.63C ). В итоге получается «гибрид» - «CFB в шкуре VFB», сочетающий лучшие параметры обоих типов: высокую скорость нарастания и полосу с двумя высокоимпедансными входами по напряжению. Например, 100-мегагерцовый LM6171 зазывает разработчика: «Удобная в использовании топология обратной связи по напряжению» и «Очень высокая скорость нарастания 3600 V/μs». Реклама не упоминает точность, вероятно, потому что она не поражает воображения ( \(V_{OS}\) =3 mV тип. или 6 mV max ). Серия таких же гибридных ( VFB+CFB ) ОУ LTC1351-63 на порядок точнее \(V_{OS}\) =0.2 mV (тип.) или 0.5 mV (max) для ОУ с полосой от 3 до 70 MHz . Серия LT6205-07 использует конфигурацию X4.63D , чтобы получить такие же параметры, но при однополярном питании. См. также обсуждение в ##§X4.9.1.

Рис. X4.63 (C)   Архитектура усилителей с токовой обратной связью. Буфер на инвертирующем входе позволяет получить пару высокоимпедансных входов, как в обычном VFB ( LT1351-63, LM6171 ). В таблице VFB усилителей две последние конфигурации маркируется знаком «Z»)
Рис. X4.63 (D)   Архитектура усилителей с токовой обратной связью. Работает аналогично (C) , но позволяет иметь один источник питания и работать с сигналами на уровне отрицательной шины ( LT6205 ). В таблице VFB усилителей маркируется знаком «Z»)

X4.6.4 Где стоит использовать CFB

ОУ с токовой обратной связью ставят в схемы, где нужна высокая скорость нарастания, большое усиление и широкая полоса. CFB имеют меньше искажений, чем VFB, на высоких частотах. Возможность переключения усиления без изменения полосы очень полезно для усилителей с программируемым коэффициентом передачи ( PGA ), которые удобно ставить на входе АЦП.

Усилители с обратной связью по напряжению привычнее, выпускаются в самых разных вариантах ( точные, с низким входным током, RR и т.д. ). Они универсальны, позволяют использовать прихотливые цепи обратной связи ( см. активные фильтры ). Авторы предпочитают использовать VFB везде, исключая достаточно специфические задачи, где CFB имеют явное преимущество.

X4.6.5 Математическое послесловие. Полоса и усиление CFB

Полезно посмотреть, как получается, что полоса усиления по напряжению с замкнутой петлёй \(G_{CL}\) в CFB определяется величиной \(R_f\) и слабо зависит от величины усиления, которое задаётся резистором \(R_g\) ? Ответ можно получить интуитивными рассуждениями, но они не заменят точного анализа, который следует ниже. И, кстати, встречаются иногда люди, которым просто нравятся формулы.

Знакомый случай: усилитель с обратной связью по напряжению

«Обычный» усилитель ( он же «с обратной связью по напряжению» или VFB ), включённый по неинвертирующей схеме с резистором обратной связи \(R_f\) от выхода к инвертирующему входу и резистором установки усиления \(R_g\) от инвертирующего входа на землю ( рис. X4.71A ) имеет идеальное усиление \(G_{∞} ≡\) 1+\(R_f/R_g\) при условии, что его усиление без обратной связи бесконечно \(A_{OL}= ∞\) . В более реалистичном случае с конечной величиной \(A_{OL}\) усиление с обратной связью в соответствии с уравнением [2.16] превращается в \[ G_{CL}=\frac{A_{OL}}{1+A_{OL}B} \] .

Рис. X4.71   Сравнение VFB и CFB архитектур. VFB усиливает напряжение ошибки ( разницу напряжений на высокоомных входах ), чтобы получить выходное напряжение с безразмерным масштабным коэффициентом \(A_{OL}(f)\) . CFB преобразует ток \(I_{err}\space\) на низкоимпедансном инвертирующем входе в выходное напряжение с трансимпедансным усилением \(Z(f)\)

С учётом \(G_{∞}\) =1/B выражение можно переписать в виде \[ G_{CL}=G_{∞}\frac{1}{1+\frac{G_{∞}}{A_{OL}(f)}}. \qquad [X4.4] \]

В такой форме лучше видно как отношение \(G_{∞}\) к \(A_{OL}\) влияет на общее усиление схемы 49 . Здесь усиление без обратной связи записано как \(A_{OL}(f)\) , что символизирует зависимость от частоты. Экстраполируя данную зависимость вверх по частоте можно добраться до единичного усиления и частоты \(f_T\) ( верхней границы полосы усиления ). Таким образом, для VFB полоса усиления с обратной связью примерно равна частоте, на которой усиление \(A_{OL}(f)\) снизится до требуемой величины \(G_{∞}\) 50 . Иначе говоря, полоса усиления с замкнутой петлёй равна примерно \(f_T/G_{∞}\) .

Незнакомый случай: усилитель с токовой обратной связью

Вернёмся к исходному варианту - CFB усилителю в неинвертирующей схеме усиления напряжения ( рис. X4.71B ). Приведём формулу усиления к такому же виду, как у [X4.4] , чтобы сделать различия нагляднее.

Для начала, предположим, что внутренний импеданс \(R_0\) усилителя равен нулю. Выходное напряжение CFB равно \[ V_{out}=I_{err}\space Z(f) \] , где \[ I_{err}=\frac{V_{in}}{R_g}-\frac{V_{out}-V_{in}}{R_f} \quad . \]

Подставив выражение для тока и перегруппировав, получим \[ G_{CL}=\frac{V_{out}}{V_{in}}=G_{∞}\frac{1}{1+\frac{R_f}{Z(f)}}, \qquad [X4.5] \] где желаемое усиление, как и ранее, равно \(G_{∞}\) =1+\(R_f/R_g\) .

В отличие от VFB, член в знаменателе, ограничивающий полосу, зависит только от исходной полосы усилителя ( определяется спадом трансимпедансного усиления \(Z(f)\) ) и величины сопротивления \(R_f\) . Частота не зависит от величины \(R_g\) , задающего усиление схемы. Именно такое поведение можно наблюдать на рис. X4.64 .

Отметим, однако, что полоса всё же уменьшается для самых больших значений усиления и на этом и на других рисунках ( см. рис. X4.66 ). Чтобы закончить с этим вопросом, учтём ненулевую величину \(R_0\) на инвертирующем входе. Получаем напряжение на инвертирующем входе \(V_-=V_{in}-I_{err}·R_0\) . Тогда входной ток ошибки равен \[ I_{err}=\frac{V_{in}-I_{err}·R_0}{R_g}- \frac{V_{out}-V_{in}+I_{err}·R_0}{R_f} \quad . \]

После подстановки и преобразования получаем окончательный результат \[ G_{CL} = \frac{V_{out}}{V_{in}} = G_{∞}\frac{1}{1+\frac{R_f+R_0G_{∞}}{Z(f)}}. \qquad [X4.6] \]

С учётом \(R_0\) выражение для усиления получило ещё один ограничивающий полосу член в знаменателе - \(R_0G_{∞}\) . Для заданного резистора обратной связи \(R_f\) , полоса будет уменьшаться с увеличением усиления схемы, когда произведение \(R_0G_{∞}\) приблизится или превысит величину \(R_f\) . Именно это обстоятельство вызывает спад АЧХ на рис. X4.64 , X4.65 и X4.66 . Дополнительный член \(R_0G_{∞}\) начинает влиять на ситуацию, когда величина \(R_0\) становится сравнима с \(R_g\) , как уже указывалось в §X4.6.1 при общей оценке ситуации.

Попробуем применить этот анализ к какому-нибудь CFB усилителю. Дело оказывается не столь простым, т.к. во многих справочных данных значение \(R_0\) не указано, а там, где оно есть ( Analog Devices здесь хороший пример ), обычно нет графиков зависимости рабочей полосы от усиления для заданной величины \(R_f\) . К счастью, есть AD846 ( он более не производится, но справочные данные-то остались ), который поможет проверить уравнение [X4.6] . Справочные данные рапортуют о \(R_0\) =50 Ω , значит, коэффициент передачи 1 и 100 соответствуют значениям \(R_0G_{∞}\) для 50 Ω и 5 kΩ . С резистором обратной связи 1 kΩ полоса усиления с обратной связью должна быть в пропорции 5:1 и совпадает с кривой из точек 51 на рис. X4.65 . Для резистора обратной связи 10 kΩ уравнение [X4.6] предсказывает отношение 1.5 : 1 , что отлично согласуется с графиком для \(R_f\) =10 kΩ .

X4.6.6 Пояснения к таблице

Авторы выстроили предложения производителей, собранные в табл. X4.3 на стр. X_322 так же, как перечисляли ранее быстрые VFB в предыдущих главах. Несколько пояснений.

Полоса усиления
Как сообщалось ранее ( рис. X4.65 , если забыли ), CFB усилители, в отличие от VFB, не могут описываться произведением «полоса-усиление» ( GBW ). В таблице приводится более удобные характеристики - частоты «-3dB» для G =1 ( либо наименьшего из доступных для использования ) и для G ≥ 5 , которые позволяют понять, как ОУ реагирует на большие усиления. Кроме того, где имеется, указана частота, на которой усиление снижается на 0.1 dB , что важно для задач повышенной точности, например, предусилителя для АЦП. Будьте внимательны, малейшие изменения в цепях компенсации могут иметь радикальное воздействие на полосу, см., например, MAX4223 и 4224. Учитывайте также, что усилители с полосой более 100 MHz часто имеют гораздо более низкие частоты по уровню «-3dB» для режима большого сигнала ( 1V и выше ). Читайте справочные данные внимательно! Ещё одним параметром, сильно влияющим на быстродействие, является время восстановления после перегрузки, которое в табл. X4.3 не указано, но обычно приводится в справочных данных.
Ограничения спецификации
Многие CFB сообщают свои параметры только для коэффициентов передачи G =1 или G =2 . Такие модели предназначены для сегмента кабельных драйверов, где требуется обратное или параллельное согласование [* см. §12.10.2 ] коаксиального кабеля, при котором амплитуда сигнала снижается в 2 раза ( отсюда и G =2 ). Некоторые такие микросхемы имеют приятно низкие цены и могут работать и при бОльших усилениях, но их справочные данные здесь не помогут.

Table 4x.3: High-Speed Op-amps II: CFBa

qty p.erf pkgf SupplyP Bias Curr @25°C ^os max (mV) DC DC O Noise* @10 kHz min gainn CD ?U 3 Q. ? CL 3" 3 •< o' >T3 = < - w v^ % Settle "—'' O' 3 n 3! 3° null pins comp pin shdn pin DIP avail SOIC-8 SOT-23 Power pkg Comments Iin+ typ (mA) lin- typ (MA) en (—} (VHz) inx (_eA VHz CO Q. CD Range (V) 'q* (mA) Part # min dB S CD X 1L <c s 2 IC CL jn ro s <v-> O <= o GO V) BJT, high-voltage LT1217 1 9-36 1 0.1 0.1 3 60 6.5 0.7 1 10 8 50 500 280 1.5 • - • • • - - 4.42 A LT1210 1 10-36 9-35 2 10 15 55 3 2 1 53 48 1 100 900 - 2 - • • - - - • 8.93 B,D AD844 1 9-36 6.5 0.15 0.2 0.3 90 2 10 2 60 33 60 2000 100 2 • • - • u - - 5.23 LT1206 1,2 10-36 20 2 10 10 55 3.6 2 1 60 40 250 900 - 2 - • • • u - • 5.70 C,D LM6181 1 9-36 7.5 0.5 2 5 50 4 16 1 100 80 90 1400 50 - - - - • - - - 2.67 THS3120 1 9-33 7 1 3 8 60 2.5 1 1 130 105 90 200 620 7 0.4 - - • - • - • 5.24 E AD812 2 3-36 4.5 0.3 7 5 55 3.5 1.5 1 145 40 30 30 1600 40 1.7 - - - • • - - 5.22 F THS3122 2 9-33 8.4 0.33 6 20 63 2.2 2.9 1 160 120 30 440 1550 53 2 - - • - • - • 9.24 F LT1223 1 9-36 6 1 1 3 56 3.3 2.2 1 200 10 60 1000 75 1.5 • - • • • - - 5.17 THS3091 1 10-33 9.5 3.5 4 3 62 2 14 1 235 190 95 175 7300 42 0.1 - - • - • - • 8.21 G THS3095 1 10-33 9.5 3.5 4 3 62 2 14 1 235 190 95 175 7300 42 0.1 - • • - • - • 8.65 H LT1227 1,2,4 4-36 10 0.3 10 10 55 3.2 1.7 1 280 80 60 60 1100 50 3 • - • • • - - 3.57 J THS3061 1,2 10-33 8.3 6 2 3.5 72 2.6 20 1 300 260 120 145 5700 30 1 - - - - • - • 7.28 K THS6012 2 9-33 11.5 4 3 5 X! o o 1.7 12 1 315 40 500 1300 70 1.4 • 6.98 L THS3001 1 9-33 6.6 2 1 3 65 1.6 13 1 420 350 115 100 6500 25 7.5 - - - - • - • 6.93 THS3491 1 14-33 16.7 2 7 2 69 1.7 15 2 900 450 350 420 8000 7 1.2 - - • - • - • 11.49 M BJT, low-voltage - AD8017 2 4.4-13 14h 16 1 3 59 1.9 23 2 160 70 270 1600 35 2.4 - - - - • - - 4.74 N AD8010 2 9-12.6 15.5 6 10 12 50 2 3 1 230 100 60 200 800 25 2.8 - - - • • - - 6.26 N AD8023 2 4.2-15 6.2 5 15 5 50 2 14 3 125 38 7 100 1200 30 2 - - - - u - - 9.19 P ADA4310 2 5-12 0.7-8 2 6 1* 62* 2.9 22 5 190 190 120 820 - - - - - - - v • 2.10 F,N LT6211 1,2 3-13 0.3-6 3.5 14 6 46 6.5 4.5 1 200e 75 700 20 2 - - P - - • - 2.29 B,Q OPA2677 2 5-13 9 10 10 4.5 51 2 16 1 220 250 80 500 2000 - 2 - - • - • - • 3.48 S OPA2674 2 5-13 2-9 10 10 4.5 51 2 16 1 250 220 100 500 2000 - 2 - - • - • - - 2.62 B,T AD8004 4 4-12.6 3.5 40 35 3.5 52 1.5 38 1 250 30 50 3000 21 1.5 - - - - u - - 8.66 OPA691 1,2,3 5-13 5.1 15 5 2.5 52 1.7 3.1 1 280 210 90 190 2100 12 2 - - • - • • - 2.41 LT6559 3 4-12.6 4.6 10 10 10 42 4.5 6 1 300 150 100 800 25 2 - - • - - q • 1.39 P LT1399HV 2,3 4-15.5 4.6 10 10 10 42 4.5 6 1 300 150 100 800 25 2 - - • - u - 4.25 P AD8011 1 4-12.6 1 5 5 5 52 2 5 1 400 57 25 30 2000 25 2.3 - - - - • - - 5.32 LT1395 1,2,4 4-12.6 4.6 10 10 10 42 4.5 6 1 400 100 80 800 25 2.0 - - • - • • - 2.28 LMH6723 1,2,4 4.5-13 1 2 0.4 3 57 4.3 6 1 370 150 100 110 600 30 1.5 - - - - • • - 2.03 LMH6720 1,4 5-13.5 5.6 1 4.0 6 48 3.4 1.2 1 400 120 70 1800 12 1.0 - - - - • • - 2.47 EL5162 1,2,3 5-13.2 1.5 0.5 2.0 5 50 3 6.5 1 500 110 30 100 4000 25 1 - - - - • • - 2.39 MAX4223 1,2 5.7-12 6 2 4 4 55 2 3 1 1000 230 300 80 800 8 0.8 - - • - • • - 8.36 EL5164 1,2,3 5-13.2 3.5 2 2 5 50 2.1 13 1 500 230 30 140 4000 25 1 - - - - • • - 2.82 TSH350 1 4.5-6 4.1 12 1 4 56 1.5 20 1 550 125 120 205 940 - - - - - - • • - 2.61 F MAX4224 1,2 5.7-12 6 2 4 5 55 2 3 2 600 230 200 80 1400 5 0.8 - - • - • • - 8.36 HFA1135 1 9-11 6.9 6 0.4 5 40 3.5 2.5 1 660 25 60 1200 23 2 - - - - • - - 3.82 V AD8007 1,2 5-12 9 4 0.4 4 56 2.7 2 1 650 90 70 1000 18 1 - - - - • s - 3.05 LMH6702 1 5-13.5 12.5 6 8 4.5 45 1.8 3.4 1 720 140 120 80 3100 13 1.6 - - - - • • - 3.04 ADA4860-1 1 5-12.6 5.2 1 1 13 55 4 1.5 1 800 320 125 30 790 8 1.5 - - • - - • - 1.31 W HFA1130 1 9-12 21 25 12 6 40 4 18 1 850 200 80 60 2300 11 2 - - - - • - - 4.36 V AD8001 1,2 6-12.6 5 3 5 5.5 50 2 2 1 880 200 145 85 1200 10 1.5 - - - • • • - 2.72 AD8009 1 5-12.6 14 50 50 5 50 1.9 46 1 1000 350 75 175 5500 10 2.6 - - - - • • - 3.19 EL5166 1 5-12.6 8.5 0.7 0.7 5 52 1.7 50 1 1400 260 100 110 6000 8 1.5 - - • - • • - 2.95 OPA694 1,2 7-13 5.8 5 2 3 55 2.1 22 1 1500 250 90 80 1700 20 1.2 - - - - • • - 3.38 AD8000 1,3 4.5-13 13.5 -5 -3 10 52 1.6 3.4 1 1580 330 190 100 4100 12 3.6 - - • - • - • 3.00 OPA695 1,2,3 5-13 13 13 20 3 51 1.8 18 1 1700 450 320 120 4300 10 1.2 - - • - • • - 3.42 THS3201 1,2 9-16.5 14 14 13 3 60 1.7 13 1 1800 565 380 1001 0500 20 1.0 - - - - • • • 5.74 NOTES: (a) ordered by increasing unity-gain -3dB frequency. (b) balanced differential. (c) input capacitance from noninverting input to gnd. (d) dual. (e) 10 MHz and 170 V/ps at /o=0.3mA. (f) bold is number of amplifiers in listed part number. (g) for G=5 to 10. (h) both amplifiers. (k) for G=2. (m) maximum. (n) min gain = 2 means G>2 or -1. (p) programmable /q, range shown. (q) QFN pkg. (s) SC-70 available. (t) typ. (u) SOIC-14 or SOIC-16. (v) many-pin SOP or MSOP pkg. (w) at G=1 or 2. (x) non-inverting input. COMMENTS: A. very low /q. B. programmable /q. C. Ccomp pin for optimum compensation to >1nF C-load. D. power pkgs: DD and TO220-7, 5°C/W. E. Winfield’s fave. F. output swings to within 1 volt of the rails. G. Larkin uses this one, in DDA pkg. H. THS3091 with shutdown. J. video amp. K. Larkin shuns this one. L. balanced line driver, SOIC-20. M. upgrade for THS3091, -95. N. line driver. P. video driver. Q. rail-to-rail output! LT6210 is SOT23-6. S. OPA2674 has current lim, adjustable /q. T. no powerpad, use OPA2677. V.. Vout clamps! W. lowest cost.
Рассеиваемая мощность
«Высоковольтные» ОУ с большим током покоя часто приходится использовать при пониженном до ±5...±8 V питании, чтобы не допустить перегрева. Кроме того, при большом размахе выходного сигнала на высоких частотах может увеличиваться ток потребления. В такой ситуации немного помогают теплоотводящие полигоны на печатной плате.
Размах выходного сигнала
Выходной сигнал в большинстве CFB не может приблизиться к потенциалам питания. Это значит, что «низковольтовые» ОУ, которые в принципе могут работать от источника +5V , часто требуют большего напряжения, скажем, ±5V . Модели, способные работать рядом с уровнями питания ( с зазором менее 1V ) отмечены в таблице буквой «F». Единственным исключением, имеющим RR выход, является LT6211.
Корпуса
Чем меньше, тем обычно лучше! Модели в корпусе SOT-23 с меньшей индуктивностью выводов имеют меньшую неравномерность усиления на верхней границе и величину выброса, чем те же ОУ в SOIC-8. Имейте в виду: одиночные усилители, в отличие от сдвоенных, не всегда продаются через дистрибьюторов. Кроме того, сдвоенные варианты имеют отличающиеся обозначения и в таблице не упоминаются.

48

«Керамический конденсатор 0.1 μF и электролитический 2.2 μF должны быть размещены как можно ближе к усилителю, как показано на рис.35. Проводники до общей шины источника питания должны быть по возможности короче. Такие меры обеспечат адекватную фильтрацию питания для большинства задач».

Правда, термин «большинство» не раскрыт. <-

49 Отметим, что выражение \(G_{∞}/A_{OL}\) - просто обратная величина от петлевого усиления AB . Чем больше петлевое усиление, тем ближе усиление с обратной связью к идеальной величине \(G_{∞}\) . <-

50 Термин примерно подразумевает, что \(A_{OL}(f)\) – комплЕксная величина, имеющая сдвиг фазы 90° на большей части рабочей полосы частот, см. §4.9.2.A [* и §2.5.4.B ] . <-

51 Тут есть сложность. При малых величинах \(R_f\) CFB усилители показывают сильную неравномерность АЧХ на высоких частотах, видимую на рис. X4.67 . В общем случае в этом нет ничего хорошего, но зато расширяет официальную полосу по уровню «-3dB». В справочных данных на AD846 этот факт отмечается и отражается на графике точками с подписью «модель AD846 с одним полюсом на характеристике». <-

Previous part:

Next part: