Шапка

8.9 Шумы в схемах с операционными усилителями

Паспортные данные операционных усилителей указывают входной шум в терминах напряжения \(e_n\) и тока \(i_n\) , т.е. так же, как у транзисторов. Данные приводятся в виде табличных значений и графиков частотной зависимости \(e_n\) ( как правило ) \(i_n\) ( иногда ). В отличие от схемы на отдельных транзисторах в ОУ нельзя подстраивать внутренние рабочие токи или номиналы компонентов – только использовать имеющиеся.

Существуют тысячи операционных усилителей, с хорошим выбором моделей, предназначенных для малошумящих схем. 150 самых лучших собраны в табл. 8.3a-8.3c . Для многих из них на рис. 8.60 и 8.61 приведены графики плотности шумового напряжения и тока. Как во всём этом разобраться? Понятно, есть \(e_n\) и \(i_n\) ( а также соотвествующая \( f_c\) - частота точки перегиба графика 1/\( f \) ) , но есть и набор обычных параметров: скорость, точность, входной ток, рассеиваемая мощность и цена. Пример: LT1028 - верхняя кривая «A» ( для \(e_n\) : 0.85 nV/\(\sqrt{Hz}\) , \( f_c\) =3.5 Hz ,) демонстрирует наилучшие шумовые параметры, но потребляет при этом 8.5 mA , причём, только на первый каскад приходится ∼1.8 mA . Согласно всем перечисленным в §8.3 - §8.6 причинам найти ОУ с такими же шумовыми параметрами среди потребляющих 0.1 mA не получится, но, возможно, и не захочется. У LT1028 во входном каскаде стоят биполярные транзисторы с большим рабочим током, а значит, и большой плотностью токового шума ∼1 pA/\(\sqrt{Hz}\) ( на этот раз нижняя кривая «A» ). Иначе говоря, токовый шум нивелирует все преимущества по \(e_n\) на источниках сигнала с импедансом большим 1 kΩ ( т.е. величины шумового сопротивления \(R_n=e_n\)/\(i_n\) ) 72 .

Познакомимся с разработкой малошумящих схем на ОУ поближе. Начнём с правил использования таблицы.

Table 8.3a Low-noise BJT-input Op-ampsa Notes: (a) see also op-amp tables in Chapters 4, 4x, and 5. (b) 0.01 Hz or 0.1 Hz to \(10 Hz\). (c) calculated. (d) ^tal^cs are lower-voltage JFET types. ( d1 ) OP-37 decomp. ( d2 ) OP228 decomp. ( d3 ) OPA637 decomp. ( d4 ) LT1037 decomp. ( d5 ) OPA657 decomp. ( d6 ) ADA4637 decomp. ( d7 ) MAX4237 decomp. ( d8 ) LMP7717 decomp. ( g ) LTC suggests LT1677, RRIO. (h) LTC suggests LT6200, 6230. (J) at \(1 kHz\) or \(10 kHz\) , except \(10 Hz\) for chopper types. (k ) beyond the rail. ( p) per amplifier. (q) italics are jellybeans. ( s ) SC70. ( t ) typical. (u ) datasheet specs are 10x higher, (v) ^os vs ^cm stable. (w) to 5V above the rail. (x) SOIC is non-std pinout. (y ) DIP discontinued, NRND. A: specs at 5V B: over-the-top, low \(I_B\) for VcM5. F: original classic. G: noisy classic. H: noisy, cheap; LM321 single. I: zero-drift, CMOS(!). J: improved OP177. K: 0.7 ppm dist. L: classic audio. M: “RRIO LT1007.”

Table 8.3b Low-noise FET-input Op-ampsa N: classic industrial. O: 0.3 ppm dist. P: cross-coupled. Q: 0.6 ppm dist. R: replaces OP-27, OP270. S: 0.25 ppm dist. T: precision. U: 1 ppm dist. V: 0.4 ppm dist. W: audio version of LT1028. X: 0.1 ppm dist. Y: charge pump. Z: LMV321 single; BJT& CMOS versions ( same p/n! ). AA: above the rail to +18 V. BB: 80 mA output drive. CC: lowest \(I_B\) for an HV part. DD: bootstrapped JFETs. EE: substrate pin. FF: 0.5 ppm dist. GG: replaces OPA111. HH: AoE jellybean. JJ: p^ audio. KK: 0.8 ppm dist. LL: replaces OPA627, 637. MM: costs less than OPA627. NN: <1?W. OO: 7.5?W. PP: programmable quiescent current. QQ: low ^os beyond rails. RR: ^os degrades near V+. SS: popular; LMC7101 ( single ) is similar. TT: e-trim. UU: charge pump, 20 ppm dist. VV: 0.3sec self-cal at power-on. WW: BiCMOS; LMV711 has shdn. XX: charge-pump, RRI. YY: 2nd best chopper. ZZ: CMOS (among several, check out OPA170, 172, 192; also OPA2188 ).

Табл. 8.3c Скоростные малошумящие усилители (*a) Notes: (a) listed within each category by decreasing en. (c) calculated. (d) see plots in Chapter 5. ( g ) for G=10 or G=20. (J) at \(1 kHz\) or \(10 kHz\) (above the \(1/f\) corner ), except \(10 Hz\) for auto-zero op-amps. (n ) within 0.1V of V-. ( p) per amplifier. ( r ) without Ccomp. ( s ) SC70 available. ( t ) typical. (u ) a pin sets \( g_m\)in. (v) the LT1028 has a nasty ~\(10 dB\) noise peak from 200 kHz--600 kHz. (w) at 100 kHz. (x) G=1 with ext comp. Comments: A: 0.1 ppm distortion. B: lowest en; LTC suggests LT6200, LT6230. C: Hill favorite. D: use DDA pkg; Larkin favorite. E: OPA637 for DIP. F: improved SOIC pinout. G: LT6230-10 decomp. H: 1% dist at 50 MHz. K: 0.03% dist at 10 MHz. L: auto-zero. M: zero crossover.

8.9.1 Схема работы с табл. 8.3: выбор малошумящего усилителя

В табл. 8.3 собрана обширная коллекция операционных усилителей, которые подходят для малошумящих схем. Здесь приводится методика обращения с ней и советы по выбору ОУ. Так как читатели, которых в первую очередь интересуют схемы на операционных усилителях ( а не на отдельных транзисторах ), могли пропустить предыдущие подробные пояснения механизма шумов в транзисторах, ниже предлагается повтор основных понятий со ссылками на соответствующие параграфы и рисунки. Тот же, кто читал книгу последовательно и уже познакомился с основами, увидит здесь краткий обзор уже известных сведений.

8.9.1.A Сортировка таблиц

В табл. 8.3a даны ОУ на биполярных транзисторах, которые идут в порядке роста тока потребления \(I_Q\) . Он хорошо коррелирует со снижением входного напряжения шума \(e_n\) . Как только шум упадёт ниже 5 nV/\(\sqrt{Hz}\) , записи выстраиваются по уменьшению \(e_n\) . Для ОУ на полевых транзисторах ( табл. 8.3b ) записи ориентированы по увеличению входного тока ( вплоть до 1 pA ), а затем по уменьшению \(e_n\) . КМОП ОУ ранжируются по росту \(I_Q\) , который приблизительно соответствует снижению \(e_n\) . В табл. 8.3c собраны быстрые операционные усилители всех типов, перечисленные в порядке снижения \(e_n\) .

8.9.1.B Напряжение питания, высокое и низкое напряжение

В таблицу для сравнения включены несколько популярных усилителей, некоторые из которых следовало бы назвать «шумными». У них есть свои преимущества: малая цена, высокая скорость нарастания, низкий входной ток, малая входная ёмкость, небольшая потребляемая мощность, несколько производителей и т.д. В таблице разделяются «высоковольтовые» ОУ, способные работать при напряжениях ±15 V ( или при однополярном питании с размахом 36...44V ) и «низковольтовые» усилители, верхняя граница питания которых ограничена значениями 5...20 V .

Стоит отметить, что многие из высоковольтовых ОУ ( в основном биполярные ) могут работать и при очень низких напряжениях ( вплоть до 2...3 V ) и однополярном питании. Таким образом, точный высоковольтовый ОУ LT1677, который хорошо работает при 3V общего напряжения питания и допускает размах входного и выходного сигнала вплоть до уровней питания 73 является вдобавок отличным низковольтовым вариантом. ОУ, которые допускают размах сигналов на входе и выходе вплоть до отрицательного напряжения питания, классифицируются как «однополярные» независимо от того, будут ли они запитаны от одного или от двух источников.

8.9.1.C Ток покоя IQ и напряжение шума

Высокий ток покоя - основное условие для низкого напряжения шума \(e_n\) . В табл. 8.3 есть усилители с очень низким \(I_Q\) , но зато шумят они гораздо сильнее. Например, ISL2819 потребляет только 930 nA но имеет плотность шума 265 nV/\(\sqrt{Hz}\) , а LT1028 потребляет 7.4 mA , т.е. в ∼20'000 раз больше, а плотность шума - 0.85 nV/\(\sqrt{Hz}\) 74 .

Диаграмма зависимости \(e_n\) от \(I_Q\) для нескольких сотен ОУ ( рис. 8.57 ) наглядно показывает разницу между низким шумом и низким потреблением. Можно заметить, что шум падает приблизительно как квадратный корень из тока потребления. Любой операционный усилитель, отличающийся от лучших образцов не более, чем в два раза, при том же токе потребления можно рассматривать как малошумящий [* ! ] . Связь между током потребления и шумом далека от идеала, потому что разработчики часто решают проблемы с множеством параметров, типа скорости нарастания, входного тока, размера кристалла ( меньше кристалл – ниже стоимость ) и т.д., ценой ухудшения шумов.

Рис.8.57   Чтобы минимизировать шумовое напряжение и БТ, и ПТ должны работать при относительно высоких токах. Это правило распространяется и на ОУ, как видно на предложенной диаграмме зависимости \(e_n\) от \(I_Q\) для большинства транзисторов из табл. 8.3 и рис. 8.60 и 8.61

8.9.1.D Плотность шумового напряжения и тока en и in

Так же, как у транзисторов, параметры операционных усилителей нормируются по напряжению шумов \(e_n\) , шумовому току \(i_n\) и их изменению с частотой, см. §8.3.1 и §8.3.2 . Схема и формула на рис. 8.58 показывают, как \(e_n\) , \(i_n\) и тепловой шум сопротивления источника \(R_S\) собираются в плотность общего напряжения шума. Проще говоря, есть три источника шума: входное напряжение шума ОУ, шумовой ток ОУ, проходящий через сопротивление источника, и тепловой шум самого сопротивления источника сигнала. Все эти величины независимы друг от друга, и для нахождения плотности общего шума надо складывать их квадраты ( единицы измерения V2/Hz ) и брать квадратный корень из суммы. Выборка из 14 образцов показывает, что биполярные транзисторы лучше при низких сопротивлениях источника \(R_S\) , а ОУ с полевыми транзисторами лучше при высоких. Все данные по \(e_n\) и \(i_n\) в табл. 8.3 приведены для частоты 1 kHz , чтобы можно было прикинуть, как мог бы проходить график на рис. 8.58 .

Рис.8.58   Зависимость общего шума ( сопротивление источника плюс сам усилитель на частоте 1 kHz ) от сопротивления источника для нескольких образцов малошумящих ( буквенные обозначения кривых ) и общеупотребительных ( цифровые обозначения ) ОУ. Подписи к кривым соответствуют обозначениям в табл. 8.3 и на рис. 8.60 и 8.61 . Графики сформированы из паспортных данных на \(e_n\) и \(i_n\) . Для классических LM741 и LM358, чьи шумовые параметры не нормируются, и для LT1012 с ошибкой в данных приводятся цифры измерений. В качестве токового шума LMC6482 взято ожидаемое значение, потому что паспортные данные доверия не вызывают

8.9.1.E Графики шума en и in

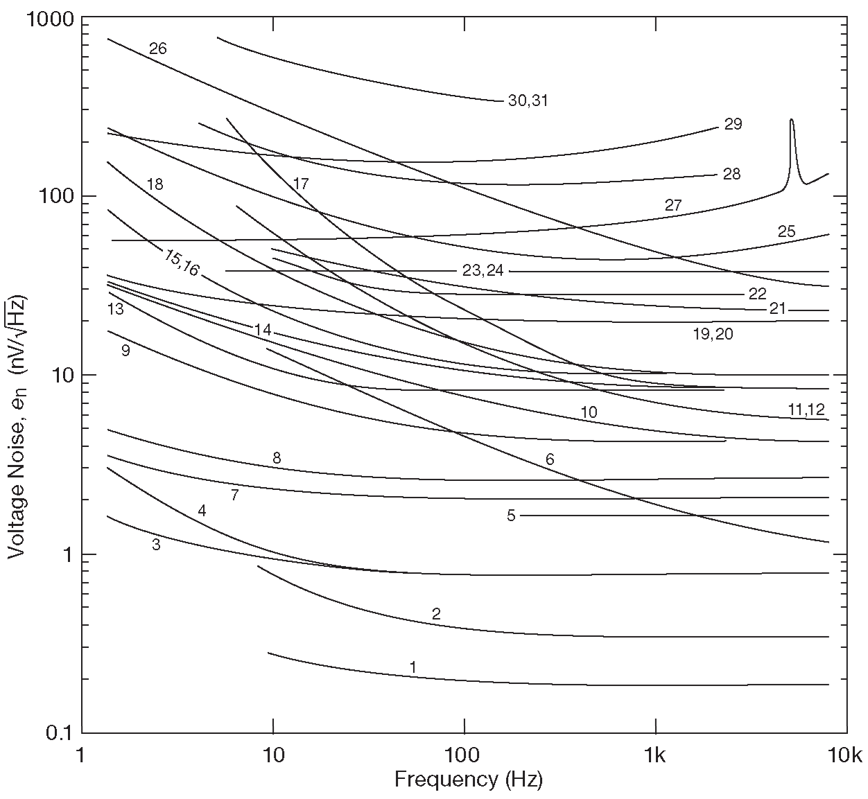
Одно дело смотреть на цифры \(e_n\) и \(i_n\) в куче справочных данных или знакомиться с содержимым табл. 8.3 и совсем другое дело сравнивать графики плотности шума, включающие точки перегиба 1/\( f \) и другую уникальную информацию. На рис. 8.60 и 8.61 приведены помеченные буквами и цифрами 75 графики зависимости \(e_n\) и \(i_n\) от частоты из справочных данных на 60 операционных усилителей из табл. 8.3 . Отметим, что диапазон напряжения шума отличаются вплоть до значений 1000:1 ( притом, что большая часть ОУ укладывается в промежуток 1...100 nV/\(\sqrt{Hz}\) ) , в то время как разброс шумовых токов близок к \(10\space^6:1\) . Последняя пропорция отражает огромный разброс значений входных токов: от фемтоампер ( у некоторых КМОП моделей ) до десятков микроампер ( для очень быстрых биполярных усилителей ) - разброс десять порядков. Шумовой ток пропорционален квадратному корню из величины постоянной составляющей входного тока, но, сами понимаете, квадратный корень из \(10\space ^{10}\) остаётся довольно заметной величиной.

Рис.8.60   Зависимость шумового напряжения и тока от частоты для некоторых операционных усилителей из табл. 8.3a - 8.3c ( стр. 522-524 ). Все графики, исключая «G» и «J», взяты из паспортных данных. Для «G» и «J» приводятся измеренные величины \(i_n\) . Обозначения даны в порядке увеличения \(e_n\) на 10 Hz . Спектры шума по результатам измерений приведены на рис. 8.110 и 8.111

Bipolar ( BJT ) high voltagea , p,t 'Q (mA ) GBWt ( MHz) j OPA188z, 2188z 0.4 2 E OPA209, 2209 2.2 18 F OPA227, 2227 3.7 8 D LT1007 2.6 7 M LT1012 0.4 0.7 A LT1028 7.4 75 G NE5534A 4 10 Q AD8021 7 1000 B AD8597, 99 5 10 low voltage K AD8099 15 4000 C ISL28190, 290 8.5 100 JFET high voltage P OPA124 2.5 2 U OPA129 1.2 1 H OPA140, 2140 1.8 11 L OPA627 7 16 low voltage T OPA656 14 230 R ADA4817 19 400 CMOS medium voltage S TLC2272 1.2 2.2 low voltage V OPA365x 4.6 50 N AD8628z, 29z 0.8 2.2 (a) all have bias cancellation, except for types G and Q. ( p) per channel. ( t ) typical. (x) zero crossover. (z) zero drift.

Рис.8.61   Зависимость напряжения и тока шумов от частоты для некоторых популярных операционных усилителей из табл. 8.3 на стр. 522-524 . Для сравнения показаны характеристические графики малошумящих биполярных и полевых транзисторов. Все кривые взяты из паспортных данных, кроме графиков #1, #22 и #24 - измеренные значения \(e_n\) и #23 - измеренное значение \(i_n\) . Обозначения даны в порядке увеличения \(e_n\) на частоте 10 Hz

Bipolar ( BJT ) high voltagea 1p,t 'Q (mA ) GBWt ( MHz) 8 OP27 4.6 8 18 OPA171 0.5 3 13 OPA277,2227 0.8 1 24 LM358 1 1 22 LM741 1.7 1.5 5 AD844 6.5 60 7 LT1007 2.7 8 19 LT1013 0.35 0.7 3 LT1028 7.4 75 9 LT1468 3.9 90 4 ADA4898-1 ,-2 8.1 65 34 LT6010,11 0.14 0.33 14 LM6171,72 2.5 100 medium voltage 31 TLV2242 1 pA 5.5 kHz 30 TLV2401,02 0.9pA 5.5 kHz 6 LT6200,01 16.5 165 low voltage 28 LMV321,358 0.13 1 JFET high voltage 33 OPA124 2.5 1.5 32 OPA129 1.2 1 21 LF411,12 1.8 4 10 LT1793 4.2 4.3 16 OPA604,2604 5.3 20 CMOS medium voltage 17 LMC6482 0.5 1.5 27 AD8638z 1 1.4 low voltage 12 OPA350,2350 5.2 38 26 OPA743 1.1 7 25 LMP2231,32 0.01 0.13 15 LTC6081 0.33 3.6 29 LMC6442 1 pA 10 kHz 20 AD8603 0.04 0.4 11 AD8615,16 1.7 24 23 MAX9617z 0.06 1.5 Discrete 1 ZTX851 (npn, 10 mA ) 2 IF3601 (nJFET, 5 mA; InterFET ) (a) all have bias cancellation, except for #5, 14, 22, and 24. ( p) per channel. ( t ) typical. (z) zero drift.

Операционные усилители с очень низким шумовым напряжением ( верхняя картинка ), такие как образцовый LT1028 ( кривые «A» и «3» ), чей портрет показан на рис. 8.59 , в общем случае имеют высокий токовый шум \(i_n\) ( нижняя картинка ). Это обычный компромисс между \(e_n\) и \(i_n\) , который необходимо учитывать, выбирая компоненты в табл. 8.3 , и по картинкам спектров. Для пробуждения интереса к шуму дискретных транзисторов на рис. 8.61 приведены кривые «1» и «2» – спектры шумов лучших представителей биполярных и полевых транзисторов. Используя эти компоненты можно сделать гибридную схему и достичь более низких уровней шума, чем с одними только ОУ. В таком усилителе входной каскад, собранный для снижения \(e_n\) на дискретных транзисторах работает на интегральный усилитель, дающий основной прирост мощности. Эта идея развивается на рис. 8.66 и 8.67 и в §8.9.5 . Для лучшего понимания основ проектирования малошумящих схем на дискретных компонентах см. §8.5 и §8.6 .

Рис.8.59   LT1028, явленный миру в 1981г., остаётся самым тихим операционным усилителем, несмотря на непрекращающиеся попытки оспорить этот титул. Для снижения \(e_n\) задан высокий рабочий ток ( 1.8 mA ) входного каскада, а большая площадь входных транзисторов позволяет иметь низкую плотность тока и достичь для частоты перегиба 1/\( f \) фантастической величины 3.5 Hz

В общем случае ОУ на биполярных транзисторах имеет низкую частоту перегиба 1/\( f \) ( типовые значения 1...30 Hz ), но не нужно забывать об их гораздо более высоких частотах перегиба графика шумового тока ( 30 Hz...1 kHz и более ). Этот факт может сильно повлиять на схемы, содержащие высокоомные резисторы в цепях обратной связи или источники сигнала с высоким импедансом.

Если рассматривать только усилители с самым низким напряжением шума ( скажем, ниже 1.1 nV/\(\sqrt{Hz}\) , то найти ОУ со столь же низкой частотой перегиба 1/\( f \) , как у LT1028, LT1128 ( 3.5 Hz ) не получится. Эти две замечательных микросхемы имеют, кроме того, и самый низкий среди конкурентов шумовой ток. Тем не менее, следует предупредить об ужасном широком шумовом пике ( откровенно возвышающемся на 15 dB прямо посреди паспортных данных ) с основной частотой 400 kHz , который начинается на 150 kHz и заканчивается на 600 kHz . У других усилителей таких проблем нет, зато частота перегиба 1/\( f \) лежит гораздо выше: её значения достигают 5 kHz у некоторых быстрых ОУ.

8.9.1.F Ib и in в биполярных транзисторах: компенсация Ib

В табл. 8.3 есть цифры типичных и максимальных значений входного тока \(I_b\) 76 . В общем случае именно дробовый шум \(I_b\) - тока базы БТ или утечки затвора ПТ - является источником шумового тока \(i_n\) , поэтому можно ожидать, что он описывается уравнением для дробового шума \(i_n=\sqrt{2qI_b}\) , но во многих ОУ на биполярных транзисторах используется схема компенсации входного тока ( см. ##§X4.10 [* и упражнение 2.30 ] ), которая позволяет этот ток значительно снизить. К сожалению, данная схема снижает только установившееся значение \(I_b\) , никак не влияя на шумовой \(i_n\) ( на самом деле она наоборот увеличивает \(i_n\) в \(\sqrt{2}\) раз ). ОУ, использующие схему компенсации, имеют отметку в колонке «bias cancel» табл. 8.3 и шумовой ток в 10...40 раз больший, чем дробовый шум, который можно было бы ждать от такого \(I_b\) 77 . Увеличение шумового тока \(i_n\) прямо сказывается на снижении величины \(R_n\) , но теоретически увеличившийся шумовой ток и уменьшившиеся номиналы резисторов обратной связи проблем создавать не должны.

Компенсация входного тока вблизи уровней питания При работе с усилителями, допускающими размах входного сигнала вплоть до уровней питания, следует проявлять повышенную осторожность: их входные токи склонны к экспоненциальному росту по мере приближения к упомянутым уровням питания ( см. §5.7.2 ). Справочные данные отражают данный факт в графической форме, но обычно никак не оговаривают столь неприятное поведение в табличных данных.

8.9.1.G Усилители с обратной связью по току

В отличие от ОУ с обратной связью по напряжению ( VFB ), ОУ с обратной связью по току ( CFB ), используемые в широкополосных схемах, имеют как правило гораздо больший входной ток и токовый шум на своём отрицательном (–) входе, нежели на положительном (+). Для CFB усилителей в табл. 8.3c приводятся цифры для вывода с наименьшим значением входного тока и токового шума. Разница может достигать десятикратных уровней. Как обычно совет: справочные данные следует изучать внимательно!

8.9.1.H Шумовое сопротивление Rn

Для шумового сопротивления \(R_n≡ e_n/i_n\) отведена специальная колонка. В ней проставлены значения, соответствующие минимально возможному коэффициенту шума ( см. §8.5.1 и рис. 8.31 ). Но основная его польза в другом: шумовое сопротивление сразу показывает максимальный номинал резистора обратной связи, который ещё можно использовать. Если есть желание сделать \(e_n\) основным источником шума в схеме, то импеданс источника \(R_S\) на входах ОУ должен быть в 5...30 раз меньше, чем шумовое сопротивление \(R_n\) усилителя, см. рис. 8.58 . Дело в том, что сделать что-либо с \(e_n\) не получится и с ним придётся жить, но можно хотя бы уменьшить номинал резистора обратной связи и снизить негативное воздействие \(i_n\) . Здесь, конечно, не следует забывать, что сопротивление источника \(R_S\) тоже должно быть малО в сравнении с \(R_n\) . (Есть ещё кое-что, не связанное напрямую с шумовым током: иногда проблемы создаёт сам факт прохождения постоянной составляющей входного тока через сопротивление источника, которое может представлять собой достаточно высокоомный датчик ). Ну и наконец, можно совсем отказаться от усилителя с низким \(e_n\) в пользу экземпляра с низким \(i_n\) , даже если его напряжение шума выше.

В таблице нет цифр \(R_n\) для ОУ на полевых и МОП транзисторах. Причина в том, что \(i_n\) по своей сути - дробовый шум входного тока, который не больно-то и нормируется в ОУ таких типов: в справочных данных можно увидеть типовые цифры на уровне пикоампер, а максимальные значения - в тысячи раз большие – на общее обозрение не выставляются. Кроме того, речь идёт о токах утечки, которые экспоненциально растут с ростом температуры. Причин для беспокойства нет – при 25°C входные токи достаточно малы и значения \(R_n\) попадают в область гигаом и выше, что хорошо видно на рис. 8.58 .

8.9.1.I Ib и in для ОУ на полевых и МОП транзисторах

Входной ток \(I_b\) нормируется по типовому и максимальному значению. Обычно дробовый шум считается по оптимистичному сценарию - по типичному значению \(I_b\) . Для операционных усилителей на биполярных транзисторах максимальные значения входного тока превышают типовые в два-три раза, но в ОУ на полевых и МОП транзисторах ситуация совершенно иная. В них разница гораздо больше и может достигать 60× для TLC4501A, а то и 800× для LMC6442A 78 . Подобная картина особенно характерна для дешёвых микросхем с необычайно низким значением \(I_b\) .
Особое предупреждение: будьте внимательны, синфазное напряжение на входе может сильно влиять на входной ток и в справочных данных обычно указывают цифры для \( V_{in}\) , равного половине питающего напряжения. [* См. §5.7.2.B ]

Ещё одна проблема: значения \(I_b\) в табл. 8.3 приводятся для оптимистичных 25°C . Чтобы познакомиться с катастрофическим эффектом роста температуры окружающей среды на ПТ и МОП усилители обратитесь к §5.10.7 и рис. 5.38 [* «катастрофический эффект» несколько диссонирует с «причин для беспокойства нет» из пояснений для \(R_n\) ОУ парой абзацев выше ] ( температура, кстати, может повышаться как за счёт наружных источников тепла, так и за счёт саморазогрева, подробности ниже ). Из-за всех этих факторов, воздействующих на \(I_b\) , определить величину \(i_n\) в ОУ на полевых и МОП транзисторах с какой-либо разумной точностью не представляется возможным. Единственное, что можно сказать определённо: исключая случаи высоких температур, шумовой ток таких усилителей будет несколько ниже, чем у ОУ на биполярных транзисторах, что хорошо видно из нижних графиков на рис. 8.60 и 8.61 .

8.9.1.J Ib и температура кристалла

Как уже указывалось в §5.7.2 ( и детально разбирается в ##§X4.10 ), ОУ на биполярных транзисторах со схемой компенсации входного тока очень хороши при высоких температурах ( см. рис. 5.6 ) и в некоторых условиях могут предложить самый низкий \(i_n\) . Особенно заметно это проявляется в малопотребляющих ОУ, чей ток коллектора входного каскада является лишь частью и без того скромного \(I_Q\) . Например, при 100°C LT6010 A имеет типовой входной ток меньше 50 pA ( см. график в справочных данных ), что гораздо меньше, чем 1200 pA , которые может предложить КМОП ОУ OPA134, хотя при 25°C OPA134 выглядит совершенно недосягаемым. Правда, даже в этом случае шумовой ток разогретого усилителя на полевых транзисторах будет где-то в пять раз ниже, чем у схемы на биполярных. Низкий входной ток последнего является следствием отличной работы компенсационных цепей и хорош, когда речь идёт о постоянной составляющей входного тока, но эти цепи никак не меняют шумовой ток, который является следствием физических процессов в исходном нескомпенсированном потоке заряженных частиц.

Когда разговор идёт о повышенных температурах, всегда следует учитывать, что часто внутри стоящего на плате корпуса температура заметно выше, чем в помещении, особенно, если внутри имеются мощные потребители. Кроме того, обнаружилась склонность некоторых ПТ ОУ к заметному саморазогреву. Например, замечательный во всём остальном ОУ OPA627 рассеивает 210 mW при работе от источника ±15 V . Для корпуса SOIC-8 это означает повышение температуры кристалла на 34°C относительно температуры корпуса. Но зато, в отличие от многих других компонентов, OPA627/637 проверяются в реалистичных условиях, после прогрева кристалла. Эта особенность частично объясняет их высокую стоимость.

8.9.1.K Шум вида 1/f и частота fc точки перегиба

Рис. 8.60 и 8.61 показывают увеличение шума на низких частотах. Такой подъём называется «шумом вида 1/\( f \)», который рассматривался с разных сторон в §5.10.6 , §8.1.3 , §8.3 и §8.13 . Табл. 8.3 включает параметр \( f_c\) - частоту перегиба графика 1/\( f \) , рассчитанную с помощью уравнения [8.60] по паспортным шумовым параметрам. Взглянем на тихий ОУ с очень соблазнительным уровнем \(e_n\) ( который традиционно нормируется на 1 kHz ), но с достаточно высокой частотой перегиба 1/\( f \) . Если рабочая полоса меньше, чем ∼10·\( f_c\) , то подъём уровня шума придётся учитывать.

8.9.1.L Шум, «интегральный шум»

На рис. 8.62 показан интегральный уровень шума для четырёх малошумящих ОУ. Результат получается после суммирования с накоплением ( т.е. «интегрирования» ) плотности шума ( иногда называемого «spot noise» ) по всей рабочей полосе. Он выражается в вольтах ( например, μVrms ), в отличие от плотности шума, которая исчисляется в вольтах на квадратный корень из рабочей полосы ( например, nV/\(\sqrt{Hz}\) ) . Иногда интегральный шум неправильно называют «напряжение шума» или просто «шум». В формулах его обозначают как \(v_n\) или \( V_n\) , но никогда \(e_n\) . Четыре усилителя с рис. 8.62 имеют сравнимые цифры \(e_n\) на частоте 1 kHz , но сильно различающиеся частоты перегиба графика шума 1/\( f \) ( от 2 до 400 Hz ), и в итоге сильно различающиеся величины интегрального шума, если ОУ используются ниже частоты 1 kHz . На практике воздействие низкочастотного шума прослеживается вплоть до ∼10 kHz .

Рис.8.62   Приводимые в паспортных данных значения \(e_n\) измеряются при 1 kHz , но их приятно низкие величины - это ещё не вся история. Операционный усилитель с более высокой «частотой перегиба 1/\( f \)» - \( f_c\) - будет иметь больший уровень интегрального внутриполосного шума, что хорошо видно по графикам \(e_n\) четырёх ОУ, чьи шумовые параметры на указанной частоте сравнимы. Отметим, что эффект хорошо заметен гораздо выше частоты \( f_c\)

На рис. 8.63 изображены кривые интегрального шума для трёх дюжин усилителей. В общем случае на низких частотах ОУ на полевых транзисторах выглядят хуже, чем на биполярных, а о КМОП усилителях говорить уже просто неприлично. Кривые рассчитаны по табличным данным о \(e_n\) и \( f_c\) по формуле [8.59] . На больших частотах, где основную роль играет белый шум, кривые упрощаются до \(v_n\)=\(e_n\sqrt{f_2}\) .

Рис.8.63   График напряжения интегрального внутриполосного шума для некоторых малошумящих и обычных ОУ, построенный по паспортным графическим и табличным данным плотности напряжения шума. Обозначение микросхем соответствует рис. 8.60 и 8.61 и табл. 8.3 . См. также рис. 5.54 , который включает усилители с автоподстройкой нуля и продолжен вниз до 0.001 Hz

Bipolar ( BJT ) en i ( typ, 1 kHz) fc (nV/VHz) (Hz) high voltage j OPA188,2188 8.8 0.4 E OPA209,2209 2.2 16 b2 OPA211,2211 1.1 10 F OPA227,2227 3 4 13 OPA277,2277 18 20 24 LM358 40 10 22 LM741 28 20 D LT1007 2.5 2 M LT1012 14 2.5 19 LT1013 22 1.3 A LT1028,LT1115 0.85 3.5 9 LT1468 5 27 b6 LT1495 185 10 b1 AD4004 1.8 2.5 b4 LM4562 2.7 75 34 LT6010,11 14 3.6 B ADA8597 1.1 22 medium voltage b5 LT6003 325 1 b3 LMP7731 2.9 1.4 low voltage 28 LMV321,358 39 8 30 TLV2401,02 500 3 JFET high voltage U OPA129B 17 310 f3 OPA134,2134 8 80 H OPA140,2140 5.1 12 L OPA627,637 4.5 90 f1 OPA1641 5.1 7 f2 LT1792 4 30 medium voltage T OPA656 7 1300 CMOS medium voltage 29 LMC6442 170 0.5 17 LMC6482 37 900 c4 ICL7612 100 520 low voltage c1 OPA376 7.5 50 c3 LPV521 260 7 25 LMP2231,32 60 20 c2 MAX4236A 14 17 15 LTC6081 13 65

ОУ с прерыванием или автоподстройкой нуля ( здесь не показаны ) не подвержены влиянию шума 1/\( f \) , но имеют больший общий уровень шума, в том числе чрезмерный токовый шум. Их параметры даны в табл. 5.6 и на рис. 5.54 и показывают, что на частотах выше 1...10 Hz усилители с прерыванием шумят сильнее, чем обычные ОУ на биполярных транзисторах.

8.9.1.M Амплитудное значение напряжения шума в полосе 0.1–10 Hz

Амплитудное значение напряжения шума \( V_n( pp) \) в полосе 0.1–10 Hz из табл. 8.3 требуется, когда выбираются компоненты для низкочастотной схемы, чувствительной к шуму вида 1/\( f \) . Обычно производители приводят осциллограмму отфильтрованного выхода на 10-секундном интервале ( см. §8.13 и рис. 8.64 ), но его можно и посчитать по формуле [8.59] ( она предполагает использование идеального фильтра с вертикальными срезами ). На практике наблюдаются производители, использующие фильтры первого порядка, RC фильтры второго порядка и фильтры Баттерворта второго и третьего порядков. Сравнение данных для нескольких сотен ОУ показало, что рассчитанная по формуле величина \( V_n(rms) \) где-то в шесть раз ниже приводимых производителями данных. Такая методика удобна для проверки паспортных данных или получения хоть каких-то цифр при отсутствии информации от производителя.

Рис.8.64   В справочных данных иногда приводятся снимки амплитуды напряжения низкочастотного шума, подобные этому. Спектр шума соответствует кривой #8 на рис. 8.61 ( опубликовано с разрешения фирмы Analog Devices )

8.9.1.N Входная ёмкость Cin

Входная ёмкость ОУ становится серьёзной проблемой, если приходится рассматривать шум вида \(e_n·C_{in}\) трансимпедансных усилителей - TIA , см. §8.11 . Для некоторых датчиков с высоким импедансом входная ёмкость работает и как дополнительная высокочастотная нагрузка, и как путь прохождения высокочастотного шума с шины питания на вход в виде шумового тока. Для некоторых дифференциальных ОУ в паспорте приводятся значения ёмкости как для синфазного, ток и для дифференциального режима. Для таких случаев в таблицу заносилось наибольшее значение ( внимательно изучайте справочные данные, прежде чем ввязываться в проект ).

Достаточно часто ОУ с низкими значениями \(e_n\) используют входные транзисторы большой площади, чья ёмкость естественно выше, как можно видеть на графиках зависимости \(e_n\) от \( C_{in}\) на рис. 8.65 . Если исключить биполярные ОУ и шумные экземпляры, можно заметить, что чем меньше входная ёмкость, тем больше шума. Но некоторые модели нарушают эту закономерность и выглядят достаточно интересно. Отличный ОУ на ПТ LT1793 с объявленной входной ёмкостью \( C_{in}\) =1.5 pF , даже при достаточно высоком \(e_n\) =5.8 nV/\(\sqrt{Hz}\) , имеет очень привлекательное значение добротности ( FOM ): FOM =\(e_n·C_{in}\) =9 nV·pF 79 .

Рис.8.65   ОУ с меньшим входным шумом имеют как правило большую входную ёмкость. Зависимость особенно хорошо видна по усилителям на полевых транзисторах из-за больших размеров входных транзисторов

Часто имеется датчик с высокой собственной ёмкостью, или коаксиальный кабель на входе, или что-либо подобное, что вкупе с FOM усилителя ( \(e_n·C_{in}\) для \( C_{ext}=0\) ) создаёт дополнительный действующий токовый шум \(e_n·C_{in}\) на входной шунтирующей ёмкости. В таком случае на первый план выходит низкий \(e_n\) , и такие усилители, как OPA827, OPA627 и LT1792, становятся новыми лидерами, пока LT1793 и OPA365 отсиживаются на скамейке запасных. Абсолютным победителем в категории «\( C_{ext}\) > 25 pF» мог бы быть AD743 ( \(e_n\) =2.9 nV/\(\sqrt{Hz}\) ) , но он, к сожалению, перешёл в категорию NRND - «не рекомендуется для новых разработок». СтОит запастись, если получится достать! Ну и наконец, для схемных конфигураций с высокой входной ёмкостью есть ещё вариант на дискретных компонентах ( см. §8.3 и рис. 8.66 ), который перекроет по параметрам самые лучшие модели операционных усилителей.

Ещё один источник неприятностей - ёмкость защитных компонентов на входе ОУ. Усилители с по-настоящему малой входной ёмкостью более чувствительны к статическому повреждению при неосторожном обращении. Биполярные транзисторы менее чувствительны к статике и обычно имеют меньшую ёмкость, чем ПТ и КМОП ОУ, но их высокие значения \(I_b\) и \(i_n\) мешают использованию в высокоомных цепях. Единственным исключением являются трансимпедансные усилители на частотах выше 1...10 MHz , но на таких частотах компоненты надо подбирать среди высокоскоростных ОУ ( табл. 8.3c ), которые здесь на рассматриваются 80 . Если для БТ ОУ входная ёмкость не обозначена, то её можно принять равной 2...5 pF .

8.9.2 Коэффициент ослабления источника питания ( КОИП )

Несколько в стороне от внутренних источников шума операционного усилителя лежит шум ( или интерференционные сигналы из другой части схемы ) на шинах источника питания, которые попадают на выход ОУ уменьшенные в КОИП ( или PSRR ) раз. Типичный операционный усилитель имеет на низких частотах довольно неплохой КОИП ( приблизительно равен величине, обратной коэффициенту усиления без обратной связи 1/\( G_{OL}\) или 80...140 dB ), но на высоких частотах ослабление падает по закону 1/\( f \) , приводя к заметному пролезанию шумов источника. Часто КОИП на ВЧ имеет плохие значения для какой-либо одной шины питания из-за связи через внутренний компенсирующий конденсатор, см. ##§X4.7. Например, на частотах выше 10 Hz КОИП для положительного вывода питания LT1012 на 25 dB хуже, чем для отрицательного, а у микропотребляющего LT6003 подавление шума отрицательной шины питания схлопывается до менее чем 10 dB на 1 kHz ! Простая RC фильтрация чувствительных участков ( или использование умножителя ёмкости, см. §8.15.1 ) в большой степени снижает остроту проблемы. Читайте справочные данные, чтобы хотя бы знать, что проблема существует.

8.9.3 Подводя итоги: выбор малошумящего операционного усилителя

Для начала краткая схема: выбор ОУ для малошумящей схемы надо начинать с предварительного отбора по базовым характеристикам: точности, скорости, рассеиваемой мощности, напряжения питания, размаху входного и выходного сигнала и т.п. Только после этого следует переходить к рассмотрению шумовых параметров. Основное правило: для сигналов с высоким импедансом нужны ОУ с низким токовым шумом \(i_n\) , для сигналов с низким импедансом - ОУ с низким шумовым напряжением \(e_n\) . Как говорилось ранее, плотность общего приведённого ко входу шумового напряжения равна: \[ v^2_n = 4kT R_S + e^2_n + (i_n R_S )^2 \qquad \mathrm{V^2/Hz}, \qquad [8.42] \] где первое слагаемое определяется тепловым шумом импеданса источника, второй - шумовым напряжением ОУ, а третий - шумовым током ОУ 81 . Понятно, что тепловой шум определяет нижнюю границу приведённого ко входу шума. Ранее на рис. 8.58 приводилась в удобном графическом виде зависимость \(v_n\) ( на 1 kHz ) от \(R_S\) для нескольких малошумящих ОУ из табл. 8.3 82 , которые перекрывают типовой диапазон \(e_n\) и \(i_n\) . По этим кривым можно прикинуть параметры отсутствующих усилителей.

График наглядно представляет разницу между низким шумовым напряжением ( здесь на коне ОУ на биполярных транзисторах - сплошная линия ) и низким шумовым током ( побеждают КМОП - штриховая линия ). Хорошие ОУ на полевых транзисторах, например OPA140, совмещают очень неплохие параметры из обоих миров. Стоит обратить внимание на то, что шумовое напряжение даже простеньких ( и шумных ) КМОП компонентов, подобных LMC6482, не имеет никакого значения, когда они работают с источниками с сопротивлением в диапазоне 1 MΩ...10 GΩ , где доля ОУ в общем шуме незначительна.

Шумовые спектры операционных усилителей показаны на рис. 8.60 и 8.61 , а зависимость полного ( интегрального ) среднеквадратического напряжения \(v_n\) от рабочей полосы, нужная для низкочастотных задач, даны на рис. 8.63 .

Два предупреждения:

  1. Графики плотности общего шума ( зависимость \(v_n\) от \(R_S\) ) на рис. 8.58 нормируют характеристики только на частоте 1 kHz . Если ОУ имеет высокую частоту перегиба 1/\( f \) , то на низкой частоте его параметры будут выглядеть значительно хуже. Возьмём тот же LMC6482 (#17 ), его \(e_n\) на 10 Hz составляет где-то 170 nV/\(\sqrt{Hz}\) , уравнивая его с #29.
  2. Аналогично, на высоких частотах нужно беспокоиться о входной ёмкости ( особенно если частота сочетается со входным импедансом гигаомного диапазона ) и шумовом токе, создаваемом при её перезарядке ( \(i_{nC}=e_n·ω·C_{in}\) ) . Тихий ОУ на полевых транзисторах OPA627 имеет в три раза большую входную ёмкость ( из-за большой площади входных транзисторов ), чем чуть более шумный ( но и более дешёвый ) OPA656.

8.9.4 Малошумящие инструментальные ОУ и видеоусилители

Кроме обычных малошумящих есть несколько очень приятных тихих моделей среди инструментальных и видео-усилителей. В отличие от компонентов широкого применения, эти имеют фиксированные или устанавливаемые внешним резистором коэффициенты усиления. Инструментальные ОУ, предназначенные для точных дифференциальных схем, подробно рассматриваются в Части _5 ( §5.13 ), а т.н. «видеоусилители» часто имеют рабочую полосу в десятки мегагерц, но несмотря на это неплохо работают и в низкочастотных схемах. Примером измерительного ОУ служит INA103 ( Burr-Brown/TI ), за видеоусилители играют LMH6517 ( National/TI ) и LTC6400 ( Linear Technology ). Эти микросхемы имеют типовые цифры \(e_n\) в районе 1 nV/\(\sqrt{Hz}\) , достигая таких параметров за счёт высоких рабочих токов входного каскада ( и ценой высокого шумового тока \(i_n\) ) .

8.9.5 Малошумящие гибридные усилители

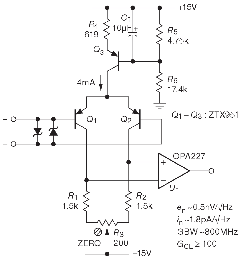
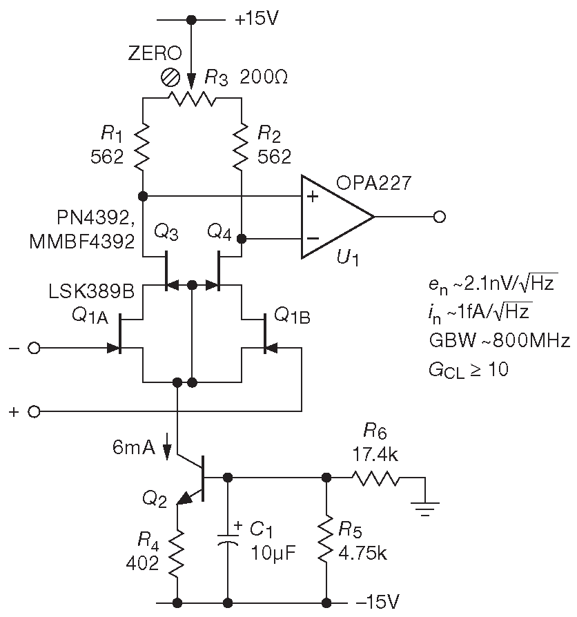
Ранее в §8.9.1.E была анонсирована возможность создания гибридных малошумящих схем, в которых дифференциальный каскад на малошумящих биполярных или полевых транзисторах ставится на входе обычного ОУ, чтобы получить в итоге недостижимые в иных обстоятельствах шумовые характеристики. Несколько упрощённые схемы на рис. 8.66 и 8.67 показывают, как это можно сделать. Данные усилители относятся к категории композитных и обсуждаются в ##§X4.5.

Рис.8.66   Сочетая лучшее из двух миров: биполярный гибридный широкополосный малошумящий усилитель на биполярных транзисторах

Рис.8.67   Другая гибридная схема: теперь на полевых транзисторах

8.9.5.A Общие вопросы проектирования

Диапазон синфазного сигнала
Обе схемы предполагают работу в очень широком диапазоне синфазных сигналов на входе ( как минимум ±10 V ) и возможность использования в качестве замены для малошумящего ОУ общего назначения. По этим причинам рабочий потенциал источника тока в эмиттере ( или истоке ) устанавливается в пределах 2.5 V от ближайшей шины питания, а нагрузочные резисторы \(R_1\) и \(R_2\) в коллекторах для биполярной схемы выбираются так, чтобы на них падало только 3V ( что позволяет иметь нижний предел входного сигнала в районе –12 V ). Схема на полевых транзисторах нагружается аналогично, но пара вольт съедается каскодными транзисторами \(Q_3, Q4\) и с учётом отрицательного напряжения \( V_{GS}\) транзисторов входного каскада положительный размах синфазных сигналов ограничивается в районе +10 V 83 .
Подстройка смещения

В биполярном варианте используется один из самых тихих ( по результатам тестирования ) среди доступных транзисторов (Zetex ZTX951 ), но он не выпускается в виде согласованной пары, поэтому в схеме предусмотрен потенциометр \(R_3\) с довольно большим диапазоном подстройки ( ±6% ). В схеме на полевых транзисторах используется LSK389 - сдвоенный «согласованный», но ±20 mV смещения для наихудшего случая диктуют необходимость ещё большего диапазона подстройки ( здесь ±17% ). Ирония ситуации в том, что разброс \( V_{BE}\) для пары одиночных биполярных транзисторов оказывается меньше, чем разброс \( V_{GS}\) для согласованной пары полевых, по крайней мере, именно таковы собственные наблюдения авторов. Для примера на рис. 8.44 приведено распределение измеренных значений \( V_{BE}\) .

Очень важно понимать, что столь простая схема компенсации смещения вызывает дисбаланс сопротивлений нагрузки, что очень сильно ухудшает коэффициент подавления синфазных сигналов дифференциального каскада. Более того, небаланс сопротивлений нагрузки очень плохо сказывается на степени ослабления шума источником тока ( которая обычно при точности резисторов 1% превышает 50× ). Гораздо более правильный метод предполагает балансировку токов через коллекторные ( или стоковые ) нагрузочные резисторы, см. пример на рис. 8.80A .

Минимальное усиление с обратной связью
В связи с тем, что входной каскад на транзисторах имеет усиление по напряжению ( 120× для биполярных и 12× для полевых ), общее петлевое усиление заметно выше, чем у ОУ без дополнительной обвязки ( которое, впрочем, и так не маленькое – порядка 160 dB на низких частотах ). Чтобы обеспечить стабильность ( учитывая, что OPA277 устойчив при единичном усилении ), общее усиление следует установить равным не менее, чем 100× для биполярной и 10× для полевой гибридной схемы 84 .

8.9.5.B Некоторые вопросы, вызывающие затруднения

Выбор транзисторов
Шумовые характеристики схем не указаны, но измерения показывают отличные цифры ( и хорошую повторяемость ) с некоторыми транзисторами Zetex, а именно: с ZTX851 ( npn ) и ZTX951 ( pnp ). Последний несколько лучше благодаря выдающемуся сопротивлению базы \( r_{bb'}\) - всего 1.2 Ω ( т.е. \(e_n\) ≈0.17 nV/\(\sqrt{Hz}\) при токе коллектора 10 mA ) против \( r_{bb'}\) ≈1.4 Ω для npn ZTX851 85 . Для схемы на ПТ выбран LSK389B фирмы Linear Integrated Systems с паспортными параметрами \(e_n\) =0.9 nV/\(\sqrt{Hz}\) (тип.) и 1.9 nV/\(\sqrt{Hz}\) (max) при токе стока 2 mA 86 . Это полевой транзистор с большой площадью кристалла ( для снижения уровня шума ), а значит, и с большой ёмкостью ( \( C_{ISS}\) =25 pF ) и высокой проводимостью ( минимальное паспортное значение 20 mS при 3 mA тока стока ).
Входной ток
Биполярный транзистор имеет ожидаемо высокий входной ток - следствие высокого тока коллектора, нужного для снижения \(e_n\) . Типовое значение усиления 200 при входном токе 10 μA . Такую цену приходится платить за низкое напряжение шума. Для сравнения, входной ток схемы на ПТ составляет единицы пикоампер как следует из графика «excess gate current» в паспортных данных на 2SK389 ( или LSK389 ), а напряжение \( V_{DS}\) задаётся каскодом.
Общее напряжение шума

В обеих схемах входные каскады дифференциальные, а значит, напряжение шума одиночного транзистора \(e_n\) надо умножать на \(\sqrt{2}\) , чтобы получить значения, указанные на схемах. Для ПТ-версии схемы из-за меньшего усиления входного каскада приходится учитывать вклад от входного шума ОУ - 3 nV/\(\sqrt{Hz}\) , но после приведения ко входу схемы от него остаётся только 0.3 nV/\(\sqrt{Hz}\) , что в целом несущественно по сравнению с большой плотностью шума дифференциального каскада.

Следует напомнить, что оба варианта - малошумящие усилители, и, чтобы сохранить низкое значение \(e_n\) , на входах должны быть источники с низким импедансом. Скажем, для биполярной версии это предполагает сопротивление нижнего плеча делителя обратной связи в районе 10 Ω .

Входное дифференциальное напряжение
Если в целевом устройстве на входе гибридного усилителя может появиться напряжение, превышающее ±5V , то в БТ-варианте для предупреждения пробоя перехода база-эмиттер и последующей деградации параметров транзисторов следует ставить защитные диоды. ПТ-схема легко выдерживает входной сигнал с амплитудой полного напряжения питания. Дифференциальные каскады обеих схем работают при достаточно высоких рабочих токах, и сколь-нибудь заметная разница напряжений между входами приводит к асимметричному нагреву транзисторов и появлению ( увеличению ) напряжения смещения между входами. Это означает, что необходимо поддерживать температурную связь между входными транзисторами и, возможно, защищать их от воздушных потоков.

72 Говоря о LT1028, стоит добавить, что он довольно дорог: около $6 за штуку при средних объёмах партии. <-

73 В таблице есть колонки «swing to supply» для входов и для выходов. <-

74 Снова вспоминаем, что дробовый шум через \( r_e\) в БТ ( или через 1/\(g_m\) в ПТ) согласно уравнениям [8.20] и [8.34] можно описать как тепловой шум резистора номиналом \(\frac{1}{2}r_e\) ( или \(\frac{2}{3}\frac{1}{g_m}\) ) . Большой ток коллектора ( стока ) ведёт к уменьшению \( r_e\) ( увеличению \( g_m\) ) , а значит, нужен для снижения шума входных транзисторов ОУ. <-

75 На рис. 8.110 и 8.111 приведены измеренные спектры шума для некоторых из них. <-

76 Для ОУ на биполярных транзисторах значения \(I_b\) в табл. 8.3a даются в nA , а для ОУ на полевых ( табл. 8.3b ) - в pA . <-

77 У нескольких компонентов производитель указал ошибочные значения шума \(i_n\) . В таких случаях в таблице курсивом указаны измеренные значения. <-

78 Для усилителей с очень низкими входными токами в справочных данных можно увидеть очень консервативные ( высокие ) цифры максимальных значений \(I_b\) , диктуемых стремлением производителя сократить время и стоимость автоматического тестирования. Медленные и затратные измерения малых токов оправданы только для дорогих компонентов. <-

79 Другие кандидаты: OPA124, OPA121, AD8067 и OPA656, причём у последнего \( f_T \)=230 MHz . Среди КМОП ОУ рассмотрения заслуживает OPA365, чей входной ток \(I_b\)=0.2 pA (тип.). <-

80 В таблице есть дополнительный параметр \(e_nC_{in}\) - добротность, удобный для разработок на TIA. <-

81 Есть ещё одно слагаемое: как объясняется в §8.11.3 , в инвертирующем включении шумовое напряжение создаёт дополнительный шумовой ток через входную ёмкость, пропорциональный соотношению \(i_n=e_nωC_{in}\) . <-

82 Для сравнения был добавлен «обычный ОУ» на ПТ LF411, «старички» LM741 и LM358, а также несколько популярных моделей, которые нельзя отнести к малошумящим. На рисунке все они имеют цифровые обозначения. <-

83 Если сигнал выходит за рабочие пределы, то каскод просто перестаёт оказывать влияние на схему, превращаясь в низкоомный ключ. <-

84 У OPA277 отличный запас по фазе ( около 60° ), уходящий сильно дальше его GBW , которое составляет 1 MHz . Если потребуется снизить усиление в схеме с обратной связью, можно добавить последовательную R+C цепочку поперёк входов ОУ, которая снизит сопротивление нагрузки [* для сигнала ] и усиление без обратной связи на высоких частотах. <-

85 pnp имеют меньший шум, чем парные им npn , но сильно меньшее напряжение Эрли: \( V_A\)=120 V против \( V_A\)=410 V , см. табл. 8.1 . А если и без того низкое напряжение Эрли, ещё и не согласовано, то КОСС дифференциальной пары сильно снижается. Если этот параметр важен, то схему можно переделать под npn пару или добавить каскод. <-

86 Измеренное значение попадает в самую середину диапазона: 1.34 nV/\(\sqrt{Hz}\) ( общий шум дифференциальной пары 1.9 nV/\(\sqrt{Hz}\) ). <-

Previous part:

Next part: