Шапка

X9.16 Шинный преобразователь, он же «трансформатор постоянного тока» (DRAFT)

Было бы неплохо иметь «трансформатор», который превращал бы одно постоянное напряжение в другое и, подобно обычному трансформатору, мог бы работать в обоих направлениях. В Части _9 ( §9.6 ) произошло знакомство с целым выводком самых разных преобразователей ( повышающих, понижающих, и т.д. ), которые могут превращать одно постоянное напряжение в другое. Вся магия преобразования входного напряжения в переменное, масштабирования с помощью магнитных элементов или летающих конденсаторов и последующего выпрямления скрыта внутри. Регулируемое выходное напряжение получается путём слежения за скважностью цикла преобразования. Но эти ключевые схемы могут работать только в одном направлении.

Вас, вероятно, удивит, но можно собрать и двунаправленный ключевой dc-dc преобразователь. На рис. X9.71 изображён обычный неизолированный понижающий преобразователь, в котором используется второй активный ключ \(S_2\) вместо пассивного «подхватывающего» диода. Если двигаться слева, схема понижающая, но если задать вход справа, то получим повышающий преобразователь [* см. рис. 1.52 ] . Такую конструкцию можно рассматривать как двунаправленный трансформатор постоянного тока, работающий в обоих направлениях с «коэффициентом трансформации» N . Входное напряжение подаётся на выход с коэффициентом N или 1/N в зависимости от того, какая сторона работает «входом». Если пренебречь потерями, то происходит полное сохранение энергии, т.е. для преобразования с понижением \(I_{out}\)=N\(I_{in}\) .

Рис. X9.71   Понижающая схема с активными ключами одновременно является повышающей для преобразования в обратном направлении [* см. рис. 1.52 ] . Скважность D равна отношению замкнутого состояния ключа \(S_1\) к длительности цикла

«Коэффициент трансформации N» корректируется длительностью рабочей фазы цикла преобразования ( скважностью ). Например, для скважности 25% ( \(S_1\) замкнут четверть времени цикла ) коэффициент передачи составит N=4 . Формула точно повторяет соотношение [9.3d] для классического понижающего преобразования. \[ N=\frac{V_{out}}{V_{in}}=D , \qquad \qquad \qquad [X9.5] \] где D - часть времени, когда ключ \(S_1\) находится в проводящем состоянии.

X9.16.1 Отличие от классической схемы ключевого преобразования

«Трансформатор постоянного тока» очень похож на обычный неизолированный повышающий или понижающий преобразователь, но есть два важных отличия.

  • В шинном преобразователе скважность фиксированная и не меняется под воздействием обратной связи, удерживающей выходное напряжение в заданных рамках. Шинный преобразователь удерживает неизменным отношение напряжений, а не какой-то заданный потенциал на выходе [* см. примечание #142 на стр. 685 ( §9.11 ) ] .
  • Шинный преобразователь можно делать только на активных ключах ( \(S_2\) на МОП транзисторе ), подхватывающие диоды не подойдут, потому что ток через ключ может течь в обоих направлениях.

X9.16.2 Область использования шинного преобразователя

А где вообще можно использовать двунаправленный преобразователь? Например, в местах, где есть несколько питающих шин. В современных автомобилях есть 48 V , но они обязаны поддерживать ранее разработанное оборудование, рассчитанное на 12 V . Было бы удобно иметь устройство, передающее энергию между шинами, защищая нагрузку от пропадания какого-то из источников. ( Внезапное исчезновение нагрузки с линии 12 V вызовет появление сильного выброса, который лучше бы перенаправить в 48 V ).

Ещё один пример - создание мощных разделённых линий питания. Скажем, первый уровень 72 V задаётся сетевым источником питания. Далее идёт шинный преобразователь 2:1 ( скважность 50% ), который формирует среднюю точку 36 V . Если её заземлить, то получится источник ±36 V для мощной стереосистемы [* см. тему формирования искусственной средней точки «расщепителями питания» в §4.6.1.B ] . Такая схема работает, потому что терминал шинного преобразователя, ставший «схемной землёй», может и отдавать и принимать ток, образуя жёсткую опорную точку [* А какое быстродействие здесь требуется? работа схемы ]

X9.16.3 Пример шинного преобразователя

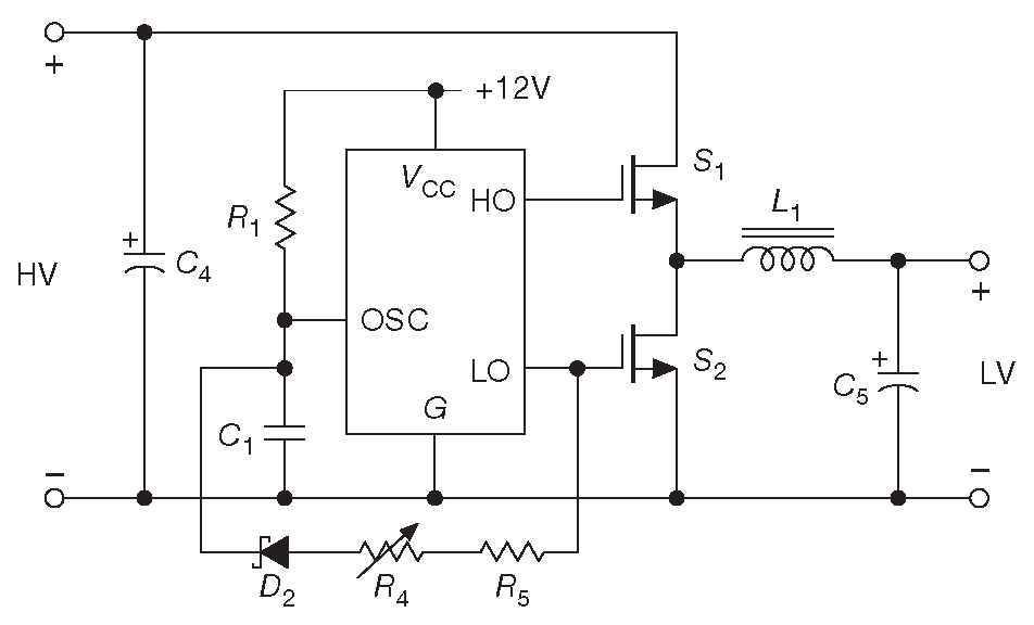
Коммерческие шинные преобразователи, рассчитанные на большую нагрузку ( например, на транспорте ), используют многофазное преобразование и трансформатор, который обеспечивает нужный масштабный коэффициент. В примере ниже используется схема попроще, с одной катушкой индуктивности и настраиваемой скважностью D , т.е. коэффициентом трансформации. Блок-схема показана на рис. X9.72 и использует микросхему мостового преобразователя для управления ключами. IR2085 имеет внутренний генератор с фиксированной скважностью, но небольшой трюк поможет с подстройкой длительности рабочей фазы D ( см. рис. 7.10B , где аналогичная задача решена для таймера 555 ). Слева на схеме шина с бОльшим потенциалом ( например, 48 V ), а справа - с меньшим ( например, 12 V ).

Рис. X9,72   Блок-схема шинного преобразователя. \(R_4\) подстраивает скважность D ( она же коэффициент трансформации )

На рис. X9.73 показана полная схема, а на фотографии X9.74 можно увидеть само устройство. Большая часть компонентов уже знакома. Это обычные цепи управления затворами \(S_1\) ( \(Q_1\) ) и \(S_2\) ( \(Q_2\) ), накопительная индуктивность \(L_1\) , накопительные же ёмкости \(C_4\) и \(C_5\) , 4-выводной шунт \(R_S\) из цепи защиты от перегрузки и цепь вольтодобавки \(D_1C_B\) , которая нужна для работы драйвера верхнего плеча.

Рис. X9.73   Двунаправленный шинный преобразователь. На высоковольтный вход можно подавать до +60 V . Коэффициент передачи \(V_{out}/V_{in}\) подстраивается с помощью \(R_4\) . [Корр. Верхний \(V_{out}\) должен маркироваться «HV»]

Рис. X9.74   Шинный преобразователь по схеме X9.73 отлично умещается на 2-слойной печатной плате размером 6×8 cm . На входе добавлен автомобильный предохранитель, а ёмкость фильтров удвоена. [* При разводке печати стремление к единообразию подвело конструктора - силовые ключи \(S_1\) и \(S_2\) развёрнуты на 180° и не оставляют места для правильной посадки радиаторов ]

Компоненты \(D_2\) , \(R_4\) и \(R_5\) , устанавливают длительность активной фазы рабочего цикла IR2085, имеющей конструктивное значение скважности 50% . Микросхема допускает рабочее напряжение до 100 V , поэтому верхний предел ( 50 V ) определяется 50-амперными ключами. Устройство имеет вполне приличную мощность 250 W и при 50-процентной длительности активной фазы может конвертировать 48 V@5A в 24 V@10 A 44 . Испытания проводились при меньшем напряжении ( 24 V:12 V [* даже \(R_4\), регулирующий скважность, не поставили ] ) и мощности и показали КПД лучше 95% в диапазоне мощностей 10...100 W .

X9.16.4 Несколько замечаний

Действующее последовательное сопротивление
Шинный преобразователь отлично работает в любом направлении, выдерживая отношение 1:N , но вносит в путь прохождения тока последовательное сопротивление потерь, аналогичное «потерям в меди» у обычного трансформатора. Сопротивление потерь частично определяется сопротивлением открытых транзисторов, но большая его часть возникает как следствие мёртвого времени при переключении, когда оба канала в отсечке. Мёртвое время страхует от прохождения сквозного тока через \(S_1\) и \(S_2\) . Для IR2085 установлена частота работы 150 kHz , а её собственное внутреннее мёртвое время равно 100 ns , отсюда, 3% времени ток через индуктивность не течёт. [* Здесь самое время вспомнить о взаимном соответствии временных параметров ключевых схем с параметрами RC цепей, см. Часть _6 ( §6.3.6.A ) ] .
Относительно большое мёртвое время - следствие использования ординарного драйвера полумоста с расчётом на его внутренние задержки, но 100 ns в данной модели взяты с большим запасом. Более высокие параметры можно получить в конструкциях, отделяющих генерацию временной диаграммы от цепей управления затворами.
Точность трансформации
Преобразователь выдерживает конкретное отношение напряжений и не имеет обратной связи, поэтому медленные колебания входного напряжения с неизбежностью будут переданы на выход. Для данной схемы «медленно» соответствует частотам до нескольких килогерц, т.е. единиц процентов от частоты переключения. Но речь идёт не о классическом переменном напряжении, потому что конвертор не может работать с биполярными сигналами, но лишь о помехе поверх постоянного уровня.
Пульсации тока и многофазное преобразование

Ранее утверждалось, что преобразователь сохраняет передаваемую мощность, т.е. ток высоковольтного входа меньше, чем ток низковольтного выхода в пропорции, заданной коэффициентом трансформации. Жизнь несколько сложнее. Рассмотрим преобразование из 48 V в 12 V . Входной ключ \(S_1\) замкнут только 25% времени, но в этом промежутке входной ток равен среднему току выходной шины. Т.е. входной ток меньше в 4 раза только при усреднении его на промежутке цикла преобразования. Проблема возникает из-за того, что схема использует одну катушку индуктивности с разрывным током на входе. В более сложных конструкциях применяют многофазные схемы с четырьмя катушками ( и отдельным набором ключей при каждой ) 45 . Ключи замыкаются попеременно, что в известной степени снижает проблему пульсаций тока. Такая схема имеет то дополнительное преимущество, что за счёт перекрытия соседних фаз выходной ток от разных катушек перекрывается. В данном примере фазы перекрываются на 33% , потому что для каждого ключа \(S_2\) время замкнутого состояния в 3 раза больше, чем для \(S_1\) , и две трети этого времени \(S_2\) работает параллельно с другими каналами 46 .

Вот почему на материнских платах компьютеров вокруг процессора натыкана куча индуктивностей. Они участвуют в 8- и даже 16-фазном понижающем преобразовании с 12 V до 1V для питания вычислительного ядра. Вернёмся к теме двухуровневой автомобильной электросети. На рис. X9.75 показан типовой вариант конструкции двунаправленного преобразователя на 2 kW фирмы Texas Instruments, предназначенный как раз для автомобильных сетей 48/12 V .

Рис. X9.75   Серьёзный шинный преобразователь. 4-фазный двунаправленный автомобильный модуль 12/48 V мощностью 2 kW . С разрешения Texas Instruments Incorporated

Изолированные шинные преобразователи

Описанные шинные преобразователи, иногда упоминаемые в тексте как «трансформаторы», не обладают одним из свойств настоящего трансформатора: они не изолированные и имеют общий нулевой терминал. Но данная особенность не присуща поставленной задаче изначально. Шины могут быть гальванически развязаны ( рис. X9.76 ). Помимо разделения земель такая схема позволяет создавать конверторы с большим отношением напряжений, например 400 /12 V , при сохранении разумных значений скважности. Это становится возможно за счёт естественного отношения витков обмоток настоящего трансформатора.

Рис. X9.76   Шинный преобразователь с трансформаторной развязкой, т.е. с гальванической изоляцией, допускает получение больших отношений потенциалов между входом и выходом

44 В нём используется примечательная катушка индуктивности, которая лежит в центре последнего ряда на фотографии ##X1.72 .   <-

45 Как на фотографии X9.75 .   <-

46 Все задачи по управлению, контролю и выдерживанию временных соотношений возложены на микроконтроллер. Это очень правильно, потому что обратной связи или проблем с устойчивостью в преобразователе с фиксированным коэффициентом нет. <-

Previous part:

Next part: